工厂作业方式精细化管理方案.docx

上传人:p** 文档编号:532171 上传时间:2023-10-17 格式:DOCX 页数:9 大小:40.45KB
下载 相关 举报
工厂作业方式精细化管理方案.docx_第1页
第1页 / 共9页
工厂作业方式精细化管理方案.docx_第2页
第2页 / 共9页
工厂作业方式精细化管理方案.docx_第3页
第3页 / 共9页
工厂作业方式精细化管理方案.docx_第4页
第4页 / 共9页
工厂作业方式精细化管理方案.docx_第5页
第5页 / 共9页
工厂作业方式精细化管理方案.docx_第6页
第6页 / 共9页
工厂作业方式精细化管理方案.docx_第7页
第7页 / 共9页
工厂作业方式精细化管理方案.docx_第8页
第8页 / 共9页
工厂作业方式精细化管理方案.docx_第9页
第9页 / 共9页
亲,该文档总共9页,全部预览完了,如果喜欢就下载吧!
资源描述

《工厂作业方式精细化管理方案.docx》由会员分享,可在线阅读,更多相关《工厂作业方式精细化管理方案.docx(9页珍藏版)》请在第壹文秘上搜索。

1、工厂作业方式精细化管理方案1.1 5S活动检查及奖惩办法1.2 废弃物处理管理规定1.3 5S活动检查及奖惩办法制度名称XX工厂5S活动检查及奖惩办法受控状态编号执行部门监督部门考证部门第1章总则第I条目的。为使5S活动持续有效地运行,维持工厂良好的环境,特制定本办法。第2条范围。本办法规定了5S活动检查办法的基本规则,适用于本工厂所属各区域及相关场所。第3条检查种类。1 .工厂5S推行小组检查。2 .责任区内部检查。3 .班组检查。4 .员工自查与互查。5 4条责任。1 .工厂巡回检查,由工厂5S推行委员会进行现场5S日常巡回检查。2 .责任区域内部检查,由工厂各责任区责任人进行现场5S日常

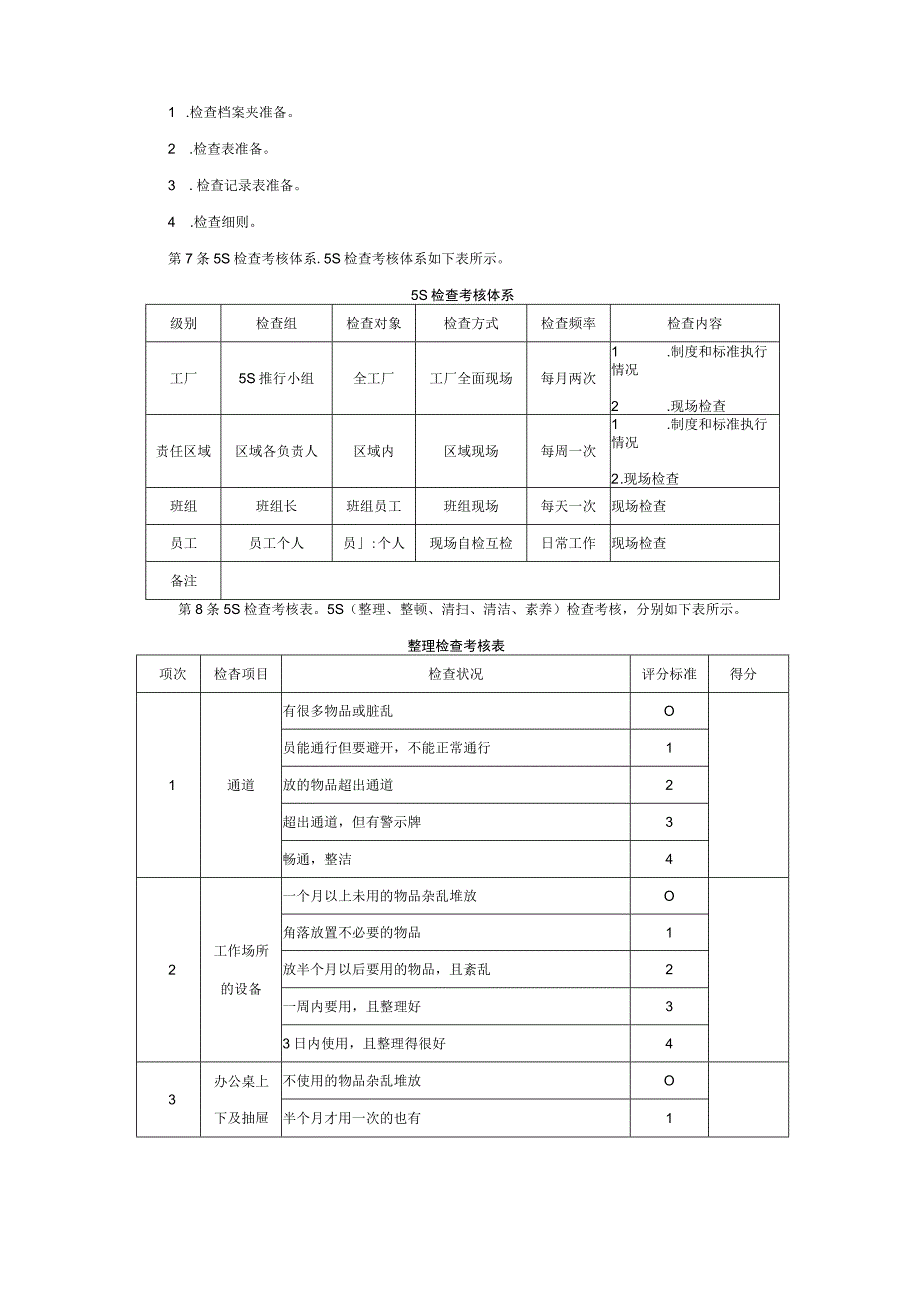
2、巡回检查。3 .班组检查,由各个责任区域内的班组进行现场5S日常巡回检查。4 .员工自查与互查,由员工本人检查。第2章检查实施第5条检查标准。5S推行委员会根据检查对象的工作性质制定检查标准:1 .根据区域类别分为科室、生产、库房、后勤四类。检查时,各责任区域可根据区域内班组的类别参照相关的检查标准。2 .根据检查5S责任的对象不同,生产类分为车间、班组、员工三个层次。3 .5S推行小组、各责任区域、班组可根据工作特点的不同,制定5S日常巡回检查表相关内容。第6条检查工具的准备。1 .检查档案夹准备。2 .检查表准备。3 .检查记录表准备。4 .检查细则。第7条5S检查考核体系.5S检查考核体

3、系如下表所示。5S检查考核体系级别检查组检查对象检查方式检查频率检查内容工厂5S推行小组全工厂工厂全面现场每月两次1 .制度和标准执行情况2 .现场检查责任区域区域各负责人区域内区域现场每周一次1 .制度和标准执行情况2 .现场检查班组班组长班组员工班组现场每天一次现场检查员工员工个人员:个人现场自检互检日常工作现场检查备注第8条5S检查考核表。5S(整理、整顿、清扫、清洁、素养)检查考核,分别如下表所示。整理检查考核表项次检杳项目检查状况评分标准得分1通道有很多物品或脏乱O员能通行但要避开,不能正常通行1放的物品超出通道2超出通道,但有警示牌3畅通,整洁42工作场所的设备一个月以上未用的物品

4、杂乱堆放O角落放置不必要的物品1放半个月以后要用的物品,且紊乱2一周内要用,且整理好33日内使用,且整理得很好43办公桌上下及抽屉不使用的物品杂乱堆放O半个月才用一次的也有1一周内要用,但过多2当日使用,但杂乱3桌面及抽屉内之物品均为当日使用,且整齐44料架杂乱存放不使用的物品O料架破旧,缺乏整理1摆放不使用的物品,但较整齐2料架上的物品整齐摆放3摆放物为近日用,很整齐45仓库塞满物品,人不易行走O物品杂乱摆放1有定位规定,但没被严格遵守2有定位,有管理,但进出不方便36计算机文件夹私人文件与公用文件混杂,无用、重复、过期文件充斥其间O有所整理,但较为紊乱1文件按照分类进行存储,排列较为整齐2

5、文件归类整齐、标识明确、易于查找,且对重要的旧文件进行备份3合计备注整顿检查考核表项次检杳项目检查状况评分标准得分1设备机器仪器破损不堪,不能使用,杂乱放置O不能使用的集中在一起1能使用、较脏乱2能使用,有保养,但不整齐3摆放整齐、干净,呈最佳状态42工具不能用的工具杂放置O勉强可用的工具多1均为可用工具,但缺乏保养2工具有保养,有定位放置3工具采用目视管理43零件不合格品与合格品堆放在一起O不合格品虽没及时处理,但有区分及标示1只有合格品,但保管方法不好2保管有定位标示3保管有定位,有图示,任何人都很清楚44图纸作业标示书过期与正使用的物品杂放在一起O不是最新的,且随意摆放1是最新的,但随意

6、摆放2有卷宗保管,但无次序3有目录、次序且整齐,任何人很快能使用45文件档案零乱放置,使用时没法找O虽显零乱,但可以找得到1共同文件被定位,集中保管2以机器处理而容易检索3明确定位,使用目视管理,任何人都能使用4合计备注清扫检杳考核表项次检查项目检查状况评分标准得分1通道有烟蒂、纸屑、铁屑及其他杂物O虽无脏物,但地面不平整1有水污、灰尘2早上有清扫3用拖把清洁并定期打蜡,保持光亮42作业场所有烟蒂、纸屑、铁屑及其他杂物O虽无脏物,但地面不平整1有水污、灰尘2零件、材料、包装材料存放不妥3使用拖把清洁并定期打蜡,保持光亮43办公桌作业台文件、工具、零件很脏乱O桌面、作业台布满灰尘1桌面、作业台面

7、虽干净,但破损未修理2桌面、作业台面干净整齐3桌面、椅子及四周均干净亮丽44门窗墙板天花板任凭破烂,没有处理O破烂但仅做应急简单处理1乱贴乱挂不必要的东西2还算干净3干净亮丽,很舒爽45设备工具仪生锈O虽无生锈,但有油污1有轻微灰尘2保持干净3使用中有防止不干净的措施,并随时清理4合计备注清洁检查考核表项次检查项目检查状况评分标准得分1通道作业区没有划分O有划分1划线感觉尚可2划线清楚,地面有清扫3通道及作业区感觉很舒畅42地面有油或水O有油污或水,显得不干净1不是很平2经常清理,没有脏物3地面干净亮丽,感觉舒服43办公桌作业台椅子架子很脏乱O偶尔清理1虽有清理,但还显脏乱2自己感觉很好3任何

8、人都会觉得很舒服44洗手台厕所等容器或设备脏乱O破损未修补1有清理,没异味2经常清理,没异味3干净亮丽,还加以装饰,感觉舒服45储物室阴暗潮湿O员阴湿,但可通风1照明不足2照明适度,通风好,感觉清爽3干干净净,整整齐齐,感觉舒服4合计备注第8条检查组工作细则。1 .5S推行小组依据每月工厂5S值班计划,参照检查内容每月两次对所划分的责任区域进行全面检查。任何5S推行小组检查人员不得借故缺席,有特殊情况,可申请他人代为值班,但替代人由其自行协商。2 .责任区内部检查由各责任区域负责人自行组织实施,参照相关检查标准每周对所在责任区的班组进行检查。3 .班组检查由班组长组织实施,参照相关检查标准每天

9、对所在责任班组进行检查。4 .日常工作期间随时进行员工个人自检与互检。第3章检查结果5 9条检查结果处理1 .5S推行小组在检查时,对检查发现的问题应明确记录在5S巡回检查记录表上,并交由责任班组长或区域负责人加以确认。2 .若遇相关负责人缺勤或否认既成事实,5S推行小组组长有权判定并形成相关记录。3 .能当场整改的,检查者有权责令其立即纠正;若不能当场整改的,应开具5S整改通知书限期整改,同时5S推行委员会在编制5S检查内容时,将其列为检查项目,加以跟踪监督。第K)条检查情况公示。1. 5S推行小组的值班主任于每次检查后的次日,将形成结果的检查表上报到工厂5S推行委员会秘书处汇总。2. 5S

10、推行委员会执行秘书将前一天巡查的问题、责任区域、责任人、值班主任、检查得分、整改状况等情况加以统计或汇总,每天定时通过公布栏加以公示。3. 责任区内部检查及各班组自我检查也可参照同样办法在现场看板上予以公示。第4章考核与奖惩第11条考核得分规定。1 .5S检查得分作为各责任区责任人每月绩效考核表中的5S得分。2 .责任区内部检查月均分作为各班组长每月绩效考核表中的5S得分。3 .班组内部检查月均分作为员工每月绩效考核表中的5S得分。第12条申诉。任何被检查人或班组如对5S检查结果有异议,可向工厂5S推行委员会进行申诉,由主任委员最后裁决,但不得借故向值班主任做无休止的纠缠。第13条奖惩办法。奖

11、惩以5S推行小组巡查的平均得分为准,以“月”为单位分别加以统计进行奖惩。奖金由主任委员或工厂领导颁发。部门内部检查的奖惩事项由本部门自行制定,并报工厂5S推行委员会备案。1 .对在工厂巡查活动中工作表现突出的区域、班组,5S推行委员会根据各区域、各班组的问题汇总数进行集体评议,授予“5S先进集体”锦旗一面,并发给相应的奖金。奖金按30元Xn定,n为区域内员工人数;对工作表现落后的班组,悬挂“5S加油队”黄旗,意在鞭策和促进。2 .对在工厂检查活动中工作表现突出的人员,经5S推行委员会集体评议,授予“5S优秀员工”荣誉称呼,并发给奖金100元。3 .对检查中所暴露的问题,推行委员会将汇总分发给有

12、关部门进行限期整改,一次不改的将对责任人处以罚款20元,两次不改的将对责任人处以罚款50元,连续三次不改或整改效果不明显的,将对责任人和当事人处以罚款500元。第14条本办法由总经理办公室制定,解释权归总经理办公室所有。第15条本办法自颁布之日起执行。编制日期审核H期批准日期修改标记修改处数修改日期1.2废弃物处理管理规定制度名称废弃物处理管理规定受控状态编号执行部门监督部门考证部门第1条目的。为保护作业环境,减少污染,顺利、有效地推行5S活动,特制订本规定。第2条范围。本办法适用于工厂废弃物的分类、存放和标识等工作。第3条责任。I.各责任区负责对本责任区产生的一般废弃物和危险废弃物进行控制并

13、加以分类标识,集中回收。2.后勤部门负责联系回收工厂并将各部门的废弃物进行分类回收。第4条废弃物处理废弃物分为一般废弃物与危险废弃物,其处理办法如下表所示。废弃物处理办法一览表类别废弃物细分责任部门处理办法.般废弃物办公活动产生的废包装材料、废旧纸张和报纸、办公垃圾等所在部门集中存放,清洁工每天进行清理生产活动中产生的废弃包装物、废边角料以及各种生产垃圾等所在部门集中存放,清洁工每天进行清理实验活动中产生的玻璃仪器、无毒废液、实验垃圾等所在部门集中存放,清洁工每天进行清理员工食堂的剩饭剩菜、除油烟系统收集的动植物油、生活垃圾等食堂统一管理,并由专人负责回收处理员工宿舍产生的生活垃圾等后勤部集中存放,清洁工每天进行清理危险办公室活动产生的废旧灯管、电池等1.所在部1.办公活动、生产活动和实验活动产生废弃物生产活动产生的废机油及其污染物、

展开阅读全文
相关资源
猜你喜欢
相关搜索

当前位置:首页 > 管理/人力资源 > 管理学资料

copyright@ 2008-2023 1wenmi网站版权所有

经营许可证编号:宁ICP备2022001189号-1

本站为文档C2C交易模式,即用户上传的文档直接被用户下载,本站只是中间服务平台,本站所有文档下载所得的收益归上传人(含作者)所有。第壹文秘仅提供信息存储空间,仅对用户上传内容的表现方式做保护处理,对上载内容本身不做任何修改或编辑。若文档所含内容侵犯了您的版权或隐私,请立即通知第壹文秘网,我们立即给予删除!