截水沟施工技术交底.docx

上传人:p** 文档编号:532502 上传时间:2023-10-17 格式:DOCX 页数:9 大小:102.47KB
下载 相关 举报
截水沟施工技术交底.docx_第1页
第1页 / 共9页
截水沟施工技术交底.docx_第2页
第2页 / 共9页
截水沟施工技术交底.docx_第3页
第3页 / 共9页
截水沟施工技术交底.docx_第4页
第4页 / 共9页
截水沟施工技术交底.docx_第5页
第5页 / 共9页
截水沟施工技术交底.docx_第6页
第6页 / 共9页
截水沟施工技术交底.docx_第7页
第7页 / 共9页
截水沟施工技术交底.docx_第8页
第8页 / 共9页
截水沟施工技术交底.docx_第9页
第9页 / 共9页
亲,该文档总共9页,全部预览完了,如果喜欢就下载吧!
资源描述

《截水沟施工技术交底.docx》由会员分享,可在线阅读,更多相关《截水沟施工技术交底.docx(9页珍藏版)》请在第壹文秘上搜索。

1、云南姚南高速公路建设项目技术交底记录表交底单位名称:中铁二十三局集团有限公司姚南高速公路第三施工总承包部接受交底单位名称:工程部交底内容:洞顶截水沟施工交底日期交底人被交底人数交底部位:洞口技术交底具体内容:1.施工设计(1)截水沟采用C20混凝土浇筑;(2)沟身净空尺寸80*80Cm(靠山一侧结合实际情况可调整为80120Cm),沟壁厚25cm;截水沟设计横断面见图19.*.一2工.Aj,,4*A.4:1,,4:,;:.a.:*,一80一图1截水沟设计横断面图2.施工技术要求(1)截水沟至隧道洞口仰坡顶5IOnb沿山体走向结合地形条件设置,在山脚与自然水沟顺畅连接,保证排水畅通;(2)截水沟

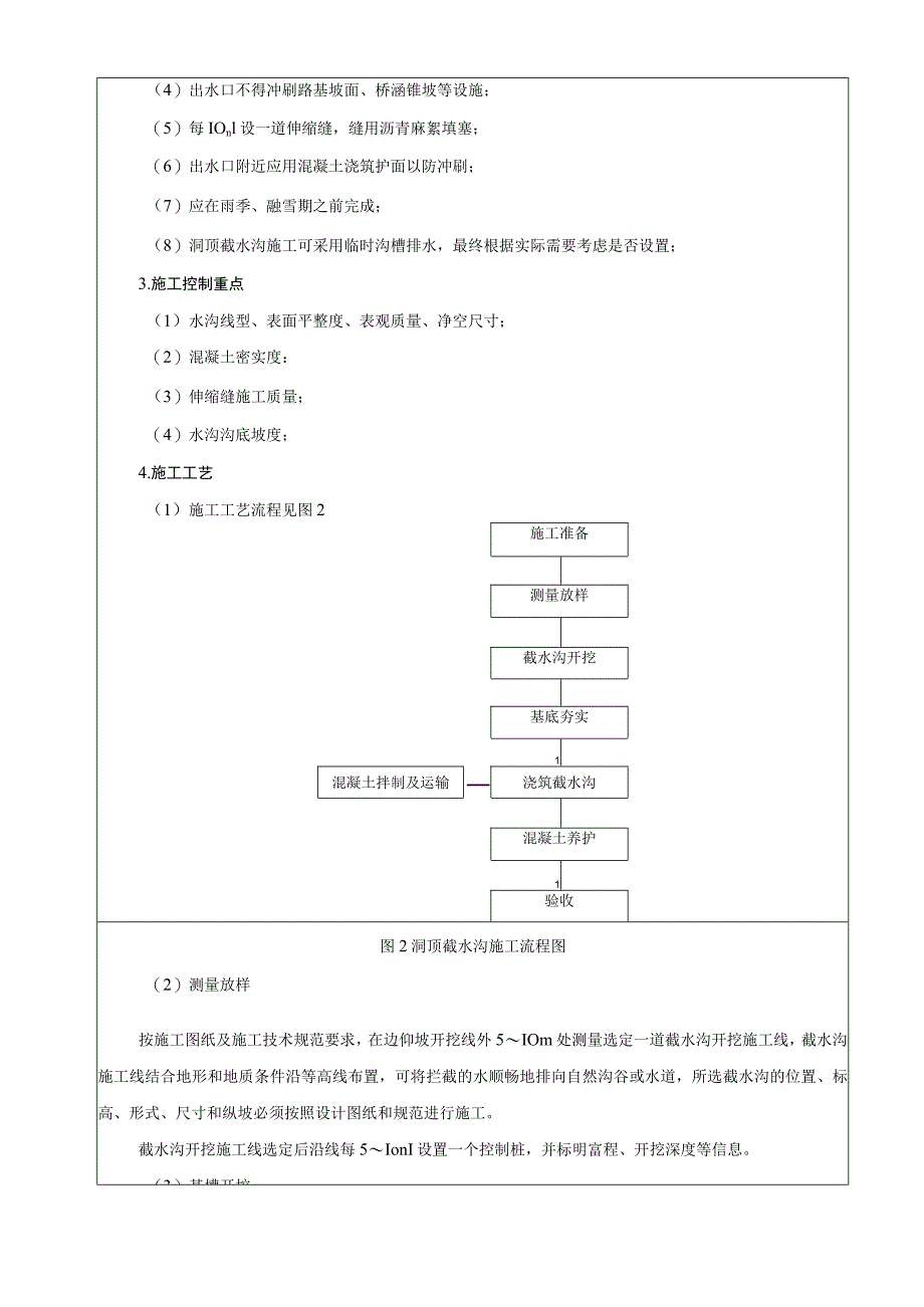
2、迎水侧不得高出地表,局部有凹坑时应填平,回填应密实且不易被水淘空;(3)开挖后基底应夯实整平,再进行砌体/混凝土施工;(4)出水口不得冲刷路基坡面、桥涵锥坡等设施;(5)每IOnl设一道伸缩缝,缝用沥青麻絮填塞;(6)出水口附近应用混凝土浇筑护面以防冲刷;(7)应在雨季、融雪期之前完成;(8)洞顶截水沟施工可采用临时沟槽排水,最终根据实际需要考虑是否设置;3.施工控制重点(1)水沟线型、表面平整度、表观质量、净空尺寸;(2)混凝土密实度:(3)伸缩缝施工质量;(4)水沟沟底坡度;4.施工工艺(1)施工工艺流程见图2施工准备测量放样截水沟开挖基底夯实1混凝土拌制及运输浇筑截水沟混凝土养护1验收图

3、2洞顶截水沟施工流程图(2)测量放样按施工图纸及施工技术规范要求,在边仰坡开挖线外5IOm处测量选定一道截水沟开挖施工线,截水沟施工线结合地形和地质条件沿等高线布置,可将拦截的水顺畅地排向自然沟谷或水道,所选截水沟的位置、标高、形式、尺寸和纵坡必须按照设计图纸和规范进行施工。截水沟开挖施工线选定后沿线每5IonI设置一个控制桩,并标明富程、开挖深度等信息。(3)基槽开挖基槽开挖采取机械配合人工开挖,开挖时严格按照图纸尺寸开挖。先用机械简单在截水沟测定中线开槽,再用人工整平基槽。若在开挖中遇到硬岩,采用破碎锤进行基槽开挖,人工风镐修面,要求沟底与沟壁坚实平顺,不欠挖。基槽开挖必须考虑水沟净空尺寸

4、、两侧沟壁厚度以及必要的冗余宽度。(4)基底及沟壁处理水沟开挖到设计标高及宽度后,采用小型机械对沟底碾夯密实,避免沟底发生不均匀沉降;两侧沟壁人工进行修整,确保沟壁线型顺直、表面平整,以便于模板安装及混凝土浇筑。沟身开挖效果见图3图3沟身开挖效果图(5)沟底混凝土浇筑基槽处理完成后报监理工程师验收,合格后进行水沟混凝土浇筑。先浇筑沟底混凝土,混凝土采用人工摊铺,表面进行压实、收面,确保混凝土内部密实、表面平整光滑。(6)侧模板安装模板采用1.8Cnl优质竹胶板。待沟底混凝土终凝后开始安装侧模,侧模内侧根据水沟设计宽度用方木作内撑顶紧,外侧依靠沟壁用方木顶紧,要求模板安装稳固,不得在混凝土浇筑过

5、程中发生位移或变形。模板每IOnl设一道伸缩缝,伸缩缝处用泡沫板进行隔断,待拆模后用沥青麻絮填塞。沟侧壁与沟底重叠部分混凝土必须凿毛、清洗干净,以保证良好的连接效果;施工中严禁在已浇筑的沟底混凝土上钻孔安装侧模固定钢筋。模板安装见图4图4模板安装示意图(7)混凝土浇筑采用商品混凝土,泵送入模,所有混凝土到场必须先检查混凝土强度等级、塌落度、配合比、运输时间等性能指标,不符合要求严禁使用;施工中并按要求留置试件。混凝土由下游向上游分段浇筑,在伸缩缝处断开;水沟两侧混凝土必须对称浇筑,高差不得超过20cm,采用振动棒振捣密实;插点要均匀排列,可采用“行列式”的次序移动,不应混用,以免造成混乱而发生

6、漏振。振动作用半径约为振动棒半径的89倍,每次移动位置的距离应不大于振动棒作用半径R的1.5倍;每次插入振捣的时间为2030秒左右,并以混凝土不再显著下沉,不出现气泡,开始泛浆时为准。(8)拆模养护在确保拆模不会损坏混凝土棱角即可拆模,模板分段拆模,严禁成片撬落以防损伤混凝土结构;拆模后及时采取洒水养护措施,并对内侧沟壁表面压光及修复,避免表面产生裂纹。截水沟施工效果见图5图5截水沟施工效果图(9)伸缩缝施工1)伸缩缝的位置需提前放线。放出准确位置。保证伸缩缝位置符合设计要求。泡沫板放置必须垂直牢固,在施工过程中不得偏离、移位;2)伸缩缝自上而下竖直方向严格对齐,定位牢固,如发生倾斜、变形,拆

7、除重做。伸缩缝从上到下保持通缝,并控制好垂直度和缝宽;3)拆模后拆除泡沫板,并将伸缩缝断缝处残留材料清理干净,隔缝处采用沥青麻絮填缝填满抹平,要求外观规整、顺直,无翘边、变形,且不得污染沟身。4)沥青麻絮加工要求沥青用锅以火熬制,熬制沥青的铁锅必须有盖,以便沥青飞溅及着火时用以覆盖。熬制处处于工地下风方向,与一般工作人员、堆料等保持一定距离。锅内沥青不能超过锅容积2/3。熬制中不断搅拌至全部为液态为止。熬好的沥青盛在小铁桶中送至工点使用。沥青麻絮用热沥青浸制,浸制后的麻絮,表面呈淡黑色,无破裂,撕断面上呈淡黑色,无显示未浸制的部分。沥青麻絮搅拌均匀后,趁热用夹子填塞到沉降缝中,沉降缝外露部分采

8、用沥青砂密封。5.截水沟施工常见质量通病及防治措施(1)排水沟线型及表面平整度差,净空尺寸不足,表面产生裂缝。原因分析:1)模板安装不顺直;模板固定不牢固,导致在混凝土浇筑过程中发生变形、位移;模板接缝处错台;2)混凝土未振捣或振捣不密实;防治措施:1)安装必须由有相关施工经验的人员进行;2)安装完成后必须先由现场技术人员进行验收,对模板安装线型、接缝处理、稳固措施进行检查;3)技术人员应每间隔IOnI对水沟净空尺寸进行一次检查,确保净空尺寸符合图纸设计;4)拆模后及时安排人员进行洒水养护,对存在外观缺陷部位进行修整;(2)混凝土结构表面出现酥松、浆少石子多,石子之间出现空隙,形成蜂窝状的孔洞

9、。原因分析:1)配合比不当或砂、石子、水泥材料加水量计量不准,造成砂浆少、石子多,砂浆骨料分离。2)混凝土中掺加各种外掺剂,具有引气作用,混凝土搅拌时间不够,未拌和均匀,和易性差。3)混凝土下落高度大(大于2米)且未设串筒,或在罐车内不搅拌,或浇筑时用振捣棒拖拉导致混凝土离析。4)模板孔隙未堵好或模板支撑不牢固,振捣碎时模板移位,造成严重漏浆。5)混凝土一次下料过多,过厚,振捣不到位不充分,局部漏振,易形成蜂窝、孔洞。防治措施:1)严格控制混凝土配合比,经常检查,做到计量准确,保证拌合时间,混凝土拌和均匀,坍落度适宜;检查砂率是否满足要求。2)混凝土运输车运料时要在罐车内以24转/分钟进行搅拌

10、防止离析。3)模板拼缝严密,支撑牢固,防治大面积漏浆。4)混凝土浇筑时分层下料、振捣,分层厚度不超过30cm。5)振捣按振点等距禽布置,采用粗细适宜的振动棒,在钢筋密集处或倒角处适当加强振捣,防止漏振。6)浇筑高度大于2米时设串筒或溜槽,并及时铲除散落到模板内侧边缘的混凝土中的大粒径石子,保证边部无聚集的大石子。严禁用振捣棒振赶拖拽混凝土,以防混凝土离析。(3)混凝土强度不足。原因分析:1)原材料质量差水泥质量不良。主要反映在两个方面:一是水泥实际活性(强度)低,主要原因是水泥出厂质量差、保管条件差或贮存时间过长,水泥结块,活性降低。二是水泥安定性不合格,导致混凝土强度不够。骨料(砂、石)质量

11、不合格,石子本身强度不够,砂子含泥量超标。拌合水质量不合格。外加剂质量差。2)配合比不合适混凝土配合比是决定强度的重要因素之一,其中水灰比大小直接影响混凝土强度,施工过程中材料计量不准确,外加剂使用方法错误或质量差。3)施工工艺存在问题混凝土拌制时间短且不均匀,影响强度。运输条件和运输设备差,运输距离较远,在运输中使混凝土产生离析。浇筑方法不当,成型振捣不密实。养护条件不良,湿度不够,早期缺水干燥或早期受冻,造成混凝土强度偏低。试件制作不规范;试件强度试验方法不规范。防治措施:1)加强试验检查,确保原材料质量,严格控制不合格材料进场。2)水泥进场必须有出厂合格证,未经检验或检验不合格的严禁使用

12、,加强对水泥贮存和使用的管理。3)严格控制砂石级配及含泥量等指标,砂石料须经试验合格后方可使用。4)严格控制混凝土的配合比,保证计量准确。5)应按顺序拌制混凝土,要合理拌制,保证搅拌时间和均匀性。6)冬季施工要采取冬季施工措施,防止混凝土早期受冻。7)按规定认真制做试块,加强对试块的管理和养护;规范试验程序,严格按操作规程进行试件强度试验。8)当混凝土强度偏低或试块强度合格而对结构实际强度有怀疑时,可采用非破损性检验方法(如回弹法、超声波法)、破损性检验方法(取芯法)、承载力试验等来测定混凝土实际强度。测定后仍不能满足要求时,可按实际强度校核结构的安全度,研究处理方案,采取必要的加固补强措施。

13、6 .施工质量检测截水沟实测项目见表1表1截水沟实测项目表项次检查项目规定值或允许偏差检查方法和频率l混凝土强度(MPa)在合格标准内一按附录D检查2轴线偏位(mm)15全站仪:每IOm测1处3断面尺寸或管径(mm)10尺垃:每IOm测1处4壁厚(mm)不小于设计值尺垃:每IOm测1处5沟底高程(mm)20水准仪:每IOm测1处6纵坡满足设计要求水准仪:每】Om浏1处7基础厚度(mm)J尺址:每Iom测1处7 .施工质量保证措施(1)基槽开挖水沟基槽开挖必须严格按照设计图纸进行,并留有一定的冗余度,确保水沟净空尺寸、壁厚等满足图纸设计;基槽应根据每日施工进度确定开挖长度,开挖后及时进行混凝土浇

14、筑,避免基槽长时间裸露;施工前基槽内不得有积水,对软弱层采取必要的治理措施;(2)材料要求混凝土采用外购商品混凝土,严禁采用现场自拌混凝土,确保混凝土质量;模板必须具有足够的强度及刚度,防止在施工过程中发生开裂、变形等;(3)混凝土浇筑质量控制混凝土采取分层、对称浇筑,分层厚度满足要求;混凝土必须振捣充分、密实,不得有漏振、少振等现象;浇筑过程中发现模板漏浆、胀模、变形等现象应暂停施工,采取必要措施及时进修整;按照要求留置试件;8 .安全保证措施(1)所有施工人员严禁酒后作业;(2)施工人员在边坡上应慢速行走,严禁快速奔跑且应有必要的防护措施,如:安全带、安全绳等;(3)施工人员进入现场要正确佩带安全帽,不得穿拖鞋、凉鞋、裙子、背心等不符合要求的服装;(4)人员、设备通行及转运应设置专用通行通道,严禁在边坡上随意行走:(5)基槽开挖土石方必须要统一堆放,由专用弃渣设备装运,严禁随挖随弃,防止土石方滚落造成伤害事故;(6)严禁任何作业人员在边坡上随意向下丢抛碎石、树根、土块等杂物;(7)水沟基槽开挖应选在有足够稳定性的坡体上,防止在开挖过程中发生土体失稳事故;(8)基槽开挖应尽量避开雨季;施工若遇雨季,应先施工临时排水设施;(9)卸料车要有专人负责指挥,卸料时,卸

展开阅读全文
相关资源
猜你喜欢
相关搜索

当前位置:首页 > 建筑/环境 > 施工组织

copyright@ 2008-2023 1wenmi网站版权所有

经营许可证编号:宁ICP备2022001189号-1

本站为文档C2C交易模式,即用户上传的文档直接被用户下载,本站只是中间服务平台,本站所有文档下载所得的收益归上传人(含作者)所有。第壹文秘仅提供信息存储空间,仅对用户上传内容的表现方式做保护处理,对上载内容本身不做任何修改或编辑。若文档所含内容侵犯了您的版权或隐私,请立即通知第壹文秘网,我们立即给予删除!