洞口开挖施工技术交底.docx

上传人:p** 文档编号:532979 上传时间:2023-10-17 格式:DOCX 页数:9 大小:88.90KB
下载 相关 举报
洞口开挖施工技术交底.docx_第1页
第1页 / 共9页
洞口开挖施工技术交底.docx_第2页
第2页 / 共9页
洞口开挖施工技术交底.docx_第3页
第3页 / 共9页
洞口开挖施工技术交底.docx_第4页
第4页 / 共9页
洞口开挖施工技术交底.docx_第5页
第5页 / 共9页
洞口开挖施工技术交底.docx_第6页
第6页 / 共9页
洞口开挖施工技术交底.docx_第7页
第7页 / 共9页
洞口开挖施工技术交底.docx_第8页
第8页 / 共9页
洞口开挖施工技术交底.docx_第9页
第9页 / 共9页
亲,该文档总共9页,全部预览完了,如果喜欢就下载吧!
资源描述

《洞口开挖施工技术交底.docx》由会员分享,可在线阅读,更多相关《洞口开挖施工技术交底.docx(9页珍藏版)》请在第壹文秘上搜索。

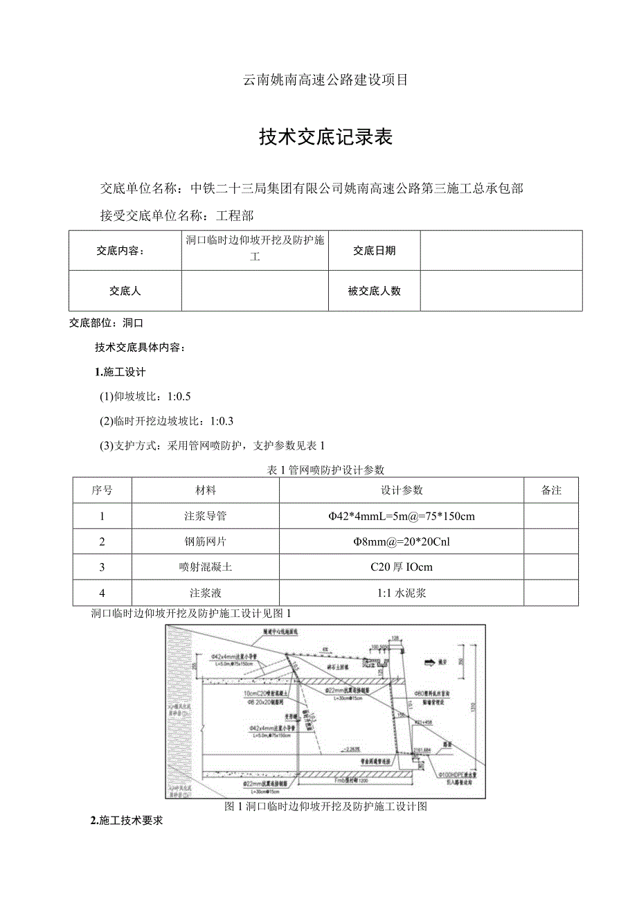
1、云南姚南高速公路建设项目技术交底记录表交底单位名称:中铁二十三局集团有限公司姚南高速公路第三施工总承包部接受交底单位名称:工程部交底内容:洞口临时边仰坡开挖及防护施工交底日期交底人被交底人数交底部位:洞口技术交底具体内容:1.施工设计(1)仰坡坡比:1:0.5(2)临时开挖边坡坡比:1:0.3(3)支护方式:采用管网喷防护,支护参数见表1表1管网喷防护设计参数序号材料设计参数备注1注浆导管42*4mmL=5m=75*150cm2钢筋网片8mm=20*20Cnl3喷射混凝土C20厚IOcm4注浆液1:1水泥浆洞口临时边仰坡开挖及防护施工设计见图1图1洞口临时边仰坡开挖及防护施工设计图2.施工技术

2、要求(1)洞口开挖宜避开雨季和融雪期,当不能避免时,应采取防止坍塌的安全保证措施,同时应加强对山坡稳定情况的监测、检查;(2)洞口不稳定的地表土及山坡危石等应清除、防护或加固;(3)隧道洞口开挖前,应结合设计文件,遵循“早进晚出”的原则,复核确认明暗分界位置的合理性,控制边仰坡开挖高度:对洞口段地形地貌进行复测,认真调查地质(特别是不良地质)情况、偏压等,遵循隧道“零开挖”进洞理念;(4)洞口段存在偏压时,应采取偏压防治措施;(5)洞口开挖与防护应符合下列规定:1)洞口边坡及仰坡应自上而下开挖,不得掏底开挖或上下重叠开挖;开挖应减少对岩、土体的扰动;坡面应整修平顺;2)宜采用人工配合机械开挖,

3、或者采用控制爆破措施减少对边仰坡及围岩的扰动;3)遵循开挖一级、防护一级的原则;边、仰坡宜边开挖边支护,随时监测、检查山坡稳定情况。当洞口可能出现滑坡、崩塌时,应及时采取相应措施稳定坡体,确保施工安全;4)应随时检查监测边坡和仰坡的变形状态;(6)边坡坡面要求平顺稳定、无亏坡,坡底无积水或阻水现象。(7)隧道洞顶施工范围以外的植被禁止砍伐破坏,分离式隧道中间山体开挖时两侧山体应尽可能保护;(8)洞口边仰坡施工前应完成洞顶截水沟及临时排水设施施工;3.施工控制重点(1)临时开挖边仰坡的坡比:(2)每级坡开挖高度;(3)钻孔长度、孔径及成孔质量:(4)注浆质量;(5)喷射混凝土厚度及表面平整度;(

4、6)临时排水系统的可靠性;4.施工工艺(1)施工工艺流程见图2图2临时边仰坡开挖及防护施工工艺流程图(2)测量放样在保证满足施工使用前提下尽量减少临时边仰坡开挖范围,减少原始坡面扰动;根据边坡坡度确定开挖线、坡脚线位置,并按直线段每20米间距测设边桩,曲线段每10米测设一组边桩,放样桩撒白灰线标记或挂线;并标注好地表高程、开挖深度等信息。(3)表土清除表土清除采用1台挖掘机同时作业,人工配合由上至下进行,清表厚度30Cnb局部根据实际情况适当调整。表层土揭示后,根据实际情况与图纸设计土质情况进行核实,若与设计出入较大,及时上报监理、设计以及业主,共同商讨解决方案。(4)开挖方法1)开挖原则开挖

5、遵循开挖一级、防护一级的原则。开挖时挖机先修出一条便道上坡顶,采用自上而下、分级开挖、横断面全宽一次性开挖的方法进行施工,不得乱挖超挖,严禁掏底开挖。每级边坡开挖高度23m,从开挖面往下分段整修,及时对新开挖边坡刷坡、清除危石及松动石块。挖出的土石方用装卸车运走,开挖完成后及时清理场地。每级边坡留设45m宽平台(根据实际情况调整),便于弃渣及管网喷施工;待该级坡面防护完成后进行下一级坡面开挖。边坡分级开挖见图3图3边坡分级开挖示意图2)土方开挖以机械施工为主,当开挖接近基底设计标高30Cnl时,采用人工开挖,避免超挖。若有超挖时,超挖部分应用原土或碎石土回填夯实,或用套拱同等级混凝土回填,确保

6、基底稳定。3)石方开挖对于石方边坡的开挖,根据断面的实际情况采用破碎头进行破碎,不能破碎的进行静态爆破,严禁进行动态爆破。(5)坡面防护施工洞顶松散体挖除后进行坡面防护作业,采用管网喷防护,具体详见相关设计图纸。1)施工流程管网喷坡面防护施工流程见图4图4管网喷坡面防护施工流程图2)坡面修整将坡面上的危石、杂草、松土、浮渣清理,保持坡面干净、整洁;土石渣严禁乱丢乱弃,严禁堆码在临空面。3)钻孔孔位测量放线按照图纸设计,先由测量人员在坡面按照(环*纵)梅花形测设出钻孔位置,并喷红漆标注清楚。水平、垂直方向的孔距误差不应大于100mm,顶上一层具体间距可根据实际边坡高度适当调整。钻孔设备及安装钻孔

7、采用潜孔钻孔机,必须准确安装固定钻机且钻机必须要求可靠的稳定措施,防止在钻进过程中发生孔位偏移。钻进方式钻孔要求干钻,禁止采用水钻,以确保钻孔施工不至于恶化边坡岩体的工程地质条件和保证孔壁的黏结性能,钻孔速度根据使用钻机性能和锚固地层严格控制,防止钻孔扭曲和变径,造成下锚困难或其他意外事故。孔位偏斜度不大于2%钻孔长,钻孔方向与坡面角度根据图纸设计。4)清孔钻进达到设计深度后,先稳钻12min,确保孔径达到设计要求:使用高压风管将孔内岩粉、石渣等吹出孔外,风压为0.20.4MPa,以免降低水泥浆液与孔壁的粘结强度。5)注浆管安装导管在加工场统一加工,运至现场安装。6)注浆自孔底向上一次性注入,

8、注浆压力应不小于0.25”,中途不能停灌。宜先插入导管然后注浆,注浆宜采用孔底注浆法,注浆管应插至距孔底50100nIn1,随水泥浆的注入逐渐拔出,注浆压强宜不小于0.25MPa。注浆管端部至孔底的距离宜不大于200mm。注浆及拔管过程中,注浆管口应始终埋入注浆液面内并在水泥浆液从孔口溢出后停止注浆。注浆后当浆液液面下降时,应进行孔口补浆。导管下入孔后6个小时内必须注浆,有地下水的孔,造孔成孔后4小时内不能下锚时,应在下导管前重新洗孔,速洗、速设锚、速注浆。导管注浆时,应等待锚孔水泥浆面稳定后才停灌,不稳定时,应继续缓慢加压注浆,不稳定不得停灌。注浆完成后孔口采取必要的封堵措施。7)挂网网片采

9、用68nlm=20*20Cnl钢筋网片,网片由加工场统一加工,运至现场安装;网片与注浆导管连接处采用焊接或绑扎连接牢固。钢筋网与坡面间隙宜为3050mm。8)喷射混凝土喷射混凝土作业前应进行试喷,选择合适的水灰比及喷射压力,推荐压力为0.20.7lpa间。喷射混凝土应分段、分片、由下至上一次喷射至设计厚度,喷嘴应垂直于岩面。应采用埋设钢筋头等措施控制喷射混凝土厚度。喷射混凝土应在终凝2h后进行养护,养护时间不少于7丸(6)基底处理到达设计标高后及时对基底土质情况进行检测,不合要求的采用片石或碎石土换填;基底采用压路机碾压23遍,确保基底密实。5.施工常见质量通病及防治措施(1)坡比不符合图纸设

10、计。原因分析:1)测量放样错误;2)施工人员不按照图纸设计施工;3)缺乏复测措施;防治措施:1)测量必须由专业测量人员进行,现场技术人员进行监督,测放完成后要求其至少进行一次复核,确保测放数据正确;2)工人施工过程中现场技术人员全程进行监督,发现坡面不顺直、亏坡现象等,及时要求其进行修整;3)坡面开挖修整完成后测量人员再次对坡比进行复核,确保其满足图纸设计;(2)注浆导管施工质量不合格原因分析:1)导管长度不符合设计和规范要求;2)导管间距不均匀;3)导管数量不够;4)注浆量不足,注浆不饱满:5)未按照设计配合比配置水泥浆;防治措施:1)在导管施做之前对导管的长度逐一检查,挑检出不符合要求的导

11、管,清除出场;2)导管严格按照设计位置进行钻孔,偏差范围必须在规范范围内:3)导管施做后要仔细检查导管数量是否与设计一致;4)先进行注浆试验,确定最佳注浆压力再进行注浆:应等待锚孔水泥浆面稳定后才停灌,确保注浆饱满;5)现象拌制水泥浆必须配置必要的计量器具(如电子秤、量筒等),严格按照设计配合比配置水泥浆,严禁随意拌制;(3)喷射混凝土质量差原因分析:1)喷射碎料搅拌不均匀;2);粒径超标,原材料质量差:3)喷射风压不合理:4)喷射角度、厚度不合理;5)围岩裂隙水发育;6)混凝土配合比设计不准;7)围岩面浮尘粉尘太厚:防治措施:D喷射前用高压风枪把岩面虚土、浮尘、粉尘清洗干净,不得让欠挖。埋设

12、标志或利用导管外露长度以控制喷射混凝土的厚度,以确保最小厚度满足设计要求。2)喷射过程中自下而上,必要时采用分层喷射,每层厚度为58cm为宜;如喷射过程中发现混凝土凝固较慢滑落现象,应即使调整速凝剂的掺量和坍落度以达到最佳效果。3)新旧喷射混凝土接茬处用工具凿出510cm新茬并用水湿润,以保证混凝土新旧的粘结。在喷射混凝土过程中不应超喷或欠喷,对于欠喷的要及时补喷,超喷的用工具清除,以确保喷射混凝土外观质量。4)严格把控原材料质量,不合格质量的原材料坚决不准使用。根据现场实际情况合理调整施工配合比,使混凝土符合设计及规范要求。5)合理调整混合料的搅拌时间,使混合料拌合均匀。6 .施工质量检测喷

13、射混凝土质量标准见表2,注浆导管施工质量标准见表3表2喷射混凝土质量标准项次检查项目规定值或允许偏差检查方法与频率1混凝土强度(MPa)在合格标准内按公路工程质量检验评定标准第一册土建工程(JTGF80/1-2017)附录E检查2喷层厚度(mm)平均厚度,设计厚度:8端测点的厚度2设计厚度:最小厚度2设计规定最小值造孔法或工程雷达法:每5(W测1处,总数不少于5处表3注浆导管施工质量实测表项次检森项目规定值或允许偏差检查方法和频率l注浆强度(MPa)在合格标准内砂浆按附录F检查,其他按附录M检查2锚孔孔深(mm)N设计值尺量:抽查20%3锚孔孔径(mm)满足设计要求尺量:抽查20%4锚孔轴线倾

14、斜()2倾角仪:抽查20%5锚孔间距(mm)100尺垃:抽查20%6锚杆抗拔力(kN)满足设计要求。设计未要求时,抗拔力平均值N设计值;80%锚杆的抗拔力N设计值;最小抗拔力云09设计值抗拔力试验:检查数量按设计要求,设计未要求时按锚杆数5%,且不少于3根检查7锚杆与面板连接满足设计要求目测:全部7 .施工质量保证措施(1)坡面开挖控制1)开挖面高度每35m在挖掘机作业高度范围内对开挖坡面进行一次修整,按设计坡率、线形,采用机械进行,同时采用全站仪对已开挖边坡进行一次复核,以确保开挖坡面平顺稳定、无亏坡,方可继续施工;2)对边坡开挖完成后,对边坡再一次采取人工清理,主要是清理基坑的虚土等,有效

15、地确保边坡工作面的平整性;为确保基坑喷锚支护效果,对基坑壁的平整度应控制在10cm;3)坡面开挖尽量选择在旱季进行,否则在施工前应做好临时排水措施,防止坡面受雨水冲刷、坡脚积水或阻水现象,影响刷坡质量:(2)管网喷施工质量控制1)应严格按照规范要求钻孔、成孔,确保孔深、孔径、倾斜度等指标满足图纸设计及规范要求;2)导管运至现场应逐根检查导管加工质量:3)成孔后必须先进行高压风管清孔,确保水泥浆与孔壁的粘结度:4)导管应嵌入稳固基岩内,锚固深度根据设计要求结合岩体特性确定,管孔深度应大于管体长度200mm;5)坡面开挖完成后应先初喷一层混凝土,以起到封闭坡面及坡面找平的作用,再铺挂钢筋网,钢筋网应与注浆管连接牢固;6)喷射混凝土应先进行试喷,

展开阅读全文
相关资源
猜你喜欢
相关搜索

当前位置:首页 > 建筑/环境 > 设计及方案

copyright@ 2008-2023 1wenmi网站版权所有

经营许可证编号:宁ICP备2022001189号-1

本站为文档C2C交易模式,即用户上传的文档直接被用户下载,本站只是中间服务平台,本站所有文档下载所得的收益归上传人(含作者)所有。第壹文秘仅提供信息存储空间,仅对用户上传内容的表现方式做保护处理,对上载内容本身不做任何修改或编辑。若文档所含内容侵犯了您的版权或隐私,请立即通知第壹文秘网,我们立即给予删除!