砌筑技术交底.docx

上传人:p** 文档编号:533399 上传时间:2023-10-17 格式:DOCX 页数:14 大小:155.41KB
下载 相关 举报
砌筑技术交底.docx_第1页
第1页 / 共14页
砌筑技术交底.docx_第2页
第2页 / 共14页
砌筑技术交底.docx_第3页
第3页 / 共14页
砌筑技术交底.docx_第4页
第4页 / 共14页
砌筑技术交底.docx_第5页
第5页 / 共14页
砌筑技术交底.docx_第6页
第6页 / 共14页
砌筑技术交底.docx_第7页
第7页 / 共14页
砌筑技术交底.docx_第8页
第8页 / 共14页
砌筑技术交底.docx_第9页
第9页 / 共14页
砌筑技术交底.docx_第10页
第10页 / 共14页
亲,该文档总共14页,到这儿已超出免费预览范围,如果喜欢就下载吧!
资源描述

《砌筑技术交底.docx》由会员分享,可在线阅读,更多相关《砌筑技术交底.docx(14页珍藏版)》请在第壹文秘上搜索。

1、中国建筑项目管理表格分项工程方案交底卡表格编号CSCEC-PM-0803项目名称及编码悦景庄二街坊第1页共14页楼栋号分项工程名称砌筑方案技术交底工程量分包公司负责人交底内容1工程概况本工程现涉及楼栋0.000标高以下墙体均采用200厚MU20混凝土实心砖,DMMlO预拌水泥砂浆砌筑;土0.000标高以上所有外墙及内墙采用200MU5.0厚烧结保温砖,DMM5.0预拌混合砂浆砌筑。墙身防潮层:在外墙室外地坪-0.06标高处及外墙在室内地坪标高处,200x60细石混凝土,内配3C6200防潮层,(在此标高为钢筋混凝土构造或下为砌石构造时可不做),当墙身两侧的室内地坪有高差时,应在高差范围的墙身内

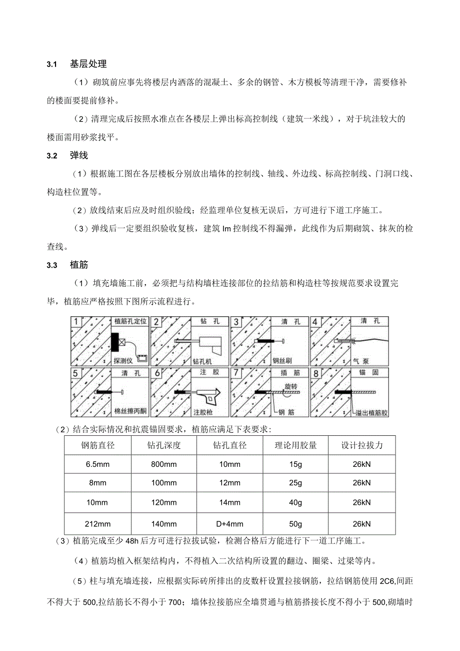
2、侧做20厚1:2水泥砂浆防潮层,如埋土侧为室外,还应刷L5厚聚氨酯防水涂料(或其它防潮材料)。2材料准备2.1材料要求砌筑使用的所有材料均需组织进场原材验收并且产品合格证,质保书,并按批次、数量取样送检。(1)砌筑砂浆选用商品砂浆,砂浆强度等级满足设计要求。(2)烧结保温砖停放期不宜超过45d,上墙含水率宜为5%8%。普通混凝土小型空心砌块的龄期不应小于28d,并不得在饱和水状态下施工。(3)砌体进场后应选择平整处堆码,堆码需用木托架底托,下部做好排水。堆码的高度不得超过L5米。3工艺流程3.1 基层处理(1)砌筑前应事先将楼层内洒落的混凝土、多余的钢管、木方模板等清理干净,需要修补的楼面要提

3、前修补。(2)清理完成后按照水准点在各楼层上弹出标高控制线(建筑一米线),对于坑洼较大的楼面需用砂浆找平。3.2 弹线(1)根据施工图在各层楼板分别放出墙体的控制线、轴线、外边线、标高控制线、门洞口线、构造柱位置等。(2)放线结束后应及时组织验线;经监理单位复核无误后,方可进行下道工序施工。(3)弹线后一定要组织验收复核,建筑Im控制线不得漏弹,此线作为后期砌筑、抹灰的检查线。3.3 植筋(1)填充墙施工前,必须把与结构墙柱连接部位的拉结筋和构造柱等按规范要求设置完毕,植筋应严格按照下图所示流程进行。(2)结合实际情况和抗震锚固要求,植筋应满足下表要求:钢筋直径钻孔深度钻孔直径理论用胶量设计拉

4、拔力6.5mm800mm10mm15g26kN8mm100mm12mm25g26kN10mm120mm14mm40g26kN212mm140mmD+4mm50g26kN(3)植筋完成至少48h后方可进行拉拔试验,检测合格后方能进行下一道工序施工。(4)植筋均植入框架结构内,不得植入二次结构所设置的翻边、圈梁、过梁等内。(5)柱与填充墙连接,应根据实际砖所排出的皮数杆设置拉接钢筋,拉结钢筋使用2C6,间距不得大于500,拉结筋长不得小于700;墙体拉接筋应全墙贯通与植筋搭接长度不得小于500,砌墙时将其埋入水平灰缝内。3.4 翻边浇筑(1)凡卫生间四周采用砖墙者,墙脚均做200高素混凝土翻边,遇

5、门断开,凡卫生间周边墙面均抹防水材料(1.5厚聚氨酯防水涂料),高度为1.8米高;(2)混凝浇筑前,应将反坎内的锯末等垃圾冲洗干净并组织验收轴线位置等是否错误,验收完成后方能进行反坎的混凝土浇筑,浇筑时应该用振动棒振捣,浇筑完成面需用抹子收毛面。(3)节点大样中未表示的女儿墙底部设置高出建筑完成面15Omm的素碎翻边,厚度同女儿墙,且与梁板同时浇筑。(4)节点大样中未表示的出屋面和露台的墙体(包括管道井壁)均设置素碎翻边,做法详见下图。(5)无特殊注明时,设地漏房间、厨卫间楼地面有立管穿越时,应设高出楼面50mm钢制防水套管。排气道、烟道侧边应设宽60mm高200mm钢筋混凝土翻边。有节点详图

6、时,以详图尺寸为准。3.5 摆样在砌筑第一皮砌块前,应按设计排块的要求进行试摆(生摆,即不铺灰),偏差小时可通过灰缝调整,以减小现场切割数量。3.6 立皮数杆为控制墙体竖向尺寸及各部位构件的竖向标高,保证灰缝厚度的均匀性,砌筑开始前需立皮数杆。在皮数杆上划出每皮砖和灰缝的厚度、门窗洞、水平系梁或过梁、楼板等的标高,立于墙的转角处,其基准标高用水准仪校正。3.7 挂准线(1)砌墙过程中,要绷水平线、挂线锤,随时调整墙体的平整度和垂直度。砌筑时采用单面外手挂线,每层砖都要穿线看平,使水平缝均匀一致,平直通顺。(2)如过长墙几个人同时砌筑共用一根通线时,中间应设置支线点,小线要拉紧线,每层砖应穿线看

7、平,使水平缝均匀一致,平直通顺。3.8 铺灰砌筑(1)砌筑时应错缝搭砌,砌体搭接长度不应小于砌体长度的1/3;烧结保温砖的灰缝厚度应为8mm12mm;(2)根据本工程所用砌体尺寸排版,墙底实心砖打底20cm。(3)未设构造柱的门窗洞口按要求做预制混凝土块,混凝土块同砌体宽、高。门、窗洞口做法3.9 构造柱浇筑(1)构造柱封模前应沿着沿构造柱马牙槎边线满贴泡沫双面胶塞缝如下图所示:(2)构造柱底部应先找平,以保证模板位置正确,防止模板底部漏浆,封模加固采用对拉螺杆,(详见附图)。(3)在构造柱立模前,应将柱底垃圾清理干净后再立模,浇捣前要检查是否已清理干净,并适当浇水湿润。(4)构造柱应在砌完一

8、个楼层后连续分层浇灌,混凝土坍落度应不小于90mm,每浇灌400500mm高度应捣实一次。(5)距离梁顶150mm支成斜模做成喇叭口状高出梁底100mm,混凝土浇筑也高出100mm,振捣密实,拆模后趁混凝土强度未达到L2MPa时即刻剔除斜槽处多余混凝土。3.10 塞缝收尾填充墙砌至梁板下15Omnr20Omm时,暂停砌筑,间隔15d,待砌体沉实后,在砌体与上部梁板之间用砌体斜砌填实。梁或板墙长度W5米图3g砖墙顶部与梁连接做法(二)4构造要求4.1 构造柱布置根据图纸设计及要求,以下情况需设置构造柱:(1)墙长大于5m时,墙顶与梁应有拉结;墙长超过5m或层高2倍时,应设置间距不大于4m的钢筋混

9、凝土构造柱。(2)填充墙的构造柱位置详各层结构平面图,除特别注明外,构造柱截面均为墙厚x200,纵筋4C10,箍筋C6200o(3)墙垛W240un时,应与柱、墙一起浇筑,内配2C10,C8200开口箍伸入墙内250。窗间墙宽度小于360mm时采用钢筋混凝土浇筑,内配6C10,C8200o(4)女儿墙为砌体结构时,应设置间距不大于3m的构造柱,女儿墙顶做厚度不小于120mm的钢筋混凝土压顶。(5)本工程构造柱、水平系梁、过梁等混凝土强度等级均为C25。4.2 水平系梁(1)200墙高超过4m,120墙高超过3m时,墙体半高处应设置与柱连接且沿墙全长贯通的钢筋混凝土腰梁。(2)电梯井砖墙另设圈梁

10、一道,圈梁柱截面均为200300,纵筋4C12,箍筋C6三0(2),具体位置按电梯工艺。4.3 过梁(1)所有墙体门、窗洞顶若无梁均需设过梁,嵌入式电表箱或消火栓箱上必须放置过梁,按下图选用,过梁两端各伸入支座250mm。当洞顶离结构梁(或板)底的高度小于下表各类过梁的高度时,则过梁与结构(或板)梁浇成整体。bxn?mm?下筋上篇分布筋?施筋900堵厚XIOofi(32WOOWx100210蚯2001200-1500W502$12218蚯2001800-2100魏200214210蚯2002400-3600M3003114214蚯200说明?当洞顶与期操?树底的距离小于上述各类邂高度瑜邂与结狗

11、兼板?流成整体?馥西端伸入支座25Omm(2)门窗洞边若有现浇柱(墙)则过梁改为现浇过梁,截面、配筋不变;(3)墙上预留洞大于300的洞口均需设置一道过梁;(4)预留施工洞上需设置过梁,施工洞口留设需按马牙槎形式预留;4.4 马牙槎(1)构造柱及门窗加强框(不设构造柱的门窗洞口边采用预制水泥砖砌筑)边墙体砌筑需留置马牙槎,马牙槎应遵循先退后进原则,相错长度60mm,槎高不宜超过300mm,并在砌体中沿墙高每隔500mm(砌块高为200mm时应该每隔600mm)埋设2C6拉结筋,伸入构造柱内两边伸入砌体墙内不小于1000mm,如下图所示:4.5 墙体拉结筋(1)填充墙应沿框架柱全高每隔不大于50

12、0mm设2C6拉筋,拉筋沿墙全长贯通。水平拉结筋植筋时应算好灰缝位置,使水平拉结筋处于砌筑灰缝处,不得折弯压入灰缝。4.6 脚手眼原则上本工程不得在填充墙内设置脚手眼,特殊部位如外架连墙件或悬挑工字钢处等除外,但下列部位不得设脚手眼:(1) 120mm厚墙、料石清水墙和独立柱;(2)过梁上与过梁成60角的三角形范围及过梁净跨度1/2的高度范围内;(3)宽度小于Im的窗间墙;(4)砌体门窗洞口两侧200mm和转角处450mm范围内;(5)梁或梁垫下及其左右50Omnl范围内;预留洞封堵:砌筑墙留洞的封堵见结施,其余砌筑墙留洞待管道设备安装完毕后,用细石混凝土填实,所有楼面上的预留洞待管道安装完毕

13、后,必须用与每层楼面同标号的混凝土浇捣封堵,防火墙上留洞应采用防火封堵材料紧密填实。5抹灰工程5.1 工程概述外墙抹灰:界面剂,刷聚合物水泥浆一道;15厚1:2.5水泥砂浆找平层。内墙抹灰:3厚外加剂专用砂浆打底刮糙(抹前用水喷湿墙面);6厚1:1:4水泥石膏砂浆打底扫毛;6厚1:0.5:2.5水泥石灰砂浆分层压实抹平。5.2 抹灰施工工艺5.2.1 基层清理(1)抹灰前须将墙体对拉螺栓孔用发泡剂填满封堵,外墙上的连墙件拆除后的洞口清理干净,采用C25细石混凝土填满,确保自身密实且与周边墙体结合紧密。(2)混凝土基体:表面凿毛或在表面洒水润湿后涂刷界面剂。5.2.2 挂钢丝网(1)不同墙体材料

14、交接处,应铺设钢丝网片粉刷,每边宽度不得小于200mm,钢丝网片丝径不小于0.6mm,孔径不大于Iomm;梁底有斜砌砖须挂钢丝网40Omm宽与现浇混凝土、平砌页岩砖搭接均不小于100mm。(2)钢丝网固定方式:采用2.5X28mm镀锌水泥钉。(3)钢丝网挂设:在固定时钢丝网须摊平拉紧。固定钢丝网边缘时,水泥钉宜布置在离钢丝网边线23cm处,以便压紧钢丝网,不使其边缘翘曲,水泥钉间距不宜大于300mmO5.2.3 浇水湿润一般在抹灰前一天,用软管或胶皮管或喷壶顺墙自上而下浇水湿润,每天宜浇两次。5.2.4 吊垂直、套方、找规矩、做灰饼根据设计图纸要求的抹灰质量,根据基层表面平整垂直情况,用一面墙

15、做基准,吊垂直、套方、找规矩,确定抹灰厚度。抹灰前时应先抹上灰饼,再抹下灰饼。抹灰饼时应根据外墙、内墙抹灰要求确定灰饼的正确位置,再用靠尺板找好垂直与平整。灰饼宜用1:1:6水泥石灰砂浆抹成5cm见方形状,根据灰饼充筋。内墙灰饼完成后必须检验房间净空尺寸,通知工程部、质检部、技术部验收合格后方可进行下道工序施工。5.2.5 修抹预留孔洞、配电箱、槽、盒由专人把预留孔洞、配电箱、槽、盒周边5cm宽的石灰砂刮掉,并清除干净,用大毛刷沾水沿周边刷水湿润,然后用砂浆,把洞口、箱、槽、盒周边压抹平整、光滑。5.2.6 滴水线凡外墙的突出部分混凝土,应在墙内翻高不少于20OmIlb做外墙粉刷时,粉刷上口均做1%排水坡度,下面均做滴水线。6注意事项(1)原则上禁止混砌,但墙顶、门窗洞口边、楼梯斜板底等局部尺寸狭小部位除外,不视为混砌。(2)植筋完成后方可

展开阅读全文
相关资源
猜你喜欢
相关搜索

当前位置:首页 > 建筑/环境 > 设计及方案

copyright@ 2008-2023 1wenmi网站版权所有

经营许可证编号:宁ICP备2022001189号-1

本站为文档C2C交易模式,即用户上传的文档直接被用户下载,本站只是中间服务平台,本站所有文档下载所得的收益归上传人(含作者)所有。第壹文秘仅提供信息存储空间,仅对用户上传内容的表现方式做保护处理,对上载内容本身不做任何修改或编辑。若文档所含内容侵犯了您的版权或隐私,请立即通知第壹文秘网,我们立即给予删除!