西安热工研究院生产项目-风机节能及烟风道降阻力优化改造工程施工外委技术规范.docx

上传人:p** 文档编号:533762 上传时间:2023-10-17 格式:DOCX 页数:15 大小:222.39KB
下载 相关 举报
西安热工研究院生产项目-风机节能及烟风道降阻力优化改造工程施工外委技术规范.docx_第1页
第1页 / 共15页
西安热工研究院生产项目-风机节能及烟风道降阻力优化改造工程施工外委技术规范.docx_第2页
第2页 / 共15页
西安热工研究院生产项目-风机节能及烟风道降阻力优化改造工程施工外委技术规范.docx_第3页
第3页 / 共15页
西安热工研究院生产项目-风机节能及烟风道降阻力优化改造工程施工外委技术规范.docx_第4页
第4页 / 共15页
西安热工研究院生产项目-风机节能及烟风道降阻力优化改造工程施工外委技术规范.docx_第5页
第5页 / 共15页
西安热工研究院生产项目-风机节能及烟风道降阻力优化改造工程施工外委技术规范.docx_第6页
第6页 / 共15页
西安热工研究院生产项目-风机节能及烟风道降阻力优化改造工程施工外委技术规范.docx_第7页
第7页 / 共15页
西安热工研究院生产项目-风机节能及烟风道降阻力优化改造工程施工外委技术规范.docx_第8页
第8页 / 共15页
西安热工研究院生产项目-风机节能及烟风道降阻力优化改造工程施工外委技术规范.docx_第9页
第9页 / 共15页
西安热工研究院生产项目-风机节能及烟风道降阻力优化改造工程施工外委技术规范.docx_第10页
第10页 / 共15页
亲,该文档总共15页,到这儿已超出免费预览范围,如果喜欢就下载吧!
资源描述

《西安热工研究院生产项目-风机节能及烟风道降阻力优化改造工程施工外委技术规范.docx》由会员分享,可在线阅读,更多相关《西安热工研究院生产项目-风机节能及烟风道降阻力优化改造工程施工外委技术规范.docx(15页珍藏版)》请在第壹文秘上搜索。

1、西安热工研究院生产项目-风机节能及烟风道降阻力优化改造工程施工外委技术规范1总体要求1.1 本技术规范仅适用于本工程项目。1.2 本技术规范提出的是最低技术要求,并未对一切细节作出规定,也并未规定所有的技术要求和适用的标准,投标方应保证按照本技术协议和相关规范的要求进行项目实施。对国家、地方及行业有关设计、质量、安全、工业卫生、劳动保护、文明施工、环保、消防等强制性标准,必须满足其要求。1.3 本技术使用的标准,如遇与投标方所执行的标准不一致时,按较高的标准执行。在合同生效后,招标方有权提出因规范标准发生变化而产生的一些补充修改要求,投标方应遵守这个要求。1. 4投标方可在商务合同中引用本技术

2、规范的相关标准或要求,但不得原封不动地复印或拷贝本技术协议作为其商务合同的主要内容,否则其商务合同将视为无效。1.5 投标方应按照技术规范要求、项目实际需要等提供工程施工及服务。本项目涉及到工程范围外的设备、建构筑物等临时拆除或造成破损,由投标方负责恢复至原有状态。1.6 本项目涉及到的知识产权费用均已包含在报价中,因知识产权产生的纠纷由投标方自行承担或解决,招标方不承担相应责任。1.7 除技术规范另有规定外,列入本技术规范的所有工作内容均应包含在本项目报价中。1.8 本技术规范中如若出现资质、业绩等方面的要求,如与商务部分不一致,以商务部分为准。2项目概况国能徐州发电有限公司2X1000MT

3、V机组是由上海锅炉有限公司引进AISlom-Power公司技术生产的超超临界参数变压运行螺旋管圈SG309927.46-M545型直流炉。锅炉采用一次再热、单炉膛单切圆燃烧、平衡通风、露天布置、固态排渣、全钢构架塔式布置。锅炉最低直流负荷为30%BMCR,本体系统配30%BMCR容量的启动循环泵。锅炉不投油最低稳燃负荷30%BMCRo锅炉设计煤种神华烟煤。锅炉主要性能参数和燃料特性如下表。表1锅炉主要参数名称单位BMCRBRL过热蒸汽流量t/h30992952过热器出口蒸汽压力MPa(g)27.4627.34过热器出口蒸汽温度605605再热蒸汽流量t/h25872471再热器进口蒸汽压力MP

4、a(g)6.085.80再热器出口蒸汽压力MPa(g)5.875.61再热器进口蒸汽温度374366再热器出口蒸汽温度603603省煤器进口给水温度299295表2燃料特性表名称符号单位设计煤种校核煤种1校核煤种2件)胀节更换所需的脚手架搭设等所有工作。3.2烟道清灰空预器出口至除尘器入口段烟道存在积灰,需要进行清理后进行导流板安装清除烟道内积灰并按照要求运送到指定位置;四安全文明措施费台1包含现场远程摄像监控系统注1:以上土建工程包含支护、降水、脚手架、垃圾清运等措施,t费用已包含在N反标总价中。注2:以上报价包含开工、竣工手续、工作票办理、施工人员保险等相关管理费用。注3:所有因施工破坏的

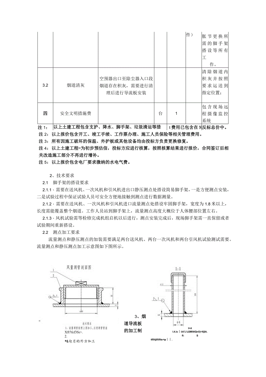
5、保温、外护板或其他设备均由投标方负责更换修复。注4:以上土建工程=为初步预估信,投标方应进行核算,按照核算结果进行报价,合同签订后相关改造施工部分不再进行增补。注5:以上报价包含电厂要求微纳的水电气费。2、技术要求2.1 脚手架的搭设要求2.1.1、 需要在送风机、一次风机和引风机进出口静压测点处搭设简易脚手架,一是方便测点安装,二是试验过程中保证试验人员可安全方便地接触到测点进行数据测量。2.1.2、 需要在送风机、一次风机和引风机进口流量测点处搭设牢固脚手架,宽度为1.8米以上,长度需能覆盖整个烟道。工作人员站到脚手架上,流量测点高度大概位于人体腰部位置左右。2.1.3、 风机试验需等检修

6、完成机组启机以后进行,测点安装完成后,现场脚手架需一直保留或者试验期间重新搭设。2.2 测点加工要求Xft7tf3S.2.3、烟 道导流板 的加工制*&旬月的外方加工盟或流量测点和静压测点的加装需要满足两台送风机、两台一次风机和两台引风机试验测试需要。流量测点和静压测点加工示意图如下图所示。tXA.fl:StflffilfitEPRKEPA、AWWA英国:BS、BSI日本:JIS中国:GB、DL4.3 机械设备安装的一般要求根据本工程改造范围,在本工程改造范围内的机械设备安装满足本条款要求。4.3.1 设备器材的验收及保管(1)设备到达现场后,应按有关规定和制造商对设备的存放要求,做好保管工作

7、,防止设备遭受损伤、腐蚀、变形、变质和丢失。(2)主要设备现场开箱前,投标方应通知招标方到场与投标方共同进行开箱检查与验收,但此项检查和验收并不减轻投标方应负的全部责任。4.3.2 对设备土建基础工程的配合要求设备开始安装时,交付安装的建筑工程及现场应具备下列条件:(1)二次浇灌的混凝土达到设计强度,并验收合格;(2)设备基础浇灌完毕,模板拆除,混凝土达到设计强度的70%以上,并验收合格;(3) 土建施工的模板、脚手架、剩余材料、杂物和垃圾等已清除干净;(4)场地平整坚实,不积水。场地应能承受所放置设备的重量和安装用设备的重量,有足够的存放面积并有周转余地:(5)施工地点周围温度一般应保持+5

8、C以上:(6)具有通往设备存放场、组合场和安装场地的运输道路;(7)有足够的水、电、压缩空气;(8)安装场地和生产运行机组之间应有适当的隔离设施;4.3.3 对基础工程施工的要求(1)基础混凝土表面应平整,无裂纹、孔洞、蜂窝、麻面和露筋等现象:(2)设计要求抹面和粉饰的部分,抹面应平整、光滑、牢固,无掉粉现象;(3)地脚螺栓孔内必须清理干净,螺栓孔中心线对基准线偏差不大于5毫米,孔应畅通,并无横穿的钢筋和遗留的杂物。(4)预埋地脚螺栓及铁件的材质、型号、纵横中心线和标高,都应符合图纸要求。预埋螺栓的中心偏差应不大于2亳米,标高偏差应不大于3亳米,临时预埋件的位置也应符合要求。4.3.4 设备系

9、统的严密性试验(I)各类管道系统安装完毕后,应进行严密性水压试验,以检查各连接部位(焊缝、法兰或丝扣接口等)的严密性。(2)承压设备容器应按设计或制造商规定的压力进行严密性试验,试验压力不得低于中国国家标准的要求。(3)对开口容器作灌水试验或对焊缝进行渗油试验,应严密不漏。4.3.5 采用的施工及验收标准(I)机械设备安装施工应遵循(或符合)下列施工及验收规范,但不限于此: DL503194电力建设施工及验收技术规范(管道篇) DL5007-92电力建设施工及验收技术规范(火力发电厂焊接篇) TJ231机械设备安装工程施工及验收规范 GB5020595钢结构工程施工及验收规范 SDJ68-85火力发电厂热力设备和管道保温材料技术条件及检验方法 JGJ82-91钢结构高强度螺栓连接的设计、施工及验收规程(2)如采用的标准及规范不能满足设备安装及施工的要求,则采用投标方推荐的有关规定、标准,并经招标方确认。4.4 土建施工、安装的

展开阅读全文
相关资源
猜你喜欢
相关搜索

当前位置:首页 > 行业资料 > 能源与动力工程

copyright@ 2008-2023 1wenmi网站版权所有

经营许可证编号:宁ICP备2022001189号-1

本站为文档C2C交易模式,即用户上传的文档直接被用户下载,本站只是中间服务平台,本站所有文档下载所得的收益归上传人(含作者)所有。第壹文秘仅提供信息存储空间,仅对用户上传内容的表现方式做保护处理,对上载内容本身不做任何修改或编辑。若文档所含内容侵犯了您的版权或隐私,请立即通知第壹文秘网,我们立即给予删除!