联锁块铺砌(模板)模板.docx

上传人:p** 文档编号:539065 上传时间:2023-10-19 格式:DOCX 页数:7 大小:64.48KB
下载 相关 举报
联锁块铺砌(模板)模板.docx_第1页
第1页 / 共7页
联锁块铺砌(模板)模板.docx_第2页
第2页 / 共7页
联锁块铺砌(模板)模板.docx_第3页
第3页 / 共7页
联锁块铺砌(模板)模板.docx_第4页
第4页 / 共7页
联锁块铺砌(模板)模板.docx_第5页
第5页 / 共7页
联锁块铺砌(模板)模板.docx_第6页
第6页 / 共7页
联锁块铺砌(模板)模板.docx_第7页
第7页 / 共7页
亲,该文档总共7页,全部预览完了,如果喜欢就下载吧!
资源描述

《联锁块铺砌(模板)模板.docx》由会员分享,可在线阅读,更多相关《联锁块铺砌(模板)模板.docx(7页珍藏版)》请在第壹文秘上搜索。

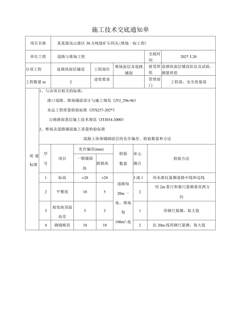
1、施工技术交底通知单项目名称某某港岚山港区30万吨级矿石码头(堆场一标工程)单位工程道路与堆场工程交底时间202*.3.20分项工程连锁块面层铺设工程部位堆场面层及道路铺面接受班组连锁块面层铺设队伍及试验、测量班组工程数量m2进度要求管理部门工程部,安全质量部质量标准1、与该项目相关的标准:港口道路、堆场铺面设计与施工规范JTJ_296-96水运工程质量检验标准JTS257-202*公路路面基层施工技术规范JTJ034-20002、堆场及道路铺面施工质量检验标准混凝土块体铺砌面层的允许偏差、检验数量和方法序号项目允许偏差(m)检验数量单元测点检验方法一般铺面块联锁块1标高2020道路每20m一处

2、,堆场每100rn2-处3或1用水准仪量测道路中线和边线2平整度1052用2m靠尺和塞尺量测垂直两方向3相邻块顶面高差531用钢尺量测,取大值4砌缝顺直10102拉20m线用钢尺量测,取大值一、工程概况本工程为新建某某岚山港区30万吨级矿石码头堆场联锁块铺砌工程,我部所使用联锁块的平均抗压强度不小于50MPa,单块最小值不小于42MPa,吸水率不大于6.5%,该联锁块厚度为80mm,顶部设2mm的倒角,直线长度225mm,直线宽度112.5mm。块与块之间靠锯齿状的边缘嵌锁在一起,共同承担上部传来的荷载。二、工艺流程测量挂线一松铺整平中粗砂(垫砂层)一铺设联锁块体一压实联锁块体一细砂填缝一路缘

3、石施工三、操作要点1、测量挂线施工时,先设置1个路面基准点。在基准点上设置2条互相垂直的基准线,与跑道梁的夹角为45,并按间距510m设置纵横平行路面砖基准线。在每个基准点上打设钢筋头,以测放中粗砂的松铺顶标高及铺面设计标高,松铺系数暂定1.25。在纵、横方向进行交叉挂线,形成控制。2、整平中粗砂(垫砂层)经测量挂线后,用人工按设计坡度进行松铺中粗砂,其松铺厚度为设计标高厚度*松铺工系数。垫砂层按区段采用人工刮板法按坡度要求进行摊铺,厚度要求均匀、平整。为程保证铺设联锁块的标高及平整度,在已摊铺好的垫砂层上,不得有任何扰动。垫砂层压实后厚度为3050mm03、铺设联锁块体序选择符合规范要求的联

4、锁块进行联锁块铺设;联锁块的铺筑从设置的基准点开始,并以路面豉基准线为基准进行铺筑;对无立道牙部位的施工,采用混凝土止挡法或路面砖砂粘结法固定块体;铺设联锁块时分区分段铺筑,其分区边线按5米控制,分段长度则按10米控制,并从下坡向坡脊方向人字型铺筑,并与流动机械主要行使方向成45度角排列;铺筑路面砖时,在刚铺筑的路面砖上,垫一块大于0.3?的木板,站在木板上铺筑;不足整块的交接处,采用切割块镶嵌或现浇强度等级不小于C35的细石混凝土浇筑;未铺筑部分,应及时用细石混凝土填补好;铺砌联锁块体时,操作者应站在砌块上作业,不得站在砂垫层上。平面弯曲路面的施工采用调整路面砖接缝宽度进行,其接缝宽度应符合

5、下列要求:弯道外周路面豉的接缝宽度不应大于6mm;弯道内周路面破的接缝宽度不应小于2mmo井点等结构物周围突出部位给予清除,并用基层材料修整至基层顶面标高;其周围的路面豉不得使用切断块,未铺筑部分及时用细石碎填补。4、压实联锁块体及操作要 点待联锁块铺砌后经检验各块体对应角点连线的平直度和纵横坡合格后,采用强力平板振动(离心力1620kN,底盘面积0.350.5m2,振动频率为75100Hz),或12t的小型振动压路机振压23次,使表面平整、松铺的垫砂达到密实,部分砂充实于接缝的底部。振压时注意施工自由边1米宽范围内不得施振。5、细砂填缝在施振碾压时扫砂、灌缝交替进行,施振完成后保证块体平整挤

6、密镶嵌完好,然后采用18t压路机碾压,碾压的行车方向可据现场实际情况确定,以垂直于铺设方向碾压行车,施工区自由边1米范围内不碾压,待下一区段衔接好后,施振碾压。在灌缝扫砂施振碾压过程中,及时进行修补调整,并清扫验收。6、路缘石施工检查缘石的质量,满足要求后方可采用。按设计边线引出缘石边桩,直线部分桩距为Iom15m,曲线部分为5mIOm,路口转弯弧为Im5m,在边桩测放缘石的高程。安砌缘石时,卧底混凝土的虚铺厚度及质量应满足设计要求。缘石铺筑前先挂线,在稳定层上座上砂浆后铺上侧石。经校核边线及高程无误后施工侧后座,固定侧石,然后向前铺砌。四、质量控制措施常见质量问题的控制1、块体缺楞掉角或断裂

7、产生原因:掉角和断裂现象在施工过程中非常常见,究其原因,一是联锁块原材料质量较差,强度不足;二是在搬运、安放时受损,造成缺楞掉角;三是集中荷载过大,造成个别块体损坏。铺砌后,单独一个联锁块(或局部一个角)高出或联锁块表面有粒径较大的卵石,造成局部集中荷载,这样碾压时就会造成块体被压损坏或断裂。在施工过程中,个别操作工人质量意识薄弱,只为了尽快完成施工任务,在铺砌时不采用橡胶锤敲打,而是直接铺设,并将有破损的联锁块铺砌在内,这种行为是以牺牲工程质量为代价加快工期和节约成本,是非常不可取的,严重影响联锁块面层的整体观感质量。防治措施:要避免块体缺楞掉角,首先要保证联锁块的质量,联锁块进场后,检查其

8、出厂合格证或检验资料,并按照规定频率对强度进行抽检。其次就是要注意保护块体,搬运和储存应采用木制托盘,减少联锁块装卸过程中的磕碰现象,防止联锁块的边缘受到损坏。第三,联锁块铺砌时,要轻轻平放,并用橡胶锤或木锤敲打稳固,有破损的联锁块严禁使用铺砌。联锁块面层铺完以后,首先进行碾压,知道砂垫层基本密实,然后在从表面向缝中填砂,填缝砂必须是干砂,且细度、级配应符合规范要求,防止砂粒过粗,不能填实缝隙。最后,也是最重要的,必须在施工管理上加大力度,通过技术交底和奖罚制度,提高铺砌工人的质量意识,做到块块精心,才能从根本上保证工程质量。2、边缘块体沉陷或位移原因分析:这种质量缺陷主要发生在联锁块边缘部位

9、和与检查井、码头等构筑物相接处,表现为铺砌边缘、检查井四周联锁块沉陷、平整度较差或缝宽较大,边线不顺。造成这种现象的原因主要是铺砌边缘和构筑物周围的基层,受施工设备的影响,往往碾压不充分,压实度得不到保证,在联锁块压实过程中基层沉降过大。其次,在圆弧段、外形不规则检查井、盖板周围,采用切割联锁块的方法来收边,由于形状不规则,每块尺寸不一,往往切割的小块形状与铺砌的部位不对应,缝隙过大,宽窄不一,后期受力使联锁块发生位移。辅建区堆场工程由于堆场内构筑物较多,包括高杆灯基础、监控塔基础、围墙基础、路缘石和房建工程等,故联锁块与构筑物相接处的接茬处理好坏直接影响着工程的整体观感。防治措施:防治边缘块

10、体沉降和位移,最主要主要控制两个方面,一是保证基层压实度,二是做到收边整齐严密。在水泥稳定碎石碾压过程中,对于压路机碾压不到的局部边角部位,必须使用小型夯实机械人工夯实。同时,中粗砂垫层必须在水泥稳定层养护期满后进行施工,水稳碾压完成后,立即进行标高、平整度测量,水稳顶面标高高出设计2cm以上的,凿除后用砂浆找平,对水稳标高低2cm以上的用混凝土找平,不允许采用增加砂垫层厚度的措施。为了做好边缘处美观整齐,本工程在临近各类井、道路边缘等处联锁块进行切边处理,收边联锁块尺寸大于25%的采用切割块镶嵌,联锁块的切边由专用的工具进行,切块前根据镶嵌位置的大小切割,切块时要注意将块体放平,保证切出的边

11、比较平直,坚决禁止现场随意压切联锁块。小于联锁块尺寸25%的采用强度为C35的细石混凝土进行浇注、压光,联锁块边缘勾出边缘线。在直线型的道路边和码头后沿线,填塞块比较规整,采用厂家生产的定型边块,极大程度提高了整体观感质量。3、灌砂不饱满原因分析:灌缝砂主要是填满联锁块体之间的缝隙,是联锁块铺面形成整体,联锁块通过灌缝砂相互作用共同承受上部荷载。故灌缝砂的饱满程度影响联锁块面层的使用功能,灌缝不饱满会使其承载力降低。灌砂不饱满主要有两方面原因,-方面是灌缝砂的含水量较大,且细砂中含有粒径较大的颗粒,不易灌入缝中,或者堵塞联锁块之间的缝隙形成满缝的假象。另一方面是扫砂、压实次数不够,或者扫砂过程

12、中没有及时根据需要添加细砂,扫缝砂数量不足,导致灌缝不饱满。防治措施:灌缝砂必须为干砂,含水量不得大于2%,为了达到这一目的,砂料进场后,先将砂料摊铺在表面上进行曝晒,晒干后再进行扫砂灌缝,初次扫砂在2天内完成。扫砂和压实交替进行23遍,确保填缝砂灌满密实。同时,灌缝砂的级配须满足规范要求,当含有粒径大于2.5mm颗粒时,必须进行过筛,缝隙灌满后方可进行压实。五、主要机械设备施工机械览表机械名称规格型号数量(台)备注强力平板振动器VPIO35RW(德国)1振动压路机轮胎式14B(某某)1叉车CPC2.5t(某某)1六、施工注意事项1、施工过程中,必须要按照交底内容执行,未尽事宜按照规范进行施工

13、。2、施工过程中,必须做好测量工作,保证堆场土基的标高及坡度满足设计要求;3、材质的性能要满足设计要求才能使用;4、若有高低不平之处,高处铲除,低处填平补齐,填补处要翻松洒水再加混合料,然后采用振动压路机压实,禁止贴薄层找平。职业健康安全环保技术措施一、安全保证措施1、设立专职安全员,及时纠正和消除施工中出现的不安全苗头。2、对施工人员定期进行安全教育和安全知识的考核。3、工地设立明显的安全警示牌和安全注意事项宣传栏。4、各类机械设备操作人员必须持证上岗,无证人员或非本机人员不得上机操作。5、场内的电路布置要规范化,电器开关设在防雨防晒的电器箱柜内,距离地面不小于L5m。二、环境保护措施在施工

14、过程中,除应严格遵守部颁技术规范、料场管理和设计说明环境保护规定条文外,还实行以下具体施工措施:1、对废油、废水、废渣按指定地点排放,以避免污染空气和水源。2、施工便道注意经常维护,防止雨水破坏道路。3、下班后各种施工机械车辆按指定的停车场地停放整齐。4、实行环保目标责任制,以加强检查和监控,制定有效措施防止各种污染,改善施工现场环境。主要附件设计图纸施工图施工方案项目负责人技术负责人安全员质检员交底人班组签认序号姓名工种序号姓名工种安全生产十项注意事项:一、工作前穿戴好规定的劳动防护品,检查设备及作业场地,做到安全可靠。二、不违章作业,并监督制止他人违章作业。三、不准擅自开动别人操作的机械,

15、电器开关设备。登高作业应戴好安全带、安全帽、并有专人监护、防止坠落,严禁向下乱抛工具和设备零件。四、不准随便拆除各种安全防护装置、信号标志、仪表及专指示器等。保持设备齐全有效灵敏可靠。五、不准随意启动设备。机器设备停机检查或修理时,应切断电源并悬挂警示牌,取牌人应是挂牌人。开机时发出信号,听到回音确定安全后才能开机。六、不准吊装物及下行人。多人操作起重搬运要统一指挥,密切配合。不准超负荷使用机器。七、不在易燃物品附近吸烟动火,不乱扔垃圾。八、不在厂内无证驾驶机动车辆,机动车进出车间转弯必须鸣号减速。车辆行驶中严禁爬上跳下。九、工作时精力集中,不准打闹、赤脚、赤膊、穿拖鞋和高跟鞋。十、上班时间不准怠工、滋事、脱岗或擅离职守。有事请假经领导批准后方可离开岗位。

展开阅读全文
相关资源
猜你喜欢
相关搜索

当前位置:首页 > 论文 > 自然科学论文

copyright@ 2008-2023 1wenmi网站版权所有

经营许可证编号:宁ICP备2022001189号-1

本站为文档C2C交易模式,即用户上传的文档直接被用户下载,本站只是中间服务平台,本站所有文档下载所得的收益归上传人(含作者)所有。第壹文秘仅提供信息存储空间,仅对用户上传内容的表现方式做保护处理,对上载内容本身不做任何修改或编辑。若文档所含内容侵犯了您的版权或隐私,请立即通知第壹文秘网,我们立即给予删除!