设备安装危险源辨识与控制措施【修订】.docx

上传人:p** 文档编号:539231 上传时间:2023-10-19 格式:DOCX 页数:7 大小:29.17KB
下载 相关 举报
设备安装危险源辨识与控制措施【修订】.docx_第1页
第1页 / 共7页
设备安装危险源辨识与控制措施【修订】.docx_第2页
第2页 / 共7页
设备安装危险源辨识与控制措施【修订】.docx_第3页
第3页 / 共7页
设备安装危险源辨识与控制措施【修订】.docx_第4页
第4页 / 共7页
设备安装危险源辨识与控制措施【修订】.docx_第5页
第5页 / 共7页
设备安装危险源辨识与控制措施【修订】.docx_第6页
第6页 / 共7页
设备安装危险源辨识与控制措施【修订】.docx_第7页
第7页 / 共7页
亲,该文档总共7页,全部预览完了,如果喜欢就下载吧!
资源描述

《设备安装危险源辨识与控制措施【修订】.docx》由会员分享,可在线阅读,更多相关《设备安装危险源辨识与控制措施【修订】.docx(7页珍藏版)》请在第壹文秘上搜索。

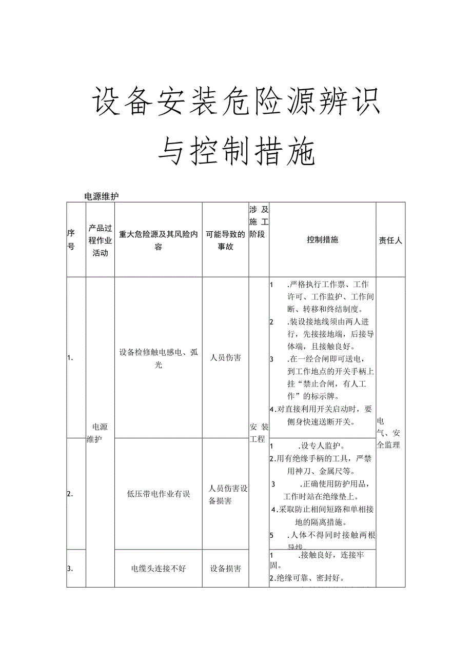
1、设备安装危险源辨识与控制措施电源维护序号产品过程作业活动重大危险源及其风险内容可能导致的事故涉及施工阶段控制措施责任人1.电源维护设备检修触电感电、弧光人员伤害安装工程1 .严格执行工作票、工作许可、工作监护、工作间断、转移和终结制度。2 .装设接地线须由两人进行,先接接地端,后接导体端,且接触良好。3 .在一经合闸即可送电,到工作地点的开关手柄上挂“禁止合闸,有人工作”的标示牌。4 .对直接利用开关启动时,要侧身快速送断开关。电气、安全监理2.低压带电作业有误人员伤害设备损害1 .设专人监护。2 .用有绝缘手柄的工具,严禁用神刀、金属尺等。3 .正确使用防护用品,工作时站在绝缘垫上。4 .采

2、取防止相间短路和单相接地的隔离措施。5 .人体不得同时接触两根导线。3.电缆头连接不好设备损害1 .接触良好,连接牢固。2 .绝缘可靠、密封好。3 .机械保护性符合要求序号产品过程作业活动重大危险源及其风险内容可能导致的事故涉及施工阶段控制措施责任人4.电源维护熔断器选用不当设备损坏1 .不经常启动的电机,其启动电流是熔断器的2.53倍。2 .长时间启动的电机,其启动电流是熔断器的1.62倍。3 .严禁用金属丝替代熔丝。电气、安全监理5.日常维护时违章作业人员伤害设备损坏安个工程1 .非电工严禁拆、装用电设备。2 .刀开关严禁带负荷拉闸。3 .一个开关不准接两台以上的电动设备。4 .碘铝灯严禁

3、带电移动。5 .同一系统中的电气设备应接地一致,不准一部分接地,一部分接零。6 .禁止用易燃、易爆气体或液体管道作为接地装置的自然接地体。6电气安装带电作业无防护人员伤害1 .了解带电系统的情况。2 .戴工作帽、穿绝缘鞋,并站在绝缘垫上,严禁穿背心、短裤工作。3 .工具手柄须绝缘良好。4 .必须设监护人。7充氮变压器排氮时现场有人1 .变压器未经充分排氮,严禁工作人员入内。2 .充氮变压器注油时,任何人不得在排气孔处停留。序号产品过程作业活动重大危险源及其风险内容可能导致的事故涉及施工阶段控制措施责任人8大型变压器运输、安装、吊罩、抽芯、检查、干燥、实验违章作业设备损坏人员伤害火灾1 .未移开

4、外罩或未做可靠的支撑前,不得在芯子上进行任何工作。2 .吊装外罩须起落平稳。3 .检查变压器芯子时,严禁攀登引线木架上下。4 .所用工具必须清点,严防工具及杂物遗留在变压器内。5 .配备足够的消防器材。运输超高、超重设备1交通事故2机械设备、人身伤害等事故安装工程1 .道路、桥梁等必须符合坡度、坚固程度的规程要求;严格遵守交通规则。2 .施工方案、作业指导书编制审核完成;通风、照明良好;劳保用品符合规定;清点用前用后工器具;防火措施、消防器材齐全;检测干燥温度;各方面记录,序号产品过程作业活动重大危险源及其风险内容可能导致的事故涉及施工阶段控制措施责任人9蓄电池安装配制蓄电池电解液时有毒液体流

5、出人员伤害1 .工作人员穿戴防酸的防护用品。2 .配制时须将酸缓慢地注入蒸镭水中,并不断地用玻璃棒或塑料棒搅拌,严禁将蒸储水注入酸中。3 .备用足够的小苏打溶液和清水,并标明分别存放。4 .工作结束后,所用工具及防护用品,严禁用手触摸,应用小苏打溶液及清水清洗。5 .若不慎皮肤接触酸液,应先用白布擦干,再用水冲洗。电气、安全监理10硫酸溢出人员中毒1 .安装前应装好照明,水源、通风和取暖设施。2 .注酸前拆除临时用电设施,注酸后室内严禁烟火。11盘柜安装盘柜安装时倾倒设备损坏1 .盘柜人力搬、撬就位应统一指挥、防倾倒、防狭窄处挤伤。2 .安装盘上设备应2人或2人以上配合作业。3 .盘底加垫、禁

6、止将手伸入,墙上安装操作箱要牢固。12盘柜安装电机未经检验试运转设备、机械损坏安装工程1 .电气回路应经操作试验,并确认控制、保护测量信号问路无误,绝缘良好,方可启动。2 .初次启动应有紧急停车设施。电气、安全监理序号产品过程作业活动重大危险源及其风险内容可能导致的事故涉及施工阶段控制措施责任人13电缆盘运输中滚动人员伤害1 .电缆盘在车上用方木等垫实、垫平,并绑扎牢固。2 .电缆盘禁止从车上直接推下。3 .电缆轴人工滚动运输时,防止将人员带过去压伤。14制作电缆头周围有易燃物人员伤害火灾1 .使用喷灯时,附近无易燃物,且防烫伤。2 .工作结束后,及时清理杂物。3 .带电盘内制作电缆头,还应防

7、触电。15.电气安装电缆桥架电缆管安装,绝缘不好人员伤害设备损害1 .焊接牢固。2 .按要求接地,测试后确认良好、可靠。16电气安装电缆敷设无统一指挥人员坠落人员划伤1 .电缆盘应架设牢固,由专人统一指挥。2 .电缆通道应清理干净,无杂物、积水照明充足。3 .高处敷设时,搭设临时架子应牢固,有足够强度。4 .进入带电区敷设,应办工作票,并设监护人。5 .电缆通过孔洞、管子或楼板时,两侧必须设监护人。6 .拐弯处的施工人员应站在电缆外侧。7 .严禁在电缆上攀登或行走。8 .电缆穿入带电盘时,盘上须有专人接引。严防电缆触及带电部位。电气、安全监理序号产品过程作业活动重大危险源及其风险内容可能导致的

8、事故涉及施工阶段控制措施责任人17电气试验仪器、仪表的不正确使用设备损坏安装工程1 .认真检查仪器、仪表的检查日期、等级,严禁过期和越级使用。2 .使用时须按说明书进行。3 .严防受潮和撞击。18电气试验二次回路传动试验,高压电存在人员伤害1 .电压互感器必须与二次回路断开,严防一次侧产生高压伤人,严禁二次侧短路。2 .二次回路严禁开路,确认无误,方可通电试验。3 .熔断器选择合适,接线端子接触良好。19高压电1 .试验场所四周设围栏,并挂“高压危险”等标示牌,设专人监护。2 .试验设备的外壳须按要求接地。3 .试验中防止与人体接触,试验后被试设备须放电。4 .分工明确,统一指挥,重要的仪表读值设两人监读,操作人员穿戴好绝缘用品,站在绝缘板05 .通信工具齐备,出现异常,断电、放电后方可检查。6 .雷雨、雾时应停止高压试验。电气、安全监理序号产品过程作业活动重大危险源及其风险内容可能导致的事故涉及施工阶段控制措施责任人20电压测量1.做开关传动试验时,开关处应设专人监视,并有就地可停的措施。2测量轴电压或在转动中的发电机集电环上进行测量工作时,应使用专用的带绝缘柄的电刷,绝缘柄的长度不小于300mmo

展开阅读全文
相关资源
猜你喜欢
相关搜索

当前位置:首页 > 建筑/环境 > 环保行业

copyright@ 2008-2023 1wenmi网站版权所有

经营许可证编号:宁ICP备2022001189号-1

本站为文档C2C交易模式,即用户上传的文档直接被用户下载,本站只是中间服务平台,本站所有文档下载所得的收益归上传人(含作者)所有。第壹文秘仅提供信息存储空间,仅对用户上传内容的表现方式做保护处理,对上载内容本身不做任何修改或编辑。若文档所含内容侵犯了您的版权或隐私,请立即通知第壹文秘网,我们立即给予删除!