建筑公司监理文件考核评分表.docx

上传人:p** 文档编号:541630 上传时间:2023-10-21 格式:DOCX 页数:3 大小:24.70KB
下载 相关 举报
建筑公司监理文件考核评分表.docx_第1页
第1页 / 共3页
建筑公司监理文件考核评分表.docx_第2页
第2页 / 共3页
建筑公司监理文件考核评分表.docx_第3页
第3页 / 共3页
亲,该文档总共3页,全部预览完了,如果喜欢就下载吧!
资源描述

《建筑公司监理文件考核评分表.docx》由会员分享,可在线阅读,更多相关《建筑公司监理文件考核评分表.docx(3页珍藏版)》请在第壹文秘上搜索。

1、建筑公司监理文件考核评分表(房建工程)项目名称考核得分建设规模总监(项目负责人)检查人检查日期编号文件名称属性状态应得分扣分J-I监理合同2J-2监理中标通知书2J-3监理企业及监理人员资质5J-4项目监理机构人员名单及变更函3J-5总监理工程师任命书2J-6总监授权书2J-7见证单位及见证人授权书2J-8监理规划5J-9监理实施细则(质量)6J-IO旁站监理方案(质量)3J-H见证取样方案及台帐(土建、水电)3J-12建筑节能监理实施细则3J-13建筑节能见证取样计划3J-14监理例会纪要10J-15专题例会纪要2J-16监理通知单及回复单10J-17监理工作联系单3J-18监理工程师备忘录

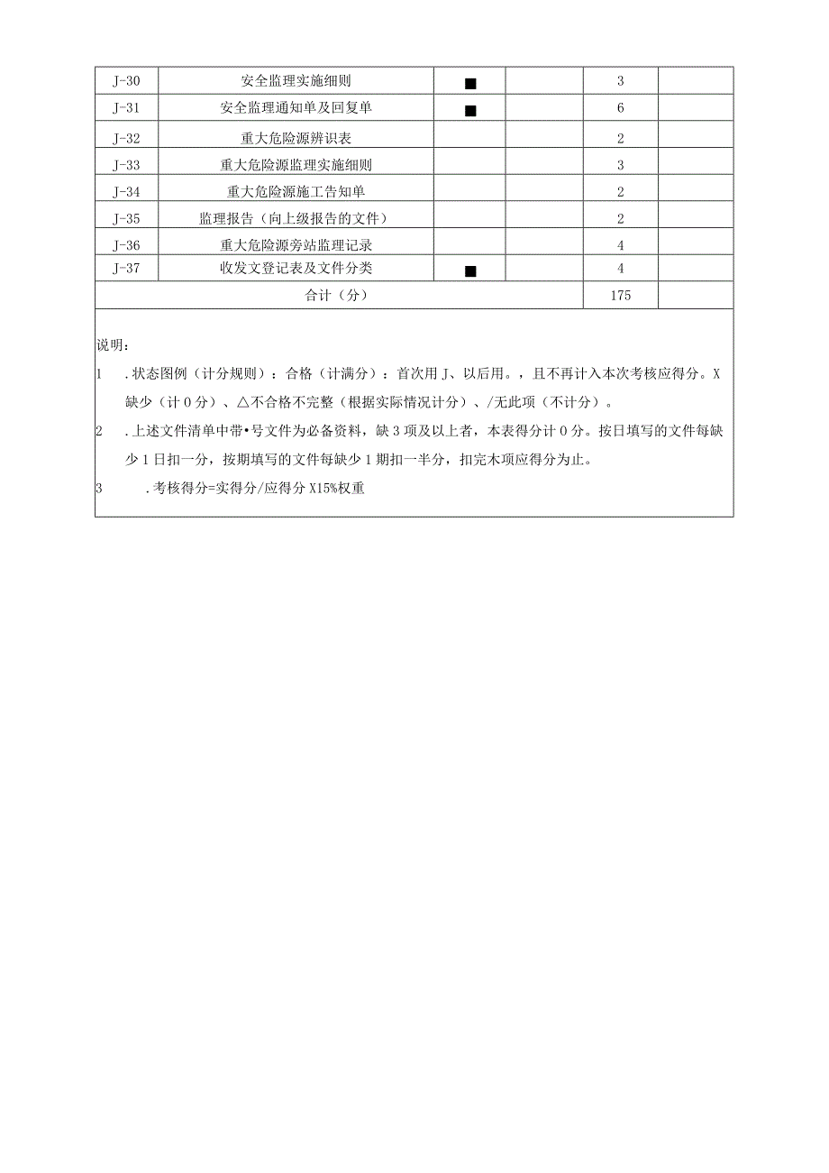
2、2J-19监理日志(三控两管)20J-20旁站监理记录(质量)15J-21工程综合月检记录6J-22项目内部技术交底6J-23监理月报10J-24桩基质量评估报告5J-25地基基础质量评估报告5J-26主体质量评估报告5J-27建筑节能质量评估报告5J-28项目监理部安全生产责任制2J-29总监和安全监理员安全考核证2J-30安全监理实施细则3J-31安全监理通知单及回复单6J-32重大危险源辨识表2J-33重大危险源监理实施细则3J-34重大危险源施工告知单2J-35监理报告(向上级报告的文件)2J-36重大危险源旁站监理记录4J-37收发文登记表及文件分类4合计(分)175说明:1 .状态

3、图例(计分规则):合格(计满分):首次用J、以后用。,且不再计入本次考核应得分。X缺少(计O分)、不合格不完整(根据实际情况计分)、/无此项(不计分)。2 .上述文件清单中带号文件为必备资料,缺3项及以上者,本表得分计O分。按日填写的文件每缺少1日扣一分,按期填写的文件每缺少1期扣一半分,扣完木项应得分为止。3 .考核得分=实得分/应得分X15%权重公司办公室文员绩效考核评分表姓名岗位办公室文员考核负责人考核期限自年月日至年月日考核项目考核内容应得分主管评分经理评分工作内容各类文件资料的编集、整理,建档和管理;10企业文案资料打印、管理;8来客的接待工作,接收各种电传资料,接听、接转电话等,文

4、件资料的收发、传递、登记10公司员工的人事档案、证件收集、管理、存档6公司召开各项会议的记录;临时性任务处理8对购物品的登记,领用手续的办理5管理公司的印签、证照、按规定使用7配合会计作好办公用品的定期核实与盘点稽核抽查6做好业务记录以及记录的保管,保守公司机密5职业素质具有责任心、工作积极主动、遇事不推诿3工作勤奋、任劳任怨竭力完成任务3具有相应的专业技能,能够完成本身专业职责3工作有能力、对事判断正确、处事正确3忠诚于公司、品行端正、言行诚信3服务意识对客户热情礼貌3对工作主动、积极、进取3对本职工作尽职尽责3对同事态度真诚热情3团体精神积极配合其他部门员工工作3内部员工之间互相配合3顾全大局、以公司利益为重4组织纪律遵守公司各种规章制度4遵守有关法律、法规4考核总分100

展开阅读全文
相关资源
猜你喜欢
相关搜索

当前位置:首页 > 管理/人力资源 > 绩效管理

copyright@ 2008-2023 1wenmi网站版权所有

经营许可证编号:宁ICP备2022001189号-1

本站为文档C2C交易模式,即用户上传的文档直接被用户下载,本站只是中间服务平台,本站所有文档下载所得的收益归上传人(含作者)所有。第壹文秘仅提供信息存储空间,仅对用户上传内容的表现方式做保护处理,对上载内容本身不做任何修改或编辑。若文档所含内容侵犯了您的版权或隐私,请立即通知第壹文秘网,我们立即给予删除!