船舶防污染专项整治检查表3-含油污水.docx

上传人:p** 文档编号:551824 上传时间:2023-10-27 格式:DOCX 页数:1 大小:17.17KB
下载 相关 举报
船舶防污染专项整治检查表3-含油污水.docx_第1页
第1页 / 共1页
亲,该文档总共1页,全部预览完了,如果喜欢就下载吧!
资源描述

《船舶防污染专项整治检查表3-含油污水.docx》由会员分享,可在线阅读,更多相关《船舶防污染专项整治检查表3-含油污水.docx(1页珍藏版)》请在第壹文秘上搜索。

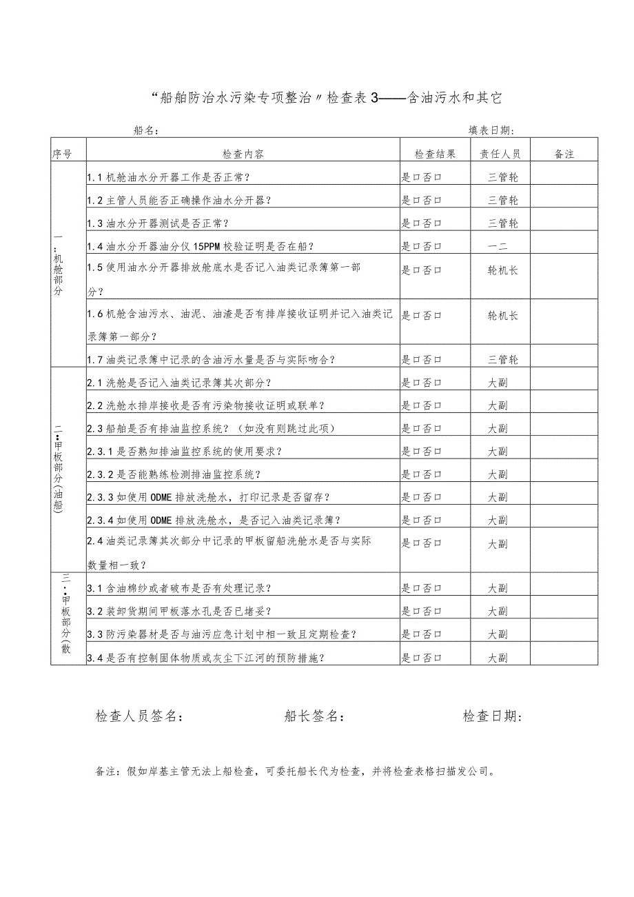
1、“船舶防治水污染专项整治检查表3含油污水和其它船名:填表日期:序号检查内容检查结果责任人员备注一:机舱部分1.1机舱油水分开器工作是否正常?是口否口三管轮1.2主管人员能否正确操作油水分开器?是口否口三管轮1.3油水分开器测试是否正常?是口否口三管轮1.4油水分开器油分仪15PPM校验证明是否在船?是口否口一二1.5使用油水分开器排放舱底水是否记入油类记录簿第一部分?是口否口轮机长1.6机舱含油污水、油泥、油渣是否有排岸接收证明并记入油类记录簿第一部分?是口否口轮机长1.7油类记录簿中记录的含油污水量是否与实际吻合?是口否口三管轮二甲板部分(油船)2.1洗舱是否记入油类记录簿其次部分?是口否口

2、大副2.2洗舱水排岸接收是否有污染物接收证明或联单?是口否口大副2.3船舶是否有排油监控系统?(如没有则跳过此项)是口否口大副2.3.1是否熟知排油监控系统的使用要求?是口否口大副2.3.2是否能熟练检测排油监控系统?是口否口大副2.3.3如使用ODME排放洗舱水,打印记录是否留存?是口否口大副2.3.4如使用ODME排放洗舱水,是否记入油类记录簿?是口否口大副2.4油类记录簿其次部分中记录的甲板留船洗舱水是否与实际数量相一致?是口否口大副三甲板部分(散3.1含油棉纱或者破布是否有处理记录?是口否口大副3.2装卸货期间甲板落水孔是否已堵妥?是口否口大副3.3防污染器材是否与油污应急计划中相一致且定期检查?是口否口大副3.4是否有控制固体物质或灰尘下江河的预防措施?是口否口大副检查人员签名:船长签名:检查日期:备注:假如岸基主管无法上船检查,可委托船长代为检查,并将检查表格扫描发公司。

展开阅读全文
相关资源
猜你喜欢
相关搜索

当前位置:首页 > 行业资料 > 航海/船舶

copyright@ 2008-2023 1wenmi网站版权所有

经营许可证编号:宁ICP备2022001189号-1

本站为文档C2C交易模式,即用户上传的文档直接被用户下载,本站只是中间服务平台,本站所有文档下载所得的收益归上传人(含作者)所有。第壹文秘仅提供信息存储空间,仅对用户上传内容的表现方式做保护处理,对上载内容本身不做任何修改或编辑。若文档所含内容侵犯了您的版权或隐私,请立即通知第壹文秘网,我们立即给予删除!