光明区配套基础设施工程(一期)——公路工程路线设计说明.docx

上传人:p** 文档编号:555738 上传时间:2023-10-31 格式:DOCX 页数:10 大小:38.13KB
下载 相关 举报
光明区配套基础设施工程(一期)——公路工程路线设计说明.docx_第1页
第1页 / 共10页
光明区配套基础设施工程(一期)——公路工程路线设计说明.docx_第2页
第2页 / 共10页
光明区配套基础设施工程(一期)——公路工程路线设计说明.docx_第3页
第3页 / 共10页
光明区配套基础设施工程(一期)——公路工程路线设计说明.docx_第4页
第4页 / 共10页
光明区配套基础设施工程(一期)——公路工程路线设计说明.docx_第5页
第5页 / 共10页
光明区配套基础设施工程(一期)——公路工程路线设计说明.docx_第6页
第6页 / 共10页
光明区配套基础设施工程(一期)——公路工程路线设计说明.docx_第7页
第7页 / 共10页
光明区配套基础设施工程(一期)——公路工程路线设计说明.docx_第8页
第8页 / 共10页
光明区配套基础设施工程(一期)——公路工程路线设计说明.docx_第9页
第9页 / 共10页
光明区配套基础设施工程(一期)——公路工程路线设计说明.docx_第10页
第10页 / 共10页
亲,该文档总共10页,全部预览完了,如果喜欢就下载吧!
资源描述

《光明区配套基础设施工程(一期)——公路工程路线设计说明.docx》由会员分享,可在线阅读,更多相关《光明区配套基础设施工程(一期)——公路工程路线设计说明.docx(10页珍藏版)》请在第壹文秘上搜索。

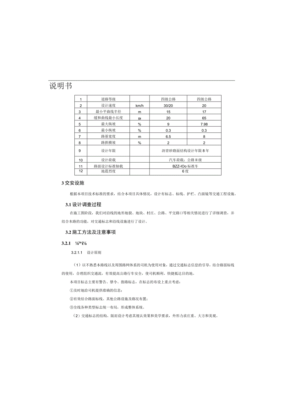
1、说明书1道路等级四级公路四级公路2设计速度km/h30/20203最小平曲线半径m15174缓和曲线最小长度Dl20655最大纵坡%97.986最小纵坡%0.30.37路基宽度m6.588路拱横坡%229设计年限沥青砂路面结构设计年限8年10设计荷载汽车荷载:公路II级11路面设计标准轴载BZZ-IOo标准车12地震烈度6度3交安设施根据本项目技术标准的要求,结合本项目具体情况,设计有标志、标线、护栏、凸面镜等交通工程设施。3.1设计调查过程在施工图阶段,我们对沿线的地形地貌、地块、村庄、公路、平交路口等相关情况进行了详细调查,并结合本路的功能,对交通标志和沿线设施进行了设计。3.2施工方法及

2、注意事项3.2.1 l*i3.2.1.1 设计原则(1)以不熟悉本路线以及周围路网体系的司机为使用对象,通过交通标志信息的引导,结合路面标线的使用,合理组织交通流,有效提高公路行车安全,使司机顺利、快捷抵达目的地。本项目标志主要有警告、禁令、指路标志,在标志的布设上重点考虑:及时地给司机提供准确的信息;有效结合路面标线、其他公路设施及路况布置;全线各种类型标志统一布局,形成整体系统。(2)交通标志的结构、版而设计考虑其视认效果和美学要求,外形力求庄重、大方和美观。1初步设计批复意见执行情况初设批复下发中,将按照批更严格执行。2路线平、纵面设计2.1 平纵线形优化2.1.1 平面线形设计原则强调

3、以长缓曲线为主的路线设计指导思想,做到路线与地形、地物、景观的相互协调,灵活运用技术标准,尽量利用I日路合理选用圆曲线半径和曲线长度。全线平纵指标均衡,线形流畅。2.1.2 纵面设计控制原则路线纵面标高的确定主要考虑两方面因素。第一,必须满足与周边地块衔接:第二,基本满足通道及交叉的标高设置条件:第三,考虑与周边地块标高标高进行衔接。第四,考虑天然气管道保护,不对燃气管道进行影响破坏。因此,在遵循上述四点前提条件下,纵面标高尽量压低以减少工程规模;合理确定纵而设计标高,力求做到合理。2.1.3 纵面线形及平纵组合设计路线纵断面及平纵组合设计充分结合了地形、地质条件,合理设置涵洞等构造物,尽量减

4、少土石方、后工防护等工程数量。纵面指标采用基本均衡,全线竖曲线设置尽量满足平包竖平纵组合,平、纵采用半径基本匹配,路线纵面线形顺畅、舒适,对向行驶干扰较小。2.2 本项目主要技术指标的采用情况原道路为县道X852(路名石沱联网路),原道路为单车道路幅宽度为5m,还建后双车道道路宽8m。本项目为还建工程,根据项目特点,本项目道路长约1.3km,四级公路,设计时速20knVh,双向两车道,路基宽度8米:平、纵面指标表I序号I项目I单位I规范值I采用值b.车行道边缘线:为白色线,用来指示机动车道的边缘,或用来划分机动车道与非机动车道的分界,除在机动车需要跨越边缘线的地方(例如平交道口处)的车行道边缘

5、线采用虚线外,其他均为实线,线宽15厘米。c人行横道线:为白色平行粗实线(又称斑马线),即标示一定条件下准许行人横穿道路的路径,又警示机动车驾驶人注意行人及非机动车过街。本路段未设置人行横道标线。d.减速标线(采用振动标线):在居民密集或交通流交织更杂、急弯陡坡等危险路段,在路面施画减速标线,包括村庄路段、交叉口、弯坡路段等。(2)技术要求a.全线标线涂料均采用热熔型标线涂料,涂料中含18%25%的玻璃珠。b.普通热熔型标线涂料的冷膜国度为200.2mm,振动标线热熔标线的突出部分冷膜厚度为6.00.5mm。c.为保证夜间视读性,施工时需撒布玻璃珠于热熔涂料上,撒布时要严格控制时间和用量,撒布

6、要均匀、全面;玻璃珠的撒布量为100厘米X15厘米的面积上撒布2030克。d.设置于路面的道路交通标线应使用抗滑材料,标线表面的抗滑性能一般不应低于所在路段路面的抗滑性能或45BPN,防滑涂料应满足路面防滑涂料(JTTT712-2008)相关要求。e连续设置的实线类标线,应每隔15m左右设置排水缝,其它标线有可能阻水时,应沿排水方向设置排水缝,排水缝宽为3cm5cm。f.热熔反光型涂料的性能应符合下表规定。表3-1热熔反光型涂料的性能指标表项目反光型突起型密度,g/cm31.82.3软化点,c90125100涂膜外观干燥后,应无皱纹、斑点、起泡、脱落、粘胎现象,涂膜的颜色和外观应与标准板差别不

7、大不粘胎干燥时间,tninW3色度性能(45/0)白色涂料的色品坐标和亮度因数应符合JT/T280-2004中表6和图1规定的范围黄色抗压强度,MPa21223C1C时,12502时,22耐磨性,mg(200转/10OOg后减重)W80(JMTOO橡胶砂轮)耐水性在水匚n浸24h应无异常现象3.2.1.2 技术要求(1)版面上字符;本工程标志版面上的字符信息均采用中文方式,按照道路交通标志和标线(GB57682009)并结合该公路实际设计情况及需要设计。根据设计行车速度确定的指路标志字体汉字高度为25厘米,字宽与字高相等,所有字体均采用交通标志专用字体。警告标志颜色为黄底、黑边、黑图案;禁令标

8、志颜色为白底、红圈、红杠、黑图案;指路标志、指示标志颜色为蓝底、白字、白图案;旅游标志颜色为棕底、白字、白图案。(2)标志反光材料,考虑其反光性能、老化性能、耐用年限及造价几项指标,结合本工程特点,确定全线范围内的标志版面的汉字采用11类反光膜。3.2.1.3 结构设计说明及施工要求1)本工程标志设置采用了单柱式和附着式支撑方式。(2)标志基础采用钢筋混凝土独立基础,基础施工应控制好混凝土标号及钢筋保护层厚度。(3)标志立柱采用结构用无缝钢管,顶端用5亳米厚钢板焊接封盖,钢材性能应符合GB7OO的有关规定。(4)标志底板采用3003铝合金板制作,铝合金板材的抗拉强度应不小于289.3MPa,屈

9、服点不小于241.2Mpa,延伸率不小于4%-10%o6000300S60050-90150S3005-50S15005(3)施工要求a.在路面标线施工之前,要求路面干燥、清洁,除净泥砂、灰尘和其他杂物。b.施工时,气温不得低于10C,如路面温度过低,应采取路面预热措施。c.严格按设计施工,车行道边缘线不应侵占行车道宽度。对于平交道口等特殊位置,应根据道路实际情况现场布置标线位置。d.在路面标线施工之前,要根据道路平曲线要素实地放线,以保证标线位置准确、线形顺畅。护栏板应通过拼接螺栓相互连接成纵向横梁,并由连接螺栓固定于托架上。护栏板拼接方向应与行车方向一致,拼接螺栓必须采用高强螺栓。立柱间距不规则时,可利用调节板、梁进行调节,不得采用现场切割护栏板的方法。所有的

展开阅读全文
相关资源
猜你喜欢
相关搜索

当前位置:首页 > 建筑/环境 > 设计及方案

copyright@ 2008-2023 1wenmi网站版权所有

经营许可证编号:宁ICP备2022001189号-1

本站为文档C2C交易模式,即用户上传的文档直接被用户下载,本站只是中间服务平台,本站所有文档下载所得的收益归上传人(含作者)所有。第壹文秘仅提供信息存储空间,仅对用户上传内容的表现方式做保护处理,对上载内容本身不做任何修改或编辑。若文档所含内容侵犯了您的版权或隐私,请立即通知第壹文秘网,我们立即给予删除!