安全帽验收表.docx

上传人:p** 文档编号:556382 上传时间:2023-11-01 格式:DOCX 页数:1 大小:14.64KB
下载 相关 举报
安全帽验收表.docx_第1页
第1页 / 共1页
亲,该文档总共1页,全部预览完了,如果喜欢就下载吧!
资源描述

《安全帽验收表.docx》由会员分享,可在线阅读,更多相关《安全帽验收表.docx(1页珍藏版)》请在第壹文秘上搜索。

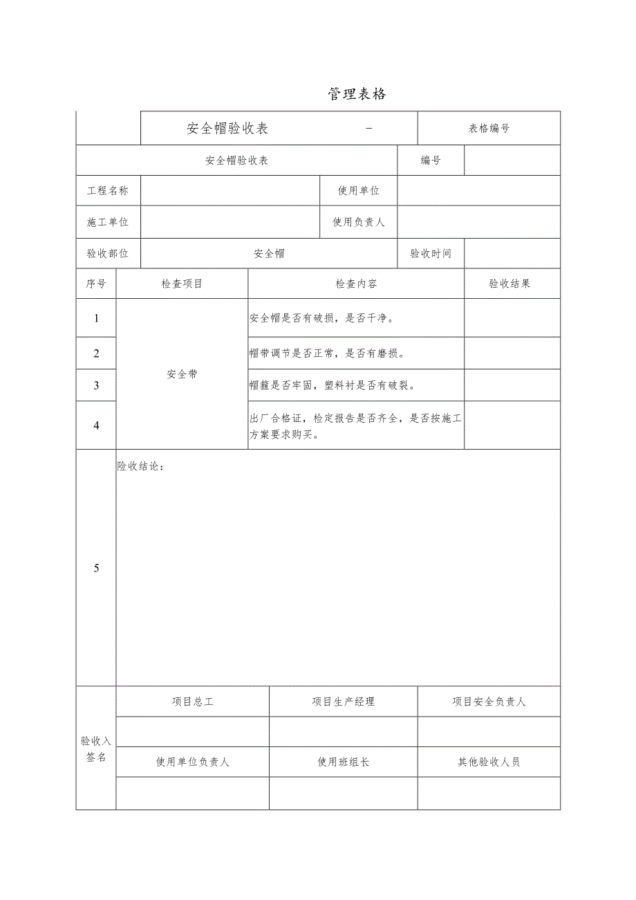
管理表格安全帽验收表-表格编号安全帽验收表编号工程名称使用单位施工单位使用负责人验收部位安全帽验收时间序号检查项目检查内容验收结果1安全带安全帽是否有破损,是否干净。2帽带调节是否正常,是否有磨损。3帽箍是否牢固,塑料衬是否有破裂。4出厂合格证,检定报告是否齐全,是否按施工方案要求购买。5险收结论:验收入签名项目总工项目生产经理项目安全负责人使用单位负责人使用班组长其他验收人员

展开阅读全文
相关资源
猜你喜欢
相关搜索

当前位置:首页 > 建筑/环境 > 安全文明施工

copyright@ 2008-2023 1wenmi网站版权所有

经营许可证编号:宁ICP备2022001189号-1

本站为文档C2C交易模式,即用户上传的文档直接被用户下载,本站只是中间服务平台,本站所有文档下载所得的收益归上传人(含作者)所有。第壹文秘仅提供信息存储空间,仅对用户上传内容的表现方式做保护处理,对上载内容本身不做任何修改或编辑。若文档所含内容侵犯了您的版权或隐私,请立即通知第壹文秘网,我们立即给予删除!