设备清单及技术要求.docx

上传人:p** 文档编号:564506 上传时间:2023-11-02 格式:DOCX 页数:6 大小:30.31KB
下载 相关 举报
设备清单及技术要求.docx_第1页
第1页 / 共6页
设备清单及技术要求.docx_第2页
第2页 / 共6页
设备清单及技术要求.docx_第3页
第3页 / 共6页
设备清单及技术要求.docx_第4页
第4页 / 共6页
设备清单及技术要求.docx_第5页
第5页 / 共6页
设备清单及技术要求.docx_第6页
第6页 / 共6页
亲,该文档总共6页,全部预览完了,如果喜欢就下载吧!
资源描述

《设备清单及技术要求.docx》由会员分享,可在线阅读,更多相关《设备清单及技术要求.docx(6页珍藏版)》请在第壹文秘上搜索。

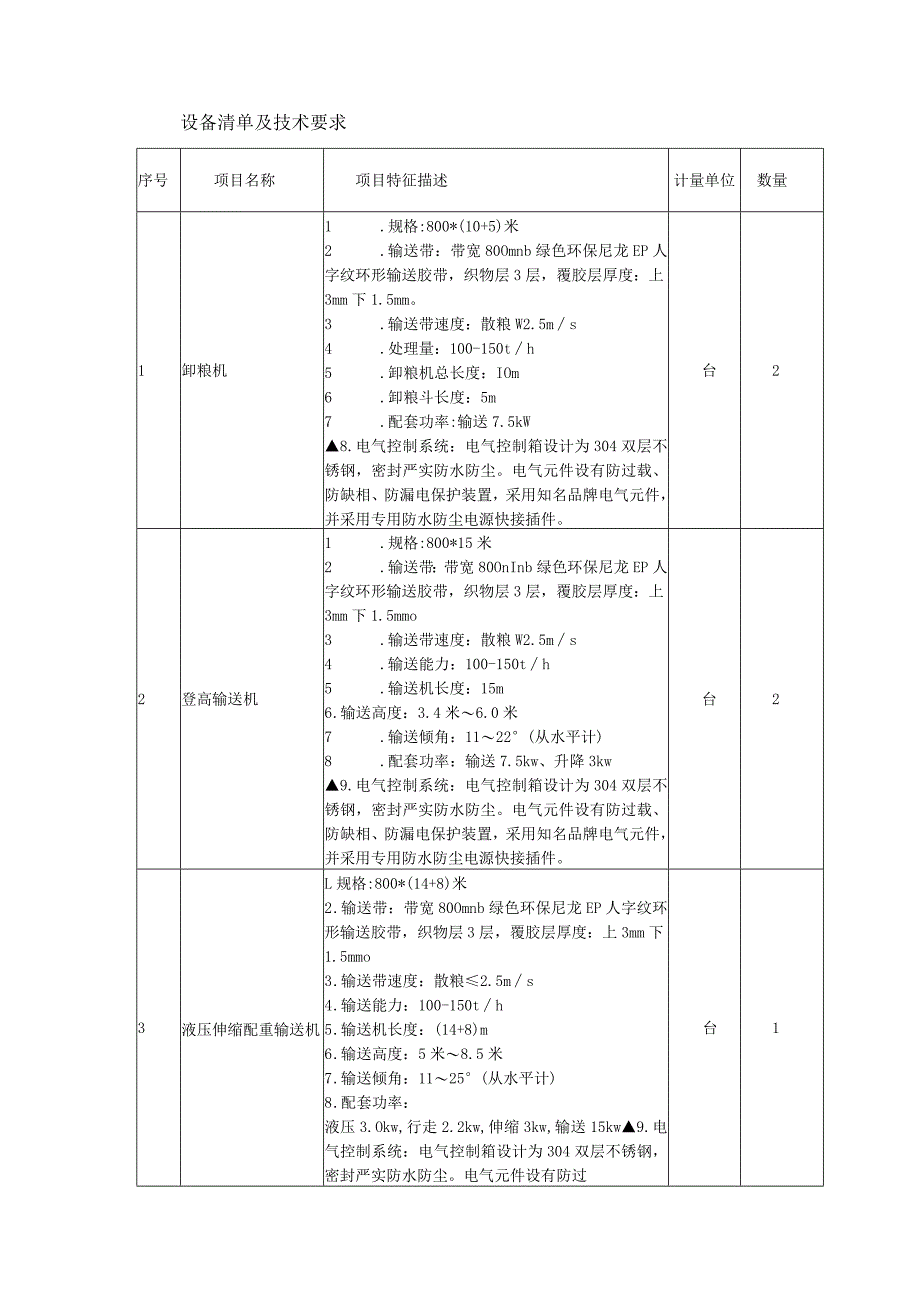
1、设备清单及技术要求序号项目名称项目特征描述计量单位数量1卸粮机1 .规格:800*(10+5)米2 .输送带:带宽80Omnb绿色环保尼龙EP人字纹环形输送胶带,织物层3层,覆胶层厚度:上3mm下1.5mm。3 .输送带速度:散粮W2.5ms4 .处理量:100-150th5 .卸粮机总长度:IOm6 .卸粮斗长度:5m7 .配套功率:输送7.5kW8.电气控制系统:电气控制箱设计为304双层不锈钢,密封严实防水防尘。电气元件设有防过载、防缺相、防漏电保护装置,采用知名品牌电气元件,并采用专用防水防尘电源快接插件。台22登高输送机1 .规格:800*15米2 .输送带:带宽80OnInb绿色环

2、保尼龙EP人字纹环形输送胶带,织物层3层,覆胶层厚度:上3mm下1.5mmo3 .输送带速度:散粮W2.5ms4 .输送能力:100-150th5 .输送机长度:15m6 .输送高度:3.4米6.0米7 .输送倾角:1122(从水平计)8 .配套功率:输送7.5kw、升降3kw9.电气控制系统:电气控制箱设计为304双层不锈钢,密封严实防水防尘。电气元件设有防过载、防缺相、防漏电保护装置,采用知名品牌电气元件,并采用专用防水防尘电源快接插件。台23液压伸缩配重输送机L规格:800*(14+8)米2 .输送带:带宽80Omnb绿色环保尼龙EP人字纹环形输送胶带,织物层3层,覆胶层厚度:上3mm下

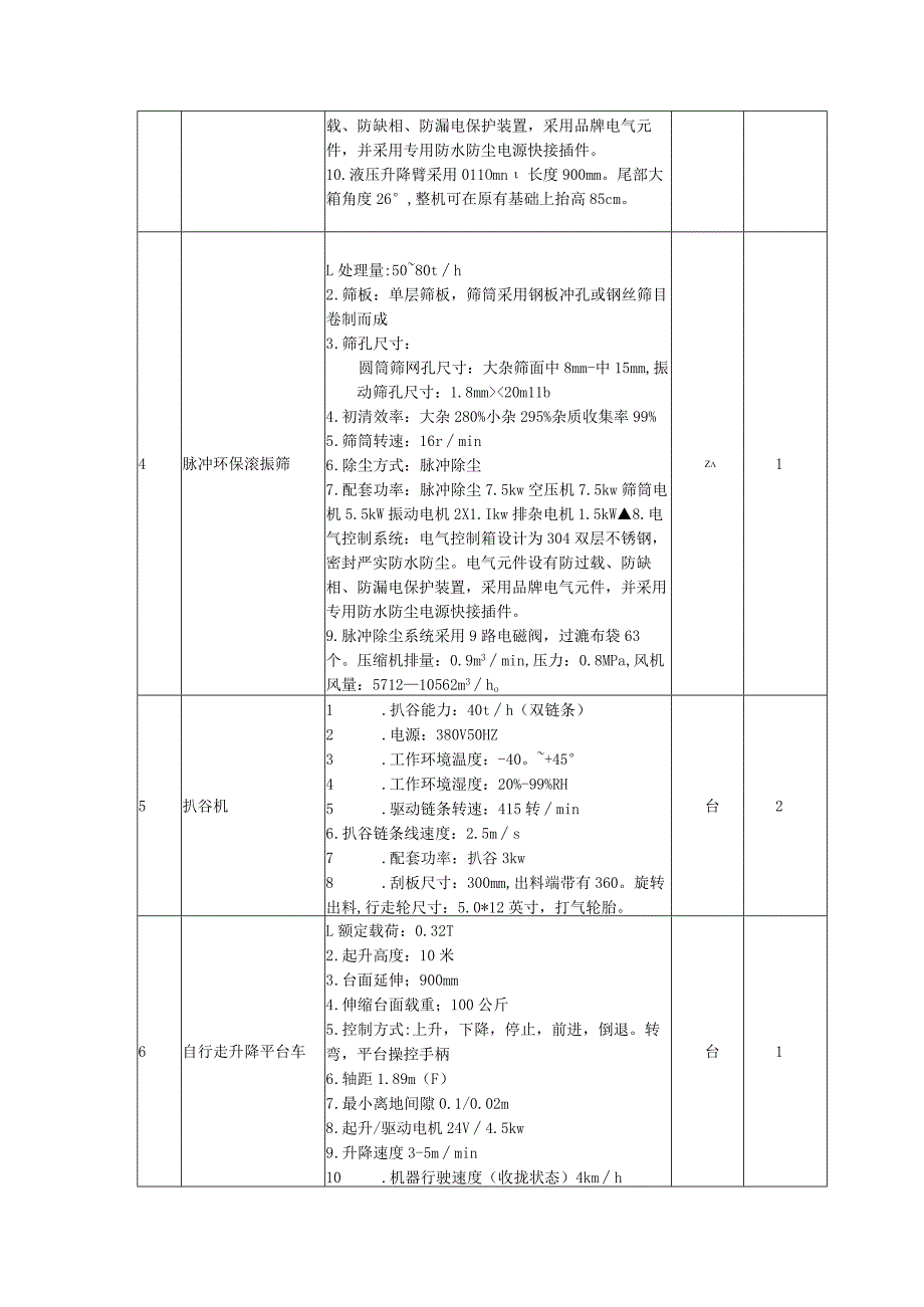
3、1.5mmo3 .输送带速度:散粮2.5ms4 .输送能力:100-150th5 .输送机长度:(14+8)m6 .输送高度:5米8.5米7 .输送倾角:1125(从水平计)8 .配套功率:液压3.Okw,行走2.2kw,伸缩3kw,输送15kw9.电气控制系统:电气控制箱设计为304双层不锈钢,密封严实防水防尘。电气元件设有防过台1载、防缺相、防漏电保护装置,采用品牌电气元件,并采用专用防水防尘电源快接插件。10.液压升降臂采用011Omn长度900mm。尾部大箱角度26,整机可在原有基础上抬高85cm。4脉冲环保滚振筛L处理量:5080th2 .筛板:单层筛板,筛筒采用钢板冲孔或钢丝筛目卷

4、制而成3 .筛孔尺寸:圆筒筛网孔尺寸:大杂筛面中8mm-中15mm,振动筛孔尺寸:1.8mm20m11b4 .初清效率:大杂280%小杂295%杂质收集率99%5 .筛筒转速:16rmin6 .除尘方式:脉冲除尘7 .配套功率:脉冲除尘7.5kw空压机7.5kw筛筒电机5.5kW振动电机2X1.Ikw排杂电机1.5kW8.电气控制系统:电气控制箱设计为304双层不锈钢,密封严实防水防尘。电气元件设有防过载、防缺相、防漏电保护装置,采用品牌电气元件,并采用专用防水防尘电源快接插件。9.脉冲除尘系统采用9路电磁阀,过漉布袋63个。压缩机排量:0.9m3min,压力:0.8MPa,风机风量:5712

5、10562m3hoZ15扒谷机1 .扒谷能力:40th(双链条)2 .电源:380V50HZ3 .工作环境温度:-40。+454 .工作环境湿度:20%-99%RH5 .驱动链条转速:415转min6 .扒谷链条线速度:2.5ms7 .配套功率:扒谷3kw8 .刮板尺寸:300mm,出料端带有360。旋转出料,行走轮尺寸:5.0*12英寸,打气轮胎。台26自行走升降平台车L额定载荷:0.32T2 .起升高度:10米3 .台面延伸;900mm4 .伸缩台面载重;100公斤5 .控制方式:上升,下降,停止,前进,倒退。转弯,平台操控手柄6 .轴距1.89m(F)7 .最小离地间隙0.1/0.02m

6、8 .起升/驱动电机24V4.5kw9 .升降速度3-5mmin10 .机器行驶速度(收拢状态)4kmh台111.蓄电池24v直流(4*6V200AH)电子测温系统1精密测控软件规格:实时或定时检测,巡回检测;支持有线检测、无线检测、网络检测。三维立体图形界面显示,二维曲线,报表预览、报表打印,单点历史数据对比,数据汇总和智能粮情分析及报警,可故障分析,远程维护.提供本设备兼容、对接库区原有粮情测温系统及设备承诺书套12串口服务器规格:以太网(DHCP):支持端口数:1个端口标准:4针RJ45速率:10100bps,MD/MDIX交叉直连自动切换保护:2电磁隔离网络协议:IP,TCP,LDP,

7、DHCP,DNS,HTTP,ARP,ICMP,websocl,HttpClient缓存:发送16Kbyte,接收16KbyteVDD:5.0-36.OV工作电流:86.5InA5V串口:端口数:RS232ftRS485*l(可同时使用)标准:RS-232:DB9针式,RS-485:2线(A+,B-)数据位:5bit.6bit,7bit.8bit检验位:None,Even,Odd,Space,Mark波特率:600bps230.4Kbps台33汇聚交换机(机房)光电交换机,8口千兆电+4千兆光纤口三层网管企业级网络交换机台14前端交换机光电交换机,8口千兆电+2千兆光纤口,即插即用型个3测温分机

8、(含不锈钢分机箱、开关量电源)规格:1、最多可支持512路单温度的测量2、最多可支持512路C02测量3、最多可支持256路温湿度4、最多可支持256路K型热电偶输入5、最多可支持256路模拟量输入6、最多可支持1024路光隔离开关量输入7、最多可支持1024路继电器输出台38、支持以上参量的任意配置组合9、波特率9600/19200/38400可选10、电源:1030V输入11模块工作温度:07012、存储温度:-2585C提供本设备兼容、对接库区原有粮情测温系统及设备承诺书5分支器规格:一线总线系统专用分支器,消除传输过程中的驻波干扰,保证一线系统的稳定性。只406数字测温电缆7.5米5测

9、温点T+3根2527光缆单模4芯米2008电源线RVVSP2*1米2009仓内通讯线RVV3*0.4+T(带T型头)米180010温湿传感器规格:1、测量范围-30-65,精度L5C,温度测量分辨率0.2eCo2、温度传感器:测量范围5-99%RH,精度:3%RH湿度测量分辨率0.2%RH只311电缆沟每排6个暗井,5孔梅花管相连米330机械通风设备地上笼型号D50型U”通风地上笼,风道规格500*2mm*lm,靠墙半边开孔率20%,含双头高强度防腐拉筋,每米2根8mm拉条。冷轧冷镀,米230熏蒸配套设备1粮库专用环流风机1 .材质:保温风机不锈钢外壳,铝合金叶片;电机防雨罩304不锈钢;风机

10、罩304不锈钢。2 .规格:工作电压380V交流电,电机功率0.75KW,安装形式:卧式法兰连接,风机风压100(Pa,风机风量WlOOOm3h,风压、风速、风量等主要参数选择和计算符合LS/T1202储粮机械退风技术规程的相关要求。3 .要求:循环风机保温壳体实现了循环风机的保温功能,采用一体化设计方案,与循环风机组装先成一体,壳体内壁与循环风机之间填充聚氨酯发泡,保温厚度不低于30mm,有效防止了冷源的带失,并加装了防雨设施。噪音限制满足JBT869()套)24的要求,设施满足内环流控温的空气循环使用要求,电机满足环流熏蒸要求,符合GB/T13384-92机电产品包装通用技术条件和GB/T

11、13306-1991标牌国家标准。动力线缆通讯线缆符合设备工作电压和相关国家标准。2保温通风口1.材质:方形双层304不锈钢材质,厚度2L2nm2.规格:通风口伸出墙面尺寸大于400mm,通风口规格方形250OnlnI*50OnIn1。3.要求:双层不锈钢之间有保温层,保温层不小于35mm,门体与筒体之间设置有密封垫,开关使用手旋轮方式,配备防鼠网及机械通风连接件,保证通风口的美观性及气密性。保温材料阻燃等级需达到国家强制的阻燃Bl级标准。套243管道保温管路系统由过墙管、立管、横管、管道安装导轨、管道安装支架、抱箍等组成。管路系统采用双层保温管,外管为304不锈钢材质,内管采用PVC材质,两

12、个管路之间的采用发泡保温材料或保温棉填充。保温管路系统外形美观,保温效果好。内管抗熏蒸腐蚀、外管抗环境腐蚀。过墙管:平房仓管道出风口距装粮线约1m,仓内伸出管路约IOCnU过墙管长度根据仓房装粮线高度和墙体厚度而定。立管:布置在整个保温管路中间部分,上部与过墙管连接,下部与保温循环风机出风口连接,通过法兰形式连接,实现保温循环风机出风口风量的向粮面上输送。立管长度根据仓房装粮线高度而定,一般为6mo横管:布置在整个保温管路下部,连通通风口与保温循环风机进风口,实现仓内冷空气风量与循环风机的连通。横管长度根据现场实际而定。规格:双层保温-体化管道,内管壁厚23mm,外管壁厚21.2mm,保温管外

13、管直径2140cm,内管直径不低于90mm,中间层为聚氨酯发泡或保温棉保温,内外管之间保温层不小于25mm。保温管路安装固定附件:保温管路固定在仓体上,固定管路使用的附件均为304不锈钢材质。法兰符合SH3406-96石油化工钢制管法兰标准,密封垫圈材质为耐腐橡胶。套244控制柜1 .材质:304材质不锈钢箱体防尘防水,内外双层门双锁,外层门满足防腐蚀要求。2 .技术规格:采用PLC控制或单片机控制;本地及远程通讯口RS232、R485;7寸液晶彩色触摸屏,自动、手动设置,双温设置(启动温度、停止温个3度);均温时间设定,运行时间设定。3.要求:达到与库区智能系统兼容匹配,并整合联通。5温湿度

14、采集器1 .规格:配备仓内RS485接口2 .要求:防潮、防熏蒸、抗干扰能力强支3踏粮板1粮面走道板lm*O.55m*0.038mPVC材质、镂空米1000充气泵及呼吸器设备1止压式空气呼吸器1、气瓶容积:6.8升装2、气瓶工作压力:30MPA3、供气流量:500L/MIN4、呼气阻力:100OPa5、报警压力:5.5+0.5MPa6、使用时间:68分钟/人套62充气泵1、排气量:lOOL/min;2、工作压力:300bar;3、驱动方式:三相电动马达;4、压缩机转速:2800rmin;5、压缩机级数:四级;6、介质:呼吸空气和工业气体;7、润滑方式:飞溅润滑;油量:0.4L;8、进气温度范围:5-45;9、噪音:80dB;10、呼吸空气质量:符合EN12021标准;台1

展开阅读全文
相关资源
猜你喜欢
相关搜索

当前位置:首页 > 通信/电子 > 室内分布

copyright@ 2008-2023 1wenmi网站版权所有

经营许可证编号:宁ICP备2022001189号-1

本站为文档C2C交易模式,即用户上传的文档直接被用户下载,本站只是中间服务平台,本站所有文档下载所得的收益归上传人(含作者)所有。第壹文秘仅提供信息存储空间,仅对用户上传内容的表现方式做保护处理,对上载内容本身不做任何修改或编辑。若文档所含内容侵犯了您的版权或隐私,请立即通知第壹文秘网,我们立即给予删除!