第6章典型液压系统.ppt

上传人:p** 文档编号:571353 上传时间:2023-11-07 格式:PPT 页数:38 大小:727KB
下载 相关 举报
第6章典型液压系统.ppt_第1页
第1页 / 共38页
第6章典型液压系统.ppt_第2页
第2页 / 共38页
第6章典型液压系统.ppt_第3页
第3页 / 共38页
第6章典型液压系统.ppt_第4页
第4页 / 共38页
第6章典型液压系统.ppt_第5页
第5页 / 共38页
第6章典型液压系统.ppt_第6页
第6页 / 共38页
第6章典型液压系统.ppt_第7页
第7页 / 共38页
第6章典型液压系统.ppt_第8页
第8页 / 共38页
第6章典型液压系统.ppt_第9页
第9页 / 共38页
第6章典型液压系统.ppt_第10页
第10页 / 共38页
亲,该文档总共38页,到这儿已超出免费预览范围,如果喜欢就下载吧!
资源描述

《第6章典型液压系统.ppt》由会员分享,可在线阅读,更多相关《第6章典型液压系统.ppt(38页珍藏版)》请在第壹文秘上搜索。

1、典型液压系统典型液压系统 组合机床动力滑台液压系统组合机床动力滑台液压系统180吨板金冲床液压系统吨板金冲床液压系统 组合机床动力滑台的液压系统组合机床动力滑台的液压系统 压系统使滑台按一定动作循环完成进给运动。组合机床能完成钻、扩、铰、镗、铣、攻丝等加工工序。1设备用途设备用途 动力滑台是组合机床的通用部件,上面安装有各种旋转刀具,通过液Y1Y21921MPa17131811Y31244MPa在 压 缸 上 升 端 限制 压 力M3MPa10658722 kW-6p321低 压 泵 无 负 荷161500L1510 000kcal/h28降 压2420使 油 的 一 部 分旁 路加 压 时

2、打 开7MPa22360L/min233MPa14360L/m720L/m差 动 回 路27180ton上 型下 型泵 参 数21MPa30L/min6MPa330L/min45340240310st压 缸252620MPa时 ON180吨板金冲床液压系统吨板金冲床液压系统 快速下降快速下降慢速下降(成型)慢速下降(成型)暂停暂停快速上升快速上升 6.2.2 180吨板金冲床液压系统的工作原理参见图6-2、图6-3对180吨板金冲床液压系统的油路进行分析。1.压缸快速下降按下启动按钮,Y1,Y3通电,进油路线为泵4、泵5电磁阀19左位液控单向阀28压缸上腔。回进油路线为压缸下腔顺序阀23单向阀

3、14压缸上腔。压缸快速下降时,进油管路压力低,未达到顺序阀22所设定的压力,故压缸下腔压力油再回压缸上腔,形成一差动回路。2.压缸慢速下降当压缸上模碰到工件进行加压成形时,进油管路压力升高,使顺序阀22打开,进油路线为泵4电磁阀19左位液控单向阀28压缸上腔。回油路线为压缸下腔顺序阀22电磁阀19左位油箱。此时,回油为一般油路,卸载阀10被打开,泵5的压油以低压状态流回油箱,送到压缸上腔的油仅由泵4供给,故压缸速度减慢。3.压缸暂停(降压)当上模加压成型时,进油管路压力达到20 MPa,压力开关26动作,Y1、Y3断电,电磁阀19、电磁阀11恢复正常位置。此时,压缸上腔压油经节流阀21、电磁阀

4、19中位流回油箱,如此,可使压缸上腔压油压力下降,防止了压缸在上升时上腔油压由高压变成低压而发生的冲击、振动等现象。4.压缸快速上升当降压完成时(通常为0.57 s,视阀的容量而定),Y2通电,进油路线如下:泵4、泵5电磁阀19右位顺序阀22压缸下腔。压缸上腔 因泵4、泵5的液压油一齐送往压缸下腔,故压缸快速上升。液控单向阀20液控单向阀28 电磁阀19右位油箱 6.2.3 180吨板金冲床液压回路图的特点180吨板金冲床液压系统包含差动回路、平衡回路(或顺序回路)、降压回路、二段压力控制回路、高压和低压泵回路等基本回路。该系统有以下几个特点:(1)当压缸快速下降时,下腔回油由顺序阀23建立背

5、压,以防止压缸自重产生失速等现象。同时,系统又采用差动回路,泵流量可以比较少,亦为一节约能源的回路。(2)当压缸慢速下降做加压成型时,顺序阀22由于外部引压被打开,压缸下腔压油几乎毫无阻力地流回油箱,因此,在加压成型时,上型模重量可完全加在工件上。(3)在上升之前作短暂时间的降压,可防止压缸上升时产生振动、冲击现象,100吨以上的冲床尤其需要降压。(4)当压缸上升时,有大量压油要流回油箱,回油时,一部分压油经液控单向阀20流回油箱,剩余压油经电磁阀19中位流回油箱,如此,电磁阀19可选用额定流量较小的阀件。(5)当压缸下降时,系统压力由溢流阀9控制,上升时,系统压力由遥控溢流阀12控制,如此,

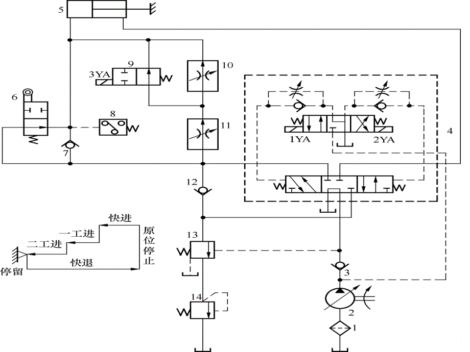
6、可使系统产生的热量减少,防止了油温上升。6.3 多轴钻床液压系统多轴钻床液压系统如图6-4所示为一多轴钻床液压传动系统图,如图6-5所示为其控制动作顺序图,三个液压缸的动作顺序为夹紧液压缸下降分度液压缸前进分度液压缸后退 进给液压缸快速下降进给液压缸慢速钻削进给液压缸上升夹紧液压缸上升 暂停一段时间,如此就完成了一个工作循环。1.动作分析 参见图6-4,图6-5 对多轴钻床液压系统油路进行分析。1)夹紧缸下降按下启动按钮,Y3通电,控制油路的进油路线为泵3单向阀6减压阀11电磁阀13左位夹紧缸上腔(无杆腔)。回油路线为夹紧缸下腔电磁阀13左位油箱。进回油路无任何节流设施,且夹紧缸下降所需工作压

7、力低,故泵以大流量送入夹紧缸,夹紧缸快速下降。夹紧缸夹住工件时,其夹紧力由减压阀11来调定。Y1Y2M649831.5kW-4p21120L1.5MPa111087Y3Y4Y5Y62MPa16MECH1滚子凸轮18钻削切削力快速进给切削进给 13000N 5000mm/min 200500mm/min钻头进给压力缸6330210st19夹紧夹紧缸402050st分度20分度缸4020100st012345BA泵性能曲线0051015200.751.5功率(kW)流量(L/min)压力(MPa)快进点 AQ17L/minp2MPa钻削进给点 BQ1.5L/minp4.8MPa51油箱;2滤清器;

8、3变量叶片泵;4联轴节;5电动机;6、7单向阀;8切断阀;9、10压力计;11减压阀;12、13、14电磁阀;15平衡阀;16液控单向阀;17行程调速阀(二级速度);18、19、20液压缸1715121314(a)(b)图6-4 多轴钻床液压传动系统(a)系统图;(b)泵的性能曲线 图6-5 多轴钻床控制动作顺序图MECH1Y6通电Y5通电Y4通电Y3通电Y2通电Y1通电111 21031111005013050801循环30 s分度缸夹紧缸进给缸2)分度缸前进夹紧液压缸将工件夹紧时并触发一微动开关使Y5通电,进油路线为泵3左腔单向阀6减压阀11电磁阀14左位分度缸右腔。回油路线为分度缸左腔电

9、磁阀14左位油箱。因无任何节流设施,且分度液压缸前进时所需工作压力低,故泵以大流量送入液压缸,分度缸快速前进。3)分度缸后退分度缸前进碰到微动开关使Y6通电,分度缸快速后退,进油路线为泵3单向阀6减压阀11电磁阀14右位分度缸左腔。回油路线为分度缸右腔电磁阀14右位油箱。4)钻头进给缸快速下降分度缸后退碰到微动开关使Y2通电,进油路线为泵3单向阀6电磁阀12右位进给液压缸上腔。回油路线为进给液压缸下腔凸缘操作调速阀17右位(行程减速阀)液控单向阀16平衡阀15电磁阀12右位油箱。在凸轮板未压到滚子时,回油没被节流(回油经由凸轮操作调速阀的减速阀),且尚未钻削,故泵工作压力p=2 MPa,泵流量

10、Q=17 L/min,进给缸快速下降。5)钻头进给液压缸慢速下降(钻削进给)当凸轮板压到滚子时,回油只能由调速阀流出,回油被节流,进给液压缸慢速钻削。进油路线同钻头进给缸快速下降时的,回油路线为进给缸下腔调速阀17液控单向阀16平衡阀15电磁阀12右位油箱。因液压缸出口液压油被节流,且钻削阻力增大,故泵工作压力增大(p=4.8 MPa),泵流量下降(Q=1.5 L/min),所以进给液压缸慢速下降。6)进给缸上升当钻削完成碰到微动开关,使Y1通电时,进油路线为泵3单向阀6电磁阀12左位平衡阀15(走单向阀)液控单向阀16凸轮操作调速阀17(走单向阀)进给缸下腔。回油路线为进油液压缸上腔电磁阀1

11、2左位油箱。进给缸后退时,因进油、回油路均没被节流,泵工作压力低,泵以大流量送入液压缸,故进给缸快速上升。7)夹紧缸上升进给缸上升碰到微动开关,使Y4通电时,进油路线为泵3单向阀6减压阀11单向阀7电磁阀13右位夹紧缸下腔。回油路线为夹紧缸上腔电磁阀13右位油箱。因进、回油路均没有节流设施,且上升时所需工作压力低,泵以大流量送入液压缸,故夹紧缸快速上升。2.系统组成及特点 如以该液压缸为中心,可将液压回路分成三个子系统:钻头进给液压缸子系统,此子系统由液压缸18、凸轮操作调速阀17、液控单向阀16、平衡阀15及电磁阀12所组成,此子系统包含速度切换(二级速度)回路、锁定回路、平衡回路及换向回路

12、等基本回路;夹紧缸子系统,此子系统由液压缸19及电磁阀18组成;分度缸子系统,此子系统由分度缸20及电磁阀14所组成。夹紧缸子系统和分度缸子系统均只有一基本回路 换向回路。多轴钻床液压系统有以下几个特点:(1)钻头进给液压缸的速度控制凸轮操作调速阀17,故速度的变换稳定,不易产生冲击,控制位置正确,可使钻头尽量接近工件。(2)平衡阀15可使进给液压缸上升到尽头时产生锁定作用,防止进给液压缸由于自重而产生不必要的下降现象,此平衡阀所建立的回油背压阀阻力亦可防止液压缸下降现象的产生。(3)液控单向阀16可使进给液压缸上升到尽头时产生锁定作用,防止进给液压缸由于自重而产生不必要的下降现象。(4)减压

13、阀11可设定夹紧缸和分度缸的最大工作压力。(5)单向阀7在防止分度缸前进或进给缸下降作用时,由于夹紧缸上腔的压油流失而使夹紧压力下降。(6)该液压系统采用变排量(压力补偿型)式泵当动力源,可节省能源。此系统亦可用定量式泵当动力源,但在慢速钻削阶段,轴向力大,且大部分压油经溢流阀流回油箱,能量损失大,易造成油温上升。此系统可采用复合泵以达到节约能源、防止油温上升的目的,但设备较复杂,且费用较高。6.4 塑料注射成型机液压系统塑料注射成型机液压系统 6.4.1 概述塑料注射成型机简称注塑机。它将颗粒状的塑料加热熔化到流动状,用注射装置快速、高压注入模腔,保压一定时间,冷却后成型为塑料制品。注塑机的

14、工作循环为合模注射保压预塑开模顶出制品顶出缸后退合模冷却定型以上动作分别由合模缸、预塑液压马达、注射缸和顶出缸完成,另外注射座通过液压缸可前后移动。注塑机液压系统要求有足够的合模力,可调节的合模、开模速度,可调节的注射压力和注射速度,可调节的保压压力,系统还应设有安全联锁装置。6.4.2 SZ-250A型注塑机液压系统工作原理 SZ-250A型注塑机属中小型注塑机,每次最大注射容量为250 cm3。图6-6为其液压系统图。图6-6 SZ-250A型注塑机液压系统图 161819179Y19Y0208Y212Y2131Y223Y13Y056安全门关4Y87105Y15Y097Y17Y0156Y1

15、6Y01114注射缸注射座移动缸13预塑液压马达12料斗顶出缸定模板动模板合模缸p喷嘴料筒螺杆4各执行元件的动作循环主要依靠行程开关切换电磁换向阀来实现,各液压缸及电磁铁通、断电动作顺序如图6-7所示。图6-7 注塑机液压系统电气控制顺序动作分析图(a)动作顺序图;(b)开关信号图;(c)开关动作图;(d)电磁阀线圈通、断电图123456789 1011 12131415合模缸注射座缸注射缸t1t2断电a0a1a2a3pt2b0b1c0c1c2c3t2d0d1保压预塑(马达)防流涎顶出缸通电(d)(c)(b)(a)1000000110000100100000110000100010000110

16、00010000100011000010000010011000010000100010100010000100010010010000100010010110ONa1a2 a3 pc1c2t1c3 c0t2 a2a1a0d1d05Y13Y12Y1Y9Y17Y18Y1Y6Y09Y07Y01Y6Y13Y0 1Y4Y1Y9Y13Y18Y6Y01Y7Y19Y01Y7Y06Y11Y 3Y04Y2Y101000010000001100000011000010000010101000010000000011000010010000011000010100000011000010100000011000010100000011000010图6-7中,a0、a1、a2、a3为合模缸的行程开关;b0、b1为注射座的行程开关;c0、c1、c2为注射缸的行程开关;d0、d1为顶出缸的行程开关;t1为控制慢速注射的时间;t2为控制合模保压的时间;p为压力开关,合模缸到达高压值时该压力开关动作。1.关安全门为保证操作安全,注塑机都装有安全门。关安全门,行程阀6恢复常位,合模缸才能动作,系统开始整个动作循环。2.

展开阅读全文
相关资源
猜你喜欢
相关搜索

当前位置:首页 > 高等教育 > 大学课件

copyright@ 2008-2023 1wenmi网站版权所有

经营许可证编号:宁ICP备2022001189号-1

本站为文档C2C交易模式,即用户上传的文档直接被用户下载,本站只是中间服务平台,本站所有文档下载所得的收益归上传人(含作者)所有。第壹文秘仅提供信息存储空间,仅对用户上传内容的表现方式做保护处理,对上载内容本身不做任何修改或编辑。若文档所含内容侵犯了您的版权或隐私,请立即通知第壹文秘网,我们立即给予删除!