物料提升机(龙门架、井字架)检查评分记录表(专项检查).docx

上传人:p** 文档编号:574814 上传时间:2023-11-08 格式:DOCX 页数:2 大小:18.82KB
下载 相关 举报
物料提升机(龙门架、井字架)检查评分记录表(专项检查).docx_第1页
第1页 / 共2页
物料提升机(龙门架、井字架)检查评分记录表(专项检查).docx_第2页
第2页 / 共2页
亲,该文档总共2页,全部预览完了,如果喜欢就下载吧!
资源描述

《物料提升机(龙门架、井字架)检查评分记录表(专项检查).docx》由会员分享,可在线阅读,更多相关《物料提升机(龙门架、井字架)检查评分记录表(专项检查).docx(2页珍藏版)》请在第壹文秘上搜索。

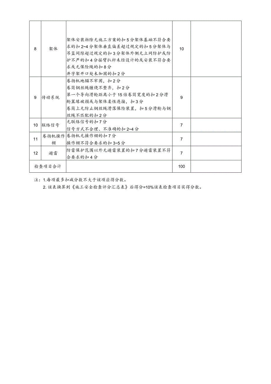
1、管理表格物料提升机(龙门架、井字架)检查评分记录表(专项检查)表格编号序号检查项目扣分标准应得分数检查情况记录1架体制作无设计计算书或未经上级审批的扣9分架体制作不符合设计要求和规范要求的扣79分使用厂家生产的产品,无建筑安全生产监督管理部门准用证的扣9分92限位保险装置吊篮无停靠装置的扣9分;停靠装置未形成定型化的扣5分无超高限位装置的扣9分使用磨擦式卷扬机超高限位采用断电方式的扣9分高架提升机无下极限限位器、缓冲器或无超载限制器的每一项扣3分93架体稳定缆风绳架高20In以下时设1组,2030m设二组,少一组扣9分;缆风绳不使用钢丝绳的扣9分;地锚不符合要求的扣47分钢丝绳直径小于9.3m

2、m或角度不符合4560的扣4分9与建筑结构连接连墙杆的位置不符合规范要求的扣5分连墙杆连接不牢的扣5分;连墙杆与脚手架连接的扣9分连墙杆材质或连接做法不符合要求的扣5分4钢丝绳钢丝绳磨损已超过报废标准的扣8分钢丝绳锈饨缺油扣24分;绳卡不符合规定的扣2分钢丝绳无过路保护的扣2分;钢丝绳拖地,扣2分85楼层卸料平台防护卸料平台两侧无防护栏杆或防护不严的扣24分平台脚手板铺设不严、不牢的扣24分平台无防护门或不起作用的每一处扣2分防护门未形成定型化、工具化的扣4分地面进料口无防护棚或不符合要求的扣24分86吊篮吊篮无安全门的扣8分安全门未形成定型化、工具化的扣4分高架提升机不使用吊笼的扣4分违章乘

3、座吊篮上下的扣8分吊篮提升使用单根钢丝绳的扣8分87安装验收无验收手续和责任人签字的扣9分验收单无量化验收内容的扣5分98架体架体安装拆除无施工方案的扣5分架体基础不符合要求的扣24分架体垂直偏差超过规定的扣5分架体与吊篮间隙超过规定的扣3分架体外侧无立网防护或防护不严的扣4分摇臂扒杆未经设计的或安装不符合要求或无保险绳的扣8分井字架开口处未加固的扣2分109传动系统卷扬机地锚不牢固,扣2分卷筒钢丝绳缠绕不整齐,扣2分第一个导向滑轮距离小于15倍卷筒宽度的扣2分滑轮翼缘破损或与架体柔性连接,扣3分卷简上无防止钢丝绳滑落保险装置,扣5分滑轮与钢丝绳不匹配的扣2分910联络信号无联络信号的扣7分信号方式不合理、不准确的扣24分711卷扬机操作棚卷扬机无操作棚的扣7分操作棚不符合要求的扣35分712避雷防雷保护范围以外无避雷装置的扣7分避雷装置不符合要求的扣4分7检查项目合计100注:1.每项最多扣减分数不大于该项应得分数。2.该表换算到施工安全检查评分汇总表后得分=10%该表检查项目实得分数。

展开阅读全文
相关资源
猜你喜欢
相关搜索

当前位置:首页 > 建筑/环境 > 安全文明施工

copyright@ 2008-2023 1wenmi网站版权所有

经营许可证编号:宁ICP备2022001189号-1

本站为文档C2C交易模式,即用户上传的文档直接被用户下载,本站只是中间服务平台,本站所有文档下载所得的收益归上传人(含作者)所有。第壹文秘仅提供信息存储空间,仅对用户上传内容的表现方式做保护处理,对上载内容本身不做任何修改或编辑。若文档所含内容侵犯了您的版权或隐私,请立即通知第壹文秘网,我们立即给予删除!