GZ072 飞机维修赛项正式赛卷B2’故障位置答案-2023年全国职业院校技能大赛赛项正式赛卷.docx

上传人:p** 文档编号:580985 上传时间:2023-11-19 格式:DOCX 页数:3 大小:153.80KB
下载 相关 举报
GZ072 飞机维修赛项正式赛卷B2’故障位置答案-2023年全国职业院校技能大赛赛项正式赛卷.docx_第1页
第1页 / 共3页
GZ072 飞机维修赛项正式赛卷B2’故障位置答案-2023年全国职业院校技能大赛赛项正式赛卷.docx_第2页
第2页 / 共3页
GZ072 飞机维修赛项正式赛卷B2’故障位置答案-2023年全国职业院校技能大赛赛项正式赛卷.docx_第3页
第3页 / 共3页
亲,该文档总共3页,全部预览完了,如果喜欢就下载吧!
资源描述

《GZ072 飞机维修赛项正式赛卷B2’故障位置答案-2023年全国职业院校技能大赛赛项正式赛卷.docx》由会员分享,可在线阅读,更多相关《GZ072 飞机维修赛项正式赛卷B2’故障位置答案-2023年全国职业院校技能大赛赛项正式赛卷.docx(3页珍藏版)》请在第壹文秘上搜索。

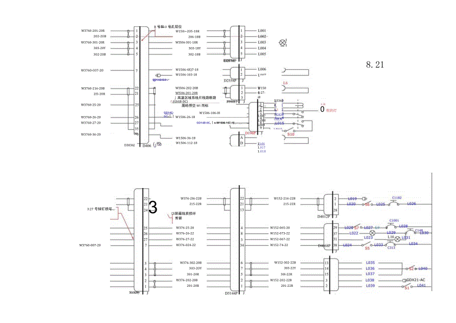
1、W3760-201-20R2O2-2OBW3760-301-20R303-20Y3O22OBW376O-O37-2OW3760-216-20B2I5-20RW3760-25-20W3760-26-20W3760-27-20W3760-36-20WI506301-18R30D3036JWI506-202-20BWl506201-20RW1506-4X)7-18W1506-103-18W1506-36-18W1506-112-18(3,teR号和3号孔铝位W150-2O5-18RGD14D-DCGD14C-DC206-18B3O3-18Y302-18BD2876PW1506-106-I81Iol6

2、1.0171.O18D3360P1.51.OlOLOllLM2高温区域系线片线路断路(GbliB-DC)晟皓愣空Wl而标D546I,W1506-26-18GD14B-0C,n-W1506-107-18W1506-27-i8-5h=三-1.0071.008L0093:27号销钉损坏W3760-007-203W376-25-20W376-26-22W376-27-22W376-024-22W376-202-20B5132P屏蔽线质损坏剪薪W376-302-20B3O3-2OYW376-2I6-22B215-22RW152-065-20W152-073-22W152-067-22W152-74-22

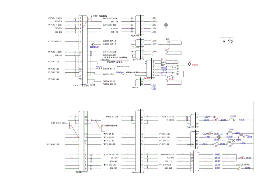
3、301-20RW152-202-22B201-20RW152-302-22B303-22YW152-216-22B215-22R8.210假的灯30I-22R201-22RW3760-201-20R2O2-2OBW3760-301-20R303-20Y3O22OBW376O-O37-2OW3760-216-20B2I5-20RW3760-25-20W3760-26-20W3760-27-20W3760-36-20WI506301-18RGD14D-DC30D3036JWI506-202-20BWl506201-20RW1506-36-18W1506-112-18(3,teW1506-007-1

4、8W1506-103-18口号和4号孔铝位W150-2O5-18RGD14C-DC3:26号销钉损坏W3760-007-20206-18B3O3-18Y302-18BD2876PD546I,W1506-106-I81Iol61.0171.O18D3360P高温区域系线片线路断路(GbliB-DC)晟皓愣空Wl而标W1506-26-18GD14B-0C,n-W1506-107-18W1506-27-i8-5h=三-扉蔽线境损保W376-25-20W376-26-22W376-27-22W376-024-22W376-202-20B5132PW376-302-20B3O3-2OYW376-2I6-

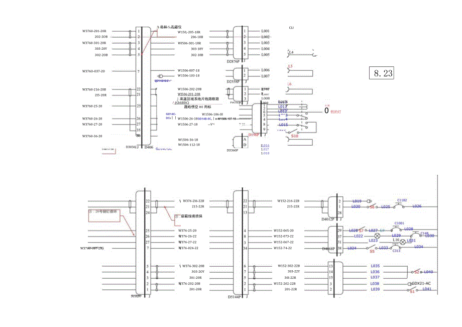
5、22B215-22R1.5位1.OO8L0091.OlOLOllLM20假的灯8.22W152-065-20W152-073-22W152-067-22W152-74-22301-20RW152-202-22B201-20RW152-302-22B303-22YW152-216-22B215-22R30I-22R201-22RW3760-201-20R2O2-2OBW3760-301-20RWI506-301-18R303-20Y3O2-2OBW376O-O37-2OW3760-25-20GD14C-DCW3760-26-20W3760-27-2030W3760-36-20D3036J扉蔽线境

6、损保W376-25-20W376-26-22W376-27-22W376-024-22W3760-007-20W376-202-20B5132PW1506-202-20BWl506201-20RW1506-36-18W1506-112-18W3760-216-20B2I5-20RW376-302-20B3O3-2OYW1506-007-18W1506-103-18W376-2I6-22B215-22RW1506-26-18GD14B-0C,n-W1506-107-18W1506-27-18V=1I号和5孔错位W150,-205-18RGD14D-DC206-18B303-18Y302-18BD2876P1.OlOW1506-106-I8IL0161.0171.O18D3360PCLI高温区域系线片线路断路(GbliBDC)晟皓愣空Wl而标D54GP1.OO8L0090假的灯8.23W152-065-20W152-073-22W152-067-22W152-74-22301-20RW152-202-22B201-20RW152-302-22B303-22YW152-216-22B215-22R30I-22R201-22R

展开阅读全文
相关资源
猜你喜欢
相关搜索

当前位置:首页 > 办公文档 > 规章制度

copyright@ 2008-2023 1wenmi网站版权所有

经营许可证编号:宁ICP备2022001189号-1

本站为文档C2C交易模式,即用户上传的文档直接被用户下载,本站只是中间服务平台,本站所有文档下载所得的收益归上传人(含作者)所有。第壹文秘仅提供信息存储空间,仅对用户上传内容的表现方式做保护处理,对上载内容本身不做任何修改或编辑。若文档所含内容侵犯了您的版权或隐私,请立即通知第壹文秘网,我们立即给予删除!