ZZ-2022009 零部件测绘与 CAD 成图技术正式赛题与评分标准完整版包括附件-2022年全国职业院校技能大赛赛项正式赛卷.docx

上传人:p** 文档编号:590860 上传时间:2023-11-24 格式:DOCX 页数:51 大小:644.55KB
下载 相关 举报
ZZ-2022009 零部件测绘与 CAD 成图技术正式赛题与评分标准完整版包括附件-2022年全国职业院校技能大赛赛项正式赛卷.docx_第1页
第1页 / 共51页
ZZ-2022009 零部件测绘与 CAD 成图技术正式赛题与评分标准完整版包括附件-2022年全国职业院校技能大赛赛项正式赛卷.docx_第2页
第2页 / 共51页
ZZ-2022009 零部件测绘与 CAD 成图技术正式赛题与评分标准完整版包括附件-2022年全国职业院校技能大赛赛项正式赛卷.docx_第3页
第3页 / 共51页
ZZ-2022009 零部件测绘与 CAD 成图技术正式赛题与评分标准完整版包括附件-2022年全国职业院校技能大赛赛项正式赛卷.docx_第4页
第4页 / 共51页
ZZ-2022009 零部件测绘与 CAD 成图技术正式赛题与评分标准完整版包括附件-2022年全国职业院校技能大赛赛项正式赛卷.docx_第5页
第5页 / 共51页
ZZ-2022009 零部件测绘与 CAD 成图技术正式赛题与评分标准完整版包括附件-2022年全国职业院校技能大赛赛项正式赛卷.docx_第6页
第6页 / 共51页
ZZ-2022009 零部件测绘与 CAD 成图技术正式赛题与评分标准完整版包括附件-2022年全国职业院校技能大赛赛项正式赛卷.docx_第7页
第7页 / 共51页
ZZ-2022009 零部件测绘与 CAD 成图技术正式赛题与评分标准完整版包括附件-2022年全国职业院校技能大赛赛项正式赛卷.docx_第8页
第8页 / 共51页
ZZ-2022009 零部件测绘与 CAD 成图技术正式赛题与评分标准完整版包括附件-2022年全国职业院校技能大赛赛项正式赛卷.docx_第9页
第9页 / 共51页
ZZ-2022009 零部件测绘与 CAD 成图技术正式赛题与评分标准完整版包括附件-2022年全国职业院校技能大赛赛项正式赛卷.docx_第10页
第10页 / 共51页
亲,该文档总共51页,到这儿已超出免费预览范围,如果喜欢就下载吧!
资源描述

《ZZ-2022009 零部件测绘与 CAD 成图技术正式赛题与评分标准完整版包括附件-2022年全国职业院校技能大赛赛项正式赛卷.docx》由会员分享,可在线阅读,更多相关《ZZ-2022009 零部件测绘与 CAD 成图技术正式赛题与评分标准完整版包括附件-2022年全国职业院校技能大赛赛项正式赛卷.docx(51页珍藏版)》请在第壹文秘上搜索。

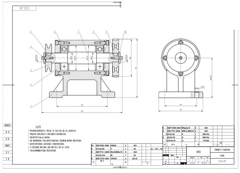
1、10GB/T892-1986HIB2823019COJG-05tt145m二3Z二328GB/T70.1-2008WuHttM6x1683041CDJG-OAW1456GB/T276-1994M63052GCrS的B号-UtI5GBT1096-2003M551023044GB/T701-2008WM姗jM5xl223043(DJG-(Btt16061AL2(DJG-O2O26061AL1CDJG-OI就1HT200居8号tIHCil;:tIE3MiHMi1IlE三yLO勺O)中望CAD电白版设计林我三MUU瞬2MW125,;3.Wm6B6414-1999CT6;4我麒岬2-R3;5.XVtet

2、tilGBT1804-2000ml;6iM4tt6BT1184-%Hfc14W1.中 3 CADv口版设计EO-DfOD枝榭1.三三GBT1804-20002.三fi三GBT1184-96H3.三1x45oo中电CADW育版设计期ID3殴Z32蹦20三s7FH45O三CAD蠲赫赫酬敏独蝴雁H瞧SH撤ifH1:1CDJG-05HUB加8小关i?5JChinaSkiIIs2022年全国职业院校技能大赛NationalVocationalStudentsSkillsCOmPetibOn赛项编号ZZ-2022009赛项名称:零部件测绘与CAD成图技术赛项组别:中职组竞赛模块:M2机械工程图审核与优化M

3、4-机械产品三维模型设计竞赛任务书(共6页)竞赛时间:120分钟竞赛准备:请你在计算机桌面上建立1个文件夹,以赛前抽取的“考试号”命名(如抽取考试号为09、则文件夹命名“09”).并在以考试号命名文件夹内建立子文件夹“M2”-M4二请分别将M2、M4模块的竞赛作品按任务书要求存入指定子文件夹中.作为评分的唯一依据,最后将“考试号”文件夹压缩打包上传。竞赛资源:本项任务包括以下文件:1.竞赛任务书;2需提供电子文件位于在线发布的文件夹M2-TG、M4-TG中。M2-机械工程图审核与优化M2模块竞赛工作流程参见下图.M2竞赛任务.机械工程图审核与优化(共20分)情境描述:请你以审图员的角色,完成以

4、下2项子任务:子任务1使用赛场提供的二维CAD软件.调用M2-TG文件夹中的泵体工程图DWG文件,依据国家机械制图标准,遵循完整、正确、清晰、合理。原则,找出零件图中错误点(尺寸标注、公差标注、几何公差标注、视图表达及技术要求等)并进行正确修改,工程图共计10处错误,改正之处请用红色的圆圈标识(新建图层名为“改错”.图线颜色为红色.线宽为1,圆圈至于该图层中),并将改正且标识的零件工程图以DWG、PDF(黑白色)两种文件格式保存到文件夹M2的子文件夹内,文件均命名为“零件图审核与优化1子任务2使用赛场提供的二维CAD软件.调用M2TG文件夹中的安全阀装配图DWG文件,打开安全阀工作说明书,读懂

5、其工作原理,找出装配图中存在错误点(标准件表达、视图表达、配合精度设计、运动功能设计及结构设计等).请修改或优化装配工程图5处,改进之处请用红色圆圈标识(圆圈要求同子任务1)。将修改或优化后带标识的装配图以DWG、PDF(黑白色)两种文件格式保存到文件夹M2的子文件夹内,文件均命名为4装配图审核与优化M2模块提交作品:1.泵体修改后的工程图DWG、PDF文件各1份,2.安全阀优化后装配工程图DWG、PDF文件各1份“M4-机械产品三维模型设计M4模块的竞衣工作流程参见下图M4竞赛任务一:构建零件和产品三维模型情境描述:请你以机械产品三维模型设计师的角色,完成以下子任务:子任务1构建零件三维模型

6、(18分)调用M4-TG内的机械产品电子图册,读懂各零件图.使用三维CAD软件.依据三维模型通用规则国家标准构建各零件的三维模型,分别以各零件图图纸的名称命名并存放于M4子文件夹内,若尺寸缺少可以根据各电子图册自行完善。子任务2:构建产品三维装配模型(6分)自行创建或从三维CAD软件的零件库内调用相关标准件.结合绘制的零件三维模型,构建机械产品三维装配模型,使用多对象格式文件保存,以“机械产品装配命名.存放于“M4”子文件夹内。M4竞赛任务二:设计产品宣传文件情境描述:请你以机械产品三维模型设计师的角色,完成以下子任务:子任务1:设计产品爆炸图。(3分)按照以下要求生成产品爆炸图。1 .按照真

7、实拆装的先后顺序排列;2 .每个零件被其他零件遮挡的范围不能其超过一半;3 .选取合适的图框并填写产品名称“运动机构爆炸图”,需包含序号和明细表;4 .零件上色,输出为jpg格式的彩色图片,分辨率不低于1024x768;5 .提交作品(图片)以“爆炸图”命名.保存到“M4”子文件夹内。子任务2:设计产品仿真动画。(3分)根据产品的工作原理,结合以下要求生成仿真动画C1 ,时长不少于10秒、不超过15秒;动画分辨率不低于1024x768像素;视频格式为AVl,2 .视频使用压缩进行录制,质量为75;3 .旋转一圈展示产品外形,之后选择合适的角度来展示运动原理;4 .整个运动过程中将合适的零件设为

8、半透明,能够看清楚内部运动过程;5 .运动动作需包含正转和反转;6 .视频以“仿真动画”命名保存到“M4”子文件夹内。子任务3:设计产品渲染图。(1.5分)按照以下要求生成产品渲染图.1 ,输出分辨率不低于1024x768的jpg文件;2 .选择合适角度展示模型外部特征,3 .能够区分不同材质;4 .图片以“渲染图”命名保存到-M4。子文件夹内。M4竞赛任务三创新设计(3.5分)已知问题:该传动机构在工作时会有温度变化(变化量不大),工作一段时间后,存在工作异响、轴承卡死、动力损耗增加的情况。创新设计要求:请你对运动机构进行合理优化.以消除已知问题。提示:可以采用优化“底座”零件结构、增加零件

9、等方式进行创新设计,或其他能达到优化要求的方式均可。文件保存:在M4”子文件夹内新建“创新设计”子文件夹,所有优化后的文件均存放于此.三维文件格式均为Z3、1 .零件三维模型:仅保存优化后的零件三维模型,以原本零件名字+优化命名,如有新增零件则自行命名。2 .产品三维装配:创建优化后的完整三维装配模型,使用多对象格式文件保存,以“机械产品装配+优化”命名。M4模块提交作品:1 .指定零件的z3格式三维模型;2 .机械产品的*z3格式装配多对象文件;3 .爆炸图”的*jpg格式图片;4 .“仿真动画的*avi格式文件;5 .“渲染图的*Jpg格式文件;6创新设计的z3格式零件三维模型以及产品装配

10、模型,.ChiaSkMs2022年全国职业院校技能大赛NallonalVocationalStudentsSkillsCompvliliun泰项编号ZZ-2021009赛项名称:零部件测绘与CAD成图技术赛项组别:中职组竞赛项目:M2机械工程图审核与优化评分标准M2模块评分标准二、M2模块(共20分)机械工程图审核UO分)评分内容评分细则配分零件工程图审核1、错误共10处,查找出一处并修改正确将分1分2、对无情误的地方修改3处以内不扣分,超过3处时.每,处扣Ol.扣完为止民改r分产品装配图审核1、共5处,查找出一处并修改或优化正输得2分2、对无错误的地方修改3处以内不扣分,超过3处时,每,处扣

11、0.1,扣完为止k改加分具体评价细则、评分方式见裁判评分表*ChinaSIdns2022年全国职业院校技能大赛NationalVocationalStudentsSkillsCompetition赛项编号:ZZ-2021009赛项名称:零部件测绘与CAD成图技术赛项组别:中职组竞赛项目:M2-机械工程图审核与优化评分表(裁判用表)M2模块评分表本模块总得分(本模块满分20分)M2模块-一机械工程图审核与优化(零件工程图)产品名称:泵体工程图(满分10分)(选手加序号参考要求分值改进说明裁判评分O方向正确角度数字要求水平放置潴加符号内蝶坟的正琬标法筒螺双尺寸标注箭头从大径引出标注分布数量几何公差

12、V5衙头对齐R18藏0.25分,对齐后折水平对齐公差方格赋0.25分表面粗照度注写去面相能度从材料外指向材料内引线引出折水平标注/0.5分,未引线材料外指向材料内.数字方向不符合标准.JRO-25b要茨修改后注写在标题栏附近,只在原位置修改注写赋0.25分窥纹画法补国实线圆按国家标准标注对称机件尺寸惊注尺寸标注标准,修正一处依0.5分视图名称增加视图方向说明机械工程图审核与优化(泵体零件图)得分V2模块评分表二、M2模块-机械工程图审核与优化(装配图)爨髓、安全闽装配图(满分叫3序号项目参考要求分值优化与改进说明裁判评分34H7k634H7h6间隙配合.h之前字母也可以鼠分,找出错误.并修改到位得2分油孔与底面相切孔濡在底面、才能调足功箜,找出错误,并修改到位得2分钻孔工艺钻头锥角从小径国出找出错误,并优化得2分剖面线左右两福分的创面线统一为向右45O剖面妓狡一为向左45找出错误.并修改酎位得2分基本视图主俯视图长对正机械ZSS主错视图需对正,找出错误.并修改到位将2分审楂与优化(安全初

展开阅读全文
相关资源
猜你喜欢
相关搜索

当前位置:首页 > 高等教育 > 工学

copyright@ 2008-2023 1wenmi网站版权所有

经营许可证编号:宁ICP备2022001189号-1

本站为文档C2C交易模式,即用户上传的文档直接被用户下载,本站只是中间服务平台,本站所有文档下载所得的收益归上传人(含作者)所有。第壹文秘仅提供信息存储空间,仅对用户上传内容的表现方式做保护处理,对上载内容本身不做任何修改或编辑。若文档所含内容侵犯了您的版权或隐私,请立即通知第壹文秘网,我们立即给予删除!