燃气用具连接用金属包覆不同包覆形式、不同接口形式的软管示意图、标志耐擦性试验.docx

上传人:p** 文档编号:591762 上传时间:2023-11-25 格式:DOCX 页数:5 大小:102.54KB
下载 相关 举报
燃气用具连接用金属包覆不同包覆形式、不同接口形式的软管示意图、标志耐擦性试验.docx_第1页
第1页 / 共5页
燃气用具连接用金属包覆不同包覆形式、不同接口形式的软管示意图、标志耐擦性试验.docx_第2页
第2页 / 共5页
燃气用具连接用金属包覆不同包覆形式、不同接口形式的软管示意图、标志耐擦性试验.docx_第3页
第3页 / 共5页
燃气用具连接用金属包覆不同包覆形式、不同接口形式的软管示意图、标志耐擦性试验.docx_第4页
第4页 / 共5页
燃气用具连接用金属包覆不同包覆形式、不同接口形式的软管示意图、标志耐擦性试验.docx_第5页
第5页 / 共5页
亲,该文档总共5页,全部预览完了,如果喜欢就下载吧!
资源描述

《燃气用具连接用金属包覆不同包覆形式、不同接口形式的软管示意图、标志耐擦性试验.docx》由会员分享,可在线阅读,更多相关《燃气用具连接用金属包覆不同包覆形式、不同接口形式的软管示意图、标志耐擦性试验.docx(5页珍藏版)》请在第壹文秘上搜索。

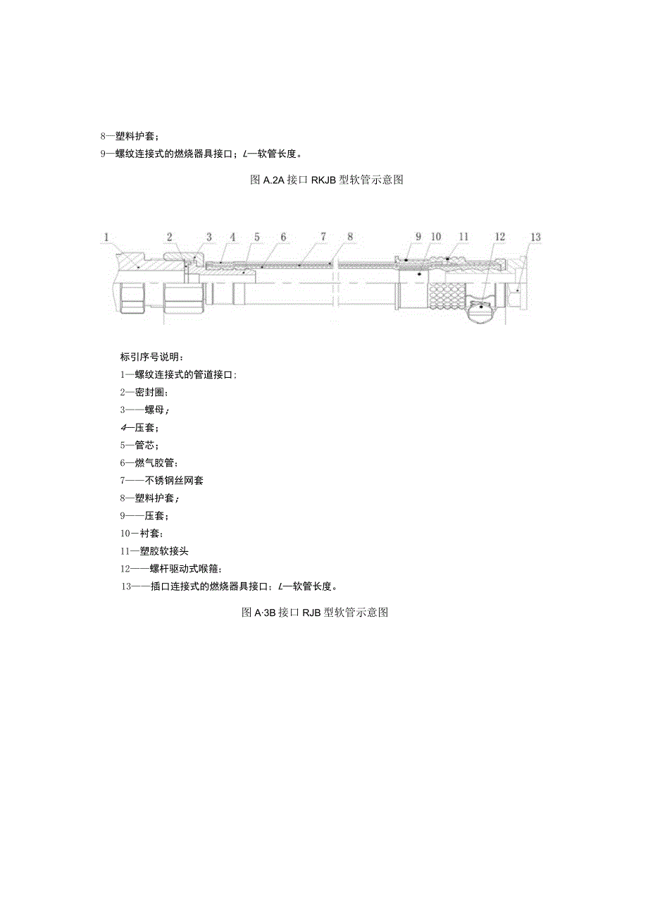
1、附录A(资料性)不同包覆形式、不同接口形式的软管示意图图A.1图A.7给出了不同包覆形式、不同接口形式的软管示意图。标引序号说明:1螺纹连接式的管道接口;2燃气胶管;3不锈钢丝编织网套;4塑料护套;5管芯;6压套;7螺母;8密封圈;9螺纹连接式的燃烧器具接口;L软管长度。图A.1A接口RJB型软管示意图12345678a标引序号说明:1螺纹连接式的管道接口;2密封圈;3螺母;4压套;5管芯;6燃气胶管;7金属铠装护套;8塑料护套;9螺纹连接式的燃烧器具接口;L软管长度。图A.2A接口RKJB型软管示意图标引序号说明:1螺纹连接式的管道接口;2密封圈;3螺母;4压套;5管芯;6燃气胶管;7不锈钢

2、丝网套8塑料护套;9压套;10衬套;11塑胶软接头12螺杆驱动式喉箍;13插口连接式的燃烧器具接口;L软管长度。图A3B接口RJB型软管示意图12345678910111213标引序号说明:1螺纹连接式的管道接口;2密封圈;3螺母;4压套;5管芯;6燃气胶管;7金属铠装护套;8塑料护套;9衬套;IO保护套;U塑胶软接头;12螺杆驱动式喉箍;13插口连接式的燃烧器具接口;L软管长度。图A4 B接口 RKJB型软管标引序号说明:1插口连接式的管道接口;2燃气胶管;3不锈钢丝网套;4塑料护套;5压套;6衬套;7塑胶软接头;8螺杆驱动式喉箍;9插口连接式的燃烧器具接口;L软管长度。图A.5C接口RJB

3、型软管标引序号说明:1插口连接式的管道接口;2螺杆驱动式喉箍3塑胶软接头;4衬套;5保护套;6塑料护套;7金属铠装护套;8燃气胶管。9插口连接式的燃烧器具接口;L一软管长度。图A6C接口RKJB型软管附录B(规范性)标志耐擦性试验按下列要求进行试验:a)在软管耐液体试验完成后进行标志耐擦性试验;b)取具有完整标志内容的软管作为试样,按图B.1所示试验系统安装试样,分别将浸透生活饮用水和纯大豆油的棉布固定在质量为750g的重块下表面,移动重块在支架4内沿水平方向运动,做10次往复摩擦标志动作,每次运动距离不小于20mm。检查标志是否符合表5的相关规定。标引序号说明:1棉布;2重块750g;3试样;4挡板;5支架。图B.1标志耐擦性试验系统示意图

展开阅读全文
相关资源
猜你喜欢
相关搜索

当前位置:首页 > 论文 > 大学论文

copyright@ 2008-2023 1wenmi网站版权所有

经营许可证编号:宁ICP备2022001189号-1

本站为文档C2C交易模式,即用户上传的文档直接被用户下载,本站只是中间服务平台,本站所有文档下载所得的收益归上传人(含作者)所有。第壹文秘仅提供信息存储空间,仅对用户上传内容的表现方式做保护处理,对上载内容本身不做任何修改或编辑。若文档所含内容侵犯了您的版权或隐私,请立即通知第壹文秘网,我们立即给予删除!