房地产公司施工图设计审查纲要.docx

上传人:p** 文档编号:595221 上传时间:2023-11-25 格式:DOCX 页数:4 大小:25.26KB
下载 相关 举报
房地产公司施工图设计审查纲要.docx_第1页
第1页 / 共4页
房地产公司施工图设计审查纲要.docx_第2页
第2页 / 共4页
房地产公司施工图设计审查纲要.docx_第3页
第3页 / 共4页
房地产公司施工图设计审查纲要.docx_第4页
第4页 / 共4页
亲,该文档总共4页,全部预览完了,如果喜欢就下载吧!
资源描述

《房地产公司施工图设计审查纲要.docx》由会员分享,可在线阅读,更多相关《房地产公司施工图设计审查纲要.docx(4页珍藏版)》请在第壹文秘上搜索。

1、房地产公司施工图设计审查纲要提要设计数据1.与施工报建图是否统一?统不统一施工报建图施工图统一不统一总建筑面积(n?)总户数(户)建筑总层数(层)标准层总户数(户)容积率顶层复式(有无)一、单体设计1 .住宅大堂设计是否合理合理欠合理;若不合理主要的问题是1 .大堂净高度m(至装修完成面)2 .口是口否设信报箱。3 .住宅主要出入口上部有否设防坠落措施口有口无4 .大门设计有否考虑门禁设备要求口有口无2.无障碍设计残疾人坡道设计是否合理合理欠合理;若不合理主要的问题是1 .残疾人坡道位置 是口否占用车位 是口否使用方便 是口否位置隐蔽2 .残疾人坡道3 .残疾人坡道设计是否符合规范要求口是口否

2、3.裙房立面设计合理欠合理统一考虑商业灯箱、招牌等的设计口是口否4.地下室设备用房的设置符合不符合;若不符合主要的问题是设备用房门是否采用防火门口采用口不采用5.地下室防水符合要求不符合要求1 .地下室排水坡度度。2 .地下室采用 内防水 外防水 内外防水二、厨房放大平面设计1.操作流线是否合理户型操作流线是否合理烟道位置是否合理是否是否三、卫生间放大平面设计1.卫生间构造设计是否合理合理欠合理;若不合理主要的问题是1 .卫生间坡度度2 .卫生间排水方式:口非同层排水口沉箱同层排水口非沉箱同层排水3 .采用防渗混凝土口是口否2.卫生设备的设置是否合理合理欠合理;若不合理主要的问题是1 .淋浴间

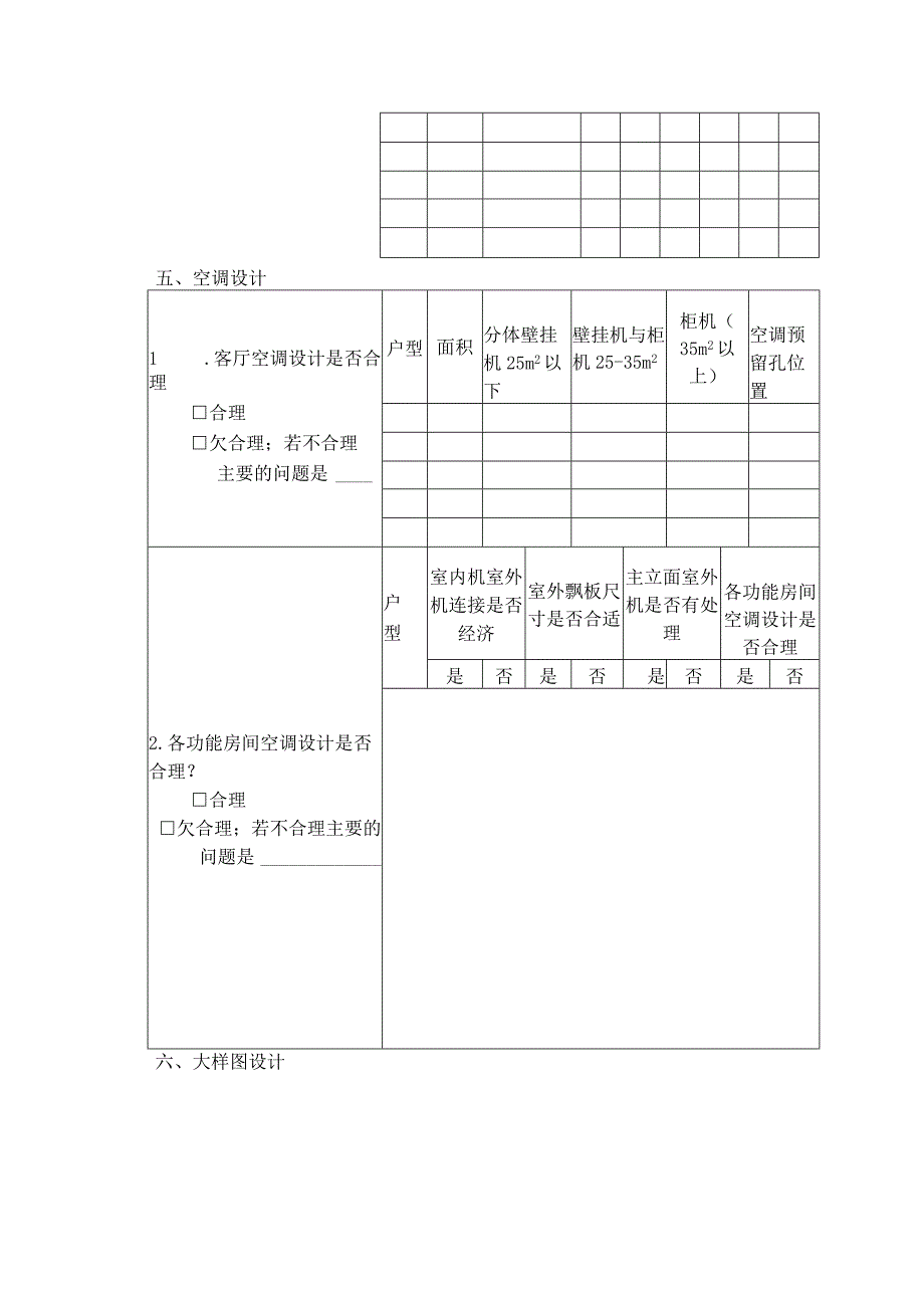
3、宽度mm2 .座厕位宽度mm3 .洗手台宽度mm;深度mm四、主要设备1.热水器设计是否合理合理欠合理;若不合理主要的问题是户型热水器设备选用热水器是否遮挡其他设备供热水路线是否经济热水器设计是否合理平衡式强排平衡式是否是否是否五、空调设计1 .客厅空调设计是否合理合理欠合理;若不合理主要的问题是户型面积分体壁挂机25m2以下壁挂机与柜机25-35m2柜机(35m2以上)空调预留孔位置2.各功能房间空调设计是否合理?合理欠合理;若不合理主要的问题是户型室内机室外机连接是否经济室外飘板尺寸是否合适主立面室外机是否有处理各功能房间空调设计是否合理是否是否是否是否六、大样图设计1.安全防护是否符合要

4、求 符合 不符合 部分不符合1 .标准层住户阳台栏杆高度mo2 .上人女儿墙高度mo3 .飘窗台高度mt4 .公共空间处窗台高度m;防护栏杆高度IBo七、构造1.屋面防水是否合理合理欠合理;若不合理主要的问题是1 .屋面排水坡度2 .汇水面积?/个3 .屋面防水构造大样口齐全口欠齐全2.阳台设计是否合理?合理欠合理;若不合理主要的问题是1 .排水坡度2 .阳台挑出最远处m3 .在大水时能否及时排水能口否,采取设施八、其他1.图纸质量优良及格不及格若不及格的主要问题是1 .图纸是否齐全?齐全不齐全2 .是否每个单位工程一份图纸目录、一套齐全的图纸,一个图号一张图?是否3 .管理部门及各专业审查意见是否齐全? 齐全 不齐全 部份齐全

展开阅读全文
相关资源
猜你喜欢
相关搜索

当前位置:首页 > 建筑/环境 > 房地产

copyright@ 2008-2023 1wenmi网站版权所有

经营许可证编号:宁ICP备2022001189号-1

本站为文档C2C交易模式,即用户上传的文档直接被用户下载,本站只是中间服务平台,本站所有文档下载所得的收益归上传人(含作者)所有。第壹文秘仅提供信息存储空间,仅对用户上传内容的表现方式做保护处理,对上载内容本身不做任何修改或编辑。若文档所含内容侵犯了您的版权或隐私,请立即通知第壹文秘网,我们立即给予删除!