水稻机械化育秧技术规范.docx

上传人:p** 文档编号:595722 上传时间:2023-11-25 格式:DOCX 页数:4 大小:51.97KB
下载 相关 举报
水稻机械化育秧技术规范.docx_第1页
第1页 / 共4页
水稻机械化育秧技术规范.docx_第2页
第2页 / 共4页
水稻机械化育秧技术规范.docx_第3页
第3页 / 共4页
水稻机械化育秧技术规范.docx_第4页
第4页 / 共4页
亲,该文档总共4页,全部预览完了,如果喜欢就下载吧!
资源描述

《水稻机械化育秧技术规范.docx》由会员分享,可在线阅读,更多相关《水稻机械化育秧技术规范.docx(4页珍藏版)》请在第壹文秘上搜索。

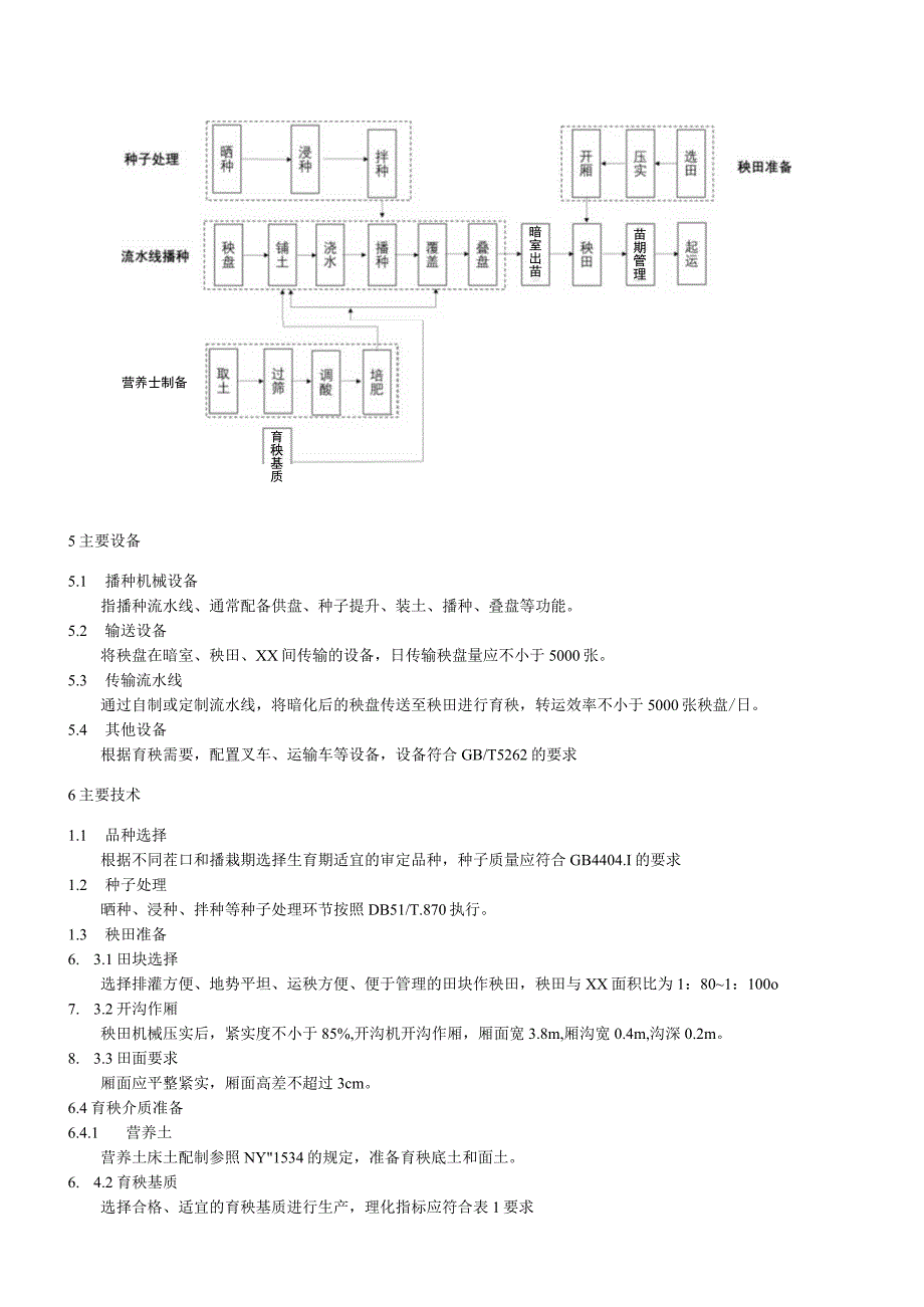
1、水稻机械化育秧技术规程1范围本文件规定了水稻机械化育秧的术语和定义,品种要求、育秧工艺流程及育秧技术等基本要求。本标准适用于XX水稻规模化集中育秧。2规范性引用文件下列文件中的内容通过文中的规范性引用而构成本文件必不可少的条款。其中,注日期的引用文件,仅该日期对应的版本适用于木文件;不注日期的引用文件,其最新版本(包括所有的修改单)适用于木文件。GB4404.1粮食作物种子第一部分:禾谷类NY1232植保机械运行安全技术条件NY/T1534水稻工厂化育秧技术要求NY/T3245水稻叠盘出苗育秧技术规程DB51/T.870水稻机械插秧配套栽培技术规程3术语和定义下列术语和定义适用本文件。3.1

2、水稻机械化育秧技术.Mechanizedseedlingraisingtechnology水稻机械化育秧技术是指使用机械化设备按照规范育秧工艺流程进行育秧的技术。3.2 机械化育秧流水线.Mechanizedseedlingraisingline水稻硬盘育秧播种环节的一套自动化机械设备,通过机械化流水作业,一次性完成秧盘输送、铺底土、浇水、播种、盖面土等工序3.3 育秧基质seedlingsmatrix以腐熟的作物桔秆、蛭石、泥土、有机质及其他添加剂按一定比例配置的育秧介质。4工艺流程苗期管理暗室出苗营养士制备育秧基质5主要设备5.1 播种机械设备指播种流水线、通常配备供盘、种子提升、装土、播

3、种、叠盘等功能。5.2 输送设备将秧盘在暗室、秧田、XX间传输的设备,日传输秧盘量应不小于5000张。5.3 传输流水线通过自制或定制流水线,将暗化后的秧盘传送至秧田进行育秧,转运效率不小于5000张秧盘/日。5.4 其他设备根据育秧需要,配置叉车、运输车等设备,设备符合GB/T5262的要求6主要技术1.1 品种选择根据不同茬口和播栽期选择生育期适宜的审定品种,种子质量应符合GB4404.I的要求1.2 种子处理晒种、浸种、拌种等种子处理环节按照DB51/T.870执行。1.3 秧田准备6. 3.1田块选择选择排灌方便、地势平坦、运秧方便、便于管理的田块作秧田,秧田与XX面积比为1:801:

4、100o7. 3.2开沟作厢秧田机械压实后,紧实度不小于85%,开沟机开沟作厢,厢面宽3.8m,厢沟宽0.4m,沟深0.2m。8. 3.3田面要求厢面应平整紧实,厢面高差不超过3cm。6.4育秧介质准备6.4.1 营养土营养土床土配制参照NY1534的规定,准备育秧底土和面土。6. 4.2育秧基质选择合格、适宜的育秧基质进行生产,理化指标应符合表1要求表1基质理化指标项目指标粒径(cm)0.10.7容重(gcm3)0.280.34总孔隙度()65-73大/小孔隙比1/3-1/4水分(游离水)含量()2545干基总养分()2.03.5干基有机质含量()25-35酸碱度PH6.57.2电导率EC(

5、ms/cm)1.22.26.5 秧盘准备育秧盘符合NY/T1534的要求,选用表面无毛刺、无扭曲、无裂缝的适宜叠盘的硬盘作秧盘,亩移栽田准备2530个秧盘。6.6 播期与秧龄根据前茬作物收获期,安排播种期,保证秧苗适龄移栽,秧龄以25d35d为宜。6.7 播种流程6. 7.1铺底(基质)调节流水线铺土装置,秧盘中基质(土)厚度以1.8cm2.2cm为宜。7. 7.2浇水调节流水线洒水装置,底水以育秧基质(土)吸水饱和、表面无积水,水不流出秧盘底孔为宜。8. 7.3精量播种根据品种类型、播种时期合理确定播种量,杂交粒稻播种量为50g盘80g盘,秧龄短则播量高,秧龄长则相反。9. 7.4盖面土(基

6、质)调节流水线覆土装置,覆土厚度0.5cm,总高度不超过秧盘高度,若未采用育秧基质育秧,应将面土与床土分开堆放使用,避免混淆。6.8 暗化出苗6. 8.1暗室叠盘出苗叠盘、暗室出苗等环节按照NYZT3245执行。7. 8.2简易暗化出苗将2030张秧盘叠放,盖上黑色塑料薄膜遮光保湿,待种芽立针(芽长051.0cm左右)时运送至秧田摆盘。6.9 秧苗管理6. 9.1.1保温及防鸟害、虫害早茬口摆盘后需用无纺布覆盖保温保湿,防止鸟、虫危害,根据苗势及气温变化,适时揭膜炼苗。6.9. 1.2水分管理摆盘后及时淹水,以水不淹秧盘上沿为宜,3叶1心前,晴天平沟水,下雨积水后,及时排干,3叶期后,控制灌水

7、,以床土不发白,中午不卷叶为准,栽前3d断水。6.10. 1.3肥料管理采用育秧基质育秧,苗期不追肥,营养土育秧,2叶1心追施尿素5gm210gm2,两种介质育秧,移栽前2d均应施1次送嫁肥,按5gm210gm2追施尿素做送嫁肥。6.11. 1.4病虫防控秧苗期间病虫害防控按照NY“1534要求执行,重点防治立枯病、青枯病、稻蓟马等。6.12. 械转运6.10.1转运用叉车及运输设备将秧盘从育秧室、秧田最终转运至XX。6.10.2起秧秧盘起秧时,先拉断穿过渗水孔的善良根系,连盘带秧平放,然后小心卷苗脱盘,起秧应减少秧苗折茎,确保秧块不变形、不断裂。6.10.3运秧,采用秧苗托盘及运秧架运秧,起盘后小心卷起盘内秧块,叠放于运秧车上,堆放层数以23层为宜,运至田头卸载平放,确保自然舒展,随即上插秧机准备栽插。

展开阅读全文
相关资源
猜你喜欢
相关搜索

当前位置:首页 > 研究报告 > 农林牧渔

copyright@ 2008-2023 1wenmi网站版权所有

经营许可证编号:宁ICP备2022001189号-1

本站为文档C2C交易模式,即用户上传的文档直接被用户下载,本站只是中间服务平台,本站所有文档下载所得的收益归上传人(含作者)所有。第壹文秘仅提供信息存储空间,仅对用户上传内容的表现方式做保护处理,对上载内容本身不做任何修改或编辑。若文档所含内容侵犯了您的版权或隐私,请立即通知第壹文秘网,我们立即给予删除!