特种作业人员实际操作训练设备设施配备标准(金属非金属(露天)矿山安全检查作业).docx

上传人:p** 文档编号:596038 上传时间:2023-11-25 格式:DOCX 页数:7 大小:21.90KB
下载 相关 举报
特种作业人员实际操作训练设备设施配备标准(金属非金属(露天)矿山安全检查作业).docx_第1页
第1页 / 共7页
特种作业人员实际操作训练设备设施配备标准(金属非金属(露天)矿山安全检查作业).docx_第2页
第2页 / 共7页
特种作业人员实际操作训练设备设施配备标准(金属非金属(露天)矿山安全检查作业).docx_第3页
第3页 / 共7页
特种作业人员实际操作训练设备设施配备标准(金属非金属(露天)矿山安全检查作业).docx_第4页
第4页 / 共7页
特种作业人员实际操作训练设备设施配备标准(金属非金属(露天)矿山安全检查作业).docx_第5页
第5页 / 共7页
特种作业人员实际操作训练设备设施配备标准(金属非金属(露天)矿山安全检查作业).docx_第6页
第6页 / 共7页
特种作业人员实际操作训练设备设施配备标准(金属非金属(露天)矿山安全检查作业).docx_第7页
第7页 / 共7页
亲,该文档总共7页,全部预览完了,如果喜欢就下载吧!
资源描述

《特种作业人员实际操作训练设备设施配备标准(金属非金属(露天)矿山安全检查作业).docx》由会员分享,可在线阅读,更多相关《特种作业人员实际操作训练设备设施配备标准(金属非金属(露天)矿山安全检查作业).docx(7页珍藏版)》请在第壹文秘上搜索。

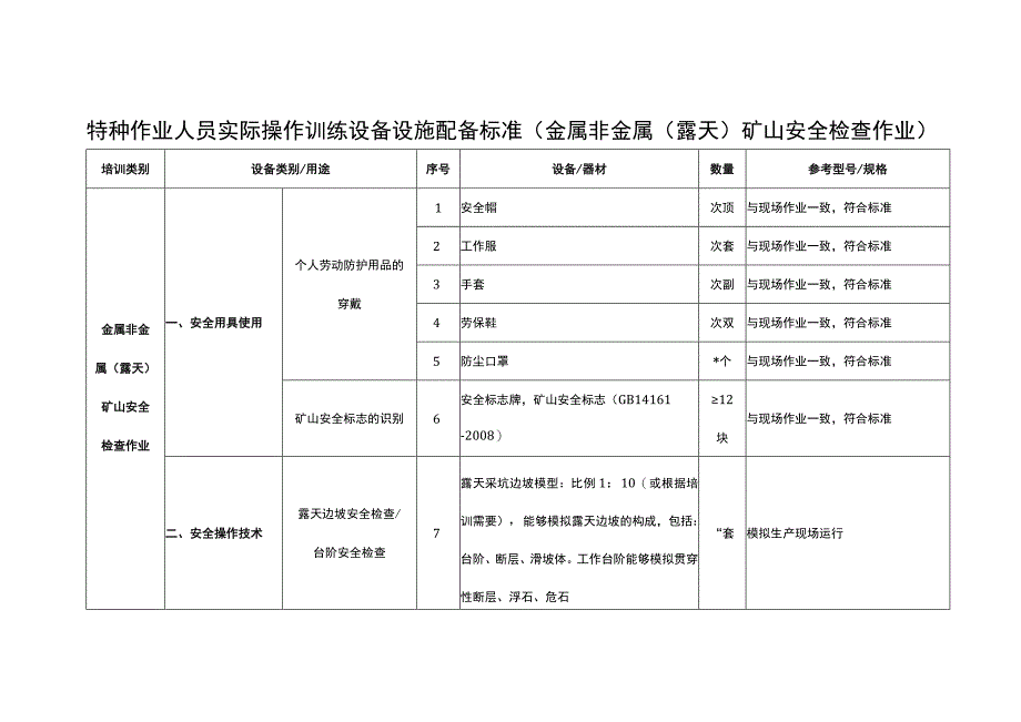
1、特种作业人员实际操作训练设备设施配备标准(金属非金属(露天)矿山安全检查作业)培训类别设备类别/用途序号设备/器材数量参考型号/规格金属非金属(露天)矿山安全检查作业一、安全用具使用个人劳动防护用品的穿戴1安全帽次顶与现场作业一致,符合标准2工作服次套与现场作业一致,符合标准3手套次副与现场作业一致,符合标准4劳保鞋次双与现场作业一致,符合标准5防尘口罩*个与现场作业一致,符合标准矿山安全标志的识别6安全标志牌,矿山安全标志(GB14161-2008)12块与现场作业一致,符合标准二、安全操作技术露天边坡安全检查/台阶安全检查7露天采坑边坡模型:比例1:10(或根据培训需要),能够模拟露天边坡

2、的构成,包括:台阶、断层、滑坡体。工作台阶能够模拟贯穿性断层、浮石、危石“套模拟生产现场运行和伞檐体等危岩体。8露天采坑边坡图纸、图片或视频:能够体现露天矿山边坡的构成,包括:台阶、断层、滑坡体。“套能真实反映生产现场9计算机系统(能够播放视频、图片):播放露天采坑边坡图纸、图片或视频;播放穿孔作业视频资料、图片;播放铲装作业视频资料;播放道路运输视频、图片资料;播放排土作业视频、图片资料。四套符合标推,正常播放穿孔作业安全检查10穿孔作业视频资料、图片:能够体现穿孔作业全过程。2套模拟生产现场运行爆破装药作业安全检a11爆破装药视频资料、图片:能够体现爆破装药全过程。“套模拟生产现场运行铲装

3、作业安全检查12铲装作业视频资料:视频内容包含挖掘机悬臂、铲斗移动作业场景;运矿气车装载量及装载状态以及巨大岩块装载状态场景;铲斗卸矿场景;铲斗从车辆驾驶室上方通过场景;汽车司机站位场里“套模拟生产现场运行道路运输安全检杳13道路运输视频、图片资料:内容包含急弯、陡坡、危险地段警示标志的设置情况;陡坡及高堤路基路段外侧挡车墙设置情况;卸矿地点挡车设施设置情况,专人指挥情况。2套模拟生产现场运行排土场安全检杳14排土作业视频、图片资料:内容体现排土平台、坡面病害,汽车排土作业中的隐患(运行路线、车挡设置及人员才第军情况)。“套模拟生产现场运行尾矿库安全检查15尾矿库模型:模型能形象的说明初期坝、

4、堆积坝、坝高、库容、沉积滩、干滩长度、安全超高、库水位、调洪高度、调洪库容等概念。“套模拟生产现场运行16尾矿坝初期坝、堆积坝模型:初期坝模型包括不透水均质土坝、透水堆石坝等,初期坝模型有马道、排水棱体、反滤层、护坡等设施。堆积坝模型有护坡、坝面排水沟、坝肩截洪沟等设施。祖套模拟生产现场运行17排洪系统模型:排洪系统模型包括进水构筑物和输水构筑物,进水构筑物包括排水井(框架式、窗口式)、排水斜槽、溢洪道;输水构筑物应该包括排水涵管、隧洞、山坡截洪沟等。“套模拟生产现场运行18排渗系统模型:排渗系统模型包括排渗盲沟、辐射井、水平排渗孔等。“套模拟生产现场运行供用电系统安全检查19供用电系统现场视

5、频、图片:内容能体现断电作业现场工况,电气设备安全隔离现场工况和电气设备保护接地工况。“套模拟生产现场运行三、安全隐患排除事故隐患的整改程序20作业现场视频、图片:内容体现作业现场事故隐患整体情况,满足培训需要。“套模拟生产现场运行四、现场应急处置单人徒手心肺复苏操作21实训教室“间22心肺复苏模拟假人江套救护训练用23急救箱卫个医用24一次性纱布次片90cm100cm25酒精“瓶500mlffi26棉签2盒50根/盒27血压计“套医用28绷带二盘20米/盘29止血药次瓶50mlffi30担架2副医用救护备注:L设备型号统一按原设备要求标准比照列举,实施中可参照执行。2、不同操作项目所需的相同设施设备,本表中不重复列举。通用工具材料仅列举一处。

展开阅读全文
相关资源
猜你喜欢
相关搜索

当前位置:首页 > 行业资料 > 矿业工程

copyright@ 2008-2023 1wenmi网站版权所有

经营许可证编号:宁ICP备2022001189号-1

本站为文档C2C交易模式,即用户上传的文档直接被用户下载,本站只是中间服务平台,本站所有文档下载所得的收益归上传人(含作者)所有。第壹文秘仅提供信息存储空间,仅对用户上传内容的表现方式做保护处理,对上载内容本身不做任何修改或编辑。若文档所含内容侵犯了您的版权或隐私,请立即通知第壹文秘网,我们立即给予删除!