自行监测方案.docx

上传人:p** 文档编号:596830 上传时间:2023-11-25 格式:DOCX 页数:31 大小:98.03KB
下载 相关 举报
自行监测方案.docx_第1页
第1页 / 共31页
自行监测方案.docx_第2页
第2页 / 共31页
自行监测方案.docx_第3页
第3页 / 共31页
自行监测方案.docx_第4页
第4页 / 共31页
自行监测方案.docx_第5页
第5页 / 共31页
自行监测方案.docx_第6页
第6页 / 共31页
自行监测方案.docx_第7页
第7页 / 共31页
自行监测方案.docx_第8页
第8页 / 共31页
自行监测方案.docx_第9页
第9页 / 共31页
自行监测方案.docx_第10页
第10页 / 共31页
亲,该文档总共31页,到这儿已超出免费预览范围,如果喜欢就下载吧!
资源描述

《自行监测方案.docx》由会员分享,可在线阅读,更多相关《自行监测方案.docx(31页珍藏版)》请在第壹文秘上搜索。

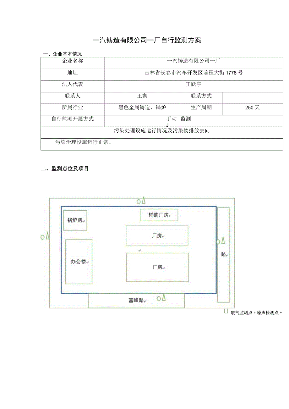
1、自行监测方案企业名称:一汽铸造有限公司一厂2020年6月一汽铸造有限公司一厂自行监测方案一、企业基本情况企业名称一汽铸造有限公司一厂地址吉林省长春市汽车开发区前程大街1778号法人代表王跃亭联系人王朔联系方式所属行业黑色金属铸造、锅炉生产周期250天自行监测开展方式手动J监测污染处理设施运行情况及污染物排放去向污染治理设施运行正常。二、监测点位及项目O废气监测点噪声检测点二、监测方案污染源彳类别非放口编号排放口名称监测内容;(1)亏染物名称监测设E施J三动监测;言否联网三动监则仪器名称自动监测设施安装,自动监测设施是否符合安麦、运行、维2户等管理要求手工监测采样三弓法及个数(2*尹工监测页次(

2、3)手工测定方法(4)其他信息废气FQ-YZ-01二次抛丸除尘系统氧含量,烟气流速,烟气温度,烟气压力,烟道截面积颗粒物手工非连续采样至少3个1次/年固定污染源排气中颗粒物测定与气态污染物采样方法GB/T16157-1996FQ-YZ-02清理工部清理除尘系统氧含量,烟气流速,烟气温度,烟气压力,烟道截面积颗粒物手工非连续采样至少3个1次/年固定污染源排气中颗粒物测定与气态污染物采样方法GB/T16157-1996FQ-YZ-03砂轮机除尘器氧含量,烟气流速,烟气温度,烟气压力,烟道截面积颗粒物手工非连续采样至少3个1次/年固定污染源排气中颗粒物测定与气态污染物采样方法GB/T16157-19

3、96FQ-清理氧含量,烟颗粒物手工非连续采样1次/年固定污染源排气中颗污染源彳类别非放口编号排放口名称监测内容;(1)亏染物名称监测设E施I三动监测;京否联网自动监则仪器名称自动监测设施安装,15三;自动监测设施是否符合安麦、运行、维7户等管理要求手工监测采样三子法及个数(2)多尹工监测页次手工测定方法(4)其他信息YZ-04除尘系统F4气流速,烟气温度,烟气压力,烟道截面积至少3个粒物测定与气态污染物采样方法GB/T16157-1996FQ-YZ-05清理除尘系统F3氧含量,烟气流速,烟气温度,烟气压力,烟道截面积颗粒物手工非连续采样至少3个1次/年固定污染源排气中颗粒物测定与气态污染物采样

4、方法GB/T16157-1996FQ-YZ-06清理除尘系统F1/F2氧含量,烟气流速,烟气温度,烟气压力,烟道截面积颗粒物手工非连续采样至少3个1次/年固定污染源排气中颗粒物测定与气态污染物采样方法GB/T16157-1996FQ-YZ-07吊钩式抛丸机氧含量,烟气流速,烟气温度,烟颗粒物手工非连续采样至少3个1次/年固定污染源排气中颗粒物测定与气态污染物采样方法GB/T污染源彳类别非放口编号排放口名称监测内容;(1)亏染物名称监测设E施I三动监测;京否联网自动监则仪器名称自动监测设施安装,15三;自动监测设施是否符合安麦、运行、维7户等管理要求手工监测采样三子法及个数(2)多尹工监测页次手

5、工测定方法(4)其他信息除尘器(A、B一次)气压力,烟道截面积16157-1996FQ-YZ-08振砂机除尘器(A、B)氧含量,烟气流速,烟气温度,烟气压力,烟道截面积颗粒物手工非连续采样至少3个1次/年固定污染源排气中颗粒物测定与气态污染物采样方法GB/T16157-1996FQ-YZ-09预热炉排放口氧含量,烟气流速,烟气温度,烟气压力,烟道截面积颗粒物手工非连续采样至少3个1次/年固定污染源排气中颗粒物测定与气态污染物采样方法GB/T16157-1996,环境空气总悬浮颗粒物的测定重量法GB/T15432-1995FQ-Y退火氧含量,烟颗粒物手工非连续采样1次/年固定污染源排气中颗污染源

6、1类别非放口编号排放口名称监测内容;(1)亏染物名称监测设E施I三动监测京否联网刍动监则仪器名称自动监测设施安装,15三;自动监测设施是否符合安麦、运行、维7户等管理要求手工监测采样三子法及个数(2)3尹工监测页次手工测定方法(4)其他信息Z-10炉排放口气流速,烟气温度,烟气压力,烟道截面积至少3个粒物测定与气态污染物采样方法GB/T161577996,环境空气总悬浮颗粒物的测定重量法GB/T15432-1995FQ-YZ-11熔化工部A线中频炉除尘系统氧含量,烟气流速,烟气温度,烟气压力,烟道截面积颗粒物手工非连续采样至少3个1次/年固定污染源排气中颗粒物测定与气态污染物采样方法GB/T1

7、6157-1996FQ-YZ-12熔化工部B线中频炉除尘氧含量,烟气流速,烟气温度,烟气压力,烟道截面积颗粒物手工非连续采样至少3个1次/年固定污染源排气中颗粒物测定与气态污染物采样方法GB/T16157-1996污染源彳类别非放口编号排放口名称监测内容;(1)亏染物名称监测设E施I三动监测京否联网刍动监则仪器名称自动监测设施安装,15三;自动监测设施是否符合安麦、运行、维7户等管理要求手工监测采样三子法及个数(2)多尹工监测页次手工测定方法(4)其他信息系统FQ-YZ-13烘包间排放口氧含量,烟气流速,烟气温度,烟气压力,烟道截面积氮氧化物手工非连续采样至少3个1次/年固定污染源废气氮氧化物

8、的测定定电位电解法HJ693-2014,固定污染源废气氮氧化物的测定非分散红外吸收法HJ692-2014,固定污染源排气氮氧化物的测定酸碱滴定法HJ675-2013代替GB/T13906-1992,固定污染源排气中氮氧化物的测定盐酸泰乙二胺分光光度法HJ/T43-1999,固定污染源排气中氮氧化物污染源彳类别非放口编号排放口名称监测内容;(1)亏染物名称监测设E施I三动监测京否联网刍动监则仪器名称自动监测设施安装,15三;自动监测设施是否符合安麦、运行、维7户等管理要求手工监测采样三子法及个数(2)多尹工监测页次手工测定方法(4)其他信息的测定紫外分光光度法HJ/T42-1999二氧化硫手工非

9、连续采样至少3个1次/年固定污染源排气中二氧化硫的测定碘量法HJ/T56-2000,0定污染源废气二氧化硫的测定非分散红外吸收法HJ629-2011,固定污染源排气中二氧化硫的测定定电位电解法HJ/T57-2000,固定污染源排气中二氧化硫的测定定电位电解法HJ57-2017颗粒物手工非连续采样至少3个1次/年固定污染源排气中颗粒物测定与气态污染污染源彳类别非放口编号排放口名称监测内容;(1)亏染物名称监测设E施I三动监测京否联网刍动监则仪器名称自动监测设施安装,15三;自动监测设施是否符合安麦、运行、维7户等管理要求手工监测采样三子法及个数(2)多尹工监测页次手工测定方法(4)其他信息物采样

10、方法GB/T16157-1996FQ-YZ-14造型工部A线浇注冷却除尘系统氧含量,烟气流速,烟气温度,烟气压力,烟道截面积颗粒物手工非连续采样至少3个1次/年固定污染源排气中颗粒物测定与气态污染物采样方法GB/T16157-1996FQ-YZ-15A线落砂除尘器排放口氧含量,烟气流速,烟气温度,烟气压力,烟道截面积颗粒物手工非连续采样至少3个1次/年固定污染源排气中颗粒物测定与气态污染物采样方法GB/T16157-1996FQ-YZ-16B线浇注除尘器氧含量,烟气流速,烟气温度,烟颗粒物手工非连续采样至少3个1次/年固定污染源排气中颗粒物测定与气态污染物采样方法GB/T污染源彳类别非放口编号

11、排放口名称监测内容;(1)亏染物名称监测设E施I三动监测;京否联网自动监则仪器名称自动监测设施安装,15三;自动监测设施是否符合安麦、运行、维7户等管理要求手工监测采样三子法及个数(2)多尹工监测页次手工测定方法(4)其他信息气压力,烟道截面积16157-1996FQ-YZ-17造型工部A线落砂除尘系统氧含量,烟气流速,烟气温度,烟气压力,烟道截面积颗粒物手工非连续采样至少3个1次/年固定污染源排气中颗粒物测定与气态污染物采样方法GB/T16157-1996FQ-YZ-18三乙胺尾气处理1氧含量,烟气流速,烟气温度,烟气压力,烟道截面积三乙胺手工非连续采样至少3个1次/年/待铸造工业大气污染物

12、排放标准发布实施后,从其规定FQ-YZ-19三乙胺尾气处理2氧含量,烟气流速,烟气温度,烟气压力,烟三乙胺手工非连续采样至少3个1次/半年/待铸造工业大气污染物排放标准发布实施后,从其污染源1类别非放口编号排放口名称监测内容;(1)亏染物名称监测设E施I三动监测;京否联网自动监则仪器名称自动监测设施安装,15三;自动监测设施是否符合安麦、运行、维7户等管理要求手工监测采样三子法及个数(2)多尹工监测页次手工测定方法(4)其他信息道截面积规定FQ-YZ-20三乙胺尾气处理3氧含量,烟气流速,烟气温度,烟气压力,烟道截面积三乙胺手工非连续采样至少3个1次/半年/待铸造工业大气污染物排放标准发布实施后,从其规定FQ-YZ-21烘干炉1出氧含量,烟气流速,烟气温度,烟气压力,烟道截面积氮氧化物手工

展开阅读全文
相关资源
猜你喜欢
相关搜索

当前位置:首页 > IT计算机 > 嵌入式开发

copyright@ 2008-2023 1wenmi网站版权所有

经营许可证编号:宁ICP备2022001189号-1

本站为文档C2C交易模式,即用户上传的文档直接被用户下载,本站只是中间服务平台,本站所有文档下载所得的收益归上传人(含作者)所有。第壹文秘仅提供信息存储空间,仅对用户上传内容的表现方式做保护处理,对上载内容本身不做任何修改或编辑。若文档所含内容侵犯了您的版权或隐私,请立即通知第壹文秘网,我们立即给予删除!