公司互联移动式气体检测预警仪使用管理规定.docx

上传人:p** 文档编号:604544 上传时间:2023-12-01 格式:DOCX 页数:2 大小:17.26KB
下载 相关 举报
公司互联移动式气体检测预警仪使用管理规定.docx_第1页
第1页 / 共2页
公司互联移动式气体检测预警仪使用管理规定.docx_第2页
第2页 / 共2页
亲,该文档总共2页,全部预览完了,如果喜欢就下载吧!
资源描述

《公司互联移动式气体检测预警仪使用管理规定.docx》由会员分享,可在线阅读,更多相关《公司互联移动式气体检测预警仪使用管理规定.docx(2页珍藏版)》请在第壹文秘上搜索。

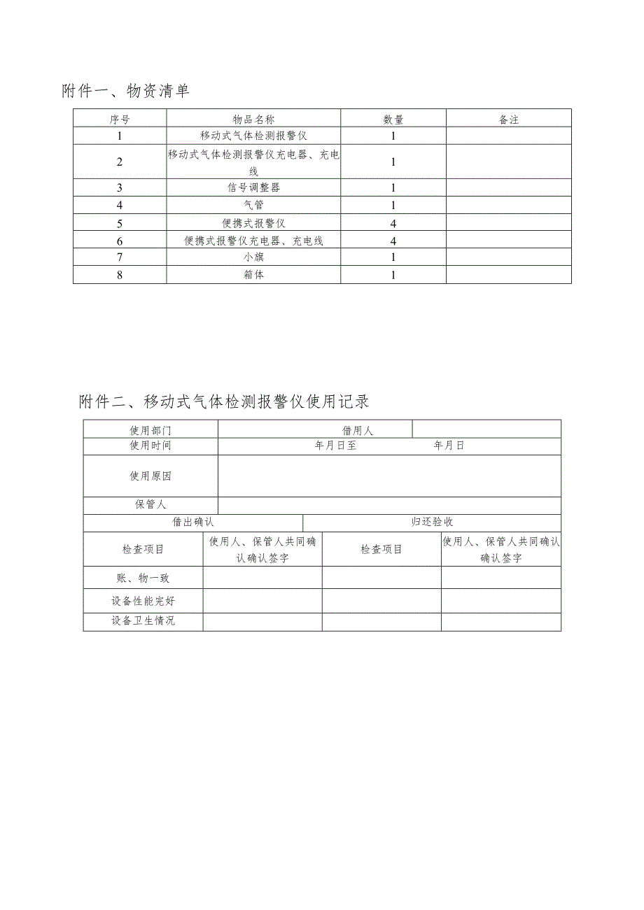
互联移动式气体检测预警仪使用管理规定为了规范互联移动式气体检测预警仪的使用和维护,特此制定以下规定:1 .负责安装、使用和维护此仪器的人员需经过专题培训并由安全员担任。2 .安全环保部需建立互联移动式气体检测预警配备物品台账,确保账物一致。3 .使用预警仪的部门需与安全环保部进行物品确认并签字,填写互联移动式气体检测预警仪使用记录后方可领取使用。4 .使用人员必须清楚仪器的使用方法及注意事项,使用过程中需爱护仪器,轻拿轻放,避免剧烈震动,以防止损坏设备。现场使用前必须确认显示正常后方能使用。5 .避免本产品在含有腐蚀性气体的环境中存放或使用,防潮防震。6 .不得将传感器置于有机溶剂或可燃性液体中。探测器必须安全接地,以防受到射频干扰的影响。7 .严禁擅自拆卸仪器,用完后需关闭电源开关,以节省电池能量。8 .若预警仪遗失、因人为原因造成设备及配件故障或损坏,使用部门或个人需按购买价格进行赔偿。附件一、物资清单序号物品名称数量备注1移动式气体检测报警仪12移动式气体检测报警仪充电器、充电线13信号调整器14气管15便携式报警仪46便携式报警仪充电器、充电线47小旗18箱体1附件二、移动式气体检测报警仪使用记录使用部门借用人使用时间年月日至年月日使用原因保管人借出确认归还验收检查项目使用人、保管人共同确认确认签字检查项目使用人、保管人共同确认确认签字账、物一致设备性能完好设备卫生情况

展开阅读全文
相关资源
猜你喜欢
相关搜索

当前位置:首页 > 办公文档 > 规章制度

copyright@ 2008-2023 1wenmi网站版权所有

经营许可证编号:宁ICP备2022001189号-1

本站为文档C2C交易模式,即用户上传的文档直接被用户下载,本站只是中间服务平台,本站所有文档下载所得的收益归上传人(含作者)所有。第壹文秘仅提供信息存储空间,仅对用户上传内容的表现方式做保护处理,对上载内容本身不做任何修改或编辑。若文档所含内容侵犯了您的版权或隐私,请立即通知第壹文秘网,我们立即给予删除!