创鲁班奖综合措施.docx

上传人:p** 文档编号:604727 上传时间:2023-12-01 格式:DOCX 页数:7 大小:22.44KB
下载 相关 举报
创鲁班奖综合措施.docx_第1页
第1页 / 共7页
创鲁班奖综合措施.docx_第2页
第2页 / 共7页
创鲁班奖综合措施.docx_第3页
第3页 / 共7页
创鲁班奖综合措施.docx_第4页
第4页 / 共7页
创鲁班奖综合措施.docx_第5页
第5页 / 共7页
创鲁班奖综合措施.docx_第6页
第6页 / 共7页
创鲁班奖综合措施.docx_第7页
第7页 / 共7页
亲,该文档总共7页,全部预览完了,如果喜欢就下载吧!
资源描述

《创鲁班奖综合措施.docx》由会员分享,可在线阅读,更多相关《创鲁班奖综合措施.docx(7页珍藏版)》请在第壹文秘上搜索。

1、创鲁班奖综合措施8.4. 1选派具有创奖经验的项目组织机构项目人员选择时,首选曾经参加过鲁班奖工程管理人员,现场管理班子中项目经理、技术负责均为原香格里拉项目人员。其余均参加过潍坊近年来几个大工程的施工,均具有较高的施工技术水平和管理经验。8.4.2成立创奖领导小组本工程作为局级重点工程,我局将从全局选派有创鲁班奖经验的高级管理人员组成创鲁班奖领导小组。由曾代表八局多次参加鲁班奖工程竞选的资深老工程师:教授级高工担任领导小组组长,具体协调,以及相关部门的工作,跟踪创奖的最新动向,作到管理心中有数,工作有的放矢。8.4.3施工人员选择我方将选派曾在鲁班奖工程中合作过的自有联营队伍及专业分包队伍,

2、以保证基层施工力量能最大程度地满足施工高质量要求。1.1.1 4.4建立高效科学的质量管理体系我局将根据工程实际情况,按照过程精品的要求,实行动态管理。将按照IS09002标准的要求,编制过程质量执行程序,主要包括:钢筋、模板、混凝土、电气安装、管道安装、设备安装、防水工程等。确保每一道工序受控。同时编制与质量有关的管理程序,主要包括:材料采购、施工劳务分包、合同签定等,一切均以保证质量目标实现为前提。8.4.5 加强责任目标管理工程开工前,根据从前期准备到竣工验收,直至工程保修的工作内容,进行合理分工,划清责任。把总体目标按阶段、按内容细化分解,实行动态管理,确定各阶段各项工作的短期目标,以

3、实现总体目标。8.4.6 充分利用各种资源本工程作为争创鲁班奖工程,它不仅是我局重点工程,也是潍坊市重点工程。我们将在工程开工前与建设主管部门签定责任状、共建状,充分利用来自主管部门的支持。我方将定期向主管部门汇报工程进展情况,并邀请主管部门对工程进行严格的监督检查,让社会压力变成工作动力。8.4.7 加大工程投入我们将在工程开工之前,制定项目质量管理手册,对重要分部分项、重要部位制定高于规范标准的内部实施标准,严格管理,按照“三不放过”原则,对于不符合标准要求的建筑材料、成品、半成品以及施工中各道工序坚决拒绝,确保过程精品。8.4.8 加强资料整理我们将根据鲁班奖工程对资料的特殊要求,先制定

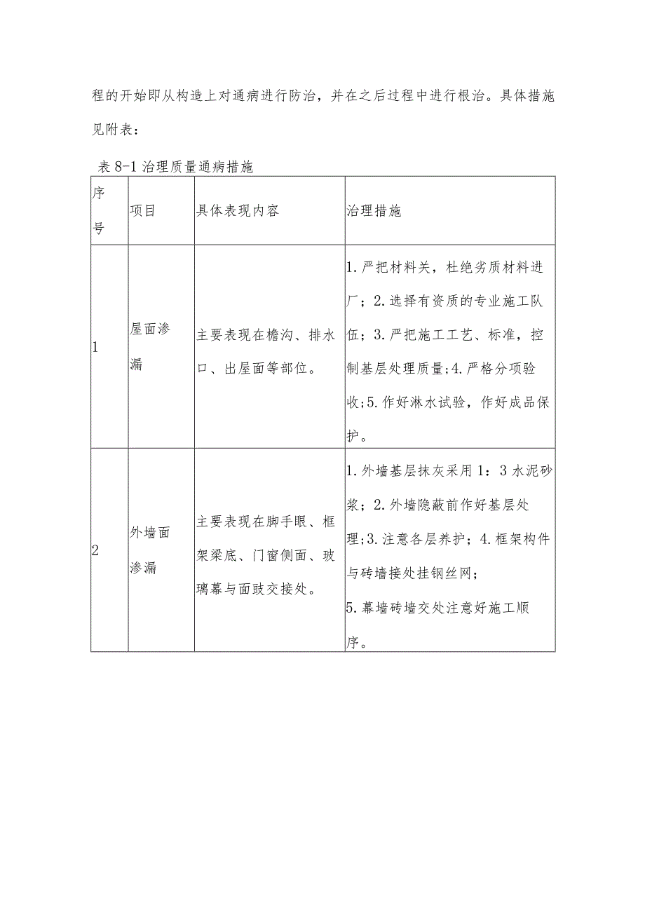
4、总的资料目录,并对于声像资料等特殊项目,由专人跟踪,力求对于工程全过程及重点部位进行及时、准确地录制。并对近年来鲁班奖工程对资料的要求进行归纳整理,使工程资料从开始即准确完整。并及时邀请专家指导,发现问题及时改正。8.4.9 充分利用新材料、新工艺、新技术我们将密切注视建筑技术的发展动向,主动采用新技术、新材料,加大科技投入。并在施工中将成立若干技术创新小组及质量检查QC小组,对于技术、质量上的难点进行攻关。8.4.10采取多种措施治理质量通病我们将根据经验针对本工程容易出现的质量通病进行综合治理,从各分项工程的开始即从构造上对通病进行防治,并在之后过程中进行根治。具体措施见附表:表8-1治理

5、质量通病措施序号项目具体表现内容治理措施1屋面渗漏主要表现在檐沟、排水口、出屋面等部位。1.严把材料关,杜绝劣质材料进厂;2.选择有资质的专业施工队伍;3.严把施工工艺、标准,控制基层处理质量;4.严格分项验收;5.作好淋水试验,作好成品保护。2外墙面渗漏主要表现在脚手眼、框架梁底、门窗侧面、玻璃幕与面豉交接处。1.外墙基层抹灰采用1:3水泥砂浆;2.外墙隐蔽前作好基层处理;3.注意各层养护;4.框架构件与砖墙接处挂钢丝网;5.幕墙砖墙交处注意好施工顺序。3卫生间渗漏主要表现在管道周围和天棚周围。1.上翻18cm防水带,并与现浇板一次浇注;2.找平层用防水砂浆;3.管道周围堵洞用防水混凝土,保

6、证适当间隙约5cm,认真浇捣严密,加强养护;4.管道周围采用防水液掺素浆作为底层防水;5.贴面前做试水试验,发现渗漏及时整改;面层施工后作试水试验。铝合金门窗、玻主要表现为窗底渗水,四周封闭不严,L下滑道下面的窗台基层处理做至少4cm混凝土整浇层,内配钢筋网;2.框安装时,下框压住窗台装饰层510cmo3.边框与墙体间填塞的保温材料要饱满。4.注密封胶要伸4璃幕制安密封膏不严不直,胶条不到位。玻璃幕墙外封闭耐侯胶开裂。入框侧缝内58rn,做到牢固、平整、顺直。胶的质量需有保证,不得受冻、发胀。5.带形组合门窗连接提倡采用标准组合件连接,以利于伸缩。6.玻璃胶条一定要有23c的余量,不能让其处于

7、受拉状态。5竣工工程建筑尺寸主要表现为层高偏小,开间平面尺寸不方正,开间实际比理论值偏小。1.加强主体质量,保证偏差值在允许范围;2.砌筑时放线要准确,方正规矩;3.抹灰时作好灰饼,找好方正;4.贴地面时尽量控制铺灰厚度。6装饰装修主要表现为破坏结构,与L装饰设计要充分考虑主体及安装序号项目具体表现内容治理措施安装冲突,影响使用功能,采用劣质材料,实体质量差。工程,不能随意改动;2.加强采购、供应渠道管理,杜绝劣质材料;3.加强隐蔽验收7暖卫工程主要表现为漏水,钢管返锈,管道堵塞。1.细管道采用PPR三型聚丙烯管;2.施工时作好通球试验;3.镀锌钢管法兰连接,采用二次镀锌处理。8电气工程主要表

8、现为管子不做防腐,管口不打磨,管子穿线前护口不全穿线损坏绝缘,配电箱用电焊、气焊开口。L混凝土内暗配管内壁刷防锈漆,明配管内外壁都刷防锈漆。2.管口用圆铿打磨光滑,穿线前护口必须齐全。3.配电箱体用专用开孔器开口。9通风空调工程主要表现为保温不严,有凝结水,风管漏风量超规范。L支吊架处加木托以防产生冷桥,阀门、支架处作加强处理;2.对保温细部进行详细的隐蔽验收;3.转角接头部位打胶处理,用风管式漏风装置测试。10收缩裂缝主要表现在内外墙破与混凝土交界处。1.加设钢丝网;2.设置好拉结筋;3.砌筑砂浆要饱满;4.砖墙一次砌筑高度不超过1.5m;5.梁底与砖墙要塞紧;6.不要随意打凿开洞,必要时要加固。11顶棚裂缝主要表现为抹灰开裂,纸面石膏板开裂1.采用竹胶大模板,避免顶棚抹灰;2.加强吊顶龙骨的间距及构造措施;3.检修口要加强,要铺设检修通道8.4.11加强工程保修工程交工后,我局将编制详尽的使用手册,力求辐射至每个部位,每个建筑内容,以保证建设单位在使用过程中,能清楚了解本工程的构造、功能、注意事项。一年内,我局将派责任心强的专业管理人员带领熟练的技术工人,对工程进行全方位保修,并协助运营。

展开阅读全文
相关资源
猜你喜欢
相关搜索

当前位置:首页 > 建筑/环境 > 施工组织

copyright@ 2008-2023 1wenmi网站版权所有

经营许可证编号:宁ICP备2022001189号-1

本站为文档C2C交易模式,即用户上传的文档直接被用户下载,本站只是中间服务平台,本站所有文档下载所得的收益归上传人(含作者)所有。第壹文秘仅提供信息存储空间,仅对用户上传内容的表现方式做保护处理,对上载内容本身不做任何修改或编辑。若文档所含内容侵犯了您的版权或隐私,请立即通知第壹文秘网,我们立即给予删除!