物业 物品出入放行管理规程.docx

上传人:p** 文档编号:607443 上传时间:2023-12-01 格式:DOCX 页数:2 大小:24.04KB
下载 相关 举报
物业 物品出入放行管理规程.docx_第1页
第1页 / 共2页
物业 物品出入放行管理规程.docx_第2页
第2页 / 共2页
亲,该文档总共2页,全部预览完了,如果喜欢就下载吧!
资源描述

《物业 物品出入放行管理规程.docx》由会员分享,可在线阅读,更多相关《物业 物品出入放行管理规程.docx(2页珍藏版)》请在第壹文秘上搜索。

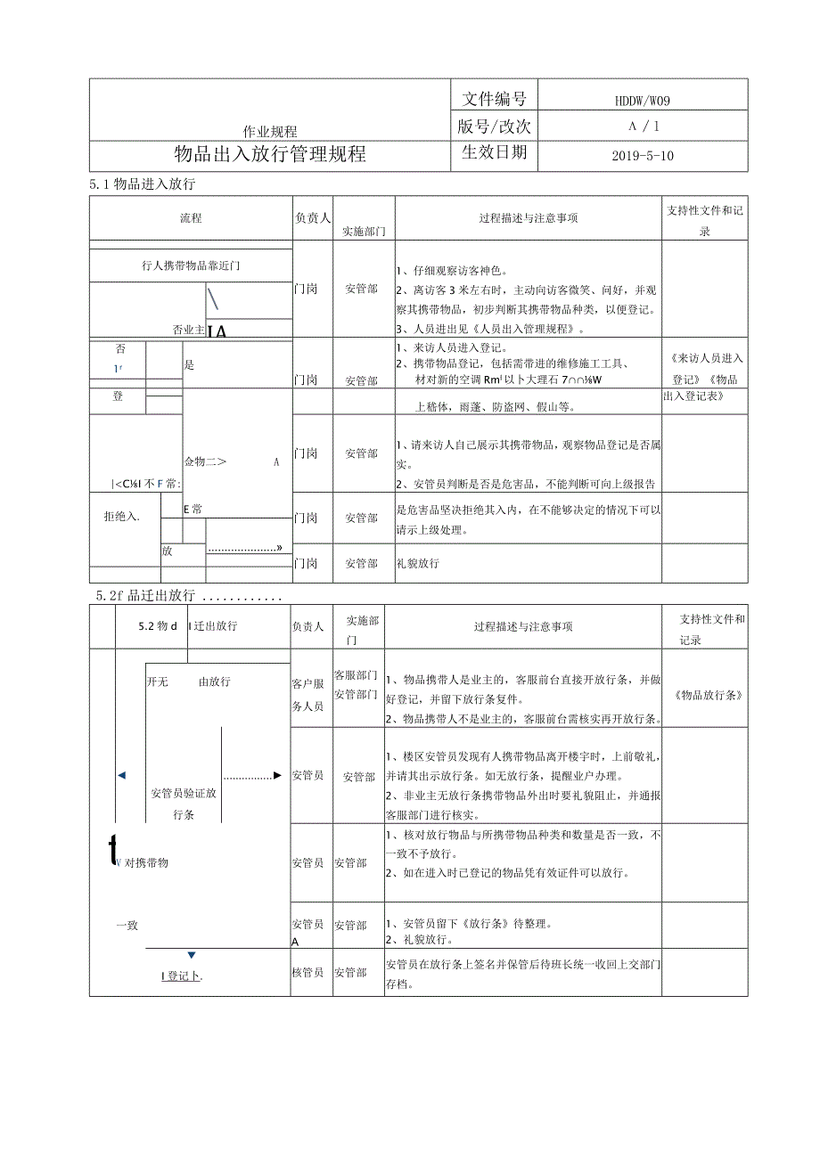
1、作业规程文件编号HDDW/W09版号/改次A/1物品出入放行管理规程生效日期2019-5-101.0目的保护顾客财产、人身安全,规范物品出入小区的管理。2.0适用范围进出小区的物品管理3.0职责3.1 物业服务中心负责确认前来办理物品放行手续的客户身份、核实无误后方可开具物品放行条。3.2 非正常工作时间内客户需开放行条时,安管员需告知客户正常办理放行条的时间,若有特殊情况的需知会安全服务主管或客服主管进行处理3.3 安管部门负责人或督导人负责对安管员执行物品出入管理时的技能和礼仪进行培训和指导、检查。3.4 班长至少每日对当班安管员的物品出入放行管理进行检查,并把检查结果登记在值班记录本上;

2、对不合格情况当场纠正;对多次发生同类问题进行分析,填写记录本,报上级处理,并负责跟踪处理,以及监督安管员在管理物品进出时的礼节、礼貌及程序执行情况。3.5 楼区安管员负责并协助门岗对楼区间与跨花园间及物品进、出封闭小区时的出入放行管理。3.6 门岗负责进、出封闭小区人员携带物品的或物品车辆的放行管理。3.7 物品进出时,安管员均需检查物品放行条并核实无误后,保留放行条后礼貌放行。4.1 定义危害品:指危险品及有毒品。危险品:易对人体造成伤害的物体或生物(如炸药,非军警用枪支弹药、刀具,毒蛇等)。有毒品:具有对人体有伤害的毒性或有强烈刺激性气味的化学品。4.2 流程图见下页4.3 附页物品放行条

3、事故物品放行登记表物品出入登记表来访人员进入登记1全文编号缩写修改:更改次数修改章节修改内容审核:编制:贯标委员会批准:作业规程文件编号HDDW/W09版号/改次l物品出入放行管理规程生效日期2019-5-105.1物品进入放行流程负贲人实施部门过程描述与注意事项支持性文件和记录门岗安管部1、仔细观察访客神色。2、离访客3米左右时,主动向访客微笑、问好,并观察其携带物品,初步判断其携带物品种类,以便登记。3、人员进出见人员出入管理规程。行人携带物品靠近门否业主AJA门岗安管部1、来访人员进入登记。2、携带物品登记,包括需带进的维修施工工具、材对新的空调Rml以卜大理石7W来访人员进入登记物品否

4、1r是登佥物二AE常上嵇体,雨蓬、防盗网、假山等。出入登记表CI不F常:门岗安管部1、请来访人自己展示其携带物品,观察物品登记是否属实。2、安管员判断是否是危害品,不能判断可向上级报告拒绝入.门岗安管部是危害品坚决拒绝其入内,在不能够决定的情况下可以请示上级处理。放门岗安管部礼貌放行5.2f品迁出放行5.2物dI迁出放行负责人实施部门过程描述与注意事项支持性文件和记录1、物品携带人是业主的,客服前台直接开放行条,并做好登记,并留下放行条复件。2、物品携带人不是业主的,客服前台需核实再开放行条。开无由放行客户服务人员客服部门安管部门物品放行条安管员验证放行条安管员安管部1、楼区安管员发现有人携带物品离开楼宇时,上前敬礼,并请其出示放行条。如无放行条,提醒业户办理。2、非业主无放行条携带物品外出时要礼貌阻止,并通报客服部门进行核实。tV对携带物安管员安管部1、核对放行物品与所携带物品种类和数量是否一致,不一致不予放行。2、如在进入时已登记的物品凭有效证件可以放行。一致安管员A安管部1、安管员留下放行条待整理。2、礼貌放行。I登记卜.核管员安管部安管员在放行条上签名并保管后待班长统一收回上交部门存档。

展开阅读全文
相关资源
猜你喜欢
相关搜索

当前位置:首页 > 办公文档 > 规章制度

copyright@ 2008-2023 1wenmi网站版权所有

经营许可证编号:宁ICP备2022001189号-1

本站为文档C2C交易模式,即用户上传的文档直接被用户下载,本站只是中间服务平台,本站所有文档下载所得的收益归上传人(含作者)所有。第壹文秘仅提供信息存储空间,仅对用户上传内容的表现方式做保护处理,对上载内容本身不做任何修改或编辑。若文档所含内容侵犯了您的版权或隐私,请立即通知第壹文秘网,我们立即给予删除!