物业 上门维修及服务规程-.docx

上传人:p** 文档编号:607481 上传时间:2023-12-01 格式:DOCX 页数:2 大小:31.85KB
下载 相关 举报
物业 上门维修及服务规程-.docx_第1页
第1页 / 共2页
物业 上门维修及服务规程-.docx_第2页
第2页 / 共2页
亲,该文档总共2页,全部预览完了,如果喜欢就下载吧!
资源描述

《物业 上门维修及服务规程-.docx》由会员分享,可在线阅读,更多相关《物业 上门维修及服务规程-.docx(2页珍藏版)》请在第壹文秘上搜索。

1、作业规程文件编号HDDW/W26版号/改次A/1上门维修及服务规程生效日期2019-5-101.0目的:适应业主对物业管理更高层次的要求,提高维修服务素质和质量,注重服务礼仪,为业主提供高效、优质的维修及服务。2.0适用范围:适用于上门为业主提供维修及其它服务的维修人员及管理人员。3.0职责:3.1 上门维修人员应严格遵守本规范:3.2 上门为业主提供服务的管理人员应参照遵守本规范,同时对本规范的实施负责监督;3.3 部门负责人负责对本规范进行培训及考核。4.0仪容仪表及服务规范方面的规定:4.1 遵照公司体系文件形象与行为素养规范及员工纪律检查标准的要求执行:4.2 根据上门服务及维修工作的

2、特点,仪容仪表方面还应做到:1)工服整洁大方,不可脱线破损而不处理地继续穿用;2)工作中携带的工作包、毛巾、工具等用品保持整洁干净不可污损:3)工作中需使用的价目表、收据、维修单、走访表等保持整洁干净不可污损;4)工作期间不允许饮酒,身体带有酒气;5)公众场合包括客户家中不允许抽烟。4.3 根据上门服务及维修工作的特点,服务规范方面还应做到:1)主动地问候及接待客户:2)不准讲粗话,不准开过分的或不正当的玩笑,不得以任何借口顶撞、讽刺、挖苦客户;3)不论价目高低应先向客户出示价目表,取得客户认可,不可强行修理;4)不论价目高低,收费后应向客户提交收款收据,并向客户道谢;5)不可轻视客户的任何细

3、微要求,只要能够做到并征得客户同意,应向客户提供举手之劳的额外服务:6)不可向客户索要维修价目之外的钱财,不得随意动用客户物品;7)不可责备和追问客户的投诉,也不可为解脱自己而打扰客户向其诉苦,更不可将自身的不满向客户发泄并向客户埋怨公司的内部管理:8)不可向客户透露公司的内部管理机密及经营管理策略,正面宣传公司,不讲有损公司形象的言论;9)不可在工作时间利用外出上门服务之便脱离岗位或做私人事情:10)不可利用工作剩余材料或物件据为私人之用。5.0特别维修事项的维修单返单验证效率规定:对于存在安全隐患及与住户日常生活紧密相关的公共维修事项不能以一周为维修期限,而应按特别期限维修(疑难问题三天内

4、与客服助理协商解决):1)梯间灯一一自报单后24小时返单物业服务中心;2)线路断裂或有缺损的井盖、住户已有投诉自报单24小时返单物业服务中心;3)电线裸露、爆管、泛水或堵塞一立即处理返单物业服务中心;4)漏水、堵塞、防盗门自报修后24小时返单物业服务中心或反馈:5)对于存在安全隐患的问题,不论能否及时维修应立即给出安全警示。6.0客服部门回访验证的要求:1) 100%回访验证:自返单计起48小时内完成现场验证,一周内完成回访;2)为客户维修后金额较大或客户有抱怨者应上门亲访:3)客户表达不满意后,应以负责心态帮助客户,同时仔细询问客户过程并记录是否是单纯的对价目不满还是工作人员未按程序操作或服

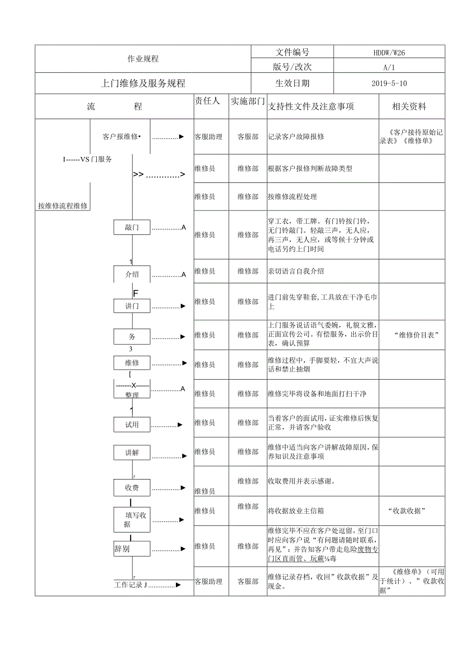
5、务态度欠佳而造成,以便改进。7.0流程见下页8.0附页:维修单、“收款收据”“维修价目表”(据市场行情制订,应评审后公示)、山;编制:贯标委员会审核:批准:1全文编号缩写修改增加流程说明维修完成:寿知警竟走危险废物支门.处置如灯萱二机通读布塞一修改次数修改章节修改内容作业规程文件编号HDDW/W26版号/改次A/1上门维修及服务规程生效日期2019-5-10流程责任人实施部门支持性文件及注意事项相关资料客户报维修客服助理客服部记录客户故障报修客户接待原始记录表维修单IVS门服务维修员维修部根据客户报修判断故障类型按维修流程维修维修员维修部按维修流程处理维修员维修部穿工衣,带工牌。有门铃按门铃,

6、无门铃敲门。轻敲三声,无人应,再三声,无人应,或等候十分钟或电话另约上门时间敲门A1维修员维修部亲切语言自我介绍介绍AF维修员维修部进门前先穿鞋套,工具放在干净毛巾上讲门维修员维修部上门服务说话语气委婉,礼貌文雅,正面宣传公司。有偿服务,出示价目表,确认预算“维修价目表”务3维修员维修部维修过程中,手脚要轻,不宜大声说话和禁止抽烟维修X整理A维修员维修部维修完毕将设备和地面打扫干净1维修员维修部当着客户的面试用,证实维修后恢复正常,并请客户验收试用维修员维修部维修中适当向客户讲解故障原因,保养知识及注意事项讲解T维修员维修部收取费用并表示感谢。收费I维修员维修部将收据放业主信箱“收款收据”填写收据维修员维修部维修完毕不应在客户处逗留,至门口时应向客户说“有问题请随时联系,再见”:并告知客户带走危险废物专门区直而管、玩蕨毒I辞别T客服助理客服部维修记录存档,收回”收款收据”及现金。维修单(可用于统计)、”收款收据”工作记录J

展开阅读全文
相关资源
猜你喜欢
相关搜索

当前位置:首页 > 行业资料 > 国内外标准规范

copyright@ 2008-2023 1wenmi网站版权所有

经营许可证编号:宁ICP备2022001189号-1

本站为文档C2C交易模式,即用户上传的文档直接被用户下载,本站只是中间服务平台,本站所有文档下载所得的收益归上传人(含作者)所有。第壹文秘仅提供信息存储空间,仅对用户上传内容的表现方式做保护处理,对上载内容本身不做任何修改或编辑。若文档所含内容侵犯了您的版权或隐私,请立即通知第壹文秘网,我们立即给予删除!