物业 走访及回访管理规程.docx

上传人:p** 文档编号:607738 上传时间:2023-12-01 格式:DOCX 页数:3 大小:27.53KB
下载 相关 举报
物业 走访及回访管理规程.docx_第1页
第1页 / 共3页
物业 走访及回访管理规程.docx_第2页
第2页 / 共3页
物业 走访及回访管理规程.docx_第3页
第3页 / 共3页
亲,该文档总共3页,全部预览完了,如果喜欢就下载吧!
资源描述

《物业 走访及回访管理规程.docx》由会员分享,可在线阅读,更多相关《物业 走访及回访管理规程.docx(3页珍藏版)》请在第壹文秘上搜索。

1、作业规程文件编号HDDW/W11版号/改次A/1走访及回访管理规程生效日期2019-5-101.0目的密切与客户的关系,了解客户潜在的需求与不满,及时验证管理服务工作的质量和效果,确保管理服务工作质量。2.0适用范围适用于物业服务处客服部门的走访回访工作。3.0职责3.1 客服部门负责人负责组织编制走访计划,并进行监督、安排实施物业服务处日常的走访回访工作。3.2 客服助理依照本制度实施具体走访回访工作。3.3 相关部门配合处理走访回访收集的意见和建议。4.0提示在有主题的走访策划时,有计划地将需要向外部沟通的信息纳入走访策划中,包括:客户安全注意事项、客户对环境保护的努力、客户应遵守的法律法

2、规和其他要求、公司管理方针、公司的管理业绩和管理努力等。5.0规程:5.1 走访流程5.2 回访流程6.0附页走访计划表、走访客户记录表、客户需求信息汇总表、客户投诉信息汇总表、维修单、保修单、客户接待原始记录表、客户接待记录表1全文编号缩写修改,增加:外部沟通信息策划提示。更改次数修改章节修改内容审核;编制:贯标委员会;批准:海德东方物业作业规程文件编号HDDW/W11版号/改次A/1走访回访管理规程生效日期2019-5-105.1走访流程负责人过程描述及注意事项支持性文件及记录客服助理1、客服助理必须对已入伙的业主进行100%的走访;2、对已入伙的住户,每年走访一次(每月走访10户以上)。

3、走访计划表计划走访t走访客服助理走访客户时及时了解客户的潜在需求和不满,即时做好解释工作并尽快处理,处理完毕做好回访工作。11,客服助理如实记录走访客户记录表服务质量和效果客服助理如实记录走访客户记录表客户需求和建议客户满意度客服助理参与公司组织的的样调查缺点与不足客服助理根据客户不满程度进入不合格控制程序走访客户记录表客服助理按投诉/遗留工程/报修处理要求跟进处理维修单、保修单、客户接待记录表问题跟踪处理1T客服助理将上月的走访工作进行统计、分析,填写客户需求信息汇总表客户投诉信息汇总表,于每月5日前上交部门负责人。统计分析A1T客服助理将客户投诉及需求信息及时汇总填写在客户需求信息汇总表、

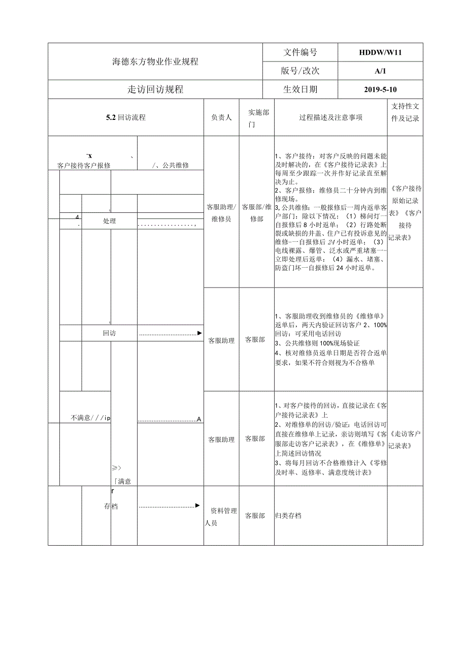
4、客户投诉信息汇总表中,每月5日前交品质部。客户需求信息汇总表、客户投诉信息汇总表审核1客服助理资料归档部门归档海德东方物业作业规程文件编号HDDW/W11版号/改次A/1走访回访规程生效日期2019-5-105.2回访流程负责人实施部门过程描述及注意事项支持性文件及记录-x、客户接待客户报修/、公共维修客服助理/维修员客服部/维修部1、客户接待:对客户反映的问题未能及时解决的,在客户接待记录表上每周至少跟踪一次并作好记录直至解决为止。2、客户报修:维修员二十分钟内到维修现场。3,公共维修:一般报修后一周内返单客户部门:除以下情况:(1)梯问灯一自报修后8小时返单;(2)行路处断裂或缺损的井盖、

5、住户已有投诉意见的维修-一自报修后24小时返单;(3)电线裸露、爆管、泛水或严重堵塞一-立即处理后返单:(4)漏水、堵塞、防盗门坏一自报修后24小时返单。客户接待原始记录表客户接待记录表14处理.,1客服助理客服部1、客服助理收到维修员的维修单返单后,两天内验证回访客户2、100%回访:可采用电话回访3、公共维修则100%现场验证4、核对维修员返单日期是否符合返单要求,如果不符合则视为不合格单回访满意A不满意/ip客服助理客服部1、对客户接待的回访,直接记录在客户接待记录表上2、对维修单的回访/验证:电话回访可直接在维修单上记录,亲访则填写客服部走访客户记录表,在维修单上简述回访情况3、将每月回访不合格维修计入零修及时率、返修率、满意度统计表走访客户记录表存r档资料管理人员客服部归类存档

展开阅读全文
相关资源
猜你喜欢
相关搜索

当前位置:首页 > 办公文档 > 规章制度

copyright@ 2008-2023 1wenmi网站版权所有

经营许可证编号:宁ICP备2022001189号-1

本站为文档C2C交易模式,即用户上传的文档直接被用户下载,本站只是中间服务平台,本站所有文档下载所得的收益归上传人(含作者)所有。第壹文秘仅提供信息存储空间,仅对用户上传内容的表现方式做保护处理,对上载内容本身不做任何修改或编辑。若文档所含内容侵犯了您的版权或隐私,请立即通知第壹文秘网,我们立即给予删除!