番茄浓香牛肉面加工考核评价标准.docx

上传人:p** 文档编号:615942 上传时间:2023-12-05 格式:DOCX 页数:3 大小:31.58KB
下载 相关 举报
番茄浓香牛肉面加工考核评价标准.docx_第1页
第1页 / 共3页
番茄浓香牛肉面加工考核评价标准.docx_第2页
第2页 / 共3页
番茄浓香牛肉面加工考核评价标准.docx_第3页
第3页 / 共3页
亲,该文档总共3页,全部预览完了,如果喜欢就下载吧!
资源描述

《番茄浓香牛肉面加工考核评价标准.docx》由会员分享,可在线阅读,更多相关《番茄浓香牛肉面加工考核评价标准.docx(3页珍藏版)》请在第壹文秘上搜索。

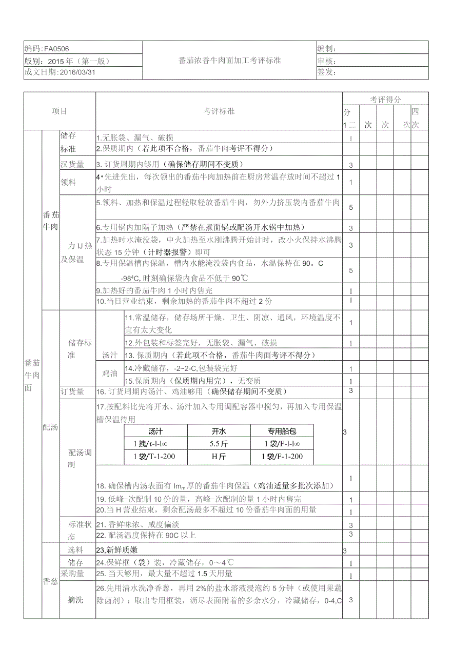
1、编码:FA0506番茄浓香牛肉面加工考评标准编制:版别:2015年(第一版)审核:成文日期:2016/03/31签发:项目考评标准考评得分分1二次次次四次番茄牛肉面番茄牛肉储存标准1.无胀袋、漏气、破损I2.保质期内(若此项不合格,番茄牛肉考评不得分)汉货量3.订货周期内够用(确保储存期间不变质)3领料4先进先出,每次领出的番茄牛肉加热前在厨房常温存放时间不超过1小时1力IJ热及保温5.领料、加热和保温过程轻取轻放番茄牛肉,勿外力挤压袋内番茄牛肉56.专用锅内加隔子加热(严禁在煮面锅或配汤开水锅中加热)37.加热时水淹没袋,中火加热至水刚沸腾开始计时,改小火保持水沸腾状态15分钟(计时器报警)

2、即可38.专用保温槽内保温,槽内水能淹没袋内食品,水温保持在90。C-984C,时刻确保袋内食品不低于9059.加热好的番茄牛肉1小时内售完110.当日营业结束,剩余加热的番茄牛肉不超过2份I配汤储存标准汤汁11.常温储存,储存场所干燥、卫生、阴凉、通风,环境温度不宜有太大变化112.外包装和标签完好,无胀袋、漏气、破损113.保质期内(若此项不合格,番茄牛肉面考评不得分)鸡油14.冷藏储存,-22-C,包装袋完好115.保质期内(保质期内用完),无变质1订货量16.订货周期内汤汁、鸡油够用(确保储存期间不变质)3配汤调制17.按配料比先将开水、汤汁加入专用调配容器中搅匀,再加入专用保温槽保温

3、待用3汤汁开水专用船包1拽/-l-l5.5斤1袋/F-l-l1袋/T-1-200H斤1袋/F-1-20018.确保槽内汤表面有Imm厚的番茄牛肉保温(鸡油适量多批次添加)119.低峰-次配制10份的量,高峰-次配制的量1小时内售完120.当H营业结束,剩余配汤最多不超过10份番茄牛肉面的用量1标准状态21.香鲜味浓、咸度偏淡322.配汤温度保持在90C以上3香慈选料23,新鲜质嫩3储存24.保鲜框(袋)装,冷藏储存,041采购量25.当天够用,最大量不超过1.5天用量1摘洗26.先用清水洗净香葱,再用2%的盐水溶液浸泡约5分钟(或使用果蔬除菌剂):取出专用框装,沥尽表面附着的多余水分,冷藏储存

4、,0-4,C3项目考评标准考评得分分值次次次四次番茄牛肉面香葱切制27.切成长约2mm的粒,专用保鲜盒装,冷藏储存,04C128.一次切制量2小时内用完,当天营业结束无剩余己切香葱I菜选料29.新鲜质嫩3摘洗30.先用清水洗净香菜,再用12%的盐水溶液浸泡约5分钟(或使用果蔬除菌剂);取出专用框装,沥尽表面附着的多余水分,冷藏储存,0-43切制31.切成长约2.5Cm的段,专用保鲜盒装,冷藏储存,O4*C1煮面条32.生面条在厨房内常温待用时间不超过1小时333.若采用报警装置煮面,设定每批次煮面时间(22.5分钟)134.低峰见票煮面,高峰一次煮制面条的量最多不超过10份135.水开煮面,煮

5、面汤较清澈,浑浊换水查看煮面锅水温是否达到要求,电锅温度显示是否正常536.抖散面条(每份205g土5g)入煮面容器中,专用面夹(竹筷)(勿用铁器等)搅动面条,中途待汤开后加23次凉水(加凉水的量以加完水后煮面汤刚不开为宜),火力适中(使水开时能达到中度沸腾状态)337.低峰煮至刚熟透,高峰煮至面条略有白硬心即可(若采用煮面锅,不分高低峰煮至无白心,中途搅动2次(要求完全熟透)338.起锅时附着的面汤几乎流尽后倒入面碗内339.煮好的面条在厨房存放时间不超过1分钟3打配汤40.用28OmI的汤提从配汤表面先撇-下,打满配汤倒入面碗内(严禁只在汤的表面取汤,以免汤油量过大)3番茄牛肉41.剪袋方

6、法正确(严禁用剪刀多次剪袋,以免碎塑料入碗中),342.将汤分散倒入碗中,番茄牛肉置于面条中部并把番茄汁散开3加小油菜43.青菜两半在碗汤的一侧自然摆放。1加西红柿44.专用保鲜盒密封装,OC至4C冷藏存放,一次切制量2小时内用完。145.出品时依次加入番茄两片在小青菜对应一侧(3-5mm的番茄片,直径-6cm番茄片分成两半)(番茄去皮)1加香葱46.在每份面的汤中放香葱1520粒1加香菜专用工具加香葱、香菜剩余处理47.当日营业结束,剩余的袋装番茄牛肉冷藏储存,-22TC148.当日营、Ik结束,烧开剩余配汤,待其温度降至60C以下冷藏储存,-22C149.当日营业结束,剩余的生面条、香葱冷

7、藏储存,04C:己切香葱报废1番茄牛肉面标准状态50.碗干净、无水渍、无老化、无破损351.大号面碗装,汤表面至碗内壁850刻度,碗边无浮沫附着352.鲜香味浓郁153.牛肉成形,番茄汁散开354.汤较红亮,咸度适中355.面条口感滑腻、筋道,但不发硬3项目考评标准考评得分分IlfL次欧次四次番茄牛肉面标准状态56.面条熟度正好,熟面条无粘连357.送到颐客餐桌温度280C358.单份:香菜杆45根、叶810片,香葱1520粒、番茄两片,上海青75克、牛肉68块熟面条约380g1考评总分值:120实际考评总分值:实际考评总项数:考评合格分值:考评合格项数:考评分值合格率(考评合格分值/实际考评总分值XlOo%),考评项合格率(考评合格项数/实际考评总项数XI(X)%*

展开阅读全文
相关资源
猜你喜欢
相关搜索

当前位置:首页 > 行业资料 > 食品饮料

copyright@ 2008-2023 1wenmi网站版权所有

经营许可证编号:宁ICP备2022001189号-1

本站为文档C2C交易模式,即用户上传的文档直接被用户下载,本站只是中间服务平台,本站所有文档下载所得的收益归上传人(含作者)所有。第壹文秘仅提供信息存储空间,仅对用户上传内容的表现方式做保护处理,对上载内容本身不做任何修改或编辑。若文档所含内容侵犯了您的版权或隐私,请立即通知第壹文秘网,我们立即给予删除!