自己总结的质量控制关键点.docx

上传人:p** 文档编号:630074 上传时间:2023-12-14 格式:DOCX 页数:3 大小:19.42KB
下载 相关 举报
自己总结的质量控制关键点.docx_第1页
第1页 / 共3页
自己总结的质量控制关键点.docx_第2页
第2页 / 共3页
自己总结的质量控制关键点.docx_第3页
第3页 / 共3页
亲,该文档总共3页,全部预览完了,如果喜欢就下载吧!
资源描述

《自己总结的质量控制关键点.docx》由会员分享,可在线阅读,更多相关《自己总结的质量控制关键点.docx(3页珍藏版)》请在第壹文秘上搜索。

1、柱混凝土浇筑完后,钢骨柱钢筋未绑扎,项目部测量人员放出大线,劳务放出细部控制线根据所放钢骨柱中线检测外围钢骨柱、核心筒四角柱轴线偏移、垂直度偏差允许偏差IOmm记录检测结果,得出钢筋调整方向,下出整改单,监督定位箍筋的绑扎。牛腿标高的检测、梁标高的检测。电梯井钢模拆装完成后,放出电梯井中线,检测电梯井剪力墙偏移,记录检测结果,就地绘制剪力墙偏移结果,下整改单。楼梯间楼梯间模板支完,钢筋绑扎,钢模安装完后。检测项目:1、休息平台标高;2、钢筋检测;3、钢模的水平度。钢筋钢筋检测:1、柱:主筋的规格、数量;箍筋的规格、数量、间距;钢筋的绑扎,直螺纹的连接。2、梁:主筋的规格数量;箍筋的规格数量,加

2、密区与非加密区范围、间距,箍筋必须是闭合箍筋;箍筋与底部受力筋、腰筋的绑扎。3、板:板筋的数量间距;板筋的搭接长度。模板柱模板的垂直度检测;电梯井、核心筒剪力墙垂直度、整体平整度检测。核心筒剪力墙的截面尺寸控制。模板施工过程中严格检查是否有顶模现象,及时发现及时整改。混凝土1、整个板面清理;2、梁柱、剪力墙交汇点是否有漏缝3、结构层充分湿润4,准备工作混凝土工、木工人数;振动棒(4台,3台使用,1台备用)。衰4.2.6预埋件和预留孔洞的允许偏差项目允许偏差(0Si埋铜板中心线位置5(埋管、预函孔中心线位置3插筋中心线位Jt5外露长度+10,0预埋辗检中心级位,2外露长度+10,0预用洞中心t位

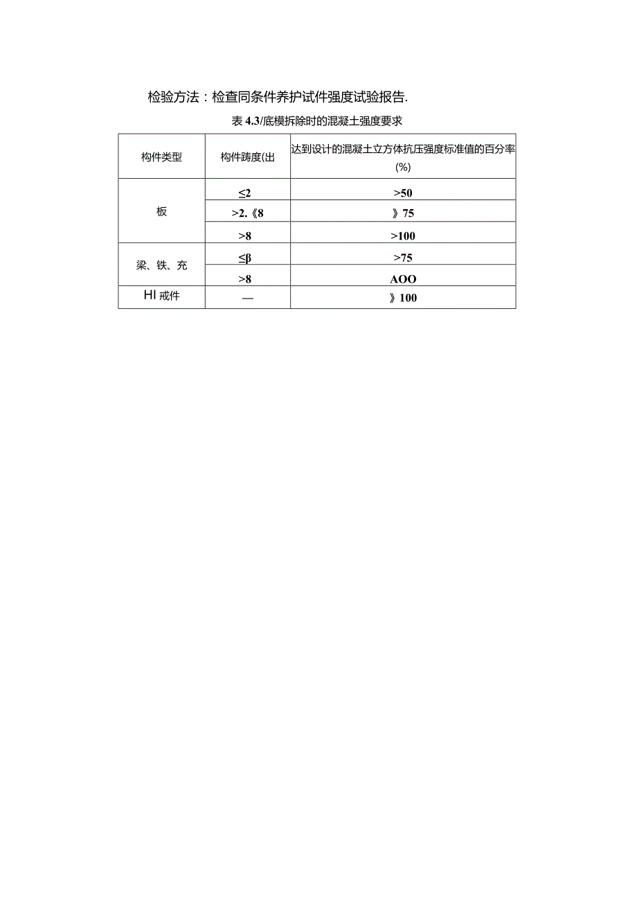
3、置10尺寸+10,0注:检直中心线位置时,应沿纵、横两个方向量测,并取其中的较大值.表人2.7现浇结构模板安装的允许偏差及检骏方法项目允许偏差(mm)检验方法轴线位置5钢尺检连底模上表面标高5水准仪或技线、胡尺检查截面内部尺寸基础10钢尺检查柱、堵、梁+4.-5倒尺检查层高垂直度不大于5m6经纬仪或吊线、纲尺检套大于5m8经知仪或吊线、钢尺检青相邻两板表面高低差2钢尺检叠衣面平整度2m拿尺和惠尺检壹注:检查轴线位置时,应沿纵、横两个方向量测,并取其中的较大值.检验方法:检查同条件养护试件强度试验报告.表4.3/底模拆除时的混凝土强度要求构件类型构件踌度(出达到设计的混凝土立方体抗压强度标准值的百分率(%)板2502.8758100梁、铁、充758AOOHI戒件100

展开阅读全文
相关资源
猜你喜欢
相关搜索

当前位置:首页 > 办公文档 > 工作总结

copyright@ 2008-2023 1wenmi网站版权所有

经营许可证编号:宁ICP备2022001189号-1

本站为文档C2C交易模式,即用户上传的文档直接被用户下载,本站只是中间服务平台,本站所有文档下载所得的收益归上传人(含作者)所有。第壹文秘仅提供信息存储空间,仅对用户上传内容的表现方式做保护处理,对上载内容本身不做任何修改或编辑。若文档所含内容侵犯了您的版权或隐私,请立即通知第壹文秘网,我们立即给予删除!