变压器检修规程.docx

上传人:p** 文档编号:632778 上传时间:2023-12-15 格式:DOCX 页数:33 大小:189.35KB
下载 相关 举报
变压器检修规程.docx_第1页
第1页 / 共33页
变压器检修规程.docx_第2页
第2页 / 共33页
变压器检修规程.docx_第3页
第3页 / 共33页
变压器检修规程.docx_第4页
第4页 / 共33页
变压器检修规程.docx_第5页
第5页 / 共33页
变压器检修规程.docx_第6页
第6页 / 共33页
变压器检修规程.docx_第7页
第7页 / 共33页
变压器检修规程.docx_第8页
第8页 / 共33页
变压器检修规程.docx_第9页
第9页 / 共33页
变压器检修规程.docx_第10页
第10页 / 共33页
亲,该文档总共33页,到这儿已超出免费预览范围,如果喜欢就下载吧!
资源描述

《变压器检修规程.docx》由会员分享,可在线阅读,更多相关《变压器检修规程.docx(33页珍藏版)》请在第壹文秘上搜索。

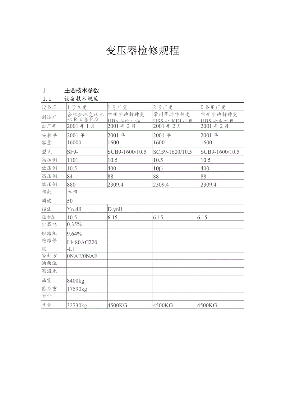
1、变压器检修规程1主要技术参数1.1设备技术规范设备名1号主变1号厂变2号厂变0备用厂变制造厂合肥金环变压也七R日善化/常州华迪特种变HBa占咱/.W常州华迪特种变HSS七KEJ小W常州华迪特种变HBS七电水W出厂年2001年1月2001年2月2001年2月2001年2月安装年2001年2001年2001年2001年容量16000160016001600型式SF9-SCB9-1600/10.5SCB9-1600/10.5SCB9-1600/10.5高压侧110110.510.510.5低压侧10.540010()400高压侧84888888低压侧8802309.42309.42309.4相数三相

2、周波50接法Yn.dllD.ynll阻抗%10.56.156.156.15空载电0.35%短路阻9.64%绝缘等级Ll480AC220-Ll冷却方0NAF/0NAF油面温测温元油重8400kg器身重17590kg附件总重32730kg4500KG4500KG4500KG2套管型电流互感器互感器型号电流比(八)级次负荷联接端高压侧LR-IlO-B200/50.20.1IKl-IKXLRB-HO-B200/55P200.82K1-2KX高压中性点LRB-60-B100/510P70,8Kl-KX注:电流互感器二次不允许开路运行3低压厂用变压器铭牌介数名称1#厂用工作变2#厂用工作变0#备用变型号S

3、C91600/10.5SC91600/10.5SC91600/10.5额定容量1600KVA1600KVA1600KVA冷却方式ANANAN额定电压10.52*2.5%0.4KV10.52*2.5%0.4KV10.5=2*2.5%0.4KV额定电流88/2309,4A88/2309.488/2309.4相数三相三相三相联结组标号DYNllDYNllDYNll绝缘等级FFF厂家常州华迪特种变压器有限公司常州华迪特种变压器有限公司常州华迪特种变压器有限公司高压侧分接头位置高压侧分接电压高压侧分接电压高压侧分接电压7-811025V11025V11025V6-710763V10763V10763V5

4、-610500V10500V10500V4-510238V10238V10238V3-49975V9975V9975V5检修周期及检修项目5.1检修周期5.1.1大修周期5.1.1.1一般在投入运行后的5年内和以后每间隔10年大修一次。5.1.1.2运行中的主变压器,当承受出口短路后,经综合诊断分析,应考虑提前大修。5.1.1.3运行中的变压器,当发现异常状况或经试验判明有内部故障时,应提前进行大修。5.1.1.4运行正常的变压器经综合诊断分析良好,经技术主管人员批准,可适当延长大修周期。5.1.1.5主变、高厂变应随机组的大修而定。5.1.2小修周期5.1.2.1一般每年1次,可根据运行情况

5、和试验结果决定增减次数。5.1.2.2主变、高厂变应随机组的小修。5.1.2.3安装在特别污秽地方的变压器,每半年进行一次清扫检查。5.1.3附属装置的检修周期5.1.3.1变压器油泵的解体检修,23年进行一次。5.1.3.2变压器风扇的解体检修,23年进行一次。5.1.3.3吸湿器中的吸附剂视失效程度随时更换。5.1.3.4套管、分接开关、压力释放器的检修随本体进行。5.2检修项目5.2.1大修项目5.2.1.1吊开钟罩检修器身或吊出器身检修。5.2.1.2绕组、引线及磁屏蔽装置的检修。5.2.1.3铁芯、铁芯紧固件、压钉、压板及接地片的检修。5.2.1.4油箱及附件的检修,包括套管等附属设

6、备的检修。5.2.1.5冷却器、油泵、风扇、阀门及管道等附属设备的检修。5.2.1.6安全保护装置的检修5.2.1.7油保护装置的检修5.2.1.8测温装置的检验5.2.1.9操作控制箱的检修试验5.2.1.10有载和无载分接开关的检修5.2.1.11全部密封胶垫的更换和组件试漏,并消除渗漏油。5.2.1.12必要时对器身绝缘进行干燥处理5.2.1.13变压器油的处理或换油5.2.1.14清扫油箱并进行喷涂油漆5.2.1.15进行其他更换改进项目5.2.1.16大修的试验和试运行5.2.2小修项目5.2.2.1处理已发现的缺陷5.2.2.2放出储油柜积污器中的污油5.2.2.3检查油位计,调整

7、本体和套管的油位。5.2.2.4检查全部冷却系统的设备是否完好,必要时清扫冷却器管束5.2.2.5检查保护装置、包括储油柜、压力释放阀,气体继电器、油流继电器等,更换变色后的呼吸器吸附剂。5.2.2.6检查测温装置。5.2.2.7检查温度、油位等测量装置以及控制箱等,并进行调试。5.2.2.8检查接地系统。5.2.2.9检查全部阀门和塞子,检查全部密封状态,处理渗漏油。5.2.2.10清扫油箱及附件,必要时进行补油。5.2.2.11清扫各套管,并检查导电接头。5.2.2.12按有关规程规定进行测量和试验。5.2.3临时检修项目5.2.3.1可视具体情况确定6检修前的准备工作6.1查阅档案了解变

8、压器的运行状况。6.1.1查阅运行中所发现的缺陷和异常状况,出口短路的次数和情况。6.1.2了解负载、温度和附属装置的运行情况。6.1.3查阅上次大修报告和技术档案6.1.4查阅试验纪录,了解绝缘状况。6.1.5检查渗漏油部位并做好标记6.1.6进行大修前的试验,确定特殊检修项目。6.2编制大修工程技术、组织措施计划。6.2.1人员组织及工表6.2.2施工项目及进度表6.2.3特殊项目的施工方案6.2.4安全措施、保质量的技术措施和现场防火措施。6.2.5设备明细表、材料明细表6.2.6绘制必要的施工图6.2.7准备好检修用的记录表格、大修报告、分段和零星验收单等。6.2.8提出大修用备品配件

9、计划、材料计划并领回。6.3检修用场地和工具的准备6.3.1场地要整洁,尽量在检修期间内进行,无检修间时,应有防风、防雨、防潮、防尘设施,搭临时工棚等。6.3.2准备好必要的起重工具,如吊车、倒链、滑轮、钢丝绳、千斤顶、枕木、钢轨、木板、绳子等。6.3.3准备好必要的滤油工器具,如油罐、真空滤油机、真空泵、注油用管及阀门,抽真空用管及阀门、弃油收集容器、真空注油用油位计、真空表、麦氏真空计、湿度表、干燥空气发生器。6.3.4准备好必要的登高设备,一般工具和专用工具。6.3.5准备好充足的消防器材。7变压器的解体和移位7,1解体71.1办理工作票,停电,对变压器的位置、坡度、操作箱各侧引线,强油

10、循环风冷有关管路、油枕及其连管、散热器、套管及升高座,分接开关的位置,封闭母线罩子均应做好标记,并应在检修记录本上作详细记录。7.1.2拆除外部电气连接引线和二次接线,并进行修前试验。7.1.3部分排油后,拆油枕、压力释放阀、瓦斯继电器、温度表、低压套管、升高座、冷却器(冷却器连管接头器用盖板封死,以防跑油、受潮),有碍变压器移位的连接件和制动装置。7.1.4拆高压套管7.1.4.1先旋下套管顶部的接线端头帽盖,然后将专用螺丝拧在引出线接头上,并用软绳系牢,拆去引出线接头与定位螺母之间的定位销钉,拆下紧固螺母。7.1.4.2利用套管法兰上四支吊环,在瓷套上部绑好软性绳索,用倒链钩住保持原安装角

11、度的平衡起吊钩,待起吊钢丝拉直为止。7.1.4.3拆去套管中部的安装法兰螺栓,活动后徐徐吊起套管,并有人在套管人孔门下口观察套管的运行情况,不要碰到引线及尾部均压球。起吊的同时将拴引线的绳子随套管的吊出渐渐的放入套管的管子内,直到套管全部吊出箱盖上孔后再将绕组引线端头放入变压器内。7.1.4.4套管吊出后将其放在事先准备好的架子上,并固定和包扎以防受潮,同时为防止潮气和异物落入变压器内,可用法兰盘和密封胶垫随即将安装孔盖上。7.1.5拆分接开关7.1.5.1有载分接开关的拆卸方法参见(有载分接开关运行维修导则)7.1.5.2无励磁分接开关,拆下分接开关与大盖的连接螺丝,将分接开关拉杆缓缓拿出(

12、注意分接开关的绝缘拉杆,不要将内部引线及线圈碰坏,拿出的绝缘拉杆要装入塑料内,或放入油罐内,防止绝缘受潮,做好拆前标记。7.1.6排出变压器全部油,并进行处理。7.1.7拆低压套管7.1.7.1拆低压套管。7.1.7.2拆迁做好记号和记录。7.1.7.3打开手孔门,工作人员应将工器具拴好,防止掉入变压器内,拆卸后用法兰盘将手孔门封堵好。7.2变压器的移位:要在统一指挥下进行,变压器移动前,应绷紧钢丝绳试拉一下,检查地锚、卷扬机或吊车及钢丝绳等是否良好,移位中工作人员要选择适当的工作位置以防钢丝绳拉断而伤人,在变压器移动过程中,要精力集中,听从指挥,动作快速准确,牵引速度不应超过5米/分。8变压

13、器吊罩或进入油箱中各项检修工艺及质标准8.1器身检查8.1.1工作条件与要求8.1.1.1吊钟罩一般应在室内进行,如在露天进行时,应选在无尘土飞扬及其它污染的晴天进行,器身暴露在空气中时间不超过如下规定,空气相对湿度W65%为16小时,空气相对湿度W75%为12小时,器身暴露时间是从变压器放油时起止开始至开始抽真空或注油时为止,如暴露时间需超过上述规定,宜接入干燥空气装置进行施工。8.1.1.2器身温度应不低于周围环境温度,否则应用真空滤油机循环加热油煎变压器加热,使器身温度高于环境温度5(以上。8.1.1.3检查器身时或进入油箱时,应有专人进行,穿着专用的检修工作服和鞋袜,并戴清洁手套,寒冷

14、天气还应戴口罩,照明应采用低压行灯。8.1.1.4进行器身检查所使用的工具应由专人保管,并应编号登记,防止遗留在油箱内或器身上,进入变压器油箱内检修时,应考虑通风,防止工作人员窒息。8.1.1.5所打开的盖板处要有防尘措施,严防灰尘进入箱中。8.1.2吊罩或打开入孔内检过程8.1.2.1吊罩要统一指挥,四角设专人监视,钟罩四角打晃绳,试吊无问题后起吊,起吊要平衡,保持钟罩与器身方向的一致性,保持钟罩内周围与器身外部有一定的间隙,不可碰击夹件,线圈,钟罩吊出后慢慢放在枕木上。8.1.2.2进入油箱内检的变压器,放油时要以0.7-3m?/分的流量向箱内吹入干燥的空气防止器身受潮,放油后要一直维持吹入干燥空气,直到检完封盖为止,吹入流量可以维持在0.2mV分左右。8.1.2.3为了减少器身在空气中的暴露时间,放油至箱内剩油高200MM左右时,便可在继续排油的同时,开始吊罩或内检。8.1.2.4注意有

展开阅读全文
相关资源
猜你喜欢
相关搜索

当前位置:首页 > 行业资料 > 国内外标准规范

copyright@ 2008-2023 1wenmi网站版权所有

经营许可证编号:宁ICP备2022001189号-1

本站为文档C2C交易模式,即用户上传的文档直接被用户下载,本站只是中间服务平台,本站所有文档下载所得的收益归上传人(含作者)所有。第壹文秘仅提供信息存储空间,仅对用户上传内容的表现方式做保护处理,对上载内容本身不做任何修改或编辑。若文档所含内容侵犯了您的版权或隐私,请立即通知第壹文秘网,我们立即给予删除!