施工机具.docx

上传人:p** 文档编号:635306 上传时间:2023-12-15 格式:DOCX 页数:6 大小:28.31KB
下载 相关 举报
施工机具.docx_第1页
第1页 / 共6页
施工机具.docx_第2页
第2页 / 共6页
施工机具.docx_第3页
第3页 / 共6页
施工机具.docx_第4页
第4页 / 共6页
施工机具.docx_第5页
第5页 / 共6页
施工机具.docx_第6页
第6页 / 共6页
亲,该文档总共6页,全部预览完了,如果喜欢就下载吧!
资源描述

《施工机具.docx》由会员分享,可在线阅读,更多相关《施工机具.docx(6页珍藏版)》请在第壹文秘上搜索。

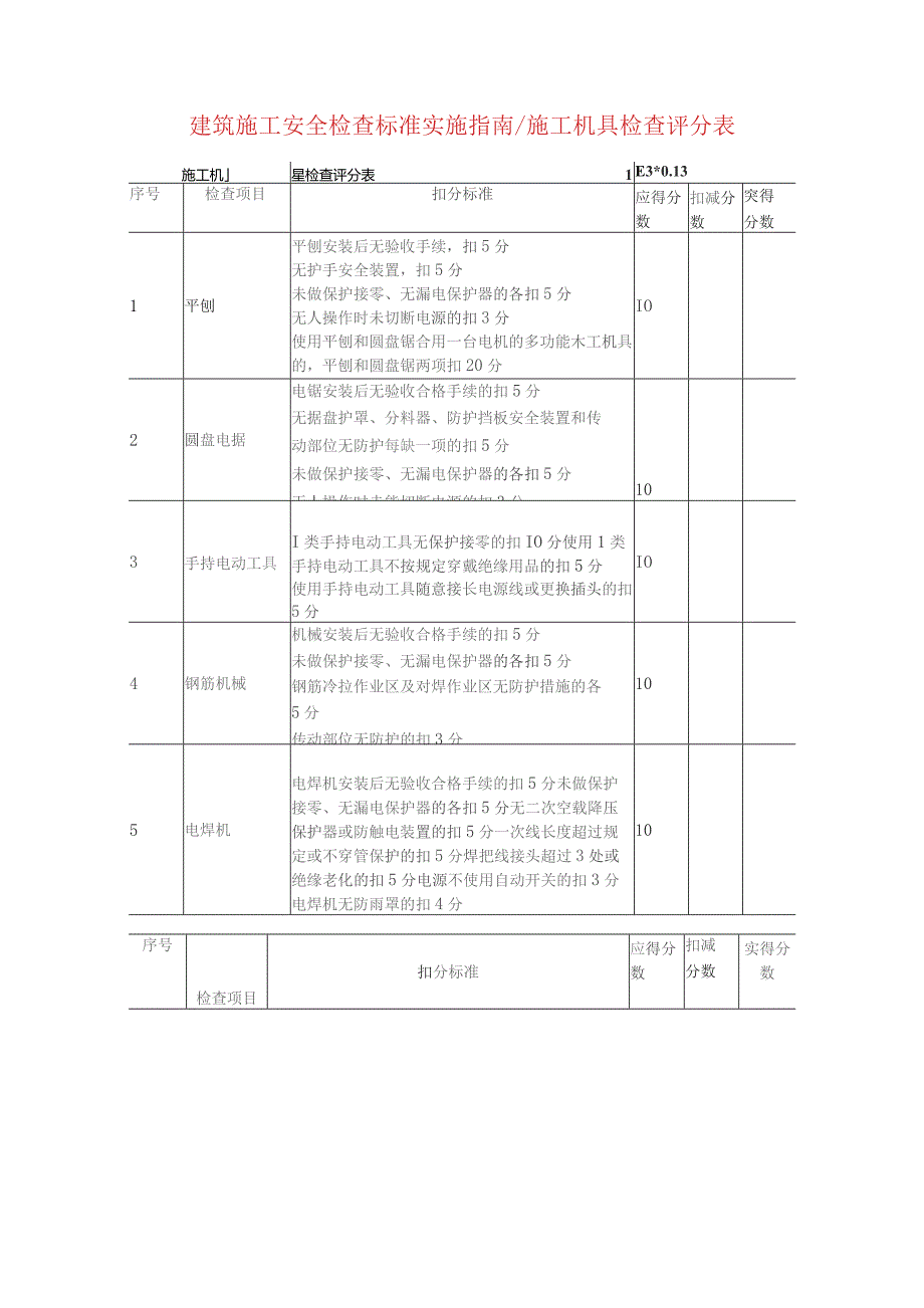
1、建筑施工安全检查标准实施指南/施工机具检查评分表施工机星检查评分表1E3*0.13序号检查项目扣分标准应得分数扣减分数突得分数1平刨平刨安装后无验收手续,扣5分无护手安全装置,扣5分未做保护接零、无漏电保护器的各扣5分无人操作时未切断电源的扣3分使用平刨和圆盘锯合用一台电机的多功能木工机具的,平刨和圆盘锯两项扣20分IO2圆盘电据电锯安装后无验收合格手续的扣5分无据盘护罩、分料器、防护挡板安全装置和传动部位无防护每缺一项的扣5分未做保护接零、无漏电保护器的各扣5分无人操作时未能切断电源的扣3分103手持电动工具I类手持电动工具无保护接零的扣IO分使用1类手持电动工具不按规定穿戴绝缘用品的扣5分

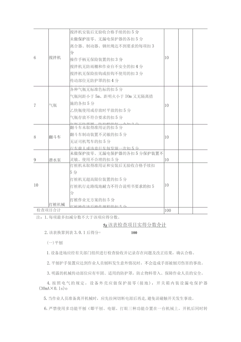
2、使用手持电动工具随意接长电源线或更换插头的扣5分IO4钢筋机械机械安装后无验收合格手续的扣5分未做保护接零、无漏电保护器的各扣5分钢筋冷拉作业区及对焊作业区无防护措施的各5分传动部位无防护的扣3分105电焊机电焊机安装后无验收合格手续的扣5分未做保护接零、无漏电保护器的各扣5分无二次空载降压保护器或防触电装置的扣5分一次线长度超过规定或不穿管保护的扣5分焊把线接头超过3处或绝缘老化的扣5分电源不使用自动开关的扣3分电焊机无防雨罩的扣4分10序号检查项目扣分标准应得分数扣减分数实得分数6搅拌机搅拌机安装后无验收合格手续的扣5分未做保护接零、无漏电保护器的各扣5分离合器、制动器、钢丝绳达不到要求的

3、每项扣3分操作手柄无保险装置的扣3分搅拌机无防雨棚和作业台不安全的扣4分搅拌机无保险挂钩或挂钩不使用的扣3分传动部位无防护罩的扣4分作业平台不平衡的扣3分107气瓶各种气瓶无标准色标的扣5分气瓶间距小于5m、距明火小于IOm又无隔离措施的各扣5分乙快瓶使用或存放时平放的扣5分气瓶存放不符合要求的扣5分气瓶无防震圈、防护帽的每一个扣2分108翻斗车翻斗车未取得准用证的扣5分翻斗车制动装置不灵敏的扣5分无证司机驾车的扣5分行车载人或违章行车每发现一次扣5分109潜水泵未做保护接零、无漏电保护器的各扣5分保护装置不灵敏、使用不合理的扣5分1010打桩机械打桩机未取得准用证和安装后无验收合格手续扣5分

4、打桩机无超高限位装置的扣5分打桩机行走路线地耐力不符合说明书要求的扣5分打桩作业无方案的扣5分打桩操作违反操作规程的扣5分10检查项目合计100注:1.每项最多扣减分数不大于该项应得分数。5该表检查项目实得分数介计2.该表换算到表3.0.1后得分=100(一)平刨1.设备进场应经有关部门组织进行检查验收并记录存在问题及改正结果,确认合格。2.平刨护手装置应达到作业人员刨料发生意外情况时,不会造成手部被刨刃伤害的事故。3.明露的机械传动部位应有牢固、适用的防护罩,防止物料带入、保障作业人员的安全。4.按照电气的规定,设备外壳应做保护接零(接地),开关箱内装设漏电保护器(30mA0.ls)o5.当

5、作业人员准备离开机械时,应先拉闸切断电源后再走,避免误碰触开关发生事故。6.严禁使用多功能平刨(即平刨、电锯、打眼三种功能合置在一台机械上,开机后同时转动)。(一)圆盘电锯1.设备进场应经有美部门组织进行检查验收并记录存在问题及改正后结果,确认合格”2.圆锯盘的安全装置应包括:(1)锯盘上方安装防护罩,防止锯片发生问题时造成的伤人事故。(2)圆锯盘的前方安装分料器(劈刀),木料经锯盘锯开后向前继续推进时,由分料器将木料分离一定缝隙,不致造成木料夹锯现象使锯料顺利进行.(3)锯盘的后方应设置防止木料倒退装置当木料中遇有铁钉、硬节等情况时,往往不能继续前进突然倒退打伤作业人员。为防止此类事故发生,

6、应在锯盘后面作业人员的前方,设置挡网或棘爪等防倒退装置。档网可以从网眼中看到被锯木料的墨线不影响作业,又可将突然倒退的木料挡住;棘爪的作用是在木料突然倒退时,棘爪插入木料中止住木料倒退伤人。3.明露的机械传动部位应有牢固、适用的防护罩,防止物料带入,保障作业人员的安全。4.按照电气的规定,设备外壳应做保护接零(接地),开关箱内装设漏电保护器(3OmAXO.Is)。5.当作业人员准备离开机械时,应先拉闸切断电源后再走,避免误碰触开关发生事故。(三)手持电动工具1.使用I类工具(金属外壳)外壳应做保护接零,在加装漏电保护器同时,作业人员还应穿戴绝缘防护用品。漏电保护器的参数为30mAx0.1s:露

7、天、潮湿场所或在金属构架上操作时,严禁使用I类工具。使用11类工具时,漏电保护器的参数为15mAxO.ls。2.发放使用前,应对手持电动工具的绝缘阻值进行检测,I类工具应不低于2MQ;11类工具应不低于7MC。3.手持电动工具自带的软电缆或软线不允许任意拆除或接长:插头不得任意拆除更换.当不能满足作业距离时,应采用移动式电箱解决,避免接长电缆带来的事故隐患;工具自带的电缆压接插头,不但使用牢靠不易断线,同时由于金属插头规格按规定的接触顺序设计制造,从而防止零火误插入事故。4.工具中运动的(转动的)危险零件,必须按有关的标准装设防护罩,不得任意拆除。(四)钢筋机械I.设备进场应经有关部门组织进行

8、检查验收并记录存在问题及改正结果,确认合格。2.按照电气的规定,设备外壳应做保护接零(接地)开关箱内装设漏电保护器(3OmAXO.Is)。3.明露的机械传动部位应有牢固、适用的防护罩,防止物料带入、保障作业人员的安全。4.冷拉场地应设置警戒区,设置防护栏杆及标志。冷拉作业应有明显的限位指示标记,卷扬钢丝绳应经封闭式导向滑轮与被拉钢筋方向成直角,防止断筋后伤人。5.对焊作业要有防止火花烫伤的措施,防止作业人员及过路人员烫伤。(五)电焊机1.电焊机进场应经有关部门组织进行检查验收并记录存在问题及改正结果,确认合格。2.按照电气的规定,设备外壳应做保护接零(接地),开关箱内装设漏电保护器。3.关于电

9、焊机二次侧安装空载降压保护装置问题。(1)交流电焊机实际上就是一台焊接变压器,由于一次线圈与二次线圈相互绝缘,所以一次侧加装漏电保护器后,并未减轻二次侧电的触电危险。(2)二次侧具有低电压,大电流的特点,以满足焊接工作的需要。二次侧的工作电压只有20多伏,但为了引弧的需要,其空载电压一般为4580V(高于安全电压),所以要求电焊工人戴帆布手套、穿胶底鞋,防止电弧熄灭和换焊条时,发生触电事故。(3)由于作业条件的变化管理上存在问题,空载电压引起的触电死亡事故屡有发生,我国早在1988年就颁发了GB1023588,但并未受到应有的重视,因此这次修订标准时,增加了此项规定,强制要求弧焊变压器加装防触

10、电装置,由于此种装置能把空载电压降到安全电压以下(一般低于24V),因此完全能防止此类事件发生。(4)检查标准写的两种保护装置:空载降压保护装置,当弧焊变压器处于空载状态时,可使其电压降到安全电压值以下,当启动焊接时,焊机空载电压恢复正常。不但保障了作业人员的安全,同时由于切断了空载时焊机的供电电源,降低了空载损耗,起到了节约电能的作用。防触电保护装置,是将电焊机输入端加装漏电保护和输出端加装空载降压保护合二而一采用一种保护装置,对电焊机的输入端和输出端的过电压、过载、短路和防触电具有保护功能,同时也具有空载节电的效果。4.电焊机的-次侧与二次侧比较,一次侧电压高危险性大,如果-次线过长(拖地

11、)容易损坏或机械损伤发生危险,所以一次线安装的长度以尽量不拖地为准(一般不超过3m),焊机尽量靠近开关箱,一次线外最好穿管保护和焊机接线柱连接后,上方应设防护罩防止意外碰触。5.焊把线长度一般不应超过30m并不准有接头。接头处往往由于包扎达不到电缆原有的防潮、抗拉、防机械、损伤等性能,所以接头处不但有触电的危险,同时由于电流大,接头处过热,接近易燃物容易引起火灾。6.用电规范规定“容量大于5.5kW的动力电路应采用自动开关电器,电焊机一般容量都比较大,不应采用手动开关,防止发生事故。7.露大使用的焊机应该设置在地势较高平整的地方并有防雨措施。(六)搅拌机1.搅拌机进场应经有关部门组织进行检查验

12、收记录存在问题及改正结果,确认合格。2.按照电气的规定,设备外壳应做保护接零(接地),开关箱内装设漏电保护器(30mA0.1s)3.空载和满载运行时检查传动机构是否符合要求,检查钢丝绳磨损是否超过规定,离合器、制动器灵敏可靠。4.自落式搅拌机出料时,操作手柄轮应有锁住保险装置,防止作业人员在出料口操作时发生误动作。5.露天使用的搅拌机应有防雨棚。6.搅拌机上料斗应设保险挂勾,当停止作业或维修时,应将料斗挂牢。7.各传动部位都应装设防护罩。8.固定式搅拌机应有可靠的基础,移动式搅拌机应在平坦坚硬的地坪上用方木或撑架架牢,并垫上干燥木板保持平稳.(七)气瓶1.各种气瓶标准色:氧气瓶(天篮色瓶、黑字

13、)、乙快瓶(白色瓶、红字)、氢气瓶(绿色瓶、红字)、液化石油气瓶(银灰色瓶、红字)。2.不同类的气瓶,瓶与瓶之间不小于5m,气瓶与明火距离不小于IOm。当不能满足安全距离要求时应有隔离防护措施。3.乙快瓶不应平放因为乙块瓶内微孔填料中浸满丙酮,利用乙块溶解于丙酮的特点使乙块贮存在乙块气瓶中,当乙焕用完时,丙酮仍存留在瓶中待下次继续使用。而丙酮是一级易燃品,若气瓶平放,丙酮有排出的危险。乙烘瓶瓶体温度不准超过40.CO丙酮溶解乙快的能力是随温度升高而下降的,当温度达到40C时,溶解能力只为正常温度(15C)的1/2,溶解能力下降,造成瓶体内压力增高,超过瓶壁压力过高时就有爆炸的危险,所以夏季防爆

14、晒,冬天解冻用温水。4.气瓶存放包括集中存放零散存放。施工现场应设置集中存放处,不同类的气瓶存放有隔离措施,存放环境应符合安全要求,管理人员应经培训,存放处有安全规定和标志。零散存放是属于在班组使用过程中的存放,不能存放在住宿区和靠近油料、火源的地方,存放区应配备灭火器材。5.运输气瓶的车辆,不能与其他物品同车运输,也不准一车同运两种气瓶。使用和运输应随时检直防震圈的完好情况,为保护瓶阀,应装好瓶帽。(八)翻斗车1.按照有关规定,机动翻斗车应定期进行年检,并应取得上级主管部门核好的准用证。2.空载行驶当车速中为20kmh,使离合器分离或变速器置于空档,进行制动,测量制动开始时到停车的轮胎压印、

15、拖印长度之和,应符合参数规定。3.司机应经有关部门培训考核并持有合格证。4.机动翻斗车除一名司机外,车上及斗内不准载人。司机应遵章驾车,起步平稳,不得用二、三档起步。往基坑卸料时接近坑边应减速。行驶前必须将翻斗锁牢,离机时必须将内燃机熄火,并挂档拉紧手制动器。(九)潜水泵潜水泵是指将泵直接放入水中使用的水泵,操作时应注意作到以下几点:1.水泵外壳必须做保护接零(接地),开关箱中装设漏电保护器,(15mAxO.ls)。2.泵应放在坚固的筐里置入水中,泵应直立放置。放入水中或提出水面时,应先切断电源,禁止拉拽电缆。3.接通电源应在水外先行试运转,(试运转时间不超过5min)确认旋转方向正确无泄漏现象。4.叶轮中心至水面距离应在35m之间,泵体不得陷入污泥或露出水面。(十)打桩机械1.按照有关规定打桩机应定期进行年检,并应取得市级主管部门核发的准用证。2.按照该机的说明书

展开阅读全文
相关资源
猜你喜欢
相关搜索

当前位置:首页 > 建筑/环境 > 施工组织

copyright@ 2008-2023 1wenmi网站版权所有

经营许可证编号:宁ICP备2022001189号-1

本站为文档C2C交易模式,即用户上传的文档直接被用户下载,本站只是中间服务平台,本站所有文档下载所得的收益归上传人(含作者)所有。第壹文秘仅提供信息存储空间,仅对用户上传内容的表现方式做保护处理,对上载内容本身不做任何修改或编辑。若文档所含内容侵犯了您的版权或隐私,请立即通知第壹文秘网,我们立即给予删除!