蓉欧智谷大楼高支模板技术交底2.docx

上传人:p** 文档编号:636131 上传时间:2023-12-15 格式:DOCX 页数:9 大小:171KB
下载 相关 举报
蓉欧智谷大楼高支模板技术交底2.docx_第1页
第1页 / 共9页
蓉欧智谷大楼高支模板技术交底2.docx_第2页
第2页 / 共9页
蓉欧智谷大楼高支模板技术交底2.docx_第3页
第3页 / 共9页
蓉欧智谷大楼高支模板技术交底2.docx_第4页
第4页 / 共9页
蓉欧智谷大楼高支模板技术交底2.docx_第5页
第5页 / 共9页
蓉欧智谷大楼高支模板技术交底2.docx_第6页
第6页 / 共9页
蓉欧智谷大楼高支模板技术交底2.docx_第7页
第7页 / 共9页
蓉欧智谷大楼高支模板技术交底2.docx_第8页
第8页 / 共9页
蓉欧智谷大楼高支模板技术交底2.docx_第9页
第9页 / 共9页
亲,该文档总共9页,全部预览完了,如果喜欢就下载吧!
资源描述

《蓉欧智谷大楼高支模板技术交底2.docx》由会员分享,可在线阅读,更多相关《蓉欧智谷大楼高支模板技术交底2.docx(9页珍藏版)》请在第壹文秘上搜索。

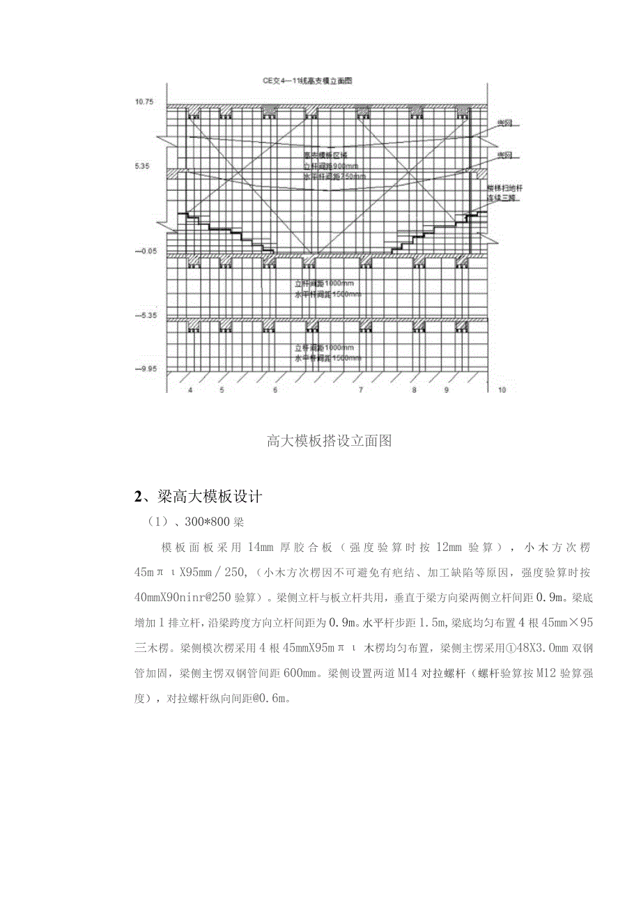
1、技术交底施工单位名称中交第三公路工程局有限公司单位工程名称蓉欧智谷大楼施工部位蓉欧智谷大楼高支模板1到4层共5处施工内容高支模板工程施工技术交底内容交底内容:一、高支模部位本工程高大模板区域共五处,其中-0.05Om至10.750m高大模板共3处分别为4轴到8轴交J到H轴、4轴到9轴交H轴到F轴位置、4轴到11轴交C轴到E轴,高度为10.8m;5.350m至14.650m高大模板共2处为1轴到4轴交H轴到F轴位置、2轴到4轴交C轴到E轴位置,高度为8.3至9.3m二、主要材料主要材料及设备计划表序-号材料名称材料规格拟定计划数量进场时间1模板1830x915x14mm厚胶合面板3000m2分批

2、过场2内楞45*95mm5000m分批关场3梁板底支撑45*95mm5000m分批过场4立杆材料48X3.O60t分批式场5支撑体系连接扣件(十字扣、活动扣、对接扣)5000个分批过场6竖向承重连接可调底座、顶托5000个分批过场7普通立杆垫板14mm木垫板按现场实际分批注场8其它短钢管483.O20t分批过:场9对拉螺栓M143000个分批过:场1()安全兜网3*6米300m,搭设亩高三、高支模架体搭设方法1、板高大模板及满堂架设计覆模木胶合板14mm厚(强度验算时按12mm验算),小木方次楞45mmX95mnT250,(小木方次楞因不可避免有疤结、加工缺陷等原因,强度验算时按4OmmX9O

3、?025O验算)。满堂支模架钢管纵横向间均为距为O.9m,步距1.5m,顶部螺杆伸出钢管顶部不大于30Onlm(自由高度),距底层楼面20Onim高设一道扫地杆,最一步步距内加设一道纵横向水平杆。在模板支架外侧满布竖向连续式剪刀撑,内部每5跨由底至顶设置连续竖向剪刀撑,剪刀撑宽度为5跨。水平剪刀撑设置位置在扫地层、支架系统中间层、支架系统最上层设置连续的水平剪刀撑,剪刀撑的宽度控制在5-8m范围内,剪刀撑斜杆与楼层面夹角为4560。高大模板搭设平面图高大模板搭设立面图2、梁高大模板设计(1)、300*800梁模板面板采用14mm厚胶合板(强度验算时按12mm验算),小木方次楞45mX95mm2

4、50,(小木方次楞因不可避免有疤结、加工缺陷等原因,强度验算时按40mmX90ninr250验算)。梁侧立杆与板立杆共用,垂直于梁方向梁两侧立杆间距0.9m。梁底增加1排立杆,沿梁跨度方向立杆间距为0.9m。水平杆步距1.5m,梁底均匀布置4根45mm95三木楞。梁侧模次楞采用4根45mmX95m木楞均匀布置,梁侧主愣采用48X3.Omm双钢管加固,梁侧主愣双钢管间距600mm。梁侧设置两道M14对拉螺杆(螺杆验算按M12验算强度),对拉螺杆纵向间距0.6m。(2)500*1400梁模板面板采用14mm厚胶合板(强度验算时按12mm验算),小木方次楞45mmX95mm,(小木方次楞因不可避免有

5、疤结、加工缺陷等原因,强度验算时按40mmX90mm)。梁侧立杆与板立杆共用,梁侧沿梁跨度方向立杆之间各增加一道立杆,即梁侧立杆间距0.45m,垂直于梁方向梁两侧立杆间距1.2m,。梁底增加两排立杆,沿梁跨度方向立杆间距为O.9mo水平杆步距1.5m.梁底均匀布置5根45mm95mm木楞。梁侧模次楞采用8根45mm95mm木楞均匀布置,梁侧主愣采用中48X3.Omrn双钢管加固,梁侧主愣双钢管间距600mm三梁侧设置三道M14对拉螺杆(螺杆验算按M12验算强度),对拉螺杆纵向间距0.6m=1400*500梁架体搭设图3、模板加工过程质量控制1、模板定位1)中心线和位置线的放线当混凝土浇筑完毕并

6、具有一定强度(21.2MPa),即用手按不松软、无痕迹,方可上人进行轴线投测。首先引测建筑的边柱或墙轴线并以该轴线为起点,引出每条轴线。根据轴线位置弹出用墨线弹出模板的内线、边线以及外侧控制线,施工前三线必须到位,以便于模板的安装和校正。2)标高测量当墙混凝土浇筑完毕,模板拆除以后,开始引测楼层50Omm标高控制线,并根据该50Omm线将板底的控制线宜接引测到墙上。3)找平工作模板承垫底部应预先找平,以保证模板位置正确,防止模板底部漏浆。可用在浇注碎前在墙体钢筋上焊接短钢筋间距1.5m以确定碎的浇注高度,在碎初凝时将碎刮平。4)设置模板定位基准在墙、柱钢筋绑扎前,测放模板定位线;根据定位线焊接

7、模板下口限位钢筋,在柱四个侧面各焊两根,距地面高度为IoCm。5)基层处理模板支设前用空压机将楼面清理干净。不得有积水、杂物,并将施工缝表面浮浆剔除,用水冲净。所有内侧模板必须刷脱模剂。2.模板支撑体系控制严格按照方案要求的钢管、木访、方钢间距布置搭设模板支撑体系。4、模板安装质量控制1.模板安装上下层支架的立柱应对准,并铺设垫板。2.模板和混凝土的接触面应清理干净并涂刷脱模剂,但不得采用影响结构性能或妨碍装饰工程施工的脱模剂,不得玷污钢筋和混凝土接茬处。3.在浇筑混凝土前,模板内杂物应清理干净,木模板浇水湿润,但不应有积水。4.模板及支承必须有足够的强度、刚度和稳定性,并不致发生不允许的下沉

8、和变形,接缝严密,不得漏浆。穿墙螺栓紧固可靠。5.预埋件和预留孔洞的偏差控制在规范允许的范围内。项目允许偏差检查方W预埋钢板巾心线位置2拉线和尺量七.土预埋管、预留孔巾心位置2插筋中心线位置5外露长度+10,0预埋螺栓中心线位置2外露长度+5,0预留洞中心线位置5截面内部尺寸+5,0表8.3.3-1预埋件和预留孔洞允许偏差(mm)项目允许偏差检查方法轴线位置3钢尺检查底模上表面标高3水准仪或拉线、钢尺彳截面内部尺寸基础+5钢尺检查柱、墙、梁3钢尺检查层高垂直度不大于5m3经纬仪或吊线、钢尺彳大于5m5经纬仪或吊线、钢尺1相邻两板表面高低差2钢尺检查表面平整度22m靠尺和不尺爸表&3.3-2现浇

9、结构模板安装的允许偏差及检验方法5、搭设流程放线一放置立杆同时设置扫地杆以稳定架体一自角部起依次向两边竖立底立杆一底端与纵向扫地杆扣接固定后、装设横向扫地杆也与立杆固定f每边竖起34根立杆后随即装设第一步纵向平杆和横向平杆一校正立杆垂直和平杆水平使其符合要求后一旋紧扣件,形成构架的起始段。按上述要求依次向前搭设,并随搭设进度设置剪刀撑。6、搭设要求(1)每根立杆底部宜设置底座或垫板。(2)支模架必须设置纵、横向扫地杆。纵向扫地杆应采用直角扣件固定在距钢管底端不大于20Omm处的立杆上。横向扫地杆应采用直角扣件固定在紧靠纵向扫地杆下方的立杆上。(3)支模架立杆基础不在同一高度上时,必须将高出的纵

10、向扫地杆向低处延长两跨与立杆固定,高低差不应大于1m。靠边坡上方的立杆轴线到边坡的距离靠边坡上方的立杆轴线到边坡的距离不应小于500mm立杆采用对接接长,立杆的对接扣件应交错布置,两根相邻立杆的接头不应设置在同步内,同步内隔一根立杆的两个相隔接头在高度方向错开的距离不宜小于500mm;各接头中心至主节点的距离不宜大于步距的1/3;(5)立杆伸出顶层水平杆中心线至支撑点的长度不应超过0.5m,超限梁区域不超过0.35m;(6)满堂架外侧满布竖向连续式剪刀撑,内部每5跨应由底至顶设置连续竖向剪刀撑,剪刀撑宽度应为5跨,并分别在底部、中部及顶部设施连续水平剪刀撑,竖向剪刀撑斜杆与地面的倾角应为4560“,水平剪刀撑与支架纵(或横向)夹角应为4560。满堂支撑架的可调底座、可调托撑螺杆伸出长度不宜超过300mm,插入立杆内的长度不得小于15Omm(8)扣件安装应符合下列规定:扣件规格应与钢管外径相同;螺栓拧紧扭力矩不应小于40Nm,且不应大于65Nm;在主节点处固定横向水平杆、纵向水平杆、剪刀撑、横向斜撑等用的直角扣件、旋转扣件的中心点的相互距离不应大于150mm;对接扣件开口应朝上或朝内;各杆件端头伸出扣件盖板边缘的长度不应小于100mm交底人签名接受交底负责人签名交底时间本表一式两份,班组自存一份,归档一份。

展开阅读全文
相关资源
猜你喜欢
相关搜索

当前位置:首页 > 建筑/环境 > 修缮加固与改造

copyright@ 2008-2023 1wenmi网站版权所有

经营许可证编号:宁ICP备2022001189号-1

本站为文档C2C交易模式,即用户上传的文档直接被用户下载,本站只是中间服务平台,本站所有文档下载所得的收益归上传人(含作者)所有。第壹文秘仅提供信息存储空间,仅对用户上传内容的表现方式做保护处理,对上载内容本身不做任何修改或编辑。若文档所含内容侵犯了您的版权或隐私,请立即通知第壹文秘网,我们立即给予删除!