隧道弃砟场防护交底.docx

上传人:p** 文档编号:636876 上传时间:2023-12-15 格式:DOCX 页数:2 大小:45.18KB
下载 相关 举报
隧道弃砟场防护交底.docx_第1页
第1页 / 共2页
隧道弃砟场防护交底.docx_第2页
第2页 / 共2页
亲,该文档总共2页,全部预览完了,如果喜欢就下载吧!
资源描述

《隧道弃砟场防护交底.docx》由会员分享,可在线阅读,更多相关《隧道弃砟场防护交底.docx(2页珍藏版)》请在第壹文秘上搜索。

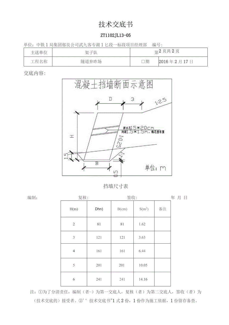
1、技术交底书ZT1102JL13-05单位:叱上候团郁艮公司武/L客专股股一标酶目绥嘟编号:主送单位架子队第1页共2页工程名称隧道弃昨场日期2016年2月17日交底内容:弃祚场应设置可靠的永久挡护工程,顶面设置截排水系统,同时对昨场坡面采取植被防护措施,防止水土流失,保护环境。具体措施如下:1、弃昨场采用C25混凝土挡墙护脚,挡墙高度不大于6m,堑顶平台宽度不小于2m;挡墙基底埋深不小于1.5m,基底换填O.5m的碎石垫层。挡祚墙施工应做好地基处理,基底承载力不小于250kpa,为防止墙趾被水冲刷,在墙趾外5m范围内铺砌MlO浆砌片石,厚35cm。2、挡祚墙背底部设置一层30cm砂夹卵石反滤层,

2、墙体间距1.5*1.5m设置一15*20cm泄水孔;挡祚墙每隔IOm设置一道伸缩缝。3、弃祚场填筑边坡坡率不得陡于1:2.5,填筑分级不得大于6m,分级宽度不小于3m;弃祚场最大填筑高度不得大于20mo4、弃祚场顶向外作3%。的排水坡,并设C25混凝土排水沟一道。5、隧道竣工后弃昨场表面和边坡采用清淤弃土或清除的地表种植土、表土等覆盖,覆土厚度不少于0.5m,复垦或撒播草籽、乔灌结合绿化。6、挡墙断面示意图及挡墙尺寸表如下:编制:复核:签收:年月日注:为了分清责任,编制(者)为第一交底人,复核(者)为第二交底人,签收(者)为(技术交底的)接受者。技术交底书1式2份,1份作为施工依据,1份留存备查。技术交底书ZT1102JL13-05单位:中铁1局集团郁艮公司武九客专湖1匕段一标段项目经理部编号:主送单位架子队第2页共2页工程名称隧道弃昨场期2016年2月17日交底内容:挡墙尺寸表编制:复核:签收:年 月 日H()Dhn)B(cm)S(m2)备注281811.6231211213.6341611616.44520120110.05624124114.16注:为了分清责任,编制(者-)为第一交底人,复核(者)为第二交底人,签收(者)为(技术交底的)接受者。技术交底书1式2份,1份作为施工依据,1份留存备查。

展开阅读全文
相关资源
猜你喜欢
相关搜索

当前位置:首页 > 建筑/环境 > 施工组织

copyright@ 2008-2023 1wenmi网站版权所有

经营许可证编号:宁ICP备2022001189号-1

本站为文档C2C交易模式,即用户上传的文档直接被用户下载,本站只是中间服务平台,本站所有文档下载所得的收益归上传人(含作者)所有。第壹文秘仅提供信息存储空间,仅对用户上传内容的表现方式做保护处理,对上载内容本身不做任何修改或编辑。若文档所含内容侵犯了您的版权或隐私,请立即通知第壹文秘网,我们立即给予删除!