图纸及其设备编号规则.docx

上传人:p** 文档编号:641632 上传时间:2024-01-02 格式:DOCX 页数:5 大小:39.66KB
下载 相关 举报
图纸及其设备编号规则.docx_第1页
第1页 / 共5页
图纸及其设备编号规则.docx_第2页
第2页 / 共5页
图纸及其设备编号规则.docx_第3页
第3页 / 共5页
图纸及其设备编号规则.docx_第4页
第4页 / 共5页
图纸及其设备编号规则.docx_第5页
第5页 / 共5页
亲,该文档总共5页,全部预览完了,如果喜欢就下载吧!
资源描述

《图纸及其设备编号规则.docx》由会员分享,可在线阅读,更多相关《图纸及其设备编号规则.docx(5页珍藏版)》请在第壹文秘上搜索。

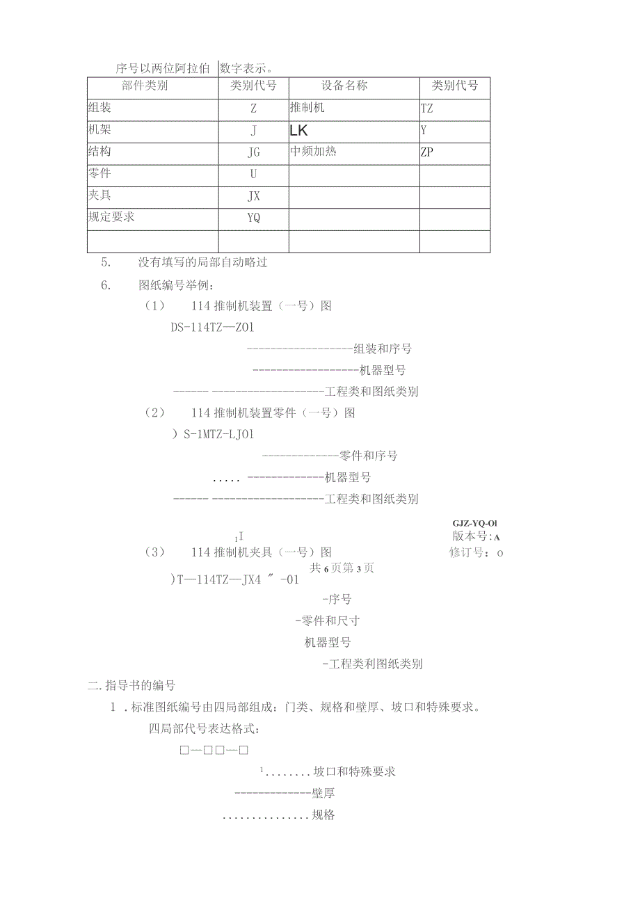
1、GJZ-YQ-OI 版本号:A 修订号:0 共6页第1页技术图纸及设备的编号方法-.工程技术图纸的编号1. 工程类图纸编号由四局部组成:门类和图纸类别、型号和设备名称、部件类别、尺寸型号、序号。四局部代号表达格式:II序号尺寸型号部件类别I型号加设备名称I门类和图纸类别2. 工程类图纸门类代号为D。图纸类别代号图纸类别代号采用特征汉字拼音中首个字母(大写)的组合。例;图纸类别类别代号图纸类别类别代号设备布置图B建筑图纸Z工装图纸T平面布置图P设备图纸S平安操作规程Q技术资料JZ电气土建图TJ4.部件类别代号和序号胃左歌H部件类别代号采用特征汉字拼音中首个字母(大写)的崇?3%2页组合。管路空视

2、图的部件类别代号按管道仪表流程图介质代号表示。序号以两位阿拉伯数字表示。部件类别类别代号设备名称类别代号组装Z推制机TZ机架JLKY结构JG中频加热ZP零件U夹具JX规定要求YQ5.没有填写的局部自动略过6.图纸编号举例:(1) 114推制机装置(一号)图DS-114TZZOl组装和序号机器型号工程类和图纸类别(2) 114推制机装置零件(一号)图)S-1MTZ-LJOl零件和序号机器型号工程类和图纸类别GJZ-YQ-Ol1I版本号:A(3) 114推制机夹具(一号)图修订号:o)T114TZJX4 -01共6页第3页-序号-零件和尺寸机器型号-工程类利图纸类别二.指导书的编号1 .标准图纸编

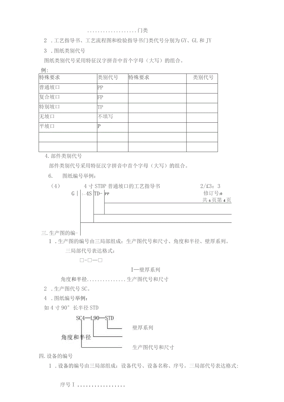
3、号由四局部组成:门类、规格和壁厚、坡口和特殊要求。四局部代号表达格式:1坡口和特殊要求壁厚规格门类2 .工艺指导书、工艺流程图和检验指导书门类代号分别为GY、GL和JY3 .图纸类别代号图纸类别代号采用特征汉字拼音中首个字母(大写)的组合。例:特殊要求类别代号特殊要求类别代号普通坡口PP复合坡口FP特别坡口TP无坡口不填写平坡口P4.部件类别代号部件类别代号采用特征汉字拼音中首个字母(大写)的组合。6.图纸编号举例:(4)4寸STDP普通坡口的工艺指导书2/3:3G三.生产图的编-一4STD-PP修订号:0共6页第4页1 .生产图的编号由三局部组成:生产图代号和尺寸、角度和半径、壁厚系列。三局

4、部代号表达格式:-I壁厚系列角度和半径生产图代号和尺寸2 .生产图代号SC。4 .图纸编号举例:如4寸90长半径STD壁厚系列生产图代号和尺寸四.设备的编号1 .设备的编号由三局部组成:设备代号、设备名称、序号。三局部代号表达格式:序号I型号和设备名称用途代号设备代号2.设备代号Z和模具d弋号M,GJZ-YQ-Ol用途代号号类别代号设备名称瑞生产设备2推制机T洪6页第5办公设备B仪表车Y职工福利F中频加热ZP房屋建筑X电脑C工具量具L笔记本电脑BC车辆CB风扇FS空调KT桌椅ZY橱柜CG打印机DY复印机FY5.设备编号举例:例如114推制机ZZ114T()11.序号型号和设备名称设备代号GJZ-YQ-Ol版本号4修改记录修订号:0丁6贡弟6贞修改单号修改页码修改状态修改人批准人生效日期

展开阅读全文
相关资源
猜你喜欢
相关搜索

当前位置:首页 > 行业资料 > 国内外标准规范

copyright@ 2008-2023 1wenmi网站版权所有

经营许可证编号:宁ICP备2022001189号-1

本站为文档C2C交易模式,即用户上传的文档直接被用户下载,本站只是中间服务平台,本站所有文档下载所得的收益归上传人(含作者)所有。第壹文秘仅提供信息存储空间,仅对用户上传内容的表现方式做保护处理,对上载内容本身不做任何修改或编辑。若文档所含内容侵犯了您的版权或隐私,请立即通知第壹文秘网,我们立即给予删除!