第三章服务需求及技术要求.docx

上传人:p** 文档编号:644444 上传时间:2024-01-02 格式:DOCX 页数:2 大小:20.98KB
下载 相关 举报
第三章服务需求及技术要求.docx_第1页
第1页 / 共2页
第三章服务需求及技术要求.docx_第2页
第2页 / 共2页
亲,该文档总共2页,全部预览完了,如果喜欢就下载吧!
资源描述

《第三章服务需求及技术要求.docx》由会员分享,可在线阅读,更多相关《第三章服务需求及技术要求.docx(2页珍藏版)》请在第壹文秘上搜索。

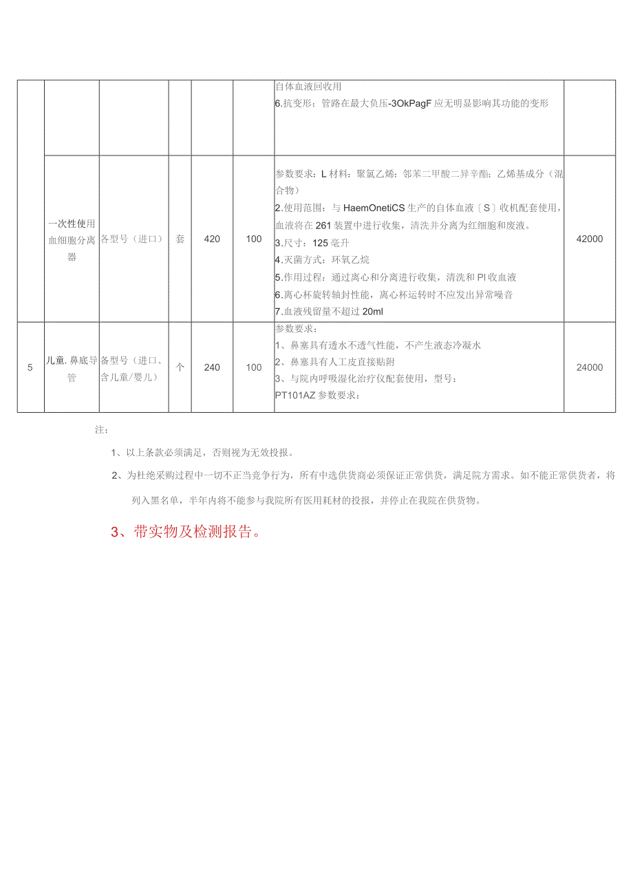
1、第三章服务需求及技术要求一、项目概况1、项目名称:安庆市立医院第二十八批医用耗材采购2、服务地点:安庆市立医院二、货物及服务要求序号耗材名称规格型号单位单价限价阮)用量参数要求总限价(元)1外科胶布(丝绸布胶布)各型号(进口或进口品牌,宽约2.5cm,长度9.1向卷184000参数要求:带状粘贴材料,为非弹性,不与创面直接接触。粘贴部位为完好皮肤。用于对创面敷料、绷带等提供粘贴力,以起到固定作用。约2.5ctn*9.Im1长度可大于9.Im720002透明胶贴(透明敷料)进口(约IOcm*11.5cm)片8.246000参数要求:产品由薄膜背衬、粘合剂、离型纸和离型框组成,福照灭菌,一次性使用

2、。产品可用于覆盖和保护导管部位和伤口,为伤口愈合维持一个湿润的环境,其还可以作为次级敷料,并对那些容易受损、擦伤的皮肤区域进行护盖,或用作将器械固定。3772003一次性胸腔闭式引流瓶各型号(至少含单瓶)个141000参数要求:产品由瓶体、引流管、接头、悬挂装置组成,供临床胸腔闭式引流用。该产品以无菌状态提供,经环氧乙烷灭菌,无毒,一次性使用。瓶体、悬挂装置为分体式。560004一次性使用贮血器系统(带过滤器)各型号(进口)套460100参数要求:1.材料:聚碳酸酯树脂,聚氨基甲酸乙酯泡沫,低密度聚乙烯,硅树脂,聚氯乙烯2 .使用范围:外科手术中自体血液或手术后引流血液中血液回收,贮血,滤血用

3、。3 .尺寸:过滤孔径150微米4 .灭菌方式:环氧乙烷5 .作用过程:通过一次性使用吸引管,把外科手术W自体血液或手术后引流血液中血液回收,贮血,滤血。6 .100mI血液中血浆游离血红蛋白含量增加每小时应在30mg以下46000一次性使用吸引管路各型号(进口)食370100参数要求:L材料:聚氯乙烯:聚乙烯,丙烯晴,丁二烯,苯乙烯共聚物2 .使用范围:与各种型号一次性使用外科贮血器配合,接在贮血器前端,吸引外科手术中失血,供自体血液同收用3 天关:管路的开关应用非接触式的夹具或流量调节器4 .灭菌方式:环氧乙烷5 作用过程:接在贮血器前端,吸引外科手术中失血,供37000自体血液回收用6.

4、抗变形:管路在最大负压-3OkPagF应无明显影响其功能的变形一次性使用血细胞分离器各型号(进口)套420100参数要求:L材料:聚氯乙烯:邻苯二甲酸二异辛酯;乙烯基成分(混合物)2 .使用范围:与HaemOnetiCS生产的自体血液S收机配套使用,血液将在261装置中进行收集,清洗并分离为红细胞和废液。3 .尺寸:125毫升4 .灭菌方式:环氧乙烷5 .作用过程:通过离心和分离进行收集,清洗和Pl收血液6 .离心杯旋转轴封性能,离心杯运转时不应发出异常噪音7 .血液残留量不超过20ml420005儿童.鼻底导管备型号(进口、含儿童/婴儿)个240100参数要求:1、鼻塞具有透水不透气性能,不产生液态冷凝水2、鼻塞具有人工皮直接贴附3、与院内呼吸湿化治疗仪配套使用,型号:PT101AZ参数要求:24000注:1、以上条款必须满足,否则视为无效投报。2、为杜绝采购过程中一切不正当竞争行为,所有中选供货商必须保证正常供货,满足院方需求。如不能正常供货者,将列入黑名单,半年内将不能参与我院所有医用耗材的投报,并停止在我院在供货物。3、带实物及检测报告。

展开阅读全文
相关资源
猜你喜欢
相关搜索

当前位置:首页 > IT计算机 > Web服务

copyright@ 2008-2023 1wenmi网站版权所有

经营许可证编号:宁ICP备2022001189号-1

本站为文档C2C交易模式,即用户上传的文档直接被用户下载,本站只是中间服务平台,本站所有文档下载所得的收益归上传人(含作者)所有。第壹文秘仅提供信息存储空间,仅对用户上传内容的表现方式做保护处理,对上载内容本身不做任何修改或编辑。若文档所含内容侵犯了您的版权或隐私,请立即通知第壹文秘网,我们立即给予删除!