土围堰专项施工方案word版模板.docx

上传人:p** 文档编号:646001 上传时间:2024-01-02 格式:DOCX 页数:7 大小:32.75KB
下载 相关 举报
土围堰专项施工方案word版模板.docx_第1页
第1页 / 共7页
土围堰专项施工方案word版模板.docx_第2页
第2页 / 共7页
土围堰专项施工方案word版模板.docx_第3页
第3页 / 共7页
土围堰专项施工方案word版模板.docx_第4页
第4页 / 共7页
土围堰专项施工方案word版模板.docx_第5页
第5页 / 共7页
土围堰专项施工方案word版模板.docx_第6页
第6页 / 共7页
土围堰专项施工方案word版模板.docx_第7页
第7页 / 共7页
亲,该文档总共7页,全部预览完了,如果喜欢就下载吧!
资源描述

《土围堰专项施工方案word版模板.docx》由会员分享,可在线阅读,更多相关《土围堰专项施工方案word版模板.docx(7页珍藏版)》请在第壹文秘上搜索。

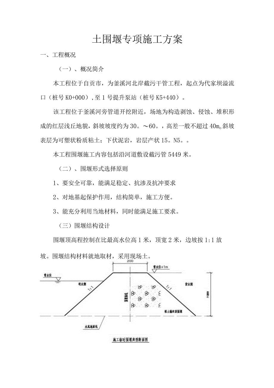
1、土围堰专项施工方案一承载城市梦想建筑美好生活XXXXXX工程(集团)有限公司20XX年05月15日会签页编制单位:XXXXXX工程(集团)有限公司总工程师:工程技术部:编制人:编制日期:20XX年5月15日土围堰专项施工方案一、工程概况(一)、概况简介本工程位于自贡市,为釜溪河北岸截污干管工程,起点为代家坝溢流口(桩号K0+000),至1号提升泵站(桩号K5+440)。该工程位于釜溪河旁管道开挖附近,场地为构造剥蚀、侵蚀、堆积形成的红层浅丘地貌,斜坡坡度约为30。60。,高差一般不超过40mo斜坡表层为可塑状粉质粘土;下伏泥岩,岩层产状15。N5。本工程围堰施工内容包括沿河道敷设截污管5449

2、米。(二)、围堰形式选择原则1、要安全可靠,能满足稳定、抗渗及抗冲要求2、对地基起保护作用,结构简单,施工方便。3、能充分利用当地材料,同时能满足施工要求。(三)围堰结构设计围堰顶高程控制在比最高水位高1米,顶宽2米,边坡按1:1放坡。围堰结构材料就地取材,采用现场土。二、主要应用标准和规范1、自贡市东部污水处理厂(一期)项目及配套管网工程相应图纸;2、施工组织设计及相关文件;3、踏勘工地,从现场调查、采集、咨询所获取的信息。三、施工准备1、技术准备K熟悉和分析工程地质、水文地质资料、基础形状尺寸和埋深情况、施工水位和流速、河床地质和周边情况分析等。1.2、制定详细的施工施工方案审批后实施,实

3、施前需对围堰作业班组进行技术交底,测量工程师对设计围堰平面位置进行放样。1.3、河床处理:修筑围堰前,先将堰底处河床上的树根、石块、表面淤泥及杂物挖除,大致整平。2、施工机具准备2.1、 运输设备:自卸车、装载机、手推车。1. 2、抽挖设备:挖掘机、潜污泵、水泵等。1.3、 测量仪器:全站仪、水准仪、钢尺等。3、材料及其他准备3.1、 主要材料:编织袋、草袋等,粘土。3.2、 其他准备:必要时配备装放土袋的铁钩铁栏。四、施工操作工艺1、施工工艺流程:围堰设计一A河床清淤整理一填土一A边坡堆码草袋T由水,开挖一基础施工一A围堰拆除。2、施工操作方法:2. 1、围堰材料:两侧边坡采用草袋、编织袋装

4、土堆码进行围堰,袋内装土量为土袋容量的1/22/3,袋口应缝合,不得漏土。土袋堆码在两边,中间填土石,也可以全断面采用土石围堰。2.2、 堰体尺寸:围堰顶宽2.O米,顶部比施工常水位高出1米以上,堰外边坡为1:1,堰内边坡为1:1,围堰内净尺寸应满足打桩需要。2.3、 堆码要求:先筑上游围堰,再筑下游。堆码在水中的土袋,可用钢筋焊制铁钩或铁笼,将草袋送入水中,其上下层和内外层应相互错缝,尽量堆码密实、平稳整齐。草袋中间填土可人工用手推车从岸边斜向向水中送土至高出水面,逐渐向前推进。2.4、 围堰筑好后,进行抽水。检验围堰漏水情况,开始抽水速度要慢,使其逐渐承受水压力完成预变形,防止抽水过快围堰

5、坍塌。2.5、 围堰拆除时应由下游开始,由堰顶至堰底,背水面至迎水面,逐步拆除。五、质量标准堰体尺寸、平面位置和布置形式、堰体放坡等参数严格按照设计文件标准执行,并满足相关规范和施工要求。六、安全、文明和环保措施1、工程开工前,施工单位必须详细核对设计文件,根据施工地段的地形、地质、水文、气象等资料,在编制施工组织设计的同时,制定相应的安全技术措施。2、参加施工的人员,必须接受安全技术教育,熟知和遵守本工种的各项安全技术操作规程,并应定期进行安全技术考核,合格者方准上岗操作。对于从事电气、起重、建筑登高架设作业、锅炉、压力容器、焊接、车辆驾驶、机动船艇驾驶、爆破、瓦斯检验等特殊工种的人员,应经

6、过专业培训,获得合格证书后,方准持证上岗。3、操作人员上岗前,必须按规定穿戴防护用品。施工负责人和安全检查员应随时检查劳动防护用品的穿戴情况,不按规定穿戴防护用品的人员不得上岗。4、施工所用的各种机具设备和劳动保护用品,应定期进行检查和必要的检验,保证其经常处于完好状态;不合格的机具设备和劳动保护用品严禁使用。5、下挖工程,施工前应根据设计文件复查地下构造物(电缆、管道等)的埋置位置及走向,并采取防护措施;施工中如发现有危险品及其它可疑物品时,应即停止下挖,报请有关部门处理。6、施工现场应设置安全标志,并不得擅自拆除。7、施工现场内的沟、坑、水塘等边缘应设安全护栏。8、测量人员在高压线附近工作

7、时,必须保持足够的安全距离。遇雷雨时不得在高压线、大树下停留。9、水文测量人员应穿救生衣。在陡峻的河岸进行观测时,应有简易便道和防护措施。10、挖基工程所设置的各种围堰和基坑支撑,其结构必须坚固牢靠。基础施工中,挖土、吊运、浇筑混凝土等作业,严禁碰撞支撑,并不得在支撑上放置重物。施工中发现围堰、支撑有松动、变形等情况时,应及时加固,危及作业人员安全时应立即撤出。11、基坑较深时,四周应悬挂人员上下扶梯。12、基坑支撑拆除时,应在施工负责人的指导下进行。拆除支撑应与基坑回填相互配合进行。有引起坑壁坍塌危险时,必须采取安全措施。13、在围堰内作业,遇有洪水时,应立即撤出作业人员。14、土石围堰施工过程中,对堰体应随时进行观察、测量,如发生滑坡、渗漏、淘刷等现象时,应分析原因,及时采取加固措施。15、围堰施工全过程尤其是抽水时必须派专人指挥、指导和监测,水上施工人员必须配备救生圈、穿救生衣。16、抽水不应过快,以便堰体逐步缓慢受压沉降稳定,防止坍塌。17、为防止施工过程中发生意外事故,保证围堰安全,应配备从堰外向堰内灌水的水泵。一旦发生异常情况,立即向堰内灌水,恢复内外平衡,经检查处理后再抽水开挖。18、围堰周围和堰顶必须具备良好的照明,顶部周边设置栏杆等安全防护设施。19、保持现场整洁有序,不随便向河内抛洒建筑垃圾、废物,泥浆应妥善处置或运走,不得随意向河内排放。

展开阅读全文
相关资源
猜你喜欢
相关搜索

当前位置:首页 > 建筑/环境 > 设计及方案

copyright@ 2008-2023 1wenmi网站版权所有

经营许可证编号:宁ICP备2022001189号-1

本站为文档C2C交易模式,即用户上传的文档直接被用户下载,本站只是中间服务平台,本站所有文档下载所得的收益归上传人(含作者)所有。第壹文秘仅提供信息存储空间,仅对用户上传内容的表现方式做保护处理,对上载内容本身不做任何修改或编辑。若文档所含内容侵犯了您的版权或隐私,请立即通知第壹文秘网,我们立即给予删除!