磷酸钾镁水泥耐水性能的改性研究.docx

上传人:p** 文档编号:648424 上传时间:2024-01-02 格式:DOCX 页数:3 大小:27.89KB
下载 相关 举报
磷酸钾镁水泥耐水性能的改性研究.docx_第1页
第1页 / 共3页
磷酸钾镁水泥耐水性能的改性研究.docx_第2页
第2页 / 共3页
磷酸钾镁水泥耐水性能的改性研究.docx_第3页
第3页 / 共3页
亲,该文档总共3页,全部预览完了,如果喜欢就下载吧!
资源描述

《磷酸钾镁水泥耐水性能的改性研究.docx》由会员分享,可在线阅读,更多相关《磷酸钾镁水泥耐水性能的改性研究.docx(3页珍藏版)》请在第壹文秘上搜索。

1、一、论文题目磷酸钾镁水泥耐水性能的改性研究二、论文目录第一章绪论第二章试验原材料、试件制备及试验方法第三章磷酸钾镁水泥改性的试验方案第四章正交试验结果及讨论关于磷酸钾镁水泥基本组分的正交试验试验以水胶比、P/M、硼砂三个因素作为正交试验的因子,各因子取四个不同水平。根据上述的分析,采用四水平三因素Li6(45)的正交表,以净浆的凝结时间、浸水28d的强度损失为考核指标,来寻找对镁水泥耐水性影响最显著的因素和磷酸镁水泥的最佳配比,正交试验方案见下表,其中空列用来验算试验误差。正交试验因素水平表因素水平、AP/MB水胶比C硼砂(%)空列空列11/30.1461121/40.1682231/50.1

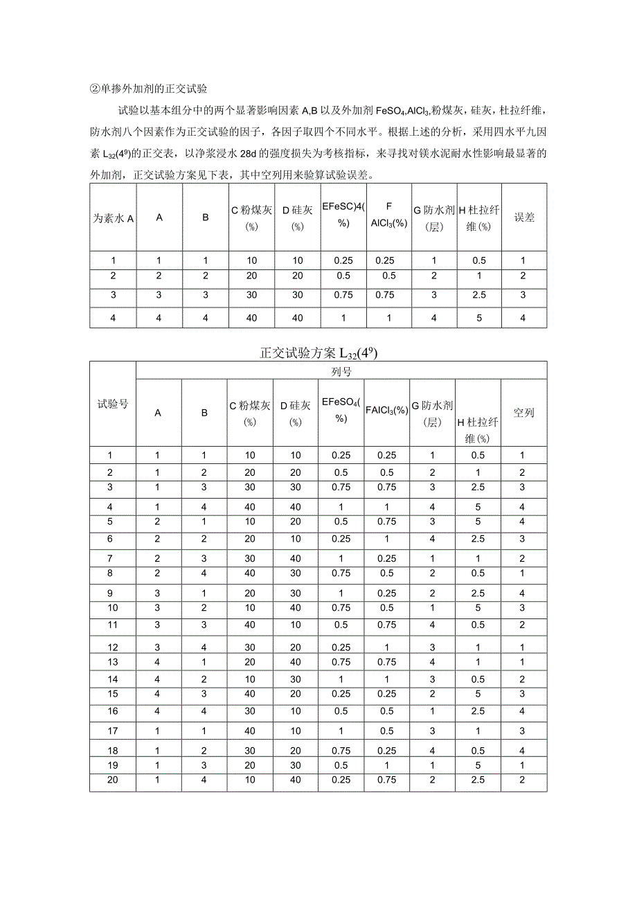
2、8103341/60.201244正交试验方案L16(45)素试验铲、AP/MB水胶比C硼砂(%)空列空列11/30.1461121/30.1682231/30.18103341/30.20124451/40.1483461/40.1664371/40.18121281/40.20102191/50.141042101/50.161231111/50.18624121/50.20813131/60.141223141/60.161014151/60.18841161/60.20632单掺外加剂的正交试验试验以基本组分中的两个显著影响因素A,B以及外加剂FeSO4,AlCl3,粉煤灰,硅灰,杜拉

3、纤维,防水剂八个因素作为正交试验的因子,各因子取四个不同水平。根据上述的分析,采用四水平九因素L32(49)的正交表,以净浆浸水28d的强度损失为考核指标,来寻找对镁水泥耐水性影响最显著的外加剂,正交试验方案见下表,其中空列用来验算试验误差。为素水AABC粉煤灰(%)D硅灰(%)EFeSC)4(%)FAlCl3(%)G防水剂(层)H杜拉纤维(%)误差11110100.250.2510.5122220200.50.521233330300.750.7532.53444404011454正交试验方案L32(49)试验号列号ABC粉煤灰(%)D硅灰(%)EFeSO4(%)FAICl3(%)G防水剂(

4、层)H杜拉纤维(%)空列11110100.250.2510.5121220200.50.521231330300.750.7532.5341440401145452110200.50.7535462220100.25142.53723304010.2511282440300.750.520.51931203010.2522.54103210400.750.5153113340100.50.7540.52123430200.251311134120400.750.75411144210301130.52154340200.250.25253164430100.50.512.54171140101

5、0.5313181230200.750.2540.54191320300.51151201410400.250.7522.52212140200.75112.522222301010.75251232320400.250.530.54242410300.50.25413253130300.250.5452263240400.50.2532.51273310100.7512142834202010.7510.53294130400.5120.53304240300.250.751143143102010.542.51324420100.750.25352上面正交表中的问题:在做实验时,所有的外加剂都一起加进去,会不会外加剂量太大,影响试验的结果,以至于没法得到想要的结果。双掺外加剂时的试验量很大,而且也没有相应的正交表可以用,现在还没想到怎么做!有听他们用到人工神经网络,可以同时研究两个变量对试验结果的影响,所以我在想可不可以采用这用方法研究双掺下的试验结果,同时也可以验证单掺下的正交试验的结果。第五章对实验结果影响较显著的因素的试验研究及机理分析对单掺和双掺中对磷酸钾镁水泥耐水性能影响较显著的外加剂进行试验,分别找出在淡水和海水中养护时其最优掺量,并通过微观试验解释其宏观试验结果。第六章结论与展望

展开阅读全文
相关资源
猜你喜欢
相关搜索

当前位置:首页 > 论文 > 毕业论文

copyright@ 2008-2023 1wenmi网站版权所有

经营许可证编号:宁ICP备2022001189号-1

本站为文档C2C交易模式,即用户上传的文档直接被用户下载,本站只是中间服务平台,本站所有文档下载所得的收益归上传人(含作者)所有。第壹文秘仅提供信息存储空间,仅对用户上传内容的表现方式做保护处理,对上载内容本身不做任何修改或编辑。若文档所含内容侵犯了您的版权或隐私,请立即通知第壹文秘网,我们立即给予删除!