2019年10月自学考试05510《模具工程材料》试题.docx

上传人:p** 文档编号:651744 上传时间:2024-01-02 格式:DOCX 页数:2 大小:28.22KB
下载 相关 举报
2019年10月自学考试05510《模具工程材料》试题.docx_第1页
第1页 / 共2页
2019年10月自学考试05510《模具工程材料》试题.docx_第2页
第2页 / 共2页
亲,该文档总共2页,全部预览完了,如果喜欢就下载吧!
资源描述

《2019年10月自学考试05510《模具工程材料》试题.docx》由会员分享,可在线阅读,更多相关《2019年10月自学考试05510《模具工程材料》试题.docx(2页珍藏版)》请在第壹文秘上搜索。

1、2019年工O月高等教育自学考试模具工程材料试题课程代码:05510二、单项选择题1 .以下模具材料中,热处理淬透性最好的是A.20CrMnTiB.40CrC.GCrl5D.Q2352 .下列各项因素中,可提高冷作模具抗疲劳性的是A.晶粒细小B.表面脱碳C.截面形状变化D.网状碳化物3 .碳素工具钢具有硬度较低、切削加工性好等性能的热处理状态是A.正火B.退火C.回火D.调质4 .钢结硬质合金的终锻温度是A.600B.700CC.800CD.9005 .下列低淬透性冷作模具材料中,耐磨性最好的是A.T7AB.T8AC.TIOAD.GCrl56 .Crl2型钢属于莱氏体钢,铸态组织中含有大量的A

2、.铁素体B.共晶碳化物C.珠光体D.奥氏体7 .重载冷冲模主要失效形式是崩刃、折断,因此应重点保证模具获得A.淬硬性B.高强韧性C.高硬度D.热稳定性8 .适合于制造形状复杂、冲击负荷大、要求高强度和高韧性的中大型锤锻模的钢种是A.5CrNiMoB.4CrMnSiMoVC.5CrMnMoD.45Cr2NiMoVSi9 .为了使锻后毛坯的断裂韧度得到改善,常采用的热处理工艺是A.退火B.正火C.高温调质D.淬火、回火10 .难熔金属的熔点在A.1500C以上B.1550C以上C.160(C以上D.1650C以上11 .当塑料中含有石英粉等填充剂时,其模具型腔选材时要特别注意的是A.粘附B.磨损C

3、.断裂D.腐蚀12 .以下属于热固性塑料的是A.聚酰胺B.聚甲醛C.聚碳酸酯D.环氧树脂13 .向工件表层同时渗入氮和碳,并以渗氮为主的化学处理工艺称为A.渗碳B.渗氮C.软氮化D.碳氮共渗14 .下列工艺中,属于改变表面化学成分的方法的是A.离子注入B.化学气相沉积C.高频加热淬火D.TD法15 .用CrI2MoV钢制造拉深模,表面镀覆Ni-P后,使用寿命大幅提升,采用的方法是A.化学镀B.复合电镀C.电镀非晶体D.合金电镀二、填空题16 .渗铭具有优良的耐磨性、抗高温氧化和耐磨损性能,适用于、和镶基或钻基合金工件。17 .钢的基体组织中,耐磨性最差,马氏体耐磨性较好,耐磨性最好。18 .渗

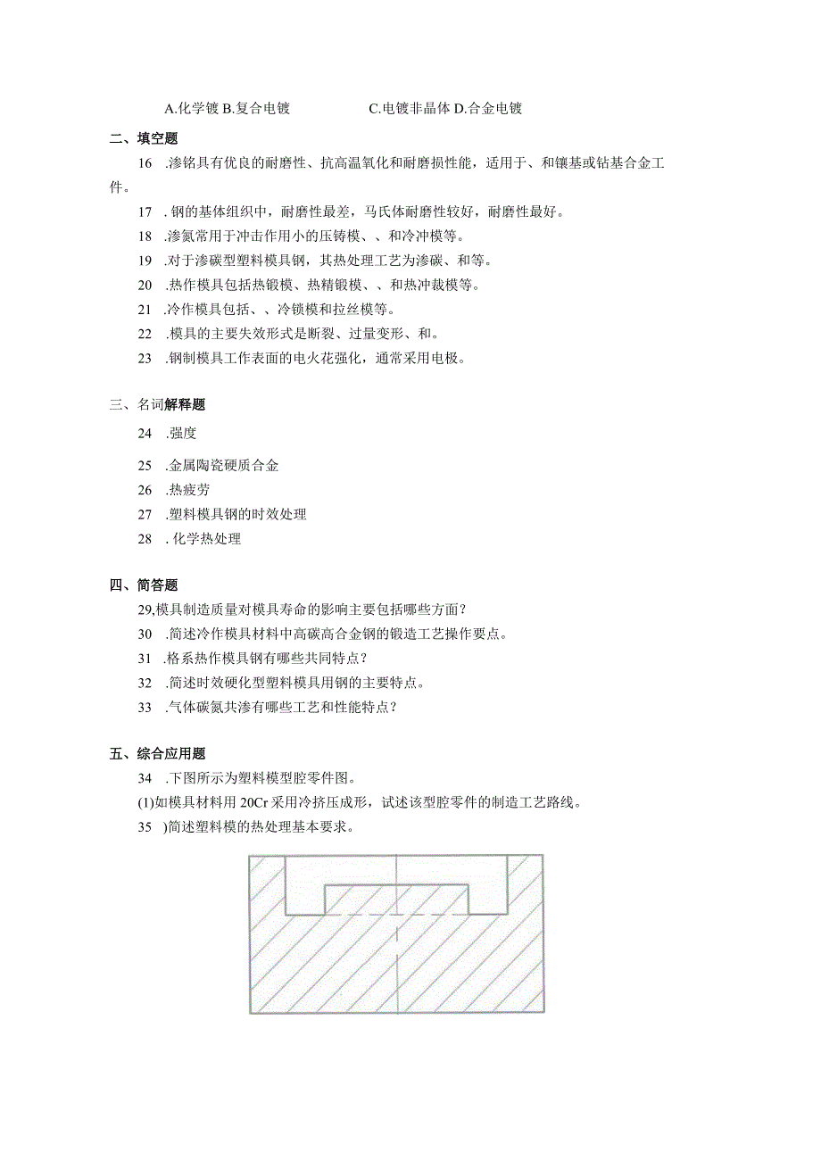
4、氮常用于冲击作用小的压铸模、和冷冲模等。19 .对于渗碳型塑料模具钢,其热处理工艺为渗碳、和等。20 .热作模具包括热锻模、热精锻模、和热冲裁模等。21 .冷作模具包括、冷锁模和拉丝模等。22 .模具的主要失效形式是断裂、过量变形、和。23 .钢制模具工作表面的电火花强化,通常采用电极。三、名词解释题24 .强度25 .金属陶瓷硬质合金26 .热疲劳27 .塑料模具钢的时效处理28 .化学热处理四、简答题29,模具制造质量对模具寿命的影响主要包括哪些方面?30 .简述冷作模具材料中高碳高合金钢的锻造工艺操作要点。31 .格系热作模具钢有哪些共同特点?32 .简述时效硬化型塑料模具用钢的主要特点。33 .气体碳氮共渗有哪些工艺和性能特点?五、综合应用题34 .下图所示为塑料模型腔零件图。(1)如模具材料用20Cr采用冷挤压成形,试述该型腔零件的制造工艺路线。35 )简述塑料模的热处理基本要求。

展开阅读全文
相关资源
猜你喜欢
相关搜索

当前位置:首页 > 高等教育 > 习题/试题

copyright@ 2008-2023 1wenmi网站版权所有

经营许可证编号:宁ICP备2022001189号-1

本站为文档C2C交易模式,即用户上传的文档直接被用户下载,本站只是中间服务平台,本站所有文档下载所得的收益归上传人(含作者)所有。第壹文秘仅提供信息存储空间,仅对用户上传内容的表现方式做保护处理,对上载内容本身不做任何修改或编辑。若文档所含内容侵犯了您的版权或隐私,请立即通知第壹文秘网,我们立即给予删除!