2018年04月自学考试02202《传感器与检测技术》试题.docx

上传人:p** 文档编号:652033 上传时间:2024-01-02 格式:DOCX 页数:3 大小:32.40KB
下载 相关 举报
2018年04月自学考试02202《传感器与检测技术》试题.docx_第1页
第1页 / 共3页
2018年04月自学考试02202《传感器与检测技术》试题.docx_第2页
第2页 / 共3页
2018年04月自学考试02202《传感器与检测技术》试题.docx_第3页
第3页 / 共3页
亲,该文档总共3页,全部预览完了,如果喜欢就下载吧!
资源描述

《2018年04月自学考试02202《传感器与检测技术》试题.docx》由会员分享,可在线阅读,更多相关《2018年04月自学考试02202《传感器与检测技术》试题.docx(3页珍藏版)》请在第壹文秘上搜索。

1、2018年4月高等教育自学考试传感器与检测技术试题课程代码:02202一、单项选择题1 .属于传感器静态特性指标的是A.超调量B.时间常数C.稳定时间D,迟滞特性2 .平板型电容式角位移传感器属于A.变极距型传感器B.变气隙型传感器C.变面积型传感器D.变介质型传感器3 .霍尔式转速传感器测量转速时,当被测物上的标记数z=4,传感器输出周期信号的频率f=200Hz时,则轴的转速为A.1500r/minB.2000r/minC.2500r/minD.3000rmin4 .涡流式压力传感器属于A.电阻式传感器B.电感式传感器C.电容式传感器D.压电式传感器5 .能够实现热电偶冷端补偿的方法是A.电

2、位补偿法B.电流补偿法C.电容补偿法D.电阻补偿法6o直流电阻型水分传感器工作时,感受水分的高分子物质的电阻值与含水率的增大呈A.比例减少B.比例增加C.对数减少D.对数增加7 .引起人的接触觉的是作用于皮肤表面层上的微小A.应变B.应力C.压力D.加速度8 .一个中心频率为200HZ的带通滤波器,若其-3dB通频带宽度为40Hz,则其品质因数为A.5Bo50C.500D.50009 .信号的幅值谱表示的是各谐波分量的A.幅值与频率的对应关系B.幅值与初相位的对应关系C.初相位与频率的对应关系D.幅值和初相位与频率的对应关系10 .在超声无损检测中,超声波的频率一般不低于A.IOkHzB.20

3、kHzC.30kHzD.40kHz二、填空题11 .稳定性是指在条件、相当长时间内,传感器输儿输出特性不发生变化的能力。12 .某线性电位器,当被测位移增量为IOmm时,相应的输出电压增量为IV,则此电位器的电压灵敏度为V/m.13 .与压电式加速度传感器配套使用的电压放大器,其阻抗应尽可能大。14 .在应变式扭矩传感器中,四个应变片接成全桥电路,除了可提高灵敏度外,还可消除温度、轴向力和的影响。15 .临界温度热敏电阻的特点是:在临界温度附近,其电阻值变化。16 .一氧化碳报警器的敏感元件属于元件。17 .滑动觉传感器仅检测指部与操作物体在切向的相对,而不检测接触表面法向的接触或压力。18

4、.数.模转换器的是指最小输出电压与最大输出电压之比。19o时域周期信号的频谱具有性、收敛性和谐波性。20 .三坐标测量机中的测量系统,是利用莫尔条纹原理检测坐标的移动量。三、问答题21 .在传感器的动态标定中,一般标定哪些频域特性指标?22 .试说明开磁路式变磁通速度传感器的优缺点。23 .简述电容式扭矩传感器的工作原理。24 .简述视觉传感器接收部分的组成和功能。25 .简述机器人中常用位移传感器的类型。四、计算题26 .某磁栅式位移传感器的两个静态磁头的间距为0.5mm,分别以5sin800t(V)和5cos808(V)供给励磁线圈。试回答(1)磁尺剩磁信号的波长;(2)若其差动连接的输出

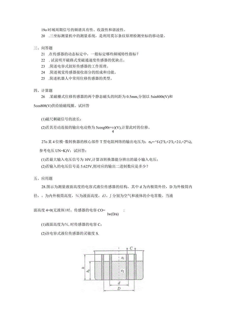
5、电动势为5cosg00r+)(V),计算此时的位移。427o某4位模-数转换器的核心部件T型电阻网络的输出电压为:0=f-(23J3+22J2+2,J1+20),参考电压UN=K)V;试回答:(1)若最大输入电压信号为10V,计算该转换器能分辨出的最小输入电压;(2)若输入的电压信号是5.625V,则对应的输出二进制数应是多少?五、应用题28.图示为测量液面高度的电容式液位传感器的结构,其中d为内极筒外径,D为外极筒内径,。为内外极筒高度,为液面高度,1、J分别为空气和液体的介电常数。当液面高度4=0(无液体)时,传感器的电容CO=:lw(Da)(1)液面高度为,时传感器的电容C;(2)该电容式液位传感器的灵敏度S.题28图29 ,一压阻式压力传感器,四个压敏电阻的初始值为12OaR1、Rt的相对变化量与R2、的相对变化量随被测压力的变化率分别为0007MPa和0.007MPa,试回答:(1)设计恒压源供电的四臂受感电桥电路;(2)被测压力为0.2MPa时,计算属、6的电阻值;(3)若上述电桥工作电压为5V,被测压力为0.5MPa时,电桥输出电压值为多少?30 .宽度为T,幅值为I的矩形窗函数w(t)的频谱为W()=TSinC(省乃。试给出时延窗函数卬。-2幻伍为常数)的频谱表达式,并绘制出vV-2r0)的幅值谱图。

展开阅读全文
相关资源
猜你喜欢
相关搜索

当前位置:首页 > 高等教育 > 习题/试题

copyright@ 2008-2023 1wenmi网站版权所有

经营许可证编号:宁ICP备2022001189号-1

本站为文档C2C交易模式,即用户上传的文档直接被用户下载,本站只是中间服务平台,本站所有文档下载所得的收益归上传人(含作者)所有。第壹文秘仅提供信息存储空间,仅对用户上传内容的表现方式做保护处理,对上载内容本身不做任何修改或编辑。若文档所含内容侵犯了您的版权或隐私,请立即通知第壹文秘网,我们立即给予删除!