吴家镇场镇品质提升工程--场镇部分景观施工图设计说明.docx

上传人:p** 文档编号:220164 上传时间:2023-04-17 格式:DOCX 页数:13 大小:60.07KB
下载 相关 举报
吴家镇场镇品质提升工程--场镇部分景观施工图设计说明.docx_第1页
第1页 / 共13页
吴家镇场镇品质提升工程--场镇部分景观施工图设计说明.docx_第2页
第2页 / 共13页
吴家镇场镇品质提升工程--场镇部分景观施工图设计说明.docx_第3页
第3页 / 共13页
吴家镇场镇品质提升工程--场镇部分景观施工图设计说明.docx_第4页
第4页 / 共13页
吴家镇场镇品质提升工程--场镇部分景观施工图设计说明.docx_第5页
第5页 / 共13页
吴家镇场镇品质提升工程--场镇部分景观施工图设计说明.docx_第6页
第6页 / 共13页
吴家镇场镇品质提升工程--场镇部分景观施工图设计说明.docx_第7页
第7页 / 共13页
吴家镇场镇品质提升工程--场镇部分景观施工图设计说明.docx_第8页
第8页 / 共13页
吴家镇场镇品质提升工程--场镇部分景观施工图设计说明.docx_第9页
第9页 / 共13页
吴家镇场镇品质提升工程--场镇部分景观施工图设计说明.docx_第10页
第10页 / 共13页
亲,该文档总共13页,到这儿已超出免费预览范围,如果喜欢就下载吧!
资源描述

《吴家镇场镇品质提升工程--场镇部分景观施工图设计说明.docx》由会员分享,可在线阅读,更多相关《吴家镇场镇品质提升工程--场镇部分景观施工图设计说明.docx(13页珍藏版)》请在第壹文秘上搜索。

1、吴家镇场镇品质提升工程场镇部分景观施工图设计说明一、概况1、项目概况本设计内容为荣昌区吴家镇场镇品质提升项目中对应景观部分的提升改造设计。2、设计工作范图和主要内容1、 1、设计工作范图本次整治范围为包括6条道路,A线140.84m,路幅宽度约IOm:B线212.77m,路幅宽度约7m;C线154m,路幅宽度约9m;D线193.46m,路幅宽度7.5m;E线长159.67m,路幅宽度约6m:F线长146.45m.路幅宽度9.5m。具体范围详见整治平面图。2、 2、主要内容车行道整治内容为:局部挖补、调平罩面、雨水口调及平更换、检查井调平及更换。人行道整治内容为:人行道翻修、路绿石更换、树池整治

2、、检查并提升并更换并盖井座等。3、设计依据1),吴家镇人民政府与我公司签订的设计合同2)、业主提供的1:500地形图8)、现状调查和现场踏勘收集的资料等4、采用的设计规范1),城市道路维护工程设计规范(DB50/T305-2008)2)、城市道路工程设计规范(JJ37-2012)2016版)3)、城市道路交叉口设计规程(CJJI52-2010)4)、城镇道路路面设计规范(CJJ169-2012)5)、城市道路路基设计规范(CJJl94-2013)6)、无障碍设计规范(GB50763-2012)7),建筑与市政工程无障碍通用规范(GB55019-2021)8),城市道路交通工程项目规范(GB55

3、011-2021)二、设计原则本次整治不改变道路的平、纵线形,只对路面和人行道进行整治。三、道路整治设计1、车行道整治首先为破损水泥混凝土路面进行挖补处理,然后进行局部调平,再对全段道路钱刨拉毛后进行罩面。范围详见整治平面图。(I)原水泥混凝土路面病害处治对水泥混凝土路面破损地段,按开挖后球板和基层破坏形式分为以下几种情况处理:1)硅板破损,但多渣基层完好。用切割机将有病害的硅板切割成矩形,破碎并清除碎块,压实原多渔基层;然后按照下述结构,重新补齐原路面,与原舲板齐平。挖补结构为:基层:厚24CmC30混凝土板加3天早强剂2)跳板和多港基层均破损或损坏经现场调查,挖补面积较小。用切割机将有病害

4、的杜板切割成矩形,破碎碎板并清除碎块和原多渣基层;然后按照下述结构,重新补齐原路面,与原理板齐平。挖补结构为:基层:厚24CmC30混凝土板底基层:厚20CmC20混凝土板切割硬板块的最小面积为IXlnu若切割板块边缘离原板块边缘走离小于50Cm时,应将剩余部分一并切除。(2)调平设计对道路调平施工前,落对车行道现状标高进行复测,根据沉陷值进行调平。其中:烤边向前滚动卷材,并用力压实,对称粘贴在缝上,注意调节火焰大小和速度,使沥青温度在200250C之间,仅熔化而不能过多流淌或烤透卷材,搭接长度IOCnU2、人行道整治由于原有人行道修建较久病害多、整体平整度和视觉效果较差,因此采用全幅翻修的方

5、式即拆除现有人行道,重新铺筑人行道基层、安砌路缘石、铺筑人行面层。且在人行道采用以下结构层:5cm透水混凝土IOcmC20水泥混凝土路绿石采用C30混凝土材质,要高出罩面后车行道路面15cm,局部路段受内侧临街建筑门面标高限制时可结合实际调整。3、其他整治项目(1)调平道路整治范围内检查井,更换破损的井盖、井座为球墨铸铁材质井盖、并在其下设钢筋混凝土盖板。(2)调平车行道两侧雨水口,并更换雨水篦。(3)整治道路两侧商铺门口台阶用青石板铺砌。(4)清理人行道现状树池,翻修新建树图,树圈内铺设透水混凝土。4、无障碍设计为了方便残疾人使用城市道路设施,根据无障碍设计规范(GB50763-2012),

6、建筑与市政工程无障碍通用规范(GB55019-2021)的要求,在大于2m宽的人行道及道路交叉口处,设置盲道、三面坡缘石坡道,供残疾人使用。单面坡缘石坡道宽同人行横道线宽度,盲遒宽0.3m。D人行遒盲道砖采用灰色透水砖,其表面触感部分以下的厚度与人行铺装厚度一致。2)盲道宽度为0.30m,盲道应连续,中途不得有电线杆、拉线、树木等障碍物,宜避开井盖铺设。3)人行道成孤线形路线时,行进盲道应与人行道走向一致。4)盲道应采用与盲道宽度相同的坡道与道路相接。5)距人行横道入口0.6Om处应设提示盲道,其长度与各入口的宽度应相对应。5、交通标线设计调平厚度24Cm时,先用ACT6C沥青混凝土进行调平调

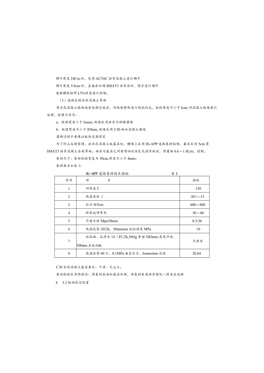
7、平厚度V4cm时,直接在加铺SMAT3沥青层时,同步进行调平道路横坡按照L5%坡度进行控制。(3)道路全段沥青混凝土罩面原水泥混凝土路面病害处理完成后,对路面整体进行钱刨拉毛,挑刨厚度不小于Icm5对混凝土板缝进行处理,处理方法为:a、板缝宽度小于Ionun,板缝采用沥青马蹄脂灌缝b、板缝宽度不小于IOlnm,板缝采用C30细石混凝土灌魂灌缝过程中要保证板线充满密实为了防止反射裂缝,在水泥混凝土板基层纵、横缝上采用Hi-APP道路卷材贴缝,最后采用5cm厚SMAT3沥青混凝土全副罩面。面层与基层之间要喷洒改性乳化沥青粘层,用量按0.61.0Lm,控制。卷材尺寸:卷材粘贴宽度为50cm,厚度不小

8、于4mm:卷材要求如表1:Hi-APP道路卷材技术指标表1序号项目指标1耐热度C1502低温柔性(-IO-153拉力N5cm6008004断裂延伸率先30405不透水性Mpa30min0.3/306低温抗裂-20/2h、50min抗拉强度MPa107抗珞破、抗渗水14(FC2h,50Og重锤30Omm高度冲击、500rn水柱16h不渗水8高温抗剪60七、0.1MPa垂直压力、Iommmin压速20.04C30水泥混凝土基层要求:干净、无尘土。卷材粘贴采用热熔法:将卷材底面和基层加热,待卷材表面沥青熔化一薄层后边烘4. 3.2板块脱空处置当确定为板块脱空时,并且弯沉差小于0.05mm,板块间具有

9、较好的传荷能力,采用M7.5水泥浆材料进行灌浆。濯浆孔布置采取梅花型,但灌浆孔离板边的距离不小于50cmo灌浆应按照相关规范施工。4.4对面层的要求:要求压实度298%(马歇尔试验密度为标准密度);厚度容许偏差:20mm,-5mm;平整度:翻修段5mm,挖补段7mm:宽度:20mm;纵断面高程:10mm;横坡度:士IOmm且不大于0.3%:弯沉值W30(0.Olmm)。4. 5对SMA混合料的要求5. 5.1SMA混合料质量应符合表1的规定。SMA混合料技术要求表1马歇尔设计参数技术要求空隙率(%)34沥青用量(黯最小6.0矿料间隙率最小17稳定度(N)最小6200流值(0.Imm)2040击

10、实次数,双面各75析漏(%)最大03(lh读数)4.5.2SMA面层粗集料应采用质地坚硬,表面粗糙,形状接近立方体有良好的嵌挤能力的破碎集料,其质量技术要求见表2SMA表面层粗集料质量技术要求表2指标单位技术要求试脸方法石料压碎值不大于%25T0316洛杉机磨耗损失不大于%28T0317视密度不小于tm32.6T0304吸水率不大于%2T0304与沥青的粘附性不小于级4T0316坚固性不大于%12T0314本项目为老场镇旧路改造,本次设计不改变路网结构及道路平纵线形,仅对路面及人行道进行提档升级,路面铺设后结合现状情况施划路面标线,标线采用道路交通用热熔涂料划设,主要包括车道边线(白色)、对向

11、车道分割线(黄色),人行过街斑马线,需报交管部门审批后统一实施。四、施工技术要求4.1对路基的要求:要求路基坚实平整,回弹模量N30MPa.当路基的回弹模量30MPa时,应换填。路基的填土不得使用腐质土、生活垃圾、淤泥,不得含杂草、钝根等杂物,粒径超过IOCm的土块应打碎。应选用级配较好的粗粒土为填料,且应优先选用砾类土、砂类土,并在最佳含水量时压实。路基填土经压实后,不得有松散、软弹、翻浆及表面不平整现象。路基压实度295%(重型击实标准),平整度20mm;中线高程20mm;宽度:不小于设计规定;横坡度:20mm且不大于0.3/。4.2对水泥混凝土基层和底基层的要求平整度:V5mm,相邻板高

12、差:3mm.板厚:IOmm,板宽度:20mm0对于混凝土,要求选用收缩性小,抗冻性好,其物理性能和化学成份符合国家标准规定的水泥,水泥的抗压强度、抗折强度、安定性和凝结时间必须检验合格。用于基层混凝土板的水泥混凝土,要求抗弯拉强度必须达到45MPa,底基层的水泥混凝土,抗压强度必须达到C20混凝土强度。在混凝土强度达到设计强度40%以上方可允许行人通过,达到80%以上才能开放交通。现有沥青混凝土路面加铺前在特重交通量等级的作用下弯沉值W35(0.01ram)混凝土面外观,不应有雾石、蜂窝、麻面、裂缝、脱皮、嘴边、掉角、印痕和轮迹等现象。接缝应平实、粘结牢固和缝缘清洁整齐。水泥混凝土底基层及基层

13、的纵向和横向接缝应相互重合。每层混凝土板的纵向和横向接缝应垂直相交,纵绫两侧的横绫不得相互错位。4.3水泥混骁土板块脱空的检测及处理4.3.1板块脱空位置的确定当混凝土板弯沉测试(BZZTOO)大于35(0.0Imin)时,该混凝土板视为脱空,则应进行灌浆处理。灌浆处理以后的混凝土板弯沉测试(BZZTOO)应不大于30(0.Olmrn),且相邻板间的弯沉差应不大于6(0.OInim)。达到以上处理要求以后,即视为合格。否则应重新灌浆处理,直到合格为止。指标单位技术要求试睑方法块亲水系数不大于1T0353塑性指数不大于4TolI8或0119(土工试验)4.5.5用于SM的木质素纤维用量以沥青混合

14、料总量的质型百分比率计算,掺量为O.4%o木质素纤维的质量技术要求见表5。木质素纤维的质量技术要求表5试验项目指标试验方法纤维长度6m水溶液用显微镜观测灰分含量18%5%.无挥发物高温590(C650tC燃烧后,测定残留物PH值7.51.0水溶液用PH试纸或PH计测定吸油率不小于纤维质量的5倍用煤油浸泡后,放在筛上,经报敲后称量含水率5%(以质量计)105P洪箱烘2h后,冷却称量4.5.6聚合4囱改性沥青改性剂的掺量按内卷*法计算,对SBS类改性沥青,剂量宜为3.5%5%,对EVA及PE类改性沥青,剂量宜为4%6%。聚合物改性沥青的质量技术要求见表6。聚合物改性沥青质量技术要求表6技术指标SBS(IEVAxPE类(In类)试验I-DIH-D针入度指数Pl不小于0-0.4T0604针入度25aC,5s(0.1mm)不40603040T0604延度5*C,5cmmin(cm)不小20T0605软化点T&(c)不小于6060T0606运动粘度135*C(Pa.S)不33T0625闪点(七)不小于230230T0611溶解度(%)不小于99-T0607离析、软化点差(七)不大于2.5无改性剂明显析出、凝聚T0661弹性恢

展开阅读全文
相关资源
猜你喜欢
相关搜索

当前位置:首页 > 建筑/环境 > 园林工程

copyright@ 2008-2023 1wenmi网站版权所有

经营许可证编号:宁ICP备2022001189号-1

本站为文档C2C交易模式,即用户上传的文档直接被用户下载,本站只是中间服务平台,本站所有文档下载所得的收益归上传人(含作者)所有。第壹文秘仅提供信息存储空间,仅对用户上传内容的表现方式做保护处理,对上载内容本身不做任何修改或编辑。若文档所含内容侵犯了您的版权或隐私,请立即通知第壹文秘网,我们立即给予删除!