室内装饰装修用美缝剂、有砂型美缝剂、美容胶技术指标.docx

上传人:p** 文档编号:652590 上传时间:2024-01-02 格式:DOCX 页数:4 大小:25.59KB
下载 相关 举报
室内装饰装修用美缝剂、有砂型美缝剂、美容胶技术指标.docx_第1页
第1页 / 共4页
室内装饰装修用美缝剂、有砂型美缝剂、美容胶技术指标.docx_第2页
第2页 / 共4页
室内装饰装修用美缝剂、有砂型美缝剂、美容胶技术指标.docx_第3页
第3页 / 共4页
室内装饰装修用美缝剂、有砂型美缝剂、美容胶技术指标.docx_第4页
第4页 / 共4页
亲,该文档总共4页,全部预览完了,如果喜欢就下载吧!
资源描述

《室内装饰装修用美缝剂、有砂型美缝剂、美容胶技术指标.docx》由会员分享,可在线阅读,更多相关《室内装饰装修用美缝剂、有砂型美缝剂、美容胶技术指标.docx(4页珍藏版)》请在第壹文秘上搜索。

1、表A室内装饰装修用美缝剂技术指标序号项目技术指标1固体含量/%962表干时间/h557耐磨性(IooOg500r)mg408耐液体介质耐酸性(5%醋酸溶液,168h)无起泡、开裂、明显变色耐碱性(5%NaoH溶液,168h)无起泡、开裂、明显变色9耐污染性/级蓝黑墨水2.食醋红茶2红葡萄酒酱油10人工气候老化(使用窗玻璃滤光器产/级粉化4.0热老化后3.0浸水后3.0适用于白色和浅色的产品,浅色是指按现行国家标准中国颜色体系GBfrl5608中规定明度值69之间(三刺激值中的Yixs3L26)的颜色。注:来源于协会标准室内装饰装修用美缝剂T/CBMF166-2022附录B天冬聚服美缝剂技术指标

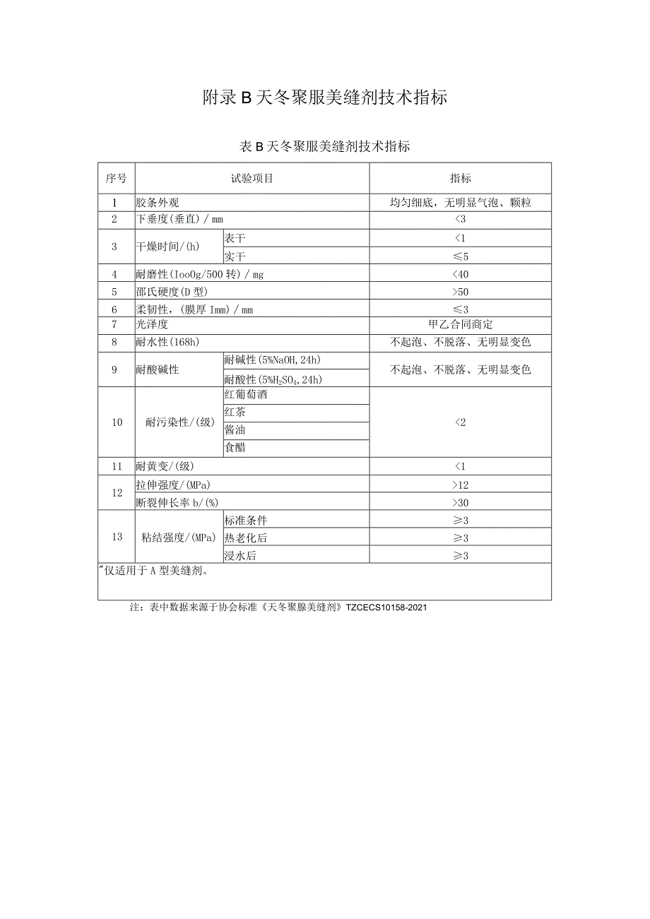
2、表B天冬聚服美缝剂技术指标序号试验项目指标1胶条外观均匀细底,无明显气泡、颗粒2下垂度(垂直)mm33干燥时间/(h)表干1实干54耐磨性(IooOg/500转)mg506柔韧性,(膜厚Imm)mm37光泽度甲乙合同商定8耐水性(168h)不起泡、不脱落、无明显变色9耐酸碱性耐碱性(5%NaOH,24h)不起泡、不脱落、无明显变色耐酸性(5%H2SO4,24h)10耐污染性/(级)红葡萄酒2红茶酱油食醋11耐黄变/(级)12断裂伸长率b/(%)3013粘结强度/(MPa)标准条件3热老化后3浸水后3仅适用于A型美缝剂。注:表中数据来源于协会标准天冬聚腺美缝剂TZCECS10158-2021表C室内装饰装修用有砂型美缝剂技术指标序号项目技术指标1耐磨性Zmm315.03抗压强度/MPa30.04收缩值/(mmm)1.55吸水量/g240min657耐液体介质耐酸性(5%醋酸溶液,168h)无起泡、开裂、明显变色耐碱性(5%NaOH溶液,168h)无起泡、开裂、明显变色8耐污染性/级蓝黑墨水2食醋红茶2红葡萄酒酱油9人工气候老化(使用窗玻璃滤光器产/级粉化1变色0.4或0.60.4和0.6定伸粘接性无破坏无破坏浸水后定伸粘接性无破坏无破坏质量损失66冷拉热压无破坏无破坏注:表中数据来源于协会标准室内装饰装修用美容胶T/CECS10290-2023

展开阅读全文
相关资源
猜你喜欢
相关搜索

当前位置:首页 > 行业资料 > 国内外标准规范

copyright@ 2008-2023 1wenmi网站版权所有

经营许可证编号:宁ICP备2022001189号-1

本站为文档C2C交易模式,即用户上传的文档直接被用户下载,本站只是中间服务平台,本站所有文档下载所得的收益归上传人(含作者)所有。第壹文秘仅提供信息存储空间,仅对用户上传内容的表现方式做保护处理,对上载内容本身不做任何修改或编辑。若文档所含内容侵犯了您的版权或隐私,请立即通知第壹文秘网,我们立即给予删除!