XX35kV送变电工程检修电源箱技术协议书(2023年).docx

上传人:p** 文档编号:653915 上传时间:2024-01-02 格式:DOCX 页数:3 大小:35.19KB
下载 相关 举报
XX35kV送变电工程检修电源箱技术协议书(2023年).docx_第1页
第1页 / 共3页
XX35kV送变电工程检修电源箱技术协议书(2023年).docx_第2页
第2页 / 共3页
XX35kV送变电工程检修电源箱技术协议书(2023年).docx_第3页
第3页 / 共3页
亲,该文档总共3页,全部预览完了,如果喜欢就下载吧!
资源描述

《XX35kV送变电工程检修电源箱技术协议书(2023年).docx》由会员分享,可在线阅读,更多相关《XX35kV送变电工程检修电源箱技术协议书(2023年).docx(3页珍藏版)》请在第壹文秘上搜索。

1、202X年XXXX35kV送变电工程检修电源箱技术协议书XX供电分公司202X年9月1、运行环境户外1.1安装场所L2海拔高度L3相对湿度L4运行环境温度IOOOm不大于90%-30oC +50oC2、技术指标2.1型号及用途型号安装方式主要设备外形尺寸(Inm)宽X深X高用途名称型号(凤凰)单位数量普通端子UDK3个60接地端子USLG3个2XW-I固定在豉墩上加装不锈钢底座DZ47L-3P32A1台DZ47L-3P63A2台DZ47L-2P32A1台DZ47L-2P63A1台500600X1000底座:500600X2001、提供检修电源2、隔离开关辅助触点接线过渡。2.2箱内端子安装数量

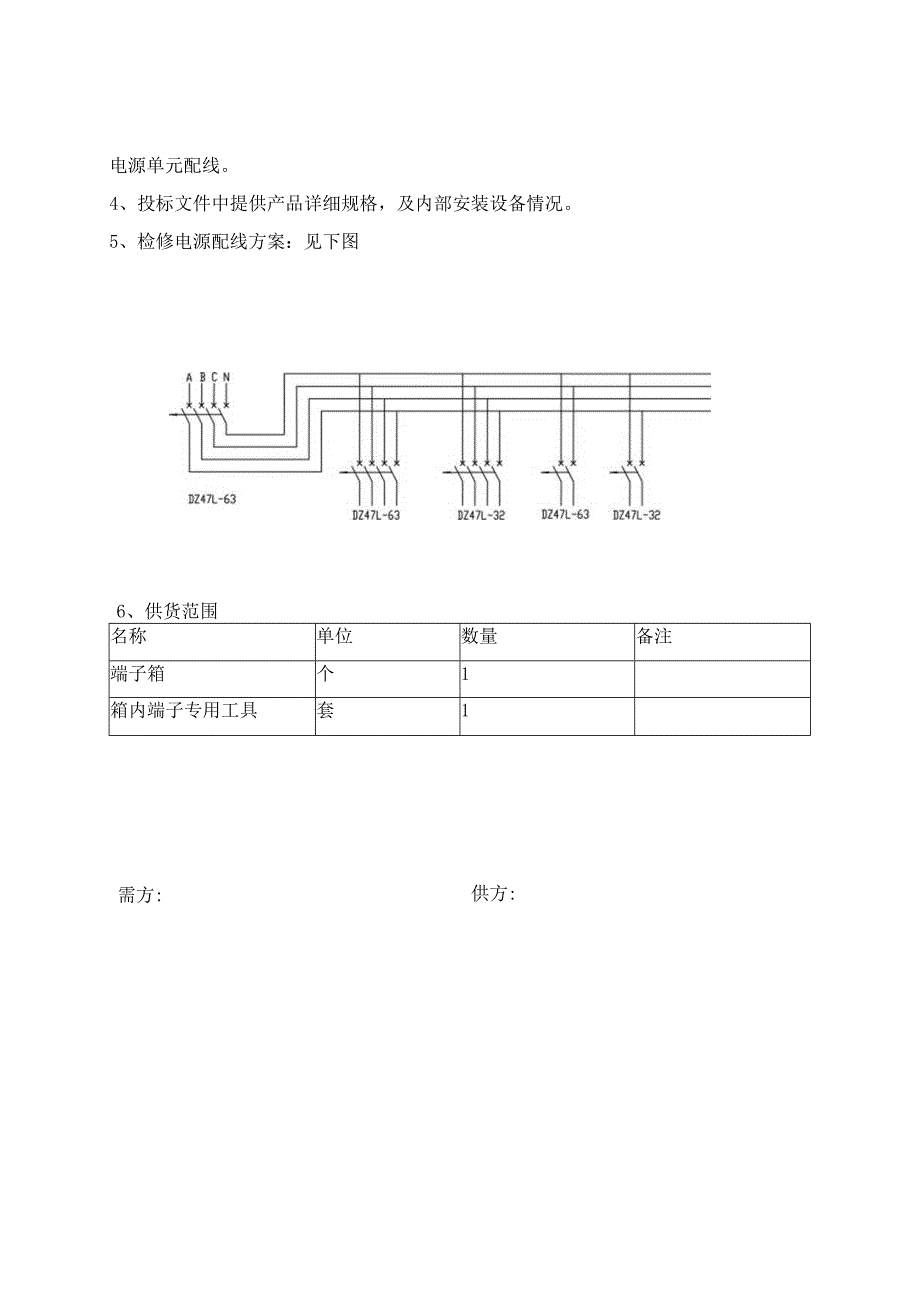
2、3、箱体要求3.1箱体及底座采用2mm厚不锈钢材料制作,前后两侧开门,中间设置内隔板,完成前门内隔板配检修电源配线,后门内隔板端子排安装。3.2适用于沿海地区、多粉尘等恶劣环境的室外场合使用,门和箱体采用全封闭结构,配以密封橡胶条和防水槽,具有防雨、风、沙、尘的四防功能,箱内安装走线槽,便于固定电缆及端子排的接线。3.3箱体上、下两侧装有专用呼吸器,可形成对流风,起到降温作用,保证箱体内部元件干燥,箱内安装凝露控制器。3.4采用不锈钢门轴,箱门内部装有限位和防反弹机构,箱内安装照明灯.,完成检修电源单元配线。4、投标文件中提供产品详细规格,及内部安装设备情况。5、检修电源配线方案:见下图6、供货范围名称单位数量备注端子箱个1箱内端子专用工具套1需方:供方:

展开阅读全文
相关资源
猜你喜欢
相关搜索

当前位置:首页 > 办公文档 > 说明文书

copyright@ 2008-2023 1wenmi网站版权所有

经营许可证编号:宁ICP备2022001189号-1

本站为文档C2C交易模式,即用户上传的文档直接被用户下载,本站只是中间服务平台,本站所有文档下载所得的收益归上传人(含作者)所有。第壹文秘仅提供信息存储空间,仅对用户上传内容的表现方式做保护处理,对上载内容本身不做任何修改或编辑。若文档所含内容侵犯了您的版权或隐私,请立即通知第壹文秘网,我们立即给予删除!