防汛应急方案模板.docx

上传人:p** 文档编号:672350 上传时间:2024-01-07 格式:DOCX 页数:5 大小:50.88KB
下载 相关 举报
防汛应急方案模板.docx_第1页
第1页 / 共5页
防汛应急方案模板.docx_第2页
第2页 / 共5页
防汛应急方案模板.docx_第3页
第3页 / 共5页
防汛应急方案模板.docx_第4页
第4页 / 共5页
防汛应急方案模板.docx_第5页
第5页 / 共5页
亲,该文档总共5页,全部预览完了,如果喜欢就下载吧!
资源描述

《防汛应急方案模板.docx》由会员分享,可在线阅读,更多相关《防汛应急方案模板.docx(5页珍藏版)》请在第壹文秘上搜索。

1、-、目标通过该防汛应急方案,能在汛情第一时间迅速启动,并在第一时间通知相关单位。保证各方面的损失减到最低点。使国家、集体、个人的财产得到保障。二、工程概况表T-工程名称兴隆小区北区1#5A#楼建设单位北京天翌房地产开发有限责任公司设计单位北京中京慧建筑设计有限公司监督单位北京朝阳区工程质量监督站监理单位北京旭日明建设工程监理有限公司(1#3#楼)北京太平洋建设工程监理有限公司(4#5A#楼)施工总承包单位北京田华建筑集团五公司第三项目部勘察单位北京国电水利水电工程有限公司建筑层数分别为23层、18层、23层、18层、23层、18层、和24层抗震设防8度基础类型箱式基础绝对标高33.3033.6

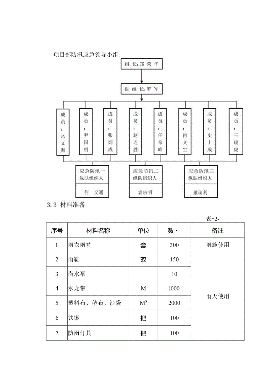
2、0结构类型全现浇钢筋碎结构三、防汛准备工作3.1技术准备雨期到来之前,组织有关人员按照方案要求进行技术交底,提出雨施计划,为施工提供技术准备。项目部防汛应急领导小组:表-2-序号材料名称单位数备注1雨衣雨裤套300雨施使用2雨鞋双150雨天使用3潜水泵104水龙带M10005塑料布、毡布、沙袋M220006铁锹把1007防雨灯具把1003.4.1汛前,整理施工现场,由于现场施工、运输破坏的现场道路及现场排水坡度重新修整好,清理施工现场的排水沟,保证排水畅通。检查场内外的排水设施,确保排水设备完好,以保证暴雨能在较短的时间排出积水。3.4.2施工现场硬化的道路被压坏进行修复,沿道路两侧做好排水沟

3、。检查大模板堆放场地,保证堆放场地高于现场地面,并进行硬化处理。钢筋堆放地进行夯实,并高于现场地面,用垫木将钢筋架起,避免因雨水侵泡而锈蚀。检查施工现场水泥库、加工棚等的防雨情况,保证现场内棚库不渗漏。检查现场各种机具、设备的防雨设施,保证机具入棚和具备防雨功能,机电设备机座均垫高,不得直接放置在地面上,避免下雨时受淹。漏电接地保护装置应灵敏有效,雨期施工前检查线路的绝缘情况,做好记录,汛期期间定期检查。3.4.3坚持收视天气预报,并注意天气变化,及时采取预防措施,控制意外的险情的出现。3.4.4警卫室小组成员,应加强执勤巡逻力度,保证第一时间发现隐患,并及时报告有关领导。四、保证措施雨季防汛

4、值班表表-3-星期一星期二星期三星期四星期五星期六星期日尹国明张炳成赵连胜史士成任希峰肖文生王瑞虎5.1认真进行现场准备、技术准备和材料准备,保证各项工作满足雨期施工的要求。5. 2各专业工长在雨季施工前应结合本工种雨期施工特点,编制技术交底,在作业前向工人交代清楚。5.3 严格执行规范和工艺标准要求,作好工种自检、工序交接检。5.4 做好雨期施工的中间检查,保证施工各项措施落实到实处。五、应急小组成员电话联络表表一4一序号姓名应急小组担任职务手机号码小灵通号码备注1郑荣华组长项目经理2罗军副组长安全组组长3岳文海成员安全组副组长4尹国明成员质检组组组长5张炳成成员幢号工长6赵连胜成员幢号工长

5、7任希峰成员水暖工长8肖文生成员幢号工长9史士成成员临电工长10王瑞虎成员工程组组长11李艳明成员司机12何义通一纵队组织人民工队长13袁宗明二纵队组织人民工队长14董瑞利三纵队组织人民工队长六、相关领导单位电话号码及联系人乡防汛应急电话号码:综治办:规划科联系人:谢文军公司防讯应急电话号码:办公室:;联系人:李西;联系人:李芳施工现场安全施工注意事项1、施工人员进入施工现场前,必须要进行施工安全、消防知识的教育和考核工作,对考核不合格的职工,禁止进入施工现场参加施工。2、进入施工现场必须戴好安全帽,系好帽带,并正确使用个人劳动防护用品.3、严格执行操作规程,不得违章指挥和违章作业,对违章作业

6、的指令有权拒绝并有责任制止他人违章作业。4、施工作业时必须正确穿戴个人防护用品,进入施工现场必须戴安全帽。不许私自用火,严禁酒后操作。5、穿拖鞋、高跟鞋、赤脚或赤膊不准进入施工现场。6、穿硬底鞋不得进行登高作业。7、在高空、钢筋、结构上作业时,一定要穿防滑鞋.8、现场用电,一定要有专人管理,同时设专用配电箱,严禁乱接乱拉,采取用电挂牌制度,尤其杜绝违章作业,防止人身、线路,设备事故的发生。9、电钻、电锤、电焊机等电动机具用电、配电箱必须要有漏电保护装置和良好的接地保护地线,所有电动机具和线缆必须定期检查,保证绝缘良好,使用电动机具时应穿绝缘鞋,戴绝缘手套。10、工地施工照明用电,必须使用36伏

7、以下安全电压,所有电器机具在不使用时,必须随时切断电源,防止烧坏设备.11、在用喷灯、电焊机以及必要生火的地方,要填写用火申请登记和设专人看管,随带消防器材等,保证消防措施的落实。施焊时,特别注意检查下方有无易燃物,并做好相应的防护,用完后要检查,确认无火后再离开.12、未经安全教育培训合格不得上岗,非操作者严禁进入危险区域;特种作业必须持特种作业资格证上岗。13、凡2m以上的高处作业无安全设施,必须系好安全带;安全带必须先挂牢后再作业。14、高处作业材料和工具等物件不得上抛下掷.15、从事高空作业人员要定期体验。凡患有高血压、心脏病、贫血症、癫痫病以及不适于高空作业的人员,不得从事高空作业。

展开阅读全文
相关资源
猜你喜欢
相关搜索

当前位置:首页 > 办公文档 > 解决方案

copyright@ 2008-2023 1wenmi网站版权所有

经营许可证编号:宁ICP备2022001189号-1

本站为文档C2C交易模式,即用户上传的文档直接被用户下载,本站只是中间服务平台,本站所有文档下载所得的收益归上传人(含作者)所有。第壹文秘仅提供信息存储空间,仅对用户上传内容的表现方式做保护处理,对上载内容本身不做任何修改或编辑。若文档所含内容侵犯了您的版权或隐私,请立即通知第壹文秘网,我们立即给予删除!