光伏发电系统光伏支架设计.docx

上传人:p** 文档编号:673124 上传时间:2024-01-08 格式:DOCX 页数:4 大小:33.25KB
下载 相关 举报
光伏发电系统光伏支架设计.docx_第1页
第1页 / 共4页
光伏发电系统光伏支架设计.docx_第2页
第2页 / 共4页
光伏发电系统光伏支架设计.docx_第3页
第3页 / 共4页
光伏发电系统光伏支架设计.docx_第4页
第4页 / 共4页
亲,该文档总共4页,全部预览完了,如果喜欢就下载吧!
资源描述

《光伏发电系统光伏支架设计.docx》由会员分享,可在线阅读,更多相关《光伏发电系统光伏支架设计.docx(4页珍藏版)》请在第壹文秘上搜索。

1、光伏发电系统光伏支架设计1光伏支架应结合工程实际选用材料、设计结构方案和构造措施,保证支架结构在运输、安装和使用过程中满足强度、稳定性和刚度要求,并符合抗震、抗风和防腐等要求。2光伏支架材料宜采用钢材,材质的选用和支架设计应符合现行国家标准钢结构设计规范GB50017的规定。3支架应按承载能力极限状态计算结构和构件的强度、稳定性以及连接强度,按正常使用极限状态计算结构和构件的变形。4按承载能力极限状态设计结构构件时,应采用荷载效应的基本组合或偶然组合。荷载效应组合的设计值应按下式验算:YoSRYo重要性系数。光伏支架的设计使用年限宜为25年,安全等级为三级,重要性系数不小于0.95;在抗震设计

2、中,不考虑重要性系数;S荷载效应组合的设计值;R结构构件承载力的设计值,在抗震设计时,应除以承载力抗震调整系数勿,感按现行国家标准构筑物抗震设计规范GB50191的规定取值5按正常使用极限状态设计结构构件时,应采用荷载效应的标准组合。荷载效应组合的设计值应按下式验算:scS荷载效应组合的设计值;C结构构件达到正常使用要求所规定的变形限值6在抗震设防地区,支架应进行抗震验算。7支架的荷载和荷载效应计算应符合下列规定:a.风荷载、雪荷载和温度荷载应按现行国家标准建筑结构荷载规范GB50009中25年一遇的荷载数值取值。地面和楼顶支架风荷载的体型系数取1.3。建筑物立面安装的支架风荷载的确定应符合现

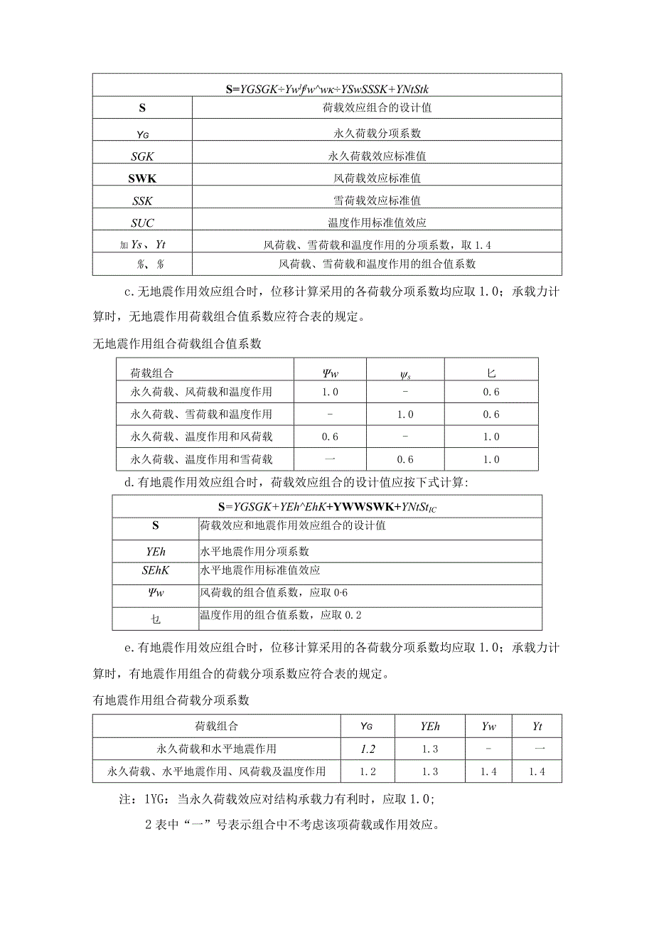
3、行国家标准建筑结构荷载规范GB50009的要求。b.无地震作用效应组合时,荷载效应组合的设计值应按下式计算:S=YGSGKYwlfjwwYSwSSSK+YNtStkS荷载效应组合的设计值Yg永久荷载分项系数SGK永久荷载效应标准值SWK风荷载效应标准值SSK雪荷载效应标准值SUC温度作用标准值效应加Ys、Yt风荷载、雪荷载和温度作用的分项系数,取1.4%、%风荷载、雪荷载和温度作用的组合值系数c.无地震作用效应组合时,位移计算采用的各荷载分项系数均应取1.0;承载力计算时,无地震作用荷载组合值系数应符合表的规定。无地震作用组合荷载组合值系数荷载组合ws匕永久荷载、风荷载和温度作用1.0-0.6

4、永久荷载、雪荷载和温度作用-1.00.6永久荷载、温度作用和风荷载0.6-1.0永久荷载、温度作用和雪荷载一0.61.0d.有地震作用效应组合时,荷载效应组合的设计值应按下式计算:S=YGSGK+YEhEhK+YWWSWK+YNtStICS荷载效应和地震作用效应组合的设计值YEh水平地震作用分项系数SEhK水平地震作用标准值效应w风荷载的组合值系数,应取06乜温度作用的组合值系数,应取0.2e.有地震作用效应组合时,位移计算采用的各荷载分项系数均应取1.0;承载力计算时,有地震作用组合的荷载分项系数应符合表的规定。有地震作用组合荷载分项系数荷载组合YgYEhYwYt永久荷载和水平地震作用1.2

5、1.3-一永久荷载、水平地震作用、风荷载及温度作用1.21.31.41.4注:1YG:当永久荷载效应对结构承载力有利时,应取1.0;2表中“一”号表示组合中不考虑该项荷载或作用效应。f.支架设计时,应对施工检修荷载进行验算,并应符合下列规定:1)施工检修荷载宜取IkN,也可按实际荷载取用并作用于支架最不利位置;2)进行支架构件承载力验算时,荷载组合应取永久荷载和施工检修荷载;永久荷载的分项系数取1.2,施工或检修荷载的分项系数取1.4;3)进行支架构件位移验算时,荷载组合应取永久荷载和施工检修荷载,分项系数均应取1.0。8钢支架及构件的变形应符合下列规定:a.风荷载取标准值或在地震作用下,支架

6、的柱顶位移不应大于柱高的l60ob.受弯构件的挠度容许值不应超过表的规定。受弯构件的挠度容许值受弯构件挠度容许值主梁L/250次梁无边框光伏组件L/250其他L/200注:L为受弯构件的跨度。对悬臂梁,L为悬伸长度的2倍。9钢支架的构造应符合下列规定:a.用于次梁的板厚不宜小于1.5mm,用于主梁和柱的板厚不宜小于2.5mm,当有可靠依据时板厚可取2mm。b.受压和受拉构件的长细比限值应符合表的规定。受压和受拉构件的长细比限值构件类别容许长细比受压构件主要承重构件180其他构件、支撑等220受拉构件主要构件350柱间支撑300其他支撑400注:对承受静荷载的结构,可仅计算受拉构件在竖向平面内的长细比。10支架的防腐应符合下列要求:a.支架在构造上应便于检查和清刷。b.钢支架防腐宜采用热镀浸锌,镀锌层平均厚度不应小于55Umoc.当铝合金材料与除不锈钢以外的其他金属材料或与酸、碱性的非金属材料接触、紧固时,宜采取隔离措施。d.铝合金支架应进行表面防腐处理,可采用阳极氧化处理措施,阳极氧化膜的最小厚度应符合表6.8.10的规定。

展开阅读全文
相关资源
猜你喜欢
相关搜索

当前位置:首页 > 论文 > 通讯论文

copyright@ 2008-2023 1wenmi网站版权所有

经营许可证编号:宁ICP备2022001189号-1

本站为文档C2C交易模式,即用户上传的文档直接被用户下载,本站只是中间服务平台,本站所有文档下载所得的收益归上传人(含作者)所有。第壹文秘仅提供信息存储空间,仅对用户上传内容的表现方式做保护处理,对上载内容本身不做任何修改或编辑。若文档所含内容侵犯了您的版权或隐私,请立即通知第壹文秘网,我们立即给予删除!