电焊机安全技术要求和验收表.docx

上传人:p** 文档编号:680752 上传时间:2024-01-09 格式:DOCX 页数:1 大小:14.41KB
下载 相关 举报
电焊机安全技术要求和验收表.docx_第1页
第1页 / 共1页
亲,该文档总共1页,全部预览完了,如果喜欢就下载吧!
资源描述

《电焊机安全技术要求和验收表.docx》由会员分享,可在线阅读,更多相关《电焊机安全技术要求和验收表.docx(1页珍藏版)》请在第壹文秘上搜索。

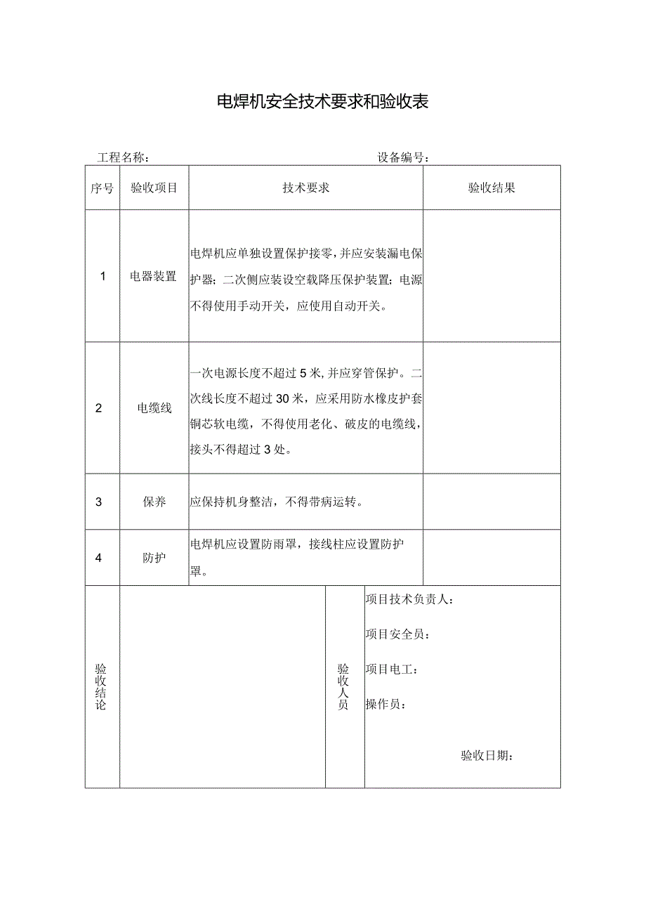
电焊机安全技术要求和验收表工程名称:设备编号:序号验收项目技术要求验收结果1电器装置电焊机应单独设置保护接零,并应安装漏电保护器;二次侧应装设空载降压保护装置;电源不得使用手动开关,应使用自动开关。2电缆线一次电源长度不超过5米,并应穿管保护。二次线长度不超过30米,应采用防水橡皮护套铜芯软电缆,不得使用老化、破皮的电缆线,接头不得超过3处。3保养应保持机身整洁,不得带病运转。4防护电焊机应设置防雨罩,接线柱应设置防护罩。验收结论验收人员项目技术负责人:项目安全员:项目电工:操作员:验收日期:

展开阅读全文
相关资源
猜你喜欢
相关搜索

当前位置:首页 > 行业资料 > 国内外标准规范

copyright@ 2008-2023 1wenmi网站版权所有

经营许可证编号:宁ICP备2022001189号-1

本站为文档C2C交易模式,即用户上传的文档直接被用户下载,本站只是中间服务平台,本站所有文档下载所得的收益归上传人(含作者)所有。第壹文秘仅提供信息存储空间,仅对用户上传内容的表现方式做保护处理,对上载内容本身不做任何修改或编辑。若文档所含内容侵犯了您的版权或隐私,请立即通知第壹文秘网,我们立即给予删除!