文件修改对照表(吊装作业安全管理办法修订).docx

上传人:p** 文档编号:685471 上传时间:2024-01-11 格式:DOCX 页数:4 大小:19.94KB
下载 相关 举报
文件修改对照表(吊装作业安全管理办法修订).docx_第1页
第1页 / 共4页
文件修改对照表(吊装作业安全管理办法修订).docx_第2页
第2页 / 共4页
文件修改对照表(吊装作业安全管理办法修订).docx_第3页
第3页 / 共4页
文件修改对照表(吊装作业安全管理办法修订).docx_第4页
第4页 / 共4页
亲,该文档总共4页,全部预览完了,如果喜欢就下载吧!
资源描述

《文件修改对照表(吊装作业安全管理办法修订).docx》由会员分享,可在线阅读,更多相关《文件修改对照表(吊装作业安全管理办法修订).docx(4页珍藏版)》请在第壹文秘上搜索。

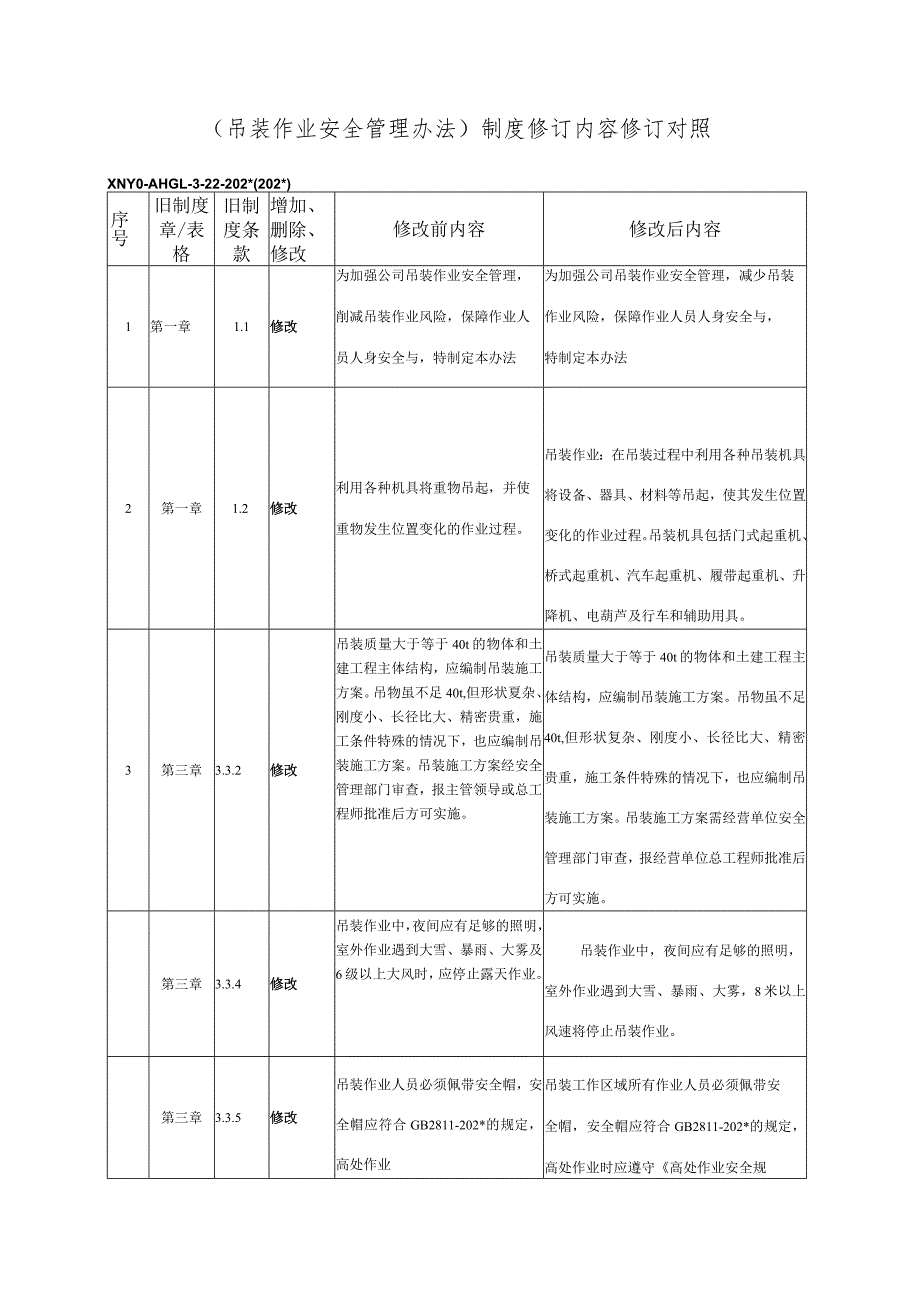
1、(吊装作业安全管理办法)制度修订内容修订对照XNY0-AHGL-3-22-202*(202*)序号旧制度章/表格旧制度条款增加、删除、修改修改前内容修改后内容1第一章1.1修改为加强公司吊装作业安全管理,削减吊装作业风险,保障作业人员人身安全与,特制定本办法为加强公司吊装作业安全管理,减少吊装作业风险,保障作业人员人身安全与,特制定本办法2第一章1.2修改利用各种机具将重物吊起,并使重物发生位置变化的作业过程。吊装作业:在吊装过程中利用各种吊装机具将设备、器具、材料等吊起,使其发生位置变化的作业过程。吊装机具包括门式起重机、桥式起重机、汽车起重机、履带起重机、升降机、电葫芦及行车和辅助用具。3

2、第三章3.3.2修改吊装质量大于等于40t的物体和土建工程主体结构,应编制吊装施工方案。吊物虽不足40t,但形状夏杂、刚度小、长径比大、精密贵重,施工条件特殊的情况下,也应编制吊装施工方案。吊装施工方案经安全管理部门审查,报主管领导或总工程师批准后方可实施。吊装质量大于等于40t的物体和土建工程主体结构,应编制吊装施工方案。吊物虽不足40t,但形状复杂、刚度小、长径比大、精密贵重,施工条件特殊的情况下,也应编制吊装施工方案。吊装施工方案需经营单位安全管理部门审查,报经营单位总工程师批准后方可实施。第三章3.3.4修改吊装作业中,夜间应有足够的照明,室外作业遇到大雪、暴雨、大雾及6级以上大风时,

3、应停止露天作业。吊装作业中,夜间应有足够的照明,室外作业遇到大雪、暴雨、大雾,8米以上风速将停止吊装作业。第三章3.3.5修改吊装作业人员必须佩带安全帽,安全帽应符合GB2811-202*的规定,高处作业吊装工作区域所有作业人员必须佩带安全帽,安全帽应符合GB2811-202*的规定,高处作业时应遵守高处作业安全规时应遵守高处作业安全规程的规定。程的规定。第三章3.3.8修改严禁利用管道、管架、电杆、机电设备等做吊装锚点。未经安全管理部门审查,不得将建筑物、构筑物作为锚点。严禁利用管道、管架、电杆、机电设备等做吊装锚点。未经各经营单位安全管理部门审查,不得将建筑物、构筑物作为锚点。第三章3.3

4、.11修改用定型起重吊装机械(履带吊车、轮胎吊车、桥式吊车等)进行吊装作业时,除遵守本标准外,还应遵守该定型机械的操作规程。用定型起重吊装机械(履带吊车、汽车吊等)进行吊装作业时,除遵守本标准外,还应遵守该定型机械的操作规程。第四章4.1修改项目(各经营)单位(进行吊装作业)未办理对应危险作业许可作业票进行作业的,对经营单位责任人100O-5000元的处。考核2分,情节严重者从重处罚。各经营单位进行吊装作业未办理对应危险作业许可作业票进行作业的,对经营单位责任人100o-5000元的处罚,情节严重者从重处罚。第四章4.2修改现场无安全监护人的项目单位负责人处罚100元。各经营单位吊装现场无安全

5、监护人的将对经营单位责任人1000-5000元处罚。第四章4.3修改项目单位、作业单位在作业中未落实对应危险作业许可作业票中有关安全措施的。考核5分。各经营单位安全管理部门、分包商单位责任人在作业中未落实对应危险作业许可作业票中有关安全措施的,对经营单位贲任人1000-5000元处罚。第四章4.4修改未进行作业防护的项目单位处罚500ToOO元。各经营单位责任人对吊装作业现场未采取安全防护措施的,对各经营单位责任人1000-5000元处罚。第四章4.5修改对因不认真履行监督职责而造成发生C类及以上人身伤亡事故,公司将责任人进行不低于IOooO元的处罚,并对考核责任各经营单位责任人对因不认真履行

6、监督职责而造成发生C类及以上人身伤亡事单位510分。故,将按照新能源公司安全事故管理办法进行考核,并对考核责任单位5T0分。第四章4.6新增各经营单位责任人未对吊装作业人员进行安全技术交底、安全培训、安全措施未配置到位的,将对各经营单位责任人1000-5000元处罚。安全生产十项注意事项:一、工作前穿戴好规定的劳动防护品,检查设备及作业场地,做到安全可靠。二、不违章作业,并监督制止他人违章作业。三、不准擅自开动别人操作的机械,电器开关设备。登高作业应戴好安全带、安全帽、并有专人监护、防止坠落,严禁向下乱抛工具和设备零件。四、不准随便拆除各种安全防护装置、信号标志、仪表及专指示器等。保持设备齐全有效灵敏可靠。五、不准随意启动设备。机器设备停机检查或修理时,应切断电源并悬挂警示牌,取牌人应是挂牌人。开机时发出信号,听到回音确定安全后才能开机。六、不准吊装物及下行人。多人操作起重搬运要统一指挥,密切配合。不准超负荷使用机器。七、不在易燃物品附近吸烟动火,不乱扔垃圾。八、不在厂内无证驾驶机动车辆,机动车进出车间转弯必须鸣号减速。车辆行驶中严禁爬上跳下。九、工作时精力集中,不准打闹、赤脚、赤膊、穿拖鞋和高跟鞋。十、上班时间不准怠工、滋事、脱岗或擅离职守。有事请假经领导批准后方可离开岗位。

展开阅读全文
相关资源
猜你喜欢
相关搜索

当前位置:首页 > 办公文档 > 规章制度

copyright@ 2008-2023 1wenmi网站版权所有

经营许可证编号:宁ICP备2022001189号-1

本站为文档C2C交易模式,即用户上传的文档直接被用户下载,本站只是中间服务平台,本站所有文档下载所得的收益归上传人(含作者)所有。第壹文秘仅提供信息存储空间,仅对用户上传内容的表现方式做保护处理,对上载内容本身不做任何修改或编辑。若文档所含内容侵犯了您的版权或隐私,请立即通知第壹文秘网,我们立即给予删除!