河南省建筑施工特种作业人员塔式起重机实操考核表.docx

上传人:p** 文档编号:692307 上传时间:2024-01-14 格式:DOCX 页数:7 大小:36.75KB
下载 相关 举报
河南省建筑施工特种作业人员塔式起重机实操考核表.docx_第1页
第1页 / 共7页
河南省建筑施工特种作业人员塔式起重机实操考核表.docx_第2页
第2页 / 共7页
河南省建筑施工特种作业人员塔式起重机实操考核表.docx_第3页
第3页 / 共7页
河南省建筑施工特种作业人员塔式起重机实操考核表.docx_第4页
第4页 / 共7页
河南省建筑施工特种作业人员塔式起重机实操考核表.docx_第5页
第5页 / 共7页
河南省建筑施工特种作业人员塔式起重机实操考核表.docx_第6页
第6页 / 共7页
河南省建筑施工特种作业人员塔式起重机实操考核表.docx_第7页
第7页 / 共7页
亲,该文档总共7页,全部预览完了,如果喜欢就下载吧!
资源描述

《河南省建筑施工特种作业人员塔式起重机实操考核表.docx》由会员分享,可在线阅读,更多相关《河南省建筑施工特种作业人员塔式起重机实操考核表.docx(7页珍藏版)》请在第壹文秘上搜索。

1、考核基地(公章):姓名:实操考核时间:月日时分序号考核项目应得分值实得分值1送电前,各控制器手柄放在零位。6分2作业前,进行空载运转。8分3回转、变幅和吊钩升降等动作前,发出音响信号示意。6分4水箱不得出内圆(D。7分5水箱不得出中圆(D2)。7分6水箱不得出外圆(D3)。7分7必须会稳吊钩。8分8应急操作、司机在看不见吊物的情况下按指挥信号操作。8分9学员必须按指挥信号操作。8分10起重臂和重物下方有人停留、工作或通过,必须停止操作。8分11停机时,应将每个控制器拨回零位,依次断开各开关,关闭操纵室门窗。5分12口试题、目测重量、排除常见事故。5分13完成工效90%以上。8分14个人安全防护

2、用品使用。9分15合计100分理论考试成绩说明:1、各培训机构在组织实操考试时应制定应急预案,确保实操安全;2、实操考核评定人员应由培训机构实操考核工作负责人和1名专业技术人员组成:3、实操考核时间应为具体时间,即:X年X月X日X时X分。考评员签字:考核基地(公章):姓名:实操考核时间:月日时分序号考核项目应得分值实得分值1完成起重吊运指挥信号(GB5082)中规定的5个指挥信号动作。10分2绳卡规格与钢丝绳匹配,绳卡数量符合要求、绳卡设置方向正确,螺栓扣紧度、绳卡间距、安全弯(绳头)设置符合要求。10分3编打二种绳结,并正确说明其应用场合;8分4随机抽取2根不同规格的钢丝绳,在规定时间内正确

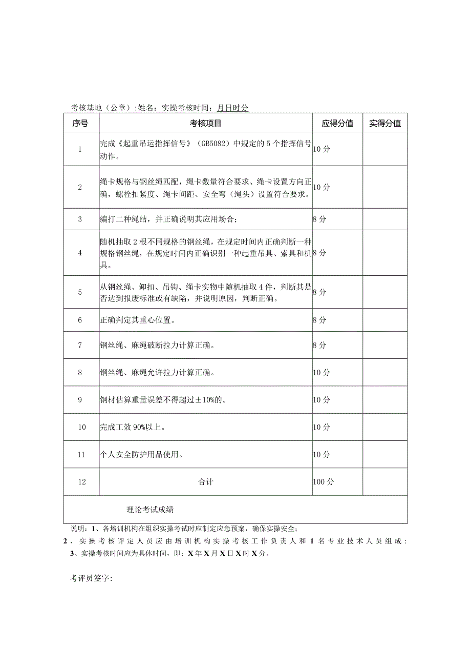
3、判断一种规格钢丝绳,在规定时间内正确识别一种起重吊具、索具和机具。8分5从钢丝绳、卸扣、吊钩、绳卡实物中随机抽取4件,判断其是否达到报废标准或有缺陷,并说明原因,判断正确。8分6正确判定其重心位置。8分7钢丝绳、麻绳破断拉力计算正确。8分8钢丝绳、麻绳允许拉力计算正确。10分9钢材估算重量误差不得超过10%的。10分10完成工效90%以上。10分11个人安全防护用品使用。10分12合计100分理论考试成绩说明:1、各培训机构在组织实操考试时应制定应急预案,确保实操安全;2、实操考核评定人员应由培训机构实操考核工作负责人和1名专业技术人员组成:3、实操考核时间应为具体时间,即:X年X月X日X时X

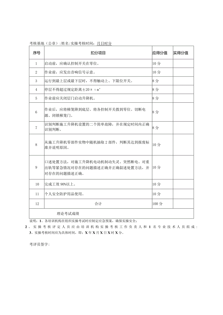
4、分。考评员签字:考核基地(公章):姓名:实操考核时间:月日时分序号扣分项目应得分值实得分值1启动前,应确认控制开关在零位。10分2作业前,应发出音响信号示意。10分3运行到最上层或最下层时,不得触动上、下限位开关。8分4停层不得超过规定距离20m8分5作业前应关闭层门启动升降机。8分6作业后,应将梯笼降到底层、将各控制开关拨到零位、切断电源、闭锁梯笼门。8分7识别判断施工升降机设置的二个简单故障,并在规定时间内正确识别判断。8分8从施工升降机零部件实物中随机抽取2部件,判断其达到报废标准并说明原因。10分9口述处置方法,对施工升降机电动机制动失灵、突然断电、对重出轨等紧急情况对存在的问题描述正

5、确并正确叙述处置方法,并对存在的问题描述正确。10分10完成工效90%以上。10分11个人安全防护用品使用。10分12合计100分理论考试成绩说明:1、各培训机构在组织实操考试时应制定应急预案,确保实操安全;2、实操考核评定人员应由培训机构实操考核工作负责人和1名专业技术人员组成:3、实操考核时间应为具体时间,即:X年X月X日X时X分。考评员签字:考核基地(公章):姓名:实操考核时间:月日时分序号扣分项目应得分值实得分值1启动前,未确认控制开关在零位的扣8分8分2启动前,未发出音响信号示意的扣8分8分3运行到最上层或最下层时,触动上、下限位开关的扣8分8分4未连续运行,有停顿的扣8分8分5到规

6、定停层未停止的扣8分8分6停层超过规定距离10Omnl的扣6分6分7停层超过规定距离50mm,但不超过10OnInl的扣5分5分8作业后,未将吊笼降到底层的、未将各控制开关拨到零位的、未切断电源的每项扣3分9分9口述如何识别判断物料提升机设置安全装置失灵故障,口述如何防止安全装置失灵,在规定时间内正确识别判断述说的,每项得5分。满分10分。10分10物料提升机零部件(钢丝绳、滑轮、联轴节或制动器)实物、(包括达到报废标准和有缺陷的);从零部件的实物中随机抽取2件,判断其是否达到报废标准(缺陷)并说明原因。正确判断并说明原因的,每项得10分;判断正确但不能准确说明原因的,每项得5分。10分11设

7、置电动机制动失灵、突然断电、钢丝绳意外卡住等紧急情况对电动机制动失灵、突然断电、钢丝绳意外卡住等紧急情况、在规定时间内对存在的问题描述正确并正确叙述处置方法的,得10分;对存在的问题描述正确,但未能正确叙述处置方法的,得5分。满分10分。10分12完成工效90%以上得4分,不足90%不得分5分13个人安全防护用品使用5分14合计100分理论考试成绩说明:1、各培训机构在组织实操考试时应制定应急预案,确保实操安全;2、实操考核评定人员应由培训机构实操考核工作负责人和1名专业技术人员组成:3、实操考核时间应为具体时间,即:X年X月X日X时X分。考评员签字:考核基地(公章):姓名:实操考核时间:月日

8、时分序号扣分标准应得分值实得分值1未对器具和吊索具进行检查的,扣4分4分2底座安装前未对基础进行找平的,扣4分4分3吊点位置确定不正确的,扣6分6分4顶升作业前未检查液压系统工作性能的,扣6分6分5顶升前未按规定找平衡的,每次扣3分6分6吊装外套架索具使用不当的,扣5分5分7顶升前未锁定回转机构的,扣4分4分8未能正确调整外套架导向轮与标准节主弦杆间隙的,每处扣3分6分9顶升作业未按顺序进行的,每次扣6分6分10安装3节标准节时未用(或不会使用)经纬仪测量垂直度的,扣4分4分11构件连接螺栓未拧紧、或销轴固定不正确的,每处扣2分6分12平衡臂、起重臂、配重安装顺序不正确的,每次扣4分8分13穿

9、绕钢丝绳及端部固定不正确的,每处扣1分2分14制动器未调整或调整不正确的,扣5分5分15安全装置未调试的,每处扣2分;调试精度达不到要求的,每处扣1分4分16从吊钩、滑轮、钢丝绳、制动器等实物中随机抽取3件判断其是否达到报废标准并说明原因,内能正确判断并说明原因的,每项得2分;判断正确但不能准确说明原因的,每项得2分。6分17对突然断电、液压系统故障、制动失灵等紧急情况进行描述,并口述处置方法。对存在的问题描述正确并正确叙述处置方法的,得6分:对存在的问题描述正确,但未能正确叙述处置方法的,得4分。10分18完成工效90%以上得4分,不足90%不得分8分19合计100分理论考试成绩说明:1、各

10、培训机构在组织实操考试时应制定应急预案,确保实操安全:2、实操考核评定人员应由培训机构实操考核工作负责人和1名专业技术人员组成:3、实操考核时间应为具体时间,即:X年X月X日X时X分。考评员签字:考核基地(公章):姓名:实操考核时间:月H时分序号项目扣分标准应得分值实得分值1架体、吊笼安装及垂直度的调整杆件安装和螺栓规格选用错误的,漏装螺栓、螺母、垫片的,螺栓紧固力矩未达标准的,每处扣2分10分2导轨架垂直度未达标准的,扣10分10分3未按照工艺流程安装的,扣12分12分4吊笼滚轮及背轮间隙的调整滚轮间隙调整未达标准的,每处扣4分4分5背轮间隙调整未达标准的,每处扣4分1分6手动下降未达要求的

11、,扣4分4分7未按照工艺流程操作的,扣14分14分8防坠安全器复位调整复位前未对升降机进行检查的,扣3分3分9复位前未上升吊笼使离心块脱档的,扣5分5分10复位后指示销未与外壳端面平齐的,扣3分3分11螺栓或螺母未锁住的,调试精度达不到要求的,每处扣2分,安全装置未调试的,每处扣4分8分12卷扬机的固定不符合标准要求的,扣4分,附墙装置或缆风绳安装不符合标准要求的,每组扣2分。8分13对施工升降机电动机制动失灵、突然断电、对重出轨等紧急情况进行描述,并口述处置方法,对存在的问题描述正确并正确叙述处置方法的,得8分;对存在的问题描述正确,但未能正确叙述处置方法的,得4分。8分14个人安全防护用品

12、3分15完成工效90%以上得4分,不足90%不得分4分16合计100分理论考试成绩说明:1、各培训机构在组织实操考试时应制定应急预案,确保实操安全;2、实操考核评定人员应由培训机构实操考核工作负责人和1名专业技术人员组成:3、实操考核时间应为具体时间,即:X年X月X日X时X分。考评员签字:考核基地(公章):姓名:实操考核时间:月日时分序号项目扣分标准应得分值实得分值1整机安装钢丝绳绳卡规格、数量不符合要求的,每处扣2分6分2钢丝绳绳卡设置方向错误的,每处扣2分4分3配重安装数量不足的,每缺少一块扣2分6分4配重未固定或固定不牢的,扣10分10分5支架安装螺栓数量不足或松动的,每处扣2分6分6前

13、后支架距离不符合要求的,扣10分10分7提升机、安全锁安装调试与升降操作提升机、安全锁安装不正确的,每项扣3分6分8提升(安全)钢丝绳穿绕方式不符合要求的,扣8分8分9防倾安全锁防倾功能试验不符合要求的,扣6分6分10吊篮升降调试不符合要求的,扣6分6分11吊篮升降操作不符合要求的,扣6分6分12手动下降操作不符合要求的,扣6分6分13从高处作业吊篮零部件实物、判断其是否达到报废标准并说明原因。正确判断并说明原因的,每项得3分;判断正确但不能准确说明原因的,每项得2分。6分14对突然停电、制动失灵、工作钢丝绳断裂和卡住等紧急情况进行描述,并口述处置方法,对存在的问题描述正确并正确叙述处置方法的,得3分;对存在的问题描述正确,但未能正确叙述处置方法的,得2分。6分15个人安全防护用品。3分16完成工效90%以上得4分,不足90%不得分5分合计100分理论考试成绩

展开阅读全文
相关资源
猜你喜欢
相关搜索

当前位置:首页 > 建筑/环境 > 安全文明施工

copyright@ 2008-2023 1wenmi网站版权所有

经营许可证编号:宁ICP备2022001189号-1

本站为文档C2C交易模式,即用户上传的文档直接被用户下载,本站只是中间服务平台,本站所有文档下载所得的收益归上传人(含作者)所有。第壹文秘仅提供信息存储空间,仅对用户上传内容的表现方式做保护处理,对上载内容本身不做任何修改或编辑。若文档所含内容侵犯了您的版权或隐私,请立即通知第壹文秘网,我们立即给予删除!