硝化工艺作业安全技术实际操作考试.docx

上传人:p** 文档编号:692565 上传时间:2024-01-14 格式:DOCX 页数:51 大小:214.65KB
下载 相关 举报
硝化工艺作业安全技术实际操作考试.docx_第1页
第1页 / 共51页
硝化工艺作业安全技术实际操作考试.docx_第2页
第2页 / 共51页
硝化工艺作业安全技术实际操作考试.docx_第3页
第3页 / 共51页
硝化工艺作业安全技术实际操作考试.docx_第4页
第4页 / 共51页
硝化工艺作业安全技术实际操作考试.docx_第5页
第5页 / 共51页
硝化工艺作业安全技术实际操作考试.docx_第6页
第6页 / 共51页
硝化工艺作业安全技术实际操作考试.docx_第7页
第7页 / 共51页
硝化工艺作业安全技术实际操作考试.docx_第8页
第8页 / 共51页
硝化工艺作业安全技术实际操作考试.docx_第9页
第9页 / 共51页
硝化工艺作业安全技术实际操作考试.docx_第10页
第10页 / 共51页
亲,该文档总共51页,到这儿已超出免费预览范围,如果喜欢就下载吧!
资源描述

《硝化工艺作业安全技术实际操作考试.docx》由会员分享,可在线阅读,更多相关《硝化工艺作业安全技术实际操作考试.docx(51页珍藏版)》请在第壹文秘上搜索。

1、硝化工艺作业安全技术实际操作考试D.1安全用具使用(K1)D.1.1考试项目包括四个独立的考试项目:单人徒手心肺复苏操作(简称Kll),灭火器的选择与使用(简称K12),创伤包扎(简称K13),正压式空气呼吸器的使用(简称Kl4)。注:考试时考生随机抽取两个考试项目进行考试。推荐使用实物和实物电子化方式进行考核。D.1.2单人徒手心肺复苏操作(KIl)D.1.2.1考核要点主要考查考生对给定的实物模拟人型进行正确的心肺复苏操作:抢救程序是否符合要求。主要考查考生是否正确掌握心肺复苏标准操作流程的程序。心肺复苏操作的技术要点是否正确。主要考查考生是否掌握正确的通畅气道、口对口呼吸方法、胸外按压方

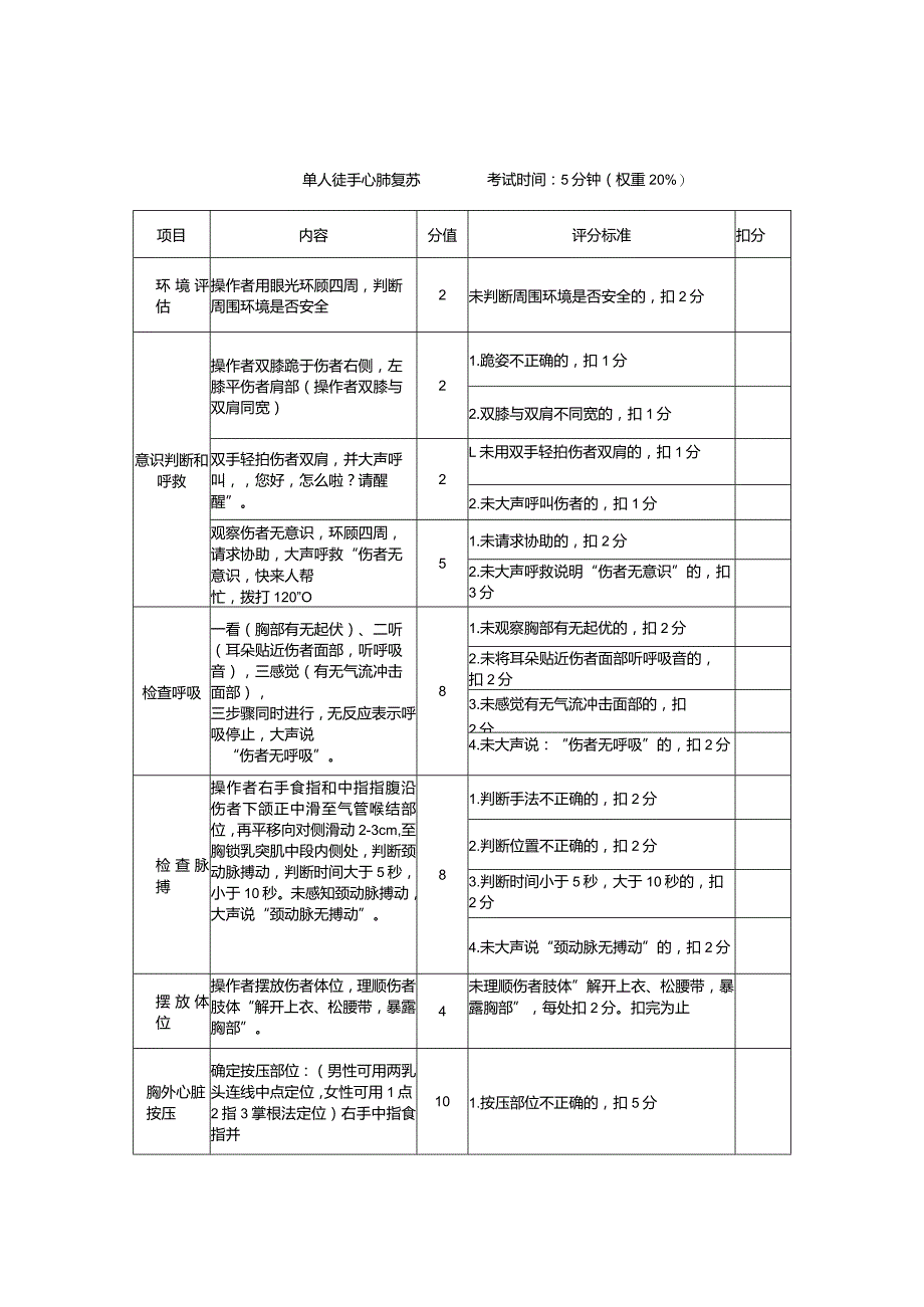
2、法(包括位置、姿势、力度和频率)以及单人徒手心肺复苏操作的按压与呼吸的互换。D.1.2.2评分标准项目内容分值评分标准扣分环境评估操作者用眼光环顾四周,判断周围环境是否安全2未判断周围环境是否安全的,扣2分意识判断和呼救操作者双膝跪于伤者右侧,左膝平伤者肩部(操作者双膝与双肩同宽)21.跪姿不正确的,扣1分2.双膝与双肩不同宽的,扣1分双手轻拍伤者双肩,并大声呼叫,您好,怎么啦?请醒醒”。2L未用双手轻拍伤者双肩的,扣1分2.未大声呼叫伤者的,扣1分观察伤者无意识,环顾四周,请求协助,大声呼救“伤者无意识,快来人帮忙,拨打120”O51.未请求协助的,扣2分2.未大声呼救说明“伤者无意识”的,

3、扣3分检查呼吸一看(胸部有无起伏)、二听(耳朵贴近伤者面部,听呼吸音),三感觉(有无气流冲击面部),三步骤同时进行,无反应表示呼吸停止,大声说“伤者无呼吸”。81.未观察胸部有无起优的,扣2分2.未将耳朵贴近伤者面部听呼吸音的,扣2分3.未感觉有无气流冲击面部的,扣2分4.未大声说:“伤者无呼吸”的,扣2分检查脉搏操作者右手食指和中指指腹沿伤者下颌正中滑至气管喉结部位,再平移向对侧滑动2-3cm,至胸锁乳突肌中段内侧处,判断颈动脉搏动,判断时间大于5秒,小于10秒。未感知颈动脉搏动,大声说“颈动脉无搏动”。81.判断手法不正确的,扣2分2.判断位置不正确的,扣2分3.判断时间小于5秒,大于10

4、秒的,扣2分4.未大声说“颈动脉无搏动”的,扣2分摆放体位操作者摆放伤者体位,理顺伤者肢体“解开上衣、松腰带,暴露胸部”。4未理顺伤者肢体”解开上衣、松腰带,暴露胸部”,每处扣2分。扣完为止胸外心脏按压确定按压部位:(男性可用两乳头连线中点定位,女性可用1点2指3掌根法定位)右手中指食指并101.按压部位不正确的,扣5分单人徒手心肺复苏考试时间:5分钟(权重20%)项目内容分值评分标准扣分拢,沿肋缘滑至剑突上两横指,(胸骨中下1/3处)左手掌根放胸骨上,右手掌根放左手背上,右手五指扣住左手,左手五指上翘,双臂位于伤者胸骨的正上方,双肘关节伸直。2.按压方法不正确的,扣5分利用上身重量垂直下压,

5、胸骨下陷5cm,迅速放松,掌根不离开胸骨,按压与放松时间大致相同,按压频率100次/分以上。每按压30次为一组,反复进行。按压的同时小声数数,”1组,1一24”,大声数“25、26、27、28、29、30,同时观察面色、口唇有无变化。151.未垂直下压胸骨下陷5cm的,扣5分2.未放松,掌根离开胸骨的,扣2分3.按压频率小于100次/分的,扣5分4.按压节律不均匀的,扣3分打开气道将伤者面部侧向一侧,检查口腔,报告“口腔无异物,无活动性义齿”。21.未将伤者面部侧向一侧检查口腔的,扣1分2.未报告“口腔无异物,无活动性义齿”的,扣1分压额抬颌,打开气道,下颌角与耳垂的连线与地面垂直。81.未压

6、额抬颌,打开气道的,扣4分2.未将伤者下颌角与耳垂的连线与地面垂直的,扣4分口对口人工呼吸将纱布盖在伤者嘴上,左手捏紧伤者鼻腔,右手拇指、食指捏住伤者下颌略向下拉,打开口。深吸一口气,包住伤者嘴,吹气至胸廓隆起,(吹气同时要观察胸廓)立即松开左手,让胸廓自然回弹。(吹气2次)201.未正确打开伤者口部的,扣8分2.未正确进行吹气的,扣8分3.两次吹气间未松开伤者鼻腔的,扣4分循环操作口述说明:需要重复上述胸外心脏按压与人工呼吸操作,完成5个循环,胸外心脏按压与人工呼吸次数比例为30:2o101.未说明需要完成胸外心脏按压与人工呼吸操作5个循环的,扣5分2.未说明胸外心脏按压与人工呼吸次数比例为

7、30:2的,扣5分再次判断全部操作完成后,再次判断伤者呼吸及颈动脉樽动(判断方法及要求同41.未再次判断伤者呼吸及颈动脉搏动的,扣2分2.未说明“伤者呼吸、心跳恢复,单人徒手心肺复苏考试时间:5分钟(权重20%)项目内容分值评分标准扣分前)。并大声说“伤者呼吸、心跳恢复,心肺复苏成功”。心肺复苏成功”的,扣2分该科目得分单人徒手心肺复苏考试时间:5分钟(权重20%)考生签字:考评员签字:日期:年月日D.1.2.3设备配备序号设备参考型号/规格数量备注1心肺复苏模拟人符合考试要求1必须配备(或电子化改造)2急救箱符合相关标准1必须配备3一次性纱布符合相关标准若干必须配备4酒精符合相关标准若干必须

8、配备5棉签符合相关标准若干必须配备注:此配备数量为每个考试工位配备标准。D.1.3灭火器的选择和使用(K43)D.1.3.1考核要点主要考查考生是否能正确对不同火灾类型进行判断,然后选择不同类型的灭火器并正确操作。火灾类型有安全生产过程中常见的普通火灾、电气火灾、油罐火灾等;灭火器类型有二氧化碳灭火器、泡沫灭火器、干粉灭火器、水基灭火器等:火情判断。根据火情正确判断风向,并选择合适的灭火器;准备工作。检查灭火器压力、铅封、出厂合格证、有效期、瓶体、喷管等,并迅速赶赴火场。主要考查考生是否有灭火前的安全检查意识;灭火操作。持水基型灭火器,站在火源上风口;离火源35m距离迅速拉下安全环;手握喷嘴对

9、准着火点,压下手柄,侧身对准火源根部由近及远扫射灭火;在灭火材料喷完前3s迅速撤离火场,火未熄灭需更换灭火器继续操作直至火源熄灭为止;检查确认。检查灭火效果;确认火源熄灭;将使用过的灭火器放到指定位置;注明已使用;报告灭火情况;清点收拾工具,清理现场。D.1.3.2评分标准考试项目灭火器的选择和使用考试时间:3分钟(权重20%)项目内容分值评分标准扣分火情判断根据火情和燃烧的对象,正确判断风向和选择合适的灭火器15风向判断错误的,扣15分灭火器选择错误的,扣15分。扣完为止准备工作采用实物检查灭火器压力、铅封、出厂合格证、有效期、瓶体、喷管,并迅速赶赴火场10未检查灭火器的,扣5分压力、铅封、

10、出厂合格证、有效期、瓶体、喷管漏检查一项扣2分赶赴火场动作迟缓的,扣5分选择过期或失效灭火器的,扣10分。扣完为止灭火操作持水基型灭火器,站在火源上风口;离火源35m距离迅速拉下安全环20未站在火源上风口的,扣20分灭火距离不对的,扣10分未迅速拉下安全环的,扣5分。扣完为止手握喷嘴对准着火点,压下手柄,侧身对准火25未侧身对准火源根部扫射的,扣10分项目内容分值评分标准扣分源根部由近及远扫射灭火;在灭火材料喷完前3s迅速撤离火场,火未熄灭需继续更换操作等未由近及远灭火的,扣10分在灭火材料喷完前未迅速撤离火场的,扣10分火未熄灭停止操作的,扣10分。扣完为止检查确认检查灭火效果;确认火源熄灭

11、;将使用过的灭火器放到指定位置;注明已使用;报告灭火情况10未检查灭火效果的,扣10分未确认火源熄灭的,扣10分10未放到指定位置的,扣5分未注明已使用的,扣5分5未报告灭火情况的,扣5分现场清理清理工具、现场5未清理工具、现场的,扣5分该科目得分考生签字:考评员签字:日期:年月日考试项目灭火器的选择和使用考试时间:3分钟(权重20%)D.1.3.3设备配备序号设备参考型号/规格数量备注1手提式二氧化碳灭火器符合考试要求1必须配备2手提式泡沫灭火器符合考试要求1必须配备3手提式干粉灭火器符合考试要求1必须配备4火盆符合考试要求1必须配备5棉纱符合考试要求若干必须配备6柴油符合考试要求若干必须配

12、备7急救箱符合相关标准1必须配备8安全帽符合相关标准1必须配备序号设备参考型号/规格数量备注9工作服符合相关标准1必须配备10保护手套符合相关标准1必须配备11过期或失效的手提式二氧化碳灭火器否1必须配置12过期或失效的手提式泡沫灭火器否1必须配置13过期或失效的手提式干粉灭火器否1必须配置注:此配备数量为每个考试工位配备标准。D.1.4创伤包扎(K42)D.1.4.1考核要点主要考查考生是否掌握创伤包扎的操作技能,及时对受创伤人员进行正确的处理。操作前的准备。主要考查考生对伤情的判断。创口止血包扎。主要考查考生是否有创口止血技能。固定和搬运。主要考查考生是否有固定和搬运技能。D.1.4.2评

13、分标准考试项目创伤包扎考试时间:5分钟(权重20%)项目内容分值评分标准扣分操作前准备向伤者表明身份;安慰伤者,告知伤者不能随意活动,告知伤者配合检查;检查伤者头面部、胸腹部及四肢;报告:描述清楚伤者伤情;根据所选题目选择所需物品151.未向伤者表明身份的,扣2分2.未安慰伤者,告知伤者不能随意活动,配合检查的,每项扣1分3.未检查伤者头面部、胸腹部及四股,每项扣1分4.未描述清楚伤情的,扣2分考试项目创伤包扎考试时间:5分钟(权重20%)项目内容分值评分标准扣分5.未正确选择所需物品的,扣5分创口处理伤口冲洗、消毒与清创处理;使用无菌纱布覆盖伤口;纱布、绷带固定方法正确;包扎时纱布压迫位置正确;螺旋反折手法或8字型包扎方法正确;包扎纱布打结方法正确491.未进行冲洗消毒清创处理的,扣9分2.未使用无菌纱布覆盖伤口的,扣8分3.纱布覆盖伤口位置不正确的,扣8分4.纱布压迫位置不正确的,扣8分5.关节部位未使用8字型包扎方法的,扣8分;粗细不均的部位未使用螺旋反折手法的,扣8分6.包扎纱布打结方法不正确的,扣8分固定正确叙述固定的相关注意点;固定时伤者体位正确;固定包扎方法正确、迅速181.述说固定的相关注意点不正确的,扣4分2.固定时伤者体位不正确的,扣4分3.固定包扎

展开阅读全文
相关资源
猜你喜欢
相关搜索

当前位置:首页 > 高等教育 > 专业基础教材

copyright@ 2008-2023 1wenmi网站版权所有

经营许可证编号:宁ICP备2022001189号-1

本站为文档C2C交易模式,即用户上传的文档直接被用户下载,本站只是中间服务平台,本站所有文档下载所得的收益归上传人(含作者)所有。第壹文秘仅提供信息存储空间,仅对用户上传内容的表现方式做保护处理,对上载内容本身不做任何修改或编辑。若文档所含内容侵犯了您的版权或隐私,请立即通知第壹文秘网,我们立即给予删除!