龙里县库库连通供水工程公众参与调查表.docx

上传人:p** 文档编号:692993 上传时间:2024-01-14 格式:DOCX 页数:1 大小:16.71KB
下载 相关 举报
龙里县库库连通供水工程公众参与调查表.docx_第1页
第1页 / 共1页
亲,该文档总共1页,全部预览完了,如果喜欢就下载吧!
资源描述

《龙里县库库连通供水工程公众参与调查表.docx》由会员分享,可在线阅读,更多相关《龙里县库库连通供水工程公众参与调查表.docx(1页珍藏版)》请在第壹文秘上搜索。

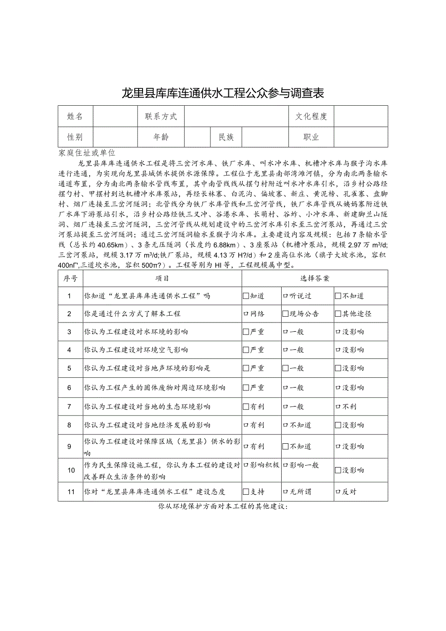
1、龙里县库库连通供水工程公众参与调查表姓名联系方式文化程度性别年龄民族职业家庭住址或单位龙里县库库连通供水工程是将三岔河水库、铁厂水库、叫水冲水库、机槽冲水库与猴子沟水库进行连通,为实现向龙里县城供水提供水源保障。工程位于龙里县南部湾滩河镇,分为南北两条输水通道布置,分为南北两条输水管线布置,其中南管线线从摆勺村附近叫水冲水库引水,沿乡村公路经摆勺村、甲摆村到达机槽冲水库泵站,再经长林寨、白泥沟、偏坡寨、新庄、黄泥榜、孔雀寨、盘脚村、烟厂连接至三岔河隧洞;北管线分为铁厂水库管线和三岔河管线,铁厂水库管线从姨妈寨附近铁厂水库下游泵站引水,沿乡村公路经铁三叉冲、谷港水库、长萌村、谷蚱、小冲水库、新建

2、脚兰山隧洞、烟厂连接至三岔河隧洞,三岔河管线从规划建设中的三岔河水库引水至三岔河泵站,再通过三岔河泵站提至三岔河隧洞;通过三岔河隧洞输水至猴子沟水库。主要建设内容及规模:包括7条输水管线(总长约40.65km)、3条无压隧洞(长度约6.88km)、3座泵站(机槽冲泵站,规模2.97万m3/d;三岔河泵站,规模3.17万m3/d;铁厂泵站,规模4.13万H?/d)和2座高位水池(旗子大坡水池,容积400n,三道坎水池,容积500?)。工程等别为HI等,工程规模属中型。序号项目选择答案1你知道“龙里县库库连通供水工程”吗知道口听说过不知道2你是通过什么方式了解本工程口网络现场公告其他途径3你认为工程建设对水环境的影响严重口一般口没影响4你认为工程建设对环境空气影响严重口一般口没影响5你认为工程建设对当地声环境的影响是严重一般没影响6你认为工程产生的固体废物对周边环境影响严重口一般口没影响7你认为工程建设对当地的生态环境影响有利口一般口不利8你认为工程建设对当地经济发展的影响口有利口不知道没影响9你认为工程建设对保障区域(龙里县)供水的影响口有利不知道口没影响10作为民生保障设施工程,你认为本工程的建设对改善群众生活条件的影响口影响积极口影响一般没影响11你对“龙里县库库连通供水工程”建设态度支持口无所谓口反对你从环境保护方面对本工程的其他建议:

展开阅读全文
相关资源
猜你喜欢
相关搜索

当前位置:首页 > 建筑/环境 > 给排水/暖通与智能化

copyright@ 2008-2023 1wenmi网站版权所有

经营许可证编号:宁ICP备2022001189号-1

本站为文档C2C交易模式,即用户上传的文档直接被用户下载,本站只是中间服务平台,本站所有文档下载所得的收益归上传人(含作者)所有。第壹文秘仅提供信息存储空间,仅对用户上传内容的表现方式做保护处理,对上载内容本身不做任何修改或编辑。若文档所含内容侵犯了您的版权或隐私,请立即通知第壹文秘网,我们立即给予删除!