1,3,5-三甲基苯的安全技术说明书.docx

上传人:p** 文档编号:693280 上传时间:2024-01-16 格式:DOCX 页数:4 大小:14.13KB
下载 相关 举报
1,3,5-三甲基苯的安全技术说明书.docx_第1页
第1页 / 共4页
1,3,5-三甲基苯的安全技术说明书.docx_第2页
第2页 / 共4页
1,3,5-三甲基苯的安全技术说明书.docx_第3页
第3页 / 共4页
1,3,5-三甲基苯的安全技术说明书.docx_第4页
第4页 / 共4页
亲,该文档总共4页,全部预览完了,如果喜欢就下载吧!
资源描述

《1,3,5-三甲基苯的安全技术说明书.docx》由会员分享,可在线阅读,更多相关《1,3,5-三甲基苯的安全技术说明书.docx(4页珍藏版)》请在第壹文秘上搜索。

1、1, 3, 5-三甲基苯的安全技术说明书化学品标识中文名:1,3, 5-三甲基苯;连三 甲基苯;连三甲苯英文名:1,3,5-trimethylbenzene; mesitylene分子式:C9Hi2相对分子质量:120. 19结构式:V化学品的推荐及 限制用途:主要用作分析试剂、溶剂,也用于有机合成等危险性概述紧急情况概述:易燃液体和蒸气,可能引起呼吸道刺激GHS危险性类 别:易燃液体,类别3;特异性靶器官毒性-一次接触,类别3(呼吸道 刺激);危害水生环境-急性危害,类别2;危害水生环境-长期危 害,类别2标签要素:象形图警示词:警告危险性说明:易燃液体和蒸气,可能引起呼吸道刺激,对水生生物

2、有毒并具有长 期持续影响防范说明:预防措施:远离热源、火花、明火、热表面。禁止吸烟。保持容器 密闭。容器和接收设备接地连接。使用防爆电器、通风、 照明设备。只能使用不产生火花的工具。采取防止静电 措施。戴防护手套、防护眼镜、防护面罩。禁止排入环 境事故响应:事故响应火灾时,使用雾状水、泡沫、干粉、二氧化碳、 砂土灭火。如皮肤(或头发)接触:立即脱掉所有被污 染的衣服,用水冲洗皮肤,淋浴。收集泄漏物安全储存:存放在通风良好的地方。保持低温废弃处置:本品及内装物、容器依据国家和地方法规处置物理和化学危 险:易燃,其蒸气与空气混合,能形成爆炸性混合物健康危害:对皮肤、黏膜有刺激作用,对中枢神经系统有

3、麻醉作用,对造血系 统有抑制作用环境危害:对水生生物有毒并具有长期持续影响成分、组成 信息物质:混合物:/危险化学品序号:1801组分:1,3, 5-三甲基苯浓度:/2AS No.:108-67-8急救措施吸入:迅速脱离现场至空气新鲜处。保持呼吸道通畅。如呼吸困难,给输 氧。如呼吸、心跳停止,立即进行心肺复苏术。就医皮肤接触:立即脱去污染的衣着,用流动清水彻底冲洗。就医眼睛接触:立即分开眼睑,用流动清水或生理盐水彻底冲洗。就医食入:漱口,饮水。就医寸保护施救者的忠 告:根据需要使用个人防护设备对医生的特别提 示:对症处理消防措施灭火剂:用雾状水、泡沫、干粉、二氧化碳、砂土灭火特别危险性:其蒸气

4、与空气可形成爆炸性混合物,遇明火、高热能引起燃烧爆炸。 与氧化剂可发生反应。流速过快,容易产生和积聚静电。蒸气比空 气重、沿地面扩散并易积存于低洼处,遇火源会着火回燃。若遇高 热,容器内压增大,有开裂和爆炸的危险灭火注意事项及 防护措施:消防人员必须佩戴防毒面具、穿全身消防服,在上风向灭火。尽可 能将容器从火场移至空旷处。喷水保持火场容器冷却,直至灭火结 束。处在火场中的容器若已变色或从安全泄压装置中发出声音,必 须马上撤离泄漏应急处理作业人员防护措 施、防护装备和 应急处置程序:消防所有点火源。根据液体流动和蒸气扩散的影响区域划定警戒 区,无关人员从分侧风、上风向撤离至安全区。建议应急处理人

5、员 戴正压自给式呼吸器,穿防静电服。作业时使用的所有设备应接地。 禁止接触或跨越泄漏物。尽可能切断泄漏源环境保护措施:防止泄漏物进入水体、下水道、地下室或有限空间泄漏化学品的收 容、清除方法及 所使用的处置材料:小量泄漏:用砂土或其他不燃材料吸收,使用洁净的无火花工具收 集吸收材料。大量泄漏:构筑围堤或挖坑收容。用泡沫覆盖,减少 蒸发。喷水雾能减少蒸发,但不能降低泄漏物在有限空间内的易燃 性。用防爆泵转移至槽车或专用收集器内操作处置与储存操作注意事项:密闭操作、加强通风。操作人员必须经过专门培训,严格遵守操作 规程。建议操作人员佩戴自吸过滤式防毒面具(半面罩),戴化学 安全防护眼镜,穿防静电工

6、作服,戴橡胶耐油手套。远离火种、热 源、工作场所严禁吸烟。使用防爆型的通风系统和设备。防止蒸气 泄漏到工作场所空气中。避免与氧化剂接触。灌装时应控制流速, 且有接地装置,防止静电积聚。搬运时要轻装轻卸,防止包装及容 器损坏。配备相应品种和数量的消防器材及泄漏应急处理设备。倒 空的容器可能残留有害物储存注意事项:储存注意事项储存于阴凉、通风的库房。库温不宜超过37C,远离 火种、热源。应与氧化剂分开存放,切忌混储。采用防爆型照明、 通风设施。禁止使用易产生火花的机械设备和工具。储区应备有泄 漏应急处理设备和合适的收容材料接触控制/个体防护职业接触限值:中国未制定标准美国(ACGIH) 未制定标准

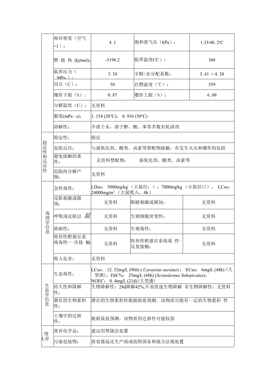
7、生物接触限值:未制定标准监测方法:空气中有毒物质测定方法:未制定标准 生物监测检验方法:未制定标准工程控制:生产过程密闭,加强通风个体防护装备:呼吸系统防护 空气中浓度超标时,佩戴过滤式防毒面具(半面 罩)。紧急事态抢救或撤离时,应该佩戴空气呼吸器眼睛防护戴化学安全防护眼镜皮肤和身体防护穿防静电工作服手防护戴橡胶耐油手套理化特性外观与性状:无色液体,有特殊气味PH值:无资料熔点(C):-44.8沸点(C):164.7相对密度(水=1):0. 86相对密度(空气=1):4. 1饱和蒸气压(kPa):1.33/48. 2eC燃 烧 热 (kjmol):-5198.2临界温度CC):368临界压力(

8、MPa ):3. 34辛醇/水分配系数:3. 41 4. 28闪点(C):50自燃温度():559爆炸下限(%):0. 87爆炸上限(%):6. 09分解温度(C):无资料黏度(mPa s):1. 154 (20): 0. 936 (30)溶解性:不溶于水,溶于醉、酸、苯等多数有机溶剂稳定性和反应性稳定性:稳定危险反应:与强氧化剂、酸类、卤素等禁配物接触,有发生火灾和爆炸的危险避免接触的条 件:无资料禁配物:强氧化剂、酸类、卤素等危险的分解产 物:无资料毒理学信息急性毒性:LDso: 5000mgkg (大鼠经:);7000mgkg (小鼠经口)。 LCso: 24000mgm3 (大鼠吸入,

9、4h)皮肤刺激或腐 蚀:无资料眼睛刺激或腐蚀:无资料呼吸或皮肤过 鼠无资料生殖细胞突变性:无资料致癌性:无资料生殖毒性:无资料特异性靶器官系 统毒性-一次接 触:无资料特异性靶器官系统毒 性-反复接触:无资料吸入危害:无资料生态学信息生态毒性:LCso: 12. 52mgL (96h) ( Carassius auratus) ; ECso: 6mgL (48h) (大型酒);EbC%: 25mgL (48h) (Scenedesnus Suhspicatus);NOEC: 0. 4mgL (21d)(大型潘)持久性和降解 性:生物降解性:28d降解42%,不易快速生物降解 非生物降解性:无资

10、料潜在的生物累积 性:潜在的生物累积性根据除值预测、该物质可能有一定的生物累积 性土壤中的迁移 性:根据鼠值预测,该物质的迁移性可能较弱:废 L弃废弃化学品:建议用焚烧法处置污染包装物:将容器返还生产商或按照国家和地方法规处置废弃注意事项:处置前应参阅国家和地方有关法规运输信息联合国危险货物 编号(UN号):2325联合国运输名称:1,3, 5-三甲基苯联合国危险性类 别:3包装类别:III包装标志:海洋污染物:是运输注意事项:运输时运输车辆应配备相应品种和数量的消防器材及泄漏应急处 理设备。夏季最好早晚运输。运输时所用的精(罐)车应有接地链, 精内可设孔隔板以减少震荡产生的静电。严禁与氧化剂

11、、食用化学 品等混装混运。运输途中应防暴晒、雨淋,防高温。中途停留时应 远离火种、热源、高温区。装运该物品的车辆排气管必须配备阻火 装置,禁止使用易产生火花的机械设备和工具装卸。公路运输时要 按规定路线行驶。铁路运输时要禁止溜放。严禁用木船、水泥船散 装运输法规信息下列法律、法规、规章和标准,对该化学品的管理作了相应的规定。中华人民共和国职业病防治法职业病分类和目录:未列入危险化学品安全管理条例 危险化学品目录:列入。易制爆危险化学品目录:未列 入。重点监管的危险化学品名录:未列入。GB18218-2018危险化学品重大危险源辨 识(表1):未列入使用有毒物品作业场所劳动保护条例高毒物品目录:未列入易制毒化学品管理条例 易制毒化学品的分类和品种目录:未列入国际公约斯德哥尔摩公约:未列入。鹿特丹公约:未列入。蒙特利尔议定书:未 列入

展开阅读全文
相关资源
猜你喜欢
相关搜索

当前位置:首页 > 办公文档 > 说明文书

copyright@ 2008-2023 1wenmi网站版权所有

经营许可证编号:宁ICP备2022001189号-1

本站为文档C2C交易模式,即用户上传的文档直接被用户下载,本站只是中间服务平台,本站所有文档下载所得的收益归上传人(含作者)所有。第壹文秘仅提供信息存储空间,仅对用户上传内容的表现方式做保护处理,对上载内容本身不做任何修改或编辑。若文档所含内容侵犯了您的版权或隐私,请立即通知第壹文秘网,我们立即给予删除!