双钢筋叠合板钢筋绑扎技术交底资料.docx

上传人:p** 文档编号:696860 上传时间:2024-01-16 格式:DOCX 页数:6 大小:26.67KB
下载 相关 举报
双钢筋叠合板钢筋绑扎技术交底资料.docx_第1页
第1页 / 共6页
双钢筋叠合板钢筋绑扎技术交底资料.docx_第2页
第2页 / 共6页
双钢筋叠合板钢筋绑扎技术交底资料.docx_第3页
第3页 / 共6页
双钢筋叠合板钢筋绑扎技术交底资料.docx_第4页
第4页 / 共6页
双钢筋叠合板钢筋绑扎技术交底资料.docx_第5页
第5页 / 共6页
双钢筋叠合板钢筋绑扎技术交底资料.docx_第6页
第6页 / 共6页
亲,该文档总共6页,全部预览完了,如果喜欢就下载吧!
资源描述

《双钢筋叠合板钢筋绑扎技术交底资料.docx》由会员分享,可在线阅读,更多相关《双钢筋叠合板钢筋绑扎技术交底资料.docx(6页珍藏版)》请在第壹文秘上搜索。

1、工程编号日期双钢筋叠合板钢筋绑扎分项工程质量管理1、依据标准:建筑工程施工质量验收统一标准GB50300-2001钢筋混凝土结构工程施工质量验收规范GB50204-2002高层建筑混凝土技术规程JGJ3-20022、施工准备2.1 材料及主要机具:2.1.1 钢筋:钢筋的级别、直径必须符合设计要求,应无老锈和油污。钢筋要有出厂质量证明书及复试报告。2.1.2绑扎铁丝:2022号火烧丝。2.L3垫块:用水泥浆制成50mmX50mm,厚度等于保护层设计厚度。2. L4主要机具:电焊机、钢筋扳子、钢筋钩等。2. 2作业条件2.1.1 叠合板己吊装完毕,梁钢筋已绑扎完毕,叠合层模板已安装完毕,墙体伸出

2、的搭接筋等己按图纸要求检查整修完毕,并将其锈皮及水泥浆等污垢清理干净。以上诸项已分别办完隐检或预检手续。2.1.2 加工成型的叠合层钢筋进场,按设计要求检查其规格、型状、尺寸和数量是否正确,并按施工平面图中指定的位置,按规格、部位和编号分别加设垫木堆放。3、操作工艺3. 1工艺流程:清理板面及板缝,并整理板甩出的筋一绑扎板缝筋一绑扎吊环双向筋一绑扎支座负弯矩筋一质量检验。3. 2清理叠合板面及板缝的杂物,按图纸要求事理直合底板的甩出筋,见图4-25。3. 3绑扎拼接板缝5通长筋。为用由5冷拔低碳钢丝平焊成型的双钢筋,绑扎板缝配筋的级别分为IV级,按图纸设计执行,绑扎拼板缝的要求见图4-25。3

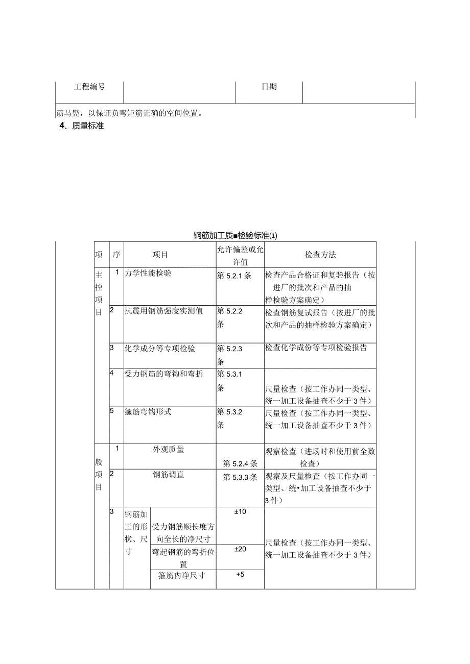
3、. 4绑扎吊环双向筋时,沿吊环的两个方向均用通长的筋双向连接,伸入邻跨400mm,端头加180钩。与吊环宜交向穿越吊环,另一向置直交筋下并与之绑扎,如图4-26(三拼为例)。3. 5绑扎支座负弯矩筋,其保护层保证不大于20mm,其与架立筋每扣均绑扎,负弯矩筋下加设钢工程编号日期筋马髡,以保证负弯矩筋正确的空间位置。4、质量标准钢筋加工质检验标准项序项目允许偏差或允许值检查方法主控项目1力学性能检验第5.2.1条检查产品合格证和复验报告(按进厂的批次和产品的抽样检验方案确定)2抗震用钢筋强度实测值第5.2.2条检查钢筋复试报告(按进厂的批次和产品的抽样检验方案确定)3化学成分等专项检验第5.2.

4、3条检查化学成份等专项检验报告4受力钢筋的弯钩和弯折第5.3.1条尺量检查(按工作办同一类型、统一加工设备抽查不少于3件)5箍筋弯钩形式第5.3.2条尺量检查(按工作办同一类型、统一加工设备抽查不少于3件)般项目1外观质量第5.2.4条观察检查(进场时和使用前全数检查)2钢筋调直第5.3.3条观察及尺量检查(按工作办同一类型、统加工设备抽查不少于3件)3钢筋加工的形状、尺寸受力钢筋顺长度方向全长的净尺寸10尺量检查(按工作办同一类型、统一加工设备抽查不少于3件)弯起钢筋的弯折位置20箍筋内净尺寸+5工程编号日期钢筋安装工程质量检验标准(II)项序项目允许偏差或允许值检查方法主1纵向受力钢筋的连

5、接方式第5.4.1观察检查(全数检查)控2机械连接和焊接接头的力学性能第5.4.2检查接头力学试验报告项3受力钢筋的品种、级别、规格和数量第5.5.1观察和尺量检查(全数检查)1接头位置和数量第5.4.3观察和尺量检查(全数检查)2机械连接、焊接的外观质量第5.4.4观察(全数检查)工程编号日期般项目3机械连接、焊接的接头面积百分率第5.4.5条观察和尺量检查(在同一检验批内,梁、柱和独立基础应抽查构件数量的10%,且23件;对墙、板,应抽查有代表性的自然间10%,且53间;对大空间结构,墙安轴线间高度5m左右划分检查面,板按纵横轴线划分检查面,4绑扎搭接接头面积百分率和搭接长第5.4.6同上

6、5搭接长度范围内的箍筋第5.4.7尺量检查(检查数量同上)6钢筋安装位置允许偏差绑扎钢箭网长、宽(m)10尺量检查网眼尺寸(mm)+20钢尺量连续3挡,取最大值绑扎钢筋骨架长(mm)10尺量检查宽、高(m)二日尺量检查受力钢筋间距(mm)10钢尺量两端、中间个一点,取最大值*F距(mm)5保护层厚府基础1()尺量检查柱、梁5尺量检查板、墙、壳3尺量检查绑扎箍筋、甸司距(mm)20钢尺量连续3挡,取最大值钢筋弯起点立置(mm)2()尺量检查预埋件中心线位置(mm)5尺量检查水平高差(mm)+3.0尺量和塞尺检查5、成品保护5.1支座负弯矩筋绑好后,不准踩在其上作业或行走,并派专人看护和修整,保持

7、其正确的空间位置。5.2安装水电管线时,不得任意切断和位移已绑好的钢筋。6、应注意的质量问题6.1支座负弯矩空间位置不准,应加强成品保护和设置钢筋马凳,适量加密。负驾矩筋间距不均,端头不在一条直线上。应加强间距标志划分和端头拉线绑扎。6.2吊环双向通长8筋,入跨长度不足,或一端长,一端短,配筋要正确,绑扎要排除障碍,认真使入跨长度到位,两端均匀。6.3叠合板甩出筋整形不规范:板缝5通长筋不顺直,绑扎不牢。应认真按规定整形,坚持合理的绑扎顺序。7、质量记录工程名称交底部位工程编号日期7.1钢筋质量合格证或试验报告单。7.2钢筋(原材、焊接)试验报告。7.3钢筋隐检记录。7.4钢筋分项工程技术交底。7.5钢筋分项工程质量检验评定。技术负责人:交底人:接交人:

展开阅读全文
相关资源
猜你喜欢
相关搜索

当前位置:首页 > 建筑/环境 > 设计及方案

copyright@ 2008-2023 1wenmi网站版权所有

经营许可证编号:宁ICP备2022001189号-1

本站为文档C2C交易模式,即用户上传的文档直接被用户下载,本站只是中间服务平台,本站所有文档下载所得的收益归上传人(含作者)所有。第壹文秘仅提供信息存储空间,仅对用户上传内容的表现方式做保护处理,对上载内容本身不做任何修改或编辑。若文档所含内容侵犯了您的版权或隐私,请立即通知第壹文秘网,我们立即给予删除!